水冷螺杆式冷水机组可用于提供空调系统冷水,与风柜及组合式空调等末端空气处理机组组成各种大型集中式空调系统,广泛应用于宾馆、酒店、医院、商场、办公楼、娱乐场所等处的空气调节。也可用于工业生产中工艺流程的降温。本期我们就一起来看一看水冷螺杆机的使用和维保。

1、机组使用范围:
项目 |
最大值 |
最小值 |
|
蒸发器 |
进水温度℃ |
24 |
7 |
出水温度℃ |
15 |
5 |
|
进出水温差℃ |
8 |
2.5 |
|
冷凝器 |
进水温度℃ |
35 |
18 |
出水温度℃ |
45 |
23 |
|
进出水温差℃ |
8 |
3.5 |
|
环境温度℃ |
45 |
6 |
|
2、机组结构
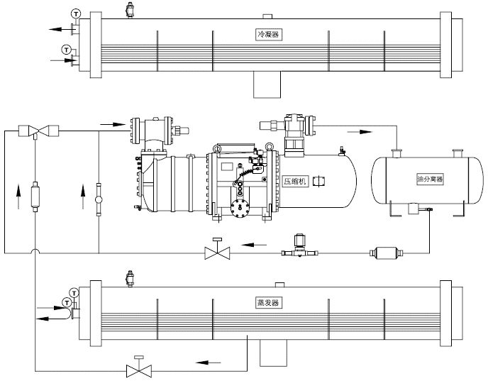
螺杆式水冷冷水机组,主要由半封闭双螺杆压缩机、壳管式冷凝器及满液式蒸发器、油分离器、节流机构、电气控制系统等组合而成。
(1)蒸发器:
在机组运行过程中,蒸发器一直维持较低的温度和压力,以便蒸发的制冷剂气体带走流过其内部冷冻水的热量。
(2)冷凝器:
在机组运行过程中,冷凝器一直维持较高的温度和压力,以便流过冷凝器的冷却水带走制冷剂中的热量。
(3)螺杆压缩机:
不断将蒸发器中蒸发的制冷剂气体送至冷凝器中,维持系统的高低压差。
(4)油分离器:
将随制冷剂气体排出的冷冻油分离出来直接送回压缩机,保证压缩机安全可靠运行。
(5)电控系统:
采用PLC或单片机控制系统,可自动调节机组输出制冷量达到用户实际需求;可控制使用侧、热源测水泵及冷却塔风机;显示以下参数:冷冻水进出水温度、冷却水进出水温度、蒸发、冷凝压力等系统参数;可进行当前故障及历史故障记录查询。
标记 |
名称 |
标记 |
名称 |
① |
电控箱 |
⑤ |
冷却水进水 |
② |
螺杆压缩机 |
⑥ |
冷却水出水 |
③ |
蒸发器 |
⑦ |
冷冻水进水 |
④ |
冷凝器 |
⑧ |
冷冻水出水 |
注:以上为示意图,请以实物为准。 |
|||
水冷螺杆式冷水机组为蒸气压缩式制冷机组的一种。其制冷原理均是通过压缩机对制冷剂蒸气施加能量,使其压力、温度提高,然后通过冷凝、节流过程,使之变为低压,低温制冷剂液体在蒸发器内蒸发为蒸汽,同时从周围环境(载冷剂,如冷水中)获取热量使载冷剂温度降低,从而达到人工制冷的目的。由此可见,蒸汽压缩式制冷循环包括压缩、冷凝、节流、蒸发等四个必不可少的过程。其原理分述如下:

压缩过程:
蒸发器中的制冷剂蒸汽被螺杆压缩机吸入后,电机通过压缩机转子对其施加能量,使制冷剂蒸汽的压力提高并进入冷凝器;与此同时,制冷剂蒸汽的温度在压缩终了时也相应提高。
冷凝过程:
由压缩机来的高压、高温制冷剂蒸汽,在冷凝器中通过管内的冷却水放出热量,温度有所下降,同时在饱和压力(冷凝温度所对应的冷凝压力)下,冷凝成为液体。这时,冷却水因从制冷剂蒸汽中摄取了热量,其温度要有所升高。冷却水的温度与冷凝温度(冷凝压力)直接有关。
节流过程:
由冷凝器底部来的高温、高压制冷剂液体,流经节流装置时,发生减压膨胀,压力、温度都降低,变为低压、低温液体进入蒸发器中。
蒸发过程:
低压、低温制冷剂液体在蒸发器内从载冷剂(如冷水)中摄取热量后蒸发为气体,同时使载冷剂的温度降低,从而实现人工制冷,蒸发器内的制冷剂蒸汽又被压缩机吸入进行压缩,重复上述压缩、冷凝、节流、蒸发过程。如此周而复始,达到连续制冷的目的。
制冷量正比于压缩机的吸入流量。螺杆压缩机在其内部装配了滑阀机构,用它来控制压缩机的吸入流量,亦可控制制冷剂的蒸发量,从而实现制冷量可以在一定范围内无级调节。
油路循环系统:
在压缩机内部,冷冻油依靠系统的高低压差,再通过内设油路,分别对轴承和转子提供润滑和冷却。压缩机连续排气过程中,冷冻油会随着制冷剂气体一起排出压缩机,如果排出的冷冻油无法重新回到压缩机,将可能导致压缩机失油,严重时会损坏压缩机。回油系统,保证随制冷剂气体排出的冷冻油顺利回到压缩机,确保机组安全可靠运行。

回油系统主要分为两个部分:
油分回油:
在压缩机排气和冷凝器之间安装了高效油分离器,随着制冷剂气体排出的冷冻油,绝大部分会被油分离器拦截并通过吸气口直接送回压缩机。
高压引射回油:
小部分冷冻油进入冷凝器后,最终会在蒸发器中聚集,依靠高压液体作为动力,可以将聚集在蒸发器中的冷冻油直接带回压缩机。
控制系统介绍:
控制系统采用微电脑控制,控制柜面板上装有电源、运行、故障指示灯,可方便直观地了解当前机组的工作状况。此外,控制柜面板上装有急停开关,当机组发生紧急故障需马上停机时,可按下急停开关,确保机组安全。
警告:在机组运行时切勿操作该急停开关,否则会对机组造成损害!
由于压缩机是机组的重要部件,因此针对压缩机的保护有:
① 电源缺相、逆相保护;南社
② 热过载保护;
③ 电流过流保护;
④ 压缩机排气温度保护;
⑤ 压缩机内部过载保护;
⑥ 高低压差保护。
显示器或触摸屏的主要作用有:
① 显示系统运行信息。
② 显示机组状态信息。
③ 显示机组故障信息。
④ 设定机组运行参数。
⑤ 设定机组自动开关机时间。
(1)在任何电气安装工作之前应确保切断总电源,在适当的位置安装总电源开关柜。
(2)通过电线连接孔把主电源线、接地线接到机组电控柜内,并将接线接到相应的接线座和地线座上,必须保证L1,L2,L3 各相的正确连接。
(3)确认主电源的电压波动是在铭牌标称值的±10%范围之内,且电压的不平衡在±2%以内,如果超过这个范围,请将机组保持关机状态,并立即联系当地电力部门。
相电压不平衡的计算公式为:电压不平衡率%=与平均电压的最大偏差/平均电压×100%。
(4)在连接主电源电缆之前,请检查各电源线相序。
(5)连接控制电路:将冷冻水泵、冷却水泵、冷却塔风机的交流接触器控制线、水流开关与机组电控系统正确连接。主电源应在开机前8小时接通,并在工作季节应一直供电,使压缩机加热带在压缩机未开时能进行加热,使集结在压缩机内的制冷剂液体挥发,避免直接开机对压缩机产生的不良影响。
机组在完成安装、水路连接、接线通电等程序后可进入调试阶段。必须由厂商指定人员现场监督并指导开机调试及随后的运行操作。
警告:机组可以对冷冻水泵、冷却水泵、冷却塔风机进行控制,但在进行调试前,水泵的试运行严禁通过主机来控制运行,可以通过临时接线来进行上述设备的试运行。
调试试运行:
(1)在开机前必须先给机组供电(机组不能启动),以使压缩机加热带工作,加热时间不低于8 小时。
(2)仔细调节冷冻/冷却水系统上流量调节阀或机组进口截止阀,使系统水流量达到使用要求。
(3)通过操作显示器,检查机组故障记录,如存在故障需检查后消除,在确认机组无故障。
(4)且验证控制器参数设定无误后,方可按下开机键启动机组。
(5)机组启动后,检查压缩机转向,如反转,请调整电源接线的其中两相线;检查压缩机润滑油,要求油镜中的油位应保持在可视位置。
(6)试运行30分钟,根据用户负载及水系统实际情况设定进水温度,保证机组运行过程正常。停机后,间隔10分钟再投入运行,以防机组频繁启动,最后仔细检查操作显示器的参数设定情况,结束调试试运行。
附1:调试前检查及记录表
调试前检查及记录表

水冷螺杆式冷水机组一般使用时间为3000h/年左右(根据我国气候地理条件)。为了确保机组长期安全可靠地正常运转,以及长期使用的运转寿命能够延长,减少运行费用,对机组经常性的科学维护和保养工作,是非常重要。
1.日常开、停机
日常的机组开、关机有手动和自动两种模式,机组自动开关机设定参见各厂商“控制器操作说明书”中自动开关机部分。控制器上的开/关键用于手动开、关机,电控箱门上的急停开关用在机组维修、调试或紧急情况下的关机,平时一般不使用。
2.主要部件维护
(1)在运行过程中应密切注意系统的排气、吸气压力,如发现异常及时找出原因,排除故障。
(2)不要任意调节控制和保护元件设定点。
(3)定期检查电气接线有无松动现象,如有松动要及时紧固。
(4)定期检查电气元器件的可靠性,应及时更换失效或不可靠的器件。
3.除垢
长期运行后,机组壳管式换热器水侧传热表面会沉积氧化钙或其他矿物质,这些矿物质在传热表面结垢较多时,会影响传热性能而导致电能消耗增加、排气压力升高。可采用甲酸、柠檬酸、醋酸等有机酸清洗。
4.冬季关机
当冬季关机时,应清洗机组内外表面,并吹干;必须打开放水阀,放净壳管换热器内的存水,以防发生冻结事故。
5.春季开机
在较长时间停机后,要启动机组时,应做如下准备工作:
(1)彻底检查和清理机组。
(2)清洁水管路系统。
(3)检查水泵。
(4)拧紧所有线路接头。
(5)按要求对机组压缩机进行预热。
6.零件更换
更换零件应优先选用品牌厂商所供配件,不得随便用类似配件代替。
7.制冷剂完全泄漏
如果遇到这种情况,必须用高压氮气(15~20公斤气压)或制冷剂对系统进行检漏,如需要进行补焊,必须将系统内气体排尽后才能进行焊接。充注制冷剂前,整个制冷系统必须是干燥的并抽真空。
8.补充制冷剂
1)在压缩机吸气管上的注氟嘴连接制冷剂充注瓶。
2)使冷冻/冷却水循环,并启动机组。
3)向系统缓慢充入制冷剂,并检查吸、排气压力。
4)注意:在进行检漏和气密性试验时,千万不能向制冷系统充注氧气,乙炔等可
9.系统防冻:
如果壳管式换热器的流道发生严重结冰情况,可能造成壳管式换热器破裂和泄漏,而冻裂损坏不属于保修范围,因此对机组防冻要特别予以重视。在较低环境温度下停机备用时,若机组放在室外温度低于0℃的环境中必须将蒸发器和冷凝器中的水排尽。放水的具体操作步骤见整机上的放水标识。
运行时,如果冷冻水水流开关失效时将可能导致水管出现冻结,因此水流开关必须与机组进行联锁。维护时,在给机组充注制冷剂或为了维修而放掉制冷剂时,有可能导致蒸发器内水结冰。一定要使蒸发器中的水保持流动或将水彻底放干净。
机组系统维护保养周期表
检查压缩机润滑油油位 |
每周 |
检查循环水系统水流量 |
每月 |
检查电压和电源 |
每月 |
检查冷媒量(视镜指示) |
每月 |
检查电线接驳松紧和电气绝缘 |
每季度 |
检查和调整温度设定 |
每季度 |
检查干燥过滤器 |
每季度 |
更换压缩机油过滤器 |
40000小时 |
更换压缩机轴承 |
40000小时 |
故障 |
可能原因 |
检测及排除方法 |
排气压力过高 |
系统中有空气或有其它不凝气体 |
从注氟嘴排除气体,必要时重新抽真空。 |
冷却塔风机故障 |
检修冷却塔风机,恢复运转。 |
|
吸气压力过高 |
见“吸气压力过高” |
|
环境温度过高 |
||
冷却水水流量过小 |
检查冷却水系统,调大水流量。 |
|
压缩机油位过低 |
检查视油镜液位并加注冷冻油 |
|
排气压力过低 |
吸气压力过低 |
见“吸气压力过低” |
制冷剂泄漏或充注不够 |
检漏并充氟 |
|
冷却水水温过低 |
检查冷却塔容量是否太大或环境温度是否太低。 |
|
吸气压力过高 |
排气压力过高 |
见“排气压力过高” |
制冷剂充注过量 |
放掉部分制冷剂 |
|
液态制冷剂从蒸发器流入压缩机 |
||
冷冻水进水温度高于允许最高值 |
检查和调整膨胀阀,确保膨胀阀感温包与吸气管紧密接触并与外界完全隔热。 |
|
吸气压力过低 |
干燥过滤器堵塞 |
更换干燥过滤器滤芯 |
膨胀阀未调节好或出故障 |
调节到合适的过热温度,或检查膨胀阀感温包是否有泄漏。 |
|
系统制冷剂不足 |
检漏并充氟 |
|
冷冻水进水温度明显低于规定温度值 |
||
冷冻水流量不够 |
检查蒸发器进出水管路压力是否太低,调节冷冻水流量。 |
|
压缩机因高压保 护停机 |
冷却水水温过高 |
|
冷却塔风机故障 |
检修冷却塔风机 |
|
高压停机设定值不正确 |
检查高压开关 |
|
压缩机因电机过 载停机 |
电压过高或过低 |
检查电压不得超出或低于额定电压 ±10%。 |
排气压力过高 |
见“排气压力过高” |
|
冷却水温度过高 |
检查冷却塔是否容量太小 |
|
过载元件故障 |
检查压缩机电流,和压缩机上规定的满负 荷电流进行比较。 |
|
电机或接线端子短路 |
检查电机和端子对应电阻 |
|
压缩机因内置温 度保护开关动作 停机 |
电压过高或过低 |
检查电压,不得超出上述规定范围。 |
排气压力过高 |
见“排气压力过高” |
|
冷冻水进水温度过高 |
||
压缩机内置温度保护开关故障 |
更换元件 |
|
系统制冷剂不足 |
检查是否漏氟 |
|
压缩机因低压保护停机 |
干燥过滤器堵塞 |
更换干燥过滤器滤芯 |
膨胀阀故障 |
调整或更换膨胀阀 |
|
低压停机设定值不正确 |
检查低压开关 |
|
制冷剂不足 |
充注制冷剂 |
|
压缩机噪音大 |
压缩机冷冻油不足 |
检查视油镜液位并加注冷冻油 |
压缩机不能启动 |
过流继电器跳开,保险烧坏。 |
更换损坏元件 |
控制电路没有接通 |
检查控制系统接线 |
|
无电流 |
检查供电 |
|
高压保护或低压保护 |
见前面吸、排气压力故障部分。 |
|
接触器线圈烧坏 |
更换损坏元件 |
|
电源相序连接错误 |
重新连接,调整其中两条接线。 |
|
水系统故障,水流开关断路。 |
检查水系统 |
|
操作显式器有报警信号 |
查看报警类别,采取相应措施。 |
|
开停机时间设定有误 |
检查并重新设定 |
|
温度传感器检测温度超过设定值 |
检查并重新设定 |
序号 |
故障 |
原因分析 |
排除方法 |
1 |
压缩机无法加载 |
1.环境温度过低,润滑油粘度过高 2.毛细管、容调电磁阀阻塞或卡住, |
1.运行前油加热器至少通电加热8小时以上,油温最低达到23℃以上 2.清除毛细管、电磁阀内杂物或检查油路过滤器是否阻塞 |
2 |
压缩机无法卸载 |
1.容调活塞卡住或磨损导致气密失效,冷媒进入容调活塞缸中 2.润滑油量不足 |
1.检查容调活塞 2.检查润滑油量,不足则加注 |
3 |
压缩机异常振动或噪音 |
1.压缩机液压现象 2.容调阀脉动共振 |
1.提高冷却水温度,热力膨胀阀关小 2.检查容调电磁阀有无异常 |
4 |
电源保护器保护01 |
1.电源相序错;相序保护器逆相灯亮 2.电源电压过高;相序保护器过欠压指示灯亮 3.电源电压过低;相序保护器过欠压 4.电源断相;相序保护器断相灯亮 |
1.调整电源相序 2.用万用表检查电源电压 |
5 |
循环水断水02 |
1.空调水系统有空气,靶流开关时通时断 2.水泵故障 3.靶流开关接线错误 4.靶流开关失灵 |
1.水系统排气 2.检查水泵 3.检查靶流开关的接线 4.检查靶流开关是否安装靶片、微动开关是否动作 |
6 |
冷却水断水03 |
1.冷却水系统有空气,靶流开关时通时断 2.水泵故障 3.靶流开关接线错误 4.靶流开关失灵 |
1.水系统排气 2.查水泵 3.检查靶流开关的接线 4.检查靶流开关是否安装靶片、微动开关是否动作 |
7 |
防冻保护04 |
1.循环水出口温度设定过低 2.循环水出口传感器接线错误 3.传感器故障 |
1.调整循环水出口温度设定值 2.检查循环水传感器接线 3.更换传感器 |
8 |
电子保护器保护05 |
1.电子保护器接线错误或接线松动 2.电子保护器烧坏 |
1.调整电子保护器接线 2.更换电子保护器 |
9 |
压缩机过载保护06 |
1.电压过高或过低 2.排气压力过高 3.回水温度过高 4.过载元件故障 5.电动机接线错误 6.过载保护器整定值不合理 |
1.检查电压与机组额定值是否一致,必要时更正相位差平衡 2.检查排气压力和确定排气压力过高原因,排除之 3.检查回水温度过高原因,排除之 4.检查压缩机电流,对比资料表上的全载电流 5.检查电动机接线座与地线之间阻抗 6.按压缩机额定电流进行调整 |
10 |
压缩机高低压保护07 |
1.冷却水入水温度过高或通过冷凝器水流不足 2.水泵故障 3.制冷剂充注过量,冷凝器铜管浸没于制冷剂液体中 |
1.调节水阀或控制闸阀;检查水塔工作情况;检查管路内的过滤器 2.检查冷却水泵 3.排出过量制冷剂 |
11 |
压缩机油位低08 |
1.油位开关失灵,用万用表二极管档测试油位开关是否导通 2.压缩机缺油;查看油镜的油位是否低于1/3油位 |
1.更换油位开关 2.对压缩机补油 |
12 |
油压差保护09(此功能暂预留,水冷螺杆机未装油压差开关) |
1.油压差开关失灵 2.油过滤器脏赌 |
1.更换油压差开关 2.检查清洗油过滤器 |
本文来源于蜂窝暖通公众号,如有侵权,请联系删除
知识点:水冷螺杆冷水机组使用、结构原理、安装调试、维护保养!
0人已收藏
0人已打赏
免费0人已点赞
分享
制冷技术
返回版块14.67 万条内容 · 882 人订阅
阅读下一篇
六种制冷方式简要了解一、蒸汽式压缩制冷 原理:在蒸汽压缩制冷循环系统中,压缩机从蒸发器吸入低温低压的制冷剂蒸汽,经压缩机绝热压缩成为高温高压的过热蒸汽,再压入冷凝器中定压冷却,并向冷却介质放出热量,然后冷却为过冷液态制冷剂,液态制冷剂经膨胀阀(或毛细管)绝热节流成为低压液态制冷剂,在蒸发器内蒸发吸收空调循环水(空气)中的热量,从而冷却空调循环水(空气)达到制冷的目的,流出低压的制冷剂被吸入压缩机,如此循环工作。
回帖成功
经验值 +10
全部回复(0 )
只看楼主 我来说两句抢沙发