土木在线论坛 \ 暖通空调 \ 通风排烟 \ 空调系统中风道的安装(图文)

空调系统中风道的安装(图文)

发布于:2023-03-22 13:50:22 来自:暖通空调/通风排烟 [复制转发]

通风空调系统是建筑工程中重要的分部工程具有工程量大、高空作业多、施工难度高等特点;


通风空调工程施工,应按照《通风与空调施工规范》 GB50738-2011。

通风空调工程施工质量,按照《通风与空调工程施工质量验收规范》GB 50243-2002的有关规定执行。


风道的制作及安装应按照《通风管道技术规程》JGJ141-2004 。

风道的加工安装工作是指组成整个系统的风管和附件、配件的制作和组装,包括放样、下料、板材连接、法兰制作、风管加固等施工过程,也是从原材料到半成品、成品,最终组合成完整的系统的过程。


风管系统按其工作压力划分为低压系统(P≤500Pa)、中压系统(500 Pa<P≤1500Pa)和(P>1500Pa)高压系统。


一、风管及配件的规格

风管一般以外边长(或外径)为标注尺寸,非金属矩形风管以内边长(或内径)为标注尺寸; 其长边与短边之比不宜大于4:1。

1.风管的规格 风管形有圆形(含椭圆)和矩形两种,金属风管按照成型方式分为板材对接的普通风管和带钢卷制螺旋焊风管; 螺旋缝钢板圆风管还可压扁成椭圆形,用来代替矩形风管。 螺旋缝钢板圆风管一般采用无法兰连接方式; 目前风管产品的规格已经标准化,并在全国范围内通用。
圆形通风管道统一规格
图片

注:应优先选用基本系列。
矩形通风管道统一规格
图片


2.风道的材料

风管材料可分为金属和非金属;


金属风管又分为钢板风管(镀锌钢板风管)、铝板风管及不锈钢风管等;


金属风管目前应用较多,可以作为输送空气(送风排风)、输送烟气、锅炉烟道以及气力输送等场合;


镀锌钢板风管常被用于舒适性空调系统;


铝板风管和不锈钢风管多用在工艺性空调系统(净化空调)和对静电要求较高的场所。


非金属风管分为酚醛铝箔复合风管、聚氨酯复合风管、玻纤复合风管、水硬性无机玻璃钢风管、氯氧镁水泥风管、硬聚氯乙烯风管等。


3.风管板材的厚度


金属风管的板材厚度根据用途不同而不同
图片

非金属风管的板材厚度

无机玻璃钢风管壁厚、成型法兰高度与厚度偏差(mm)

图片


二、金属风管及配件的加工
金属风道的制作工序
图片


1.金属风管板材及型钢的种类和特性要求
金属板材及型钢的种类、材质和特性要求
图片

图片


2.金属板材的剪切 1)手工剪切常用的工具有直剪刀、弯剪刀、侧刀剪和手动滚轮剪刀等,可依板材厚度及剪切图形情况适当选用。 2)剪切厚度在1.2mm以下。
图片


3.金属风管的连接

风管有咬口、铆接和焊接三种,其中以咬口连接应用最为普遍。


(1)咬口连接
把需要相互结合的两个板边折成能互相咬合的各种钩形,适用于厚度≤1.2mm的薄钢板、厚度≤1.0mm的不锈钢板和厚度≤1.2mm的铝板。
图片

其咬口形式有:

单平咬口:用于板材的拼接缝和圆风管纵向的闭合缝,以及严密性要求不高的制品接缝。


单立咬口:用于圆风管端头环向接缝,如圆形弯头、圆形来回弯各管节间的接缝。


转角咬口:用于矩形风管及配件的纵向接缝和矩形弯管、三通的转角缝连接。


联合角咬口:也叫包角咬口,咬口缝处于矩形管角边上,用途同转角咬口。应用在有曲率的矩形弯管的角缝连接更为合适。

按扣式咬口:适用于矩形风管和配件的转角闭合缝。一侧的板边加工成有凸扣的插口,另一侧板边加工成折边带有倒钩状的承口,安装时将插口插入承口即可组合成接缝:这种咬口的特点是咬合紧密,运行可靠。


目前咬口多采用机械加工。
图片

风管和配件的咬口宽度和板材厚度有关,应符合有关规定。
单平咬口加工过程和联合角咬口加工过程
图片

咬口连接常采用机械咬口

常用的有直线多轮咬口机、圆形弯头联合咬口机、矩形弯头咬口机、合缝机、按扣式咬口机和咬口压实机等。


(2)焊接-钢板>1.2mm,不锈钢>0.7mm,铝板 >1.5mm

常用的焊接方法有气焊(氧-乙炔焊)、电焊或接触焊,对镀锌钢板则用锡焊加强咬口接缝的严密性。


常用的焊缝形式有对接缝、角缝、搭接缝、搭接角缝、扳边缝、扳边角缝等。板材的拼接缝、横向缝或纵向闭合缝可采用对接焊缝;矩形风管和配件的转角采用角焊缝;矩形风管和配件及较薄板材拼接时,采用搭接缝、扳边角缝和扳边焊缝。


图片

镀锌钢板的锡焊仅作咬口的配合使用,以加强咬口缝的严密度。锡焊用的烙铁或电烙铁、锡焊膏、盐酸或氯化锌等用具和涂料必须齐备,锡焊必须严格进行接缝处的除锈,方可焊接牢固。


氩弧焊接,氩弧焊接由于有氩气保护了被焊接的板材,故熔焊接头有很高的强度和耐腐蚀性能,且由于加热量集中,热影响区小,板材焊接后不易发生变形,因此更适于不锈钢板及铝板的焊接。


所有焊接的焊缝表面应平整均匀,不应有烧穿、裂缝、结瘤等缺陷,以符合焊接质量要求。


(3)铆接 铆接主要用于风管、部件或配件与法兰的连接。是将要连接的板材翻边搭接,用铆钉穿连并铆合在一起的连接。如下图所示”。
图片

铆接在管壁厚度d≤1.5mm时,常采用翻边铆接,为避免管外侧受力后产生脱落,铆接部位应在法兰外侧。


铆接直径应为板厚的2倍,但不得小于3mm,其净长度L=2δ+1.5~2dmm。D为铆钉直径,δ为连接钢板的厚度,铆钉与铆钉之间的中心距一般为40~l00mm,铆钉孔中心到板边的距离应保持(3~4) d。


手工铆接时,先把板材与角钢划好线,以确定铆钉位置,再按铆钉直径用手电钻打铆钉孔,把铆钉自内向外穿过,垫好垫铁,用钢制方锤打堆钉尾,再用罩模罩上把钉尾打成半圆形的钉帽。这种方法工序较多,工效低,锤打噪声大,工人劳动强度大。


手提电动液压铆接钳是一种效果良好的铆接机械。

由液压系统、电气系统、铆钉弓钳三部分组成,如下图所示。


图片

按动手钳上的电钮,使压力油进入软管注入工作油罐,罐内活塞迅速伸出使铆钉顶穿铁皮实现冲孔。
铆接完成后,松开按钮,活塞杆复位。整个操作过程平均为2.2s。使用铆接钳工效高,省力,操作简便,穿孔、铆接一次完成,噪声很小,质量很高。


4.法兰连接

法兰有圆形和矩形两种。在通风和空调系统中,法兰用于风管与风管、风管与配件、部件之间的延长连接,同时对风管整体有一定的加固作用,使安装和维修都很方便。


法兰用角钢、扁钢加工制成。随着风管及风管配件、部件的定型化,其连接件法兰也已定型化。表中列出了圆形和矩形风管法兰的标准规格及定型尺寸,可做加工预制的依据。
图片


5.金属风管的加固

风道加固的目的是在不改变风管板材厚度以及保持风管截面形状不发生变化情况下,增加管道强度。


风管的加固可采用楞筋、立筋、角钢(内、外加固)、扁钢、加固筋和管内支撑等形式。
图片

风管的加固方式
 形直风管的加工与加固 圆形直风管制作长度按系统加工安装草图考虑运输及安装方便、板材的标准规格、节省材料等因素综合确定,一般不宜超过4m。 圆形风管本身强度较高,一般不再考虑风管自身的加固。

当直径大于700mm,两端法兰间距较大时,每隔1.2m左右,加设一道25×4的扁钢加固圈,用铆钉固定在风管上。


 矩形风管的加工与加固 矩形直风管在下料后,即可进行加工制作;

当风管周边总长小于板材标准宽度,即用整张钢板宽度折边成型时,可只设一个角咬口;


当板材宽度小于风管周长,大于周长一半时,可设两个角咬口;当风管周长很大时,可在风管四个角分别设四个角咬口。 矩形风管三种加固方法
图片
图片


三、非金属风管的加工制作
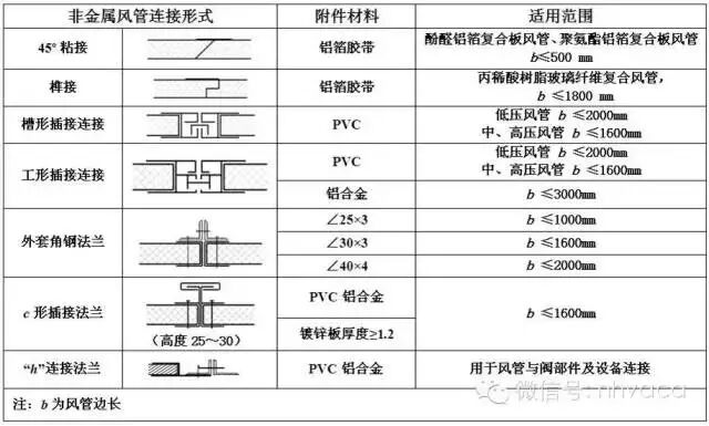
非金属矩形风管连接形式及适用范围
图片


(一)硬聚氯乙烯塑料风管及配件的加工制作 (强规):非金属风管材料的燃烧性能应符合现行国家标准《建筑材料燃烧性能分级方法》GB8624规定的不燃A级或难燃B1的规定。 硬聚氯乙烯风管的加工过程:划线-剪切-打坡口-加热-成型(折方或卷圆)-焊接-装配法兰。  1. 板材划线    2.板材切割  3.板材打坡口  4.风管及配件加热成型
图片

圆形、矩形风管在延长连接组合时,其纵向接缝应错开,如下图所示。
图片

矩形风管的四角可采用煨角或焊接连接的方法。当采用煨角时,纵向焊缝距煨角处宜大于80mm。


风管与法兰连接应采用焊接,法兰端面应垂直于风管轴线。直径或边长大于500mm的风管与法兰的连接处,宜均匀设置三角支撑加强板,加强板间距不得大于450mm。


边长大于或等于630mm焊接成型的、边长大于或等于800mm煨角成形的或管段长度大于1200mm的风管,应焊接加固框或加固筋,加固框的规格宜与法兰相同。
图片

图片

硬聚氯乙烯板焊缝形式、坡口尺寸及使用范围
图片

图片


(二)玻璃钢风管及配件的加工制作

在通风和空调工程中,传统的风管材料是薄钢板(镀锌的或非镀锌的),但因钢板易锈蚀,在潮湿地区尤为严重,使用年限受到很大限制,又有易产生共振、噪音较大等缺陷。


有机玻璃钢解决了钢板风管的锈蚀问题,却未能解决阻燃问题;一些大中城市的消防管理部门已明令禁止使用有机玻璃钢做风管。 无机玻璃钢具有不被腐蚀、不燃烧、有一定的吸音性、价格较低等优点,是一种有前途的风管材料。


1.无机玻璃钢风管的制作    在专用的整体胎模上,铺以塑料薄膜作内衬,滚涂或压抹菱镁材料,贴铺玻璃丝布,重复多次,直至要求的玻璃丝布层数和总厚度。

操作中玻璃丝布应相互搭接,法兰处应另有加层。


最后加铺厚的塑料薄膜,再经滚压,揭开薄膜即为成形。然后自然风干,当固化度达到60%后脱胎膜,再揭内衬薄膜。待固化程度达到90%后可以从加工点运往工地。


成形的无机玻璃钢风管或部件是与法兰连接成整体的,无需另配法兰盘,安装时要在玻璃钢法兰上加工螺栓孔。


2.无机玻璃钢风管的质量要求


(1)制作要求: 1)无机玻璃钢风管及其部件的规格、尺寸必须符合设计要求; 2)玻璃丝布应保持干燥清洁,不含蜡,玻璃丝布的铺置接缝应错开,无重叠现象。 3)玻璃丝布的层数和壁厚应符合《通风管道技术规程》JGJ141-2004的表3.7.9要求; 4)玻璃钢风管及配件的内表面应平整光滑,外表面应整齐美观,厚度均匀,边缘无毛刺,不得有气泡、分层、外露玻璃丝布的现象,固化度应达到90%以上; 5)无机玻璃钢风管的法兰平面应与风管轴线成90°; 6)无机玻璃钢风管的厚度、法兰高度与厚度的偏差尺寸允许公差参见下表。
图片


无机玻璃钢风管分为普通型风管(非保温)、整体保温(中间为绝热层)、组合型和组合保温型四类。


玻璃纤维网格布相邻层之间的纵、横搭接缝距离应大于300mm,同层搭接缝距离不得小于500mm。搭接长度应大于50mm。

风管表层浆料厚度以压平玻璃纤维网格布为宜(可见布纹)。且表面不得有密集气孔和漏浆。


图片
玻璃钢风道实例

图片


二、 玻璃纤维复合风管的制作

玻璃纤维复合板内、外表面层与玻璃纤维绝热材料粘结应牢固,复合板表面应能防止纤维脱落。风管内壁采用涂层材料时,其材料应符合对人体无害的卫生规定。


风管内表面层的玻璃纤维布应是无碱或中碱性材料,并符合现行国家标准《无碱玻璃纤维、无捻粗纱布》JC/T281的规定。内表面玻璃纤维布不得有断丝、断裂等缺陷。


风管宜采用整板材料制作。板材拼接时应在结合口处涂满胶液并紧密粘合;外表面拼缝处预留宽30mm的外护层涂胶密封后,用一层大于或等于50mm宽热(压)敏铝箔胶带粘贴密封。接缝处单边粘贴宽度不应小于20mm。内表面拼缝处可用一层大于或等于30mm宽铝箔复合玻璃纤维布粘贴密封或采用胶粘剂抹缝。


图片
图片
玻璃纤维复合风管外加固槽形钢规格(mm)
图片

风管加固内支撑件和管外壁加固件的螺栓穿过管壁处应进行密封处理。


风管成型后,管端为阴、阳榫的管段应水平放置,管端为法兰的管段可以立放;


风管应待胶液干燥固化后方可挪动、叠放或安装;风管应存放在防潮、防雨和防风沙的场地。


复合风道
图片

非金属风管的加固与支撑
图片

图片


三、风管配件的制作

风管的弯管、三通、异径管及来回弯管等配件所用材料厚度、连接方法及制作要求应符合风管制作的相应规定。


矩形弯管制作示意图
图片

1.硬聚氯乙烯风管及配件的加工
硬聚氯乙烯风管具有良好的化学稳定性和抗酸、抗碱、抗腐蚀的功能,并具有较高的强度、弹性,常被用于风管、风机及配件的制造。 硬聚氯乙烯风管和配件的加工步骤如下: 检查板材→划线下料→切割→打磨坡口或挫削焊口→加热成型(折方或卷圆)→焊接或装配法兰→质量检查。


2.玻璃钢风管及配件的加工制作

有机玻璃钢风道由于不阻燃,在多数场合下已被禁用,目前多采用无机玻璃钢(又称为玻璃纤维增强氯氧镁水泥无机复合材料)制作通风管道、配件和部件。


无机玻璃钢风管分为整体非保温普通风管、内、外表面为无机玻璃钢,由复合板、专用胶、法兰、加固角件等连接成风管的组合型风道、中间为绝热材料的整体保温型以及组合保温型风道四类。


三、复合风管的加工制作

1.复合板材料风管概述

复合材料风管是利用两种以上材料制作风道,分为塑料复合钢板(没有保温作用)、酚醛铝箔复合保温风管、聚氨酯复合保温风管、玻纤复合保温风管等。


复合材料风管的覆面材料必须为不燃材料,内部的绝热材料应为不燃或难燃B1级,且对人体无害。


复合材料风管采用法兰连接时,法兰与风管板材的连接应可靠,绝热层不得外露,不得采用降低板材强度和绝热性能的连接方法。


图片


2.酚醛铝箔复合风管和聚氨酯铝箔复合保温风管

当风管边长小于等于1600mm时,宜采用45°角形槽口处直接粘接,并在粘接缝处两侧粘贴铝箔胶带;


边长大于1600mm时,应采用“H”形PVC或铝合金加固条在90°角槽口处拼接,拼接处应涂胶粘剂粘合。
图片

复合板板材切割应使专用刀具,切口应平直。


风管管板组合前应清除油渍、水渍、灰尘,组合可采用一片法、两片法或四片法形式。


组合时应采用45°角切口处应均匀涂满胶剂粘合,粘结缝应平整,不得有歪扭、错位、局部开裂等缺陷。


铝箔胶带粘贴时,其接缝处单边粘贴宽度不应小于20mm,风管内角缝应采用密封材料封堵;


外角缝铝箔断开处,应采用铝箔胶带封贴,PVC连接件的燃烧等级应为难燃B1级,其壁厚应大于等于1.5mm。
图片


3.玻璃纤维复合板风管

玻璃纤维复合板内、外表面层与玻璃纤维绝热材料粘结应牢固,复合板表面应能防止纤维脱落。


风管内壁采用涂层材料时,其材料应符合对人体无害的卫生标准规定,且内表面玻璃纤维布不得有断丝、断裂等缺陷。


4.柔性风管

柔性风管也称软管,应选用防腐、不透气、不宜霉变的柔性材料制作。


金属圆形柔性风管,其壁厚应0.09mm~0.2mm。 铝箔聚酯膜复合柔性风管的壁厚应大于等于0.021mm,

钢丝表面应有防腐涂层;钢丝直径为0.96mm~1.42mm。


图片

不同种类的柔性风管图片


四、风管部件 风管配件包括三通四通、弯头、风口、风阀、排风罩、消声器等。


1.弯头 矩形弯管可按照内外同心弧型、内弧外直角型、内斜线外直角型及内外直角型几种方式制作,并应满足以下规定: 矩形弯管宜采用内外同心弧型。 弯管曲率半径宜为一个平面边长,圆弧应均匀; 矩形内外弧型弯管平面边长大于500mm,且内弧半径(r)与弯管平面边长(a)之比(r/a)小于或等于0.25时应设置导流片。
图片

2.三通 圆形三通、四通、支管与总管夹角宜为15~60°,制作偏差应为3°。 插接式三通管段长度宜为2倍支管直径加100mm、支管长度不应小于200mm,止口长度宜为50mm。 三通连接宜采用焊接或咬按形式。
图片


3.变径管 变径管单面变径的夹角θ宜小于30?,双面变径的夹角宜小于60? 变径管可采用风管材料制作,也可使用帆布等软质材料与法兰圈制作。
图片


4.柔性短管-冷风管注意防结露 柔性短管多用于风管与设备的连接处,防止设备振动噪声通过风管传播扩散到通风空调系统。 当风管穿越建筑物沉降缝时,也应设置柔性短管,其长度视沉降缝宽度适当加长。 柔性短管常用帆布或人造革制作。
图片

5.防火阀、排烟阀(口)的制作 防火阀是空调系统重要的安全装置,熔断关闭温度为70℃。 防火阀制作时,外壳钢板厚度不应小于2 mm,防止在火灾状态下外壳变形影响阀板关闭。 阀门轴承等可动部分必须用黄铜、青铜、不锈钢及镀锌钢件等耐腐蚀材料制作,以免在火灾时因锈蚀影响阀件动作而失灵。 防火阀的易熔片是关键部件,必须用正规产品制作,而不能用尼龙绳或胶片等代替。 易熔片的检查应在水浴中进行,其熔点温度与设计要求的允许偏差为-2。易熔片要安装在阀板的迎风侧。 制作完成后应做漏风检验,以保证阀板关闭严密,能有效地隔绝气流。
图片

将防火阀、排烟阀以及调节阀的功能进行组合,就形成了防火调节阀,防火排烟阀、防火排烟调节阀。 防火调节阀可以对阀门开度进行调节,又可以作为防火阀使用,一阀两用,常被用在空调送风、排风系统中。 防火排烟阀,其工作原理是平时作为防火阀使用,70℃关闭,当需要启动进行排烟时,阀门受控再次打开进行排烟,并输出信号,联动排烟风机启动,当环境温度达到280℃时,排烟阀关闭,联动排烟风机停止。
图片

6.风阀的加工制作 风阀种类很多,有斜插阀、平插阀、密闭阀、蝶阀、多叶调节阀等。
图片


7.风口的制作 送、吸风口的形式和规格很多,常用的有插板式送回风口、旋转式吹风口、单面或双面送风口、矩形空气分布器、百叶风口、篦板式回风口、网式回风口、孔板式送风口、圆形或方形直片式散流器、直片式送吸式散流器和流线型散流器等。
图片


本文来源于蜂窝暖通公众号,如有侵权,请联系删除

知识点:空调系统中风道的安装(图文)

通风空调系统中风道及配件的加工与安装



全部回复(0 )

只看楼主 我来说两句抢沙发
这个家伙什么也没有留下。。。

通风排烟

返回版块

13.92 万条内容 · 628 人订阅

猜你喜欢

阅读下一篇

地板送风变风量空调系统方式有哪些?不同的方式有何差异?

地板送风空调系统是全空气系统的一种类型,当它与变风量空调技术相结合后,形成了地板送风变风量空调系统。 地板送风变风量空调系统按其变风量末端装置和地板送风口的形式的不同,可以组合成多种地板送风空调系统。 (1)地板送风变风量空调系统方式 儿种常用地板变风量送风空调系统方式见表10-8。 地板送风变风量空调系统种类繁多,设计人员必须根据空调区域内各温度控制区的负荷特性、末端装置与地板送风口的类型等因素进行权衡,选择合理的地板送风变风量空调系统。随着空调理念更新,更加节能和可靠的变风量新产品的不断出现,必将涌现出更多类型的地板送风变风量空调系统。

回帖成功

经验值 +10