风冷热泵系统特点:
系统优点:送风温度适宜;可结合地暖应用;冬季化霜无明显影响;可连接较多室内末端;配管长度和落差不受限;无需专用机房。
关键点:水流量分配;防冻措施、水质控制。

风冷热泵二联供工作原理—制冷/制热:

风冷热泵二联供应用工作原理—地板采暖:

风冷热泵冷水机组+地板采暖二联供系统特点:
实现空调、采暖甚至生活用水三合系统。
节能:减少初投资。
变频多联机系统地板采暖需要外部额外增加商用锅炉提供热源。
难点:1、空调流量/扬程跟地暖系统的匹配性;
2、空调系统/地板采暖系统整合;
3、冬季恶劣气候,化霜/热量衰减采暖效果差;
4、实际应用案例参观。
传统地暖系统的温差为10℃,阻力计算为2~3m/回路,为保证水系统平衡,地盘管保证每分水器支管长度一致,一般客厅需要2~3个回路。
地暖系统支管管径一般4″(12mm),总支管管径一般6″(16mm),壁挂炉扬程一般6m,一般适当增加水路流量,水阻力增大,散热效果好。
空调系统做地暖一般温差5度,流量减少50%左右,管路需要旁通。
容积式锅炉:需要外置板交,否则地板采暖水系统和生活用水系统会混合在一起,水质差,增加外部板交系统配件多,控制复杂
壁挂炉:目前市面上最小的壁挂炉为18KW,对于公寓楼小户型明显偏大增加初投资同时增加运行费用。

系统由一台热泵型小型风冷冷水机组和一台热水器炉组成。夏季由冷水机组制取低温冷冻水,通过室内风机盘管提供空调;冬季由热泵主机提供热水,通过地板采暖向室内供暖。热水器提供热水满足平时生活用热水需要。
机型选择:
1) 风机盘管的选择:
房间空调面积*单位面积负荷(F1)=房间冷热负荷→机盘管型号。
房间类型 |
F1 |
客厅/起居室 |
180-220w/m2 |
餐厅 |
200-250w/m2 |
书房 |
140-180w/m2 |
主卧 |
160-200w/m2 |
次卧 |
140-180w/m2 |
-以上系数适用于从南京、上海、杭州、宁波等地,其它不同纬度的地区需要适当调整;
-顶层、西侧、有大面积玻璃的房间需要适当放大;
-复式住宅、别墅等的挑空客厅或中庭需按照两层面积来计算,并尽量将FCU的位置放在低位;
-不建议在厨房和卫生间内安装风口或独立FCU(避免油腻和潮湿霉菌、异味);
-带卫生间的卧室、与厨房相通的餐厅可以适当放大,并利用卫生间的排风引入房间的部分冷气。
冬季卫生间内可以采用挂墙式暖气片、地板采暖、浴霸等制热方式;
-风机盘管选择一般用其中速档风量时的输出,以保证足够的容量以及合适的噪声(特别是夜间休息时)。
系统由一台热泵型小型风冷冷水机组和一台热水器炉组成。夏季由冷水机组制取低温冷冻水,通过室内风机盘管提供空调;冬季由热泵主机提供热水,通过地板采暖向室内供暖。热水器提供热水满足平时生活用热水需要。
2)主机的选择
风机盘管容量之和*同时使用系数(F2)=主机冷热负荷→主机型号
F2=室内侧最多同时开启使用的风机盘管所对应的房间面积占总空调面积的比率视用户要求和其使用习惯、楼宇档次和形式,一般取0.5至0.9。
或者:
房间空调面积之和*平均单位面积负荷(F3)=主机冷热负荷→主机型号
F3=所有室内机同时开启状态下,室外主机标准容量分摊到单位面积上的数值视开发商投入和其目标客户的使用习惯、楼宇档次和形式,一般取120-200w/m2。
-由于风机盘管本身也需要估算(用F1),所以前一种方式将会有两个变量参数的影响,而后者只有一个变量参数(F3),故而较容易控制范围,我们建议用后一种方式来选择主机容量和型号;
-小户型的用户同时开启各个房间FCU的可能性较大,此系数尽量放高;
-F3的选取主要考虑主机在冬季低温状态下制热会产生的衰减量(另见下文);
-风机盘管需要安装调节电磁阀以控制水流量向需要空调的区域流动。
负荷计算:
气候条件;使用面积;窗的数量、朝向;外墙的朝向;房间内的人数;用电器;隔热因素。

风机盘管的选型:
根据房间的送风量选取风机盘管型号;
根据选取风机盘管的制冷量(冷冻水进水温度7℃,水温差5℃,机外余压0 Pa)校和房间冷负荷。根据装饰要求确定风机盘管的形式。
根据房间的冷负荷,一般按照风机盘管的中档风速时的供冷量来选择风机盘管的型号,也可按照高速档供冷量的80~85%来选择。
校核冬季的制热量是否满足房间的供热要求。
了解风机盘管:风量(高、中、低速);冷水进水温度和进出水温差;进风干、湿球温度;标准机组和高静压机组;2、3、4排管;水压降;噪音;物理尺寸。
风机盘管的选型例举:
例:某公寓朝南卧室20m2,送风量101sm2;20×10×3600 ÷1000=720m3/h;根据风机盘管样本选用HFCA04一台,HFCA04高风速时的制冷量为4.39kW,单位面积制冷量为219.5w,大于160w/m2的冷负荷,满足要求。
室外冷水机组选型:
室内风机盘管的总冷量;同时使用系数8~100%((用户的使用习惯);根据冷负荷选择冷水机组;根据主人的生活习惯选择机组;根据房间的使用情况选择机组;机组制冷量通常为冷负荷的80~100%。
了解机组:名义冷量;机组水压降特性曲线;安装尺寸及机组维修、维护空间;电气规格。

例如Koolman水压降特性曲线图:


定水量系统的总水流量按最大负荷计算:

式中:
W-冷水总水量 (m3/s);
Q-空调房间设计工况时的负荷总和 (kW);
c-的比热容 ,取4.19kJ/(kg.℃);
ρ--水的密度,取1000kg/m3;
th--回水的平均温度(℃);
tj --供水温度(℃);
W--水流量m3/s;
d--水管内径 m;
v--水流速 m/s
保证换水侧热器进行正常的热交换。
水系统设计:
水系统的流量必须首先通过专业设计人员进行规范设计,使流经主机水侧换热器的水流量与机组的制冷量相匹配。
不允许按空调主机的水管接头尺寸定实际管路尺寸,必须经过水系统设计而定水管路尺寸,从而保证机组的水流量。
水系统空气侧末端产品的水流量必须首先通过专业设计人员进行规范设计,使流经每个空气侧水盘管的水流量与该空气侧末端产品的制冷量相匹配。

查看机组额定水流量要求。
风机盘管冷冻水管连接:
建议采用软管与进出水管相连,且在水管路中应安装水过滤器和球阀(或闸阀)来调节水流量及检修时能切断水源。
风机盘管的进水口在下,出水口在上,即下进上出方式接管。
电动二通阀和电动三通阀均安装于风机盘管的出水管侧。

管路系统的配置:
1) 两通-三通阀的选配

-电磁阀与温控器配合使用可以调节房间温度至舒适的范围;
-全部安装两通阀:可能造成水泵“闷泵”现象,故而需要在主管道上加平衡阀;
-全部安装三通阀:近端风机盘管的水阻力较小,容易形成短路、距离主机较远的房间效果不佳;
-我们建议的最佳方式是:两通阀和三通阀混装,其中三通阀较少、安装于远端;
-若不安装电磁阀,可能造成房间温度过低(夏季),卧室内人员入眠后产生不适;
-复式或别墅的垂直立管建议采用同程式,以平衡各支管的阻力、均衡流量;
-目前市场上出现了自动调节风速的风机盘管温控器,在达到房间温度时可以自动停止风机的运行,可以起到相应的作用;
-水系统如果全部使用二通阀,则可以同时在主机送、回水主管道之间增加压差旁通阀,并在靠近水泵进水口侧串接一个蓄能水箱,以保证旁通回路满足最小水容量要求,水容量要求为每千瓦制冷量配有10L水,不够则增加蓄能水箱。
2) 水力装置

-一般意义上的水力装置包括:水泵、膨胀水箱、自动补水阀、自动排水阀、手动放水阀、Y型过滤器、水流开关等;
-膨胀水箱有开式和闭式两种,开式水箱内有补水球阀和溢水管,可以起到自动补水和排水的作用;
-闭式膨胀水箱的容量根据系统内水容量的大小来选择,可以在一定限度内控制系统内水压,但必须配以自动补水阀和自动排水阀,以防压力过低或过高;
-自动补水阀引入自来水至空调水管内,因卫生要求采用的是单向结构,防止对生活用水的污染;
冷冻水系统水容量要求,水系统储水箱安装:
为防止水温波动较快和除霜时水温下降非常快。
可通过增加循环水总量将能明显地使这两个问题滞后,但是若水量过多也会造成循环水箱体积庞大、首次制冷或制热时水温变化趋缓等负面影响。
规定每千瓦制冷量配备10升的水量,达不到要求的必须增加蓄能水箱。
在整个水系统的总水量达不到正常的要求时可以在回水管水泵入口处串联一个储水箱。
储水箱的容量等于要求的总水量减去水管路和风机盘管的水量。
储水箱安装需注意:水箱的承压问题;密闭性,不要漏水;装在水泵入口回水管处,且要做好保温。
如现场水系统配有压差旁通阀,需在靠近水泵进水口侧串接一个蓄能水箱,以保证旁通回路满足最小水容量要求,水容量要求为每千瓦制冷量配有10L水,不够则增加蓄能水箱。
外置水泵设计:
外置水泵安装原则是:水流放向必须是流向各机组进水口,使机组开机状态永远保证水侧换热器是正压状态。
禁止让外置水泵安装的水流方向是流向室内风机盘管侧,使机组水侧换热器内部的水流道处于被抽水状态。否则机组水侧换热器在制冷模式下有冻坏风险,在制热模式下有可能发生高压保护。

膨胀水箱的设计:
在水系统最高点必须安装补水箱,装在机组水泵的回水总立管的顶端,并有溢水装置;或者在回水管上安装压力式膨胀水箱且有自动补水阀和自动泄压阀。
膨胀管在重力循环系统时接在供水总立管的顶端;在机械循环系统时接至系统定压点,一般接至水泵入口前,循环管接至系统定压点前的水平回水干管上,该点与定压点之间,应保持不小于1.5-3m的距离。
采用外置式高位膨胀水箱时,系统补水由膨胀水箱内的浮球阀来控制。
采用内置式(压力)膨胀水箱时,在机组进水管上应装设一只自动补水阀,当机组进水管处水压低于设定压力时,补水阀自动开启进行补水。
膨胀管、溢水管和循环管上严禁安装阀门,而排水管和信号管上应设置阀门。
设在非供暖房间内的膨胀管,循环管,信号管均应保温。
膨胀水箱的大小可按空调水系统总水量的3%选取。
水箱分:重力式膨胀水箱,力式膨胀水箱。

压力式膨胀水箱:

用来调节水回路内压力及水量的装置。安装时请在其两侧各安装一个手动截止阀,以方便日后维护。

自动补水阀上的整定值须小于自来水压力,且大于该水系统补水处的静止水压。
某工程设计例举:

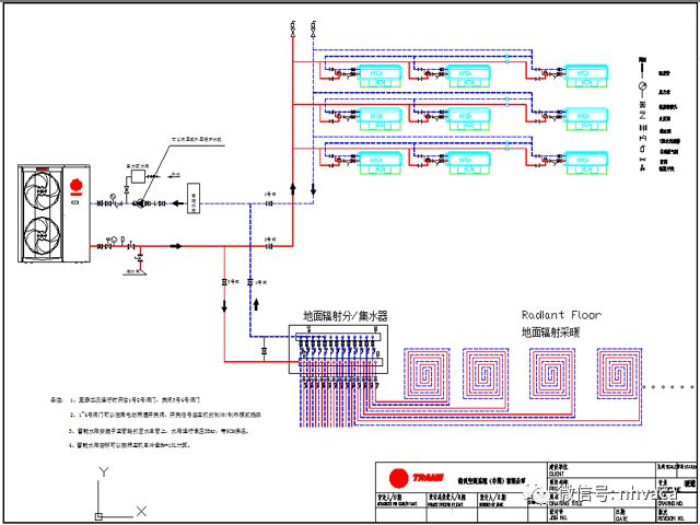
地暖工作原理图:

考虑初投资,常规系统的温度控制以地板采暖回水温度14度设定,根据要求调节锅炉的回水温度,一般不设定房间温控器及分水器的两通阀,不能单独控制温度,系统建议全开全关。
一、分集水器
定义:在水系统中,分水器用于连接各路加热管供水管的配水装置;集水器用于连接各路加热管回水管的汇水装置。
作用:优化系统各支路的流量分配,更好的控制热量均衡,并且起到各支路开关、系统泄水、自动排气的作用。

水地暖的供水温度及管间距:
低温热水地面辐射供暖系统的供、回水温度应由计算确定,供水温度不应大于60℃。民用建筑供水温度宜采用35 ℃ ~ 50℃,供回水温差不大于10 ℃ 。

JGJ142-2012《辐射供暖供冷技术规程》:
3.1.3 辐射供暖表面平均温度宜符合表3.1.3的规定。
表3.1.3 辐射供暖表面平均温度(℃)

供水温度:可根据实际负荷情况进行现场设定。
上海地区推荐供水温度45℃,供回水温差5-8℃。
管间距:管间距大,散热量小,管间距小,散热量大。一般现在管路铺设管间距有150mm、200mm、250mm。
上海地区推荐管间距:150mm。
地板散热损失:地板散热既有向上的散热(有效散热量),又有向下散热(热损失),故考虑供水温度以及管间距时应将使其有效散热量大于室内负荷,方可满足要求。
注:不同的地板材料散热不同,石材最佳。
盘管长度设计:
《辐射供暖供冷技术规程》(JGJ142-2012)中对盘管长度作了规定:连接在同一分水器、集水器上的同一管径的各环路,其加热管的长度宜接近,并不宜超过120m。对于安装了压差平衡装置的系统,就必须使各环路长度接近。参考《供热通风与空气调节设计规范》规定:同一系统并联环路额不平衡率应控制在15%以内。如L最长=90m,那么最短L=90-90*15%=76.5m。
地暖主管道流量设计:
地暖主管道流量设计两种计算方法:一种采暖热负荷、供回水温差决定;另一种应满足的短盘管的最小水流速要求。两者取最大。流量不足造成气塞破坏系统循环。
以建筑面积100m2住宅为例:
采暖热负荷指标:60W/m2;采暖负荷为6KW;水流量:6X0.86/10=0.516m3/h……G最小=3.14×[(0.02-0.004)/2]2X0.25X3600=0.18m3/h,即De20管径单路地暖盘管要求最小水流量为0.18m3/h。如该住宅设计为4分支,则入户最小总流量为0.18×4=0.72m3/h。
地暖主管道流速设计:
《辐射供暖供冷技术规程》规定:加热管内水的流速不宜小于0.25m/s。为保证足够的流速,热水流量应有一最小值,对于供回水温差为10度的系统,管径De20×1.9管道热负荷不小于2100W;管径De25×2.3管道热负荷应不小于3300W,否则流速达不到设计。
地板采暖总结:
地板采暖计算:
单位面积散热量与热负荷指标相匹配;
地面平均温度低于最高限值;
加热盘管内的水流速大于0.25m/s;
单个环路水阻力不大于30Pa;
在水力不超限的前提下,水流速越大有利于减小传热热阻而增加散热量,在流速<0.6~1.5m/s时,建议增加单个环路盘管长度,即增加单管供暖区域;
风机盘管供冷时水阻为30~50Pa,而且供冷管道比摩阻比采暖管道大,可将大系统的水阻力提高到50KPa或以上,以适当提供单管长度及水速保证足够的散热量。

家居空调地暖方案对比:
系统形式 |
VRV+两用燃气炉 |
风冷热泵二联供 |
出风温度 |
冷媒直接膨胀蒸发,夏季9℃,冬季39℃,有剧冷剧热感。 |
水系统,夏季14℃,冬季34℃,与室温较为接近,温和制冷制热。 |
噪音 |
由于冷媒直接进入室内蒸发器,因此存在冷媒节流的声音。 |
仅有风机声音。 |
地暖温度 |
60~50℃的进回水温度,温差较大,地面温度不均匀。 |
45~40℃的进回水温度,温差较小,地面温度更为均匀。 |
高端应用 |
较少 |
末端可采用辐射系统,实现更高的舒适性。 |
项目 |
风冷热泵地暖 |
多联机+壁挂炉 |
冬季制热 |
风冷热泵提供45℃热水,直接供应地暖,无需额外的采暖设备投入。 |
锅炉提供高温水给地暖盘管,需混水控制地暖供水温度,若锅炉直接出低温热水则影响锅炉燃烧效率。 |
管路结构 |
风冷热泵+风机盘管/地暖系统,进入室内的是共用的一套水管路。 |
系统需要冷媒管路(空调)和水管路(地暖)两套管路。 |
安装便捷性 |
采用模块化安装,简化水系统的安装,中间无管路接头,系统安全便捷; |
铜管焊接安装,需抽真空保压和充氮保护; |
系统管长和落差限制 |
基本不受限制,只需合理地选择循环水泵的规格型号。 |
室内外机之间的配管长度和落差受压缩机性能的影响较明显,管路过长易造成性能衰减。 |
冷媒充注 |
设备出厂时已完成冷媒充注,现场无需增减冷媒量。 |
需根据实际冷媒管长加注冷媒。 |
舒适度 |
夏季以风机盘管系统制冷,送风温差小,送风温度温和,舒适度高; |
冷媒系统,送风温差大,夏天极冷,冬天极热,尤其不利老人、小孩的健康; |
户外景观 |
室外机组需要合适的位置安装,四周保留一定的换热空间。 |
室外机组需要合适的位置安装,四周保留一定的换热空间;燃气锅炉需要排气烟道,户外型锅炉还需要额外的安装空间。 |
运行效率 |
冬季采暖使用风冷热泵,能源利用效率通常在3.0左右,节省运行费用,顺应政府的节能减排号召,是公寓楼中最节能的地暖应用。 |
冬季采暖使用锅炉,能源利用效率低于1.0,运行费用高,排烟对大气有污染。 |
系统集成性 |
系统应用灵活,可和地暖、新风处理机组等配合使用。 |
多联机无法进行系统扩展应用。 |
家居空调地暖方案对比-初投资:
项目 |
风冷热泵地暖 |
多联机+壁挂炉 |
空调室外机组 |
略低 |
略高 |
空调室内机组 |
低 |
高 |
空调机组安装费 |
略高 |
略低 |
地暖管路 |
略高 |
略低 |
壁挂炉 |
无 |
有 |
整体评估 |
低 |
高 |
家居空调方案对比-130m2房型采暖运行费用:
项目 |
风冷热泵地暖 |
多联机+壁挂炉 |
空调面积 |
100m2 |
100m2 |
单位面积采暖负荷 |
120w/m2 |
120w/m2 |
采暖运行小时数 |
24x90 |
24x90 |
能效比W/W |
3.0 |
1.0 |
能源单位费用 |
¥0.617/度电 |
¥3.0/m3 (8500kCal/m3) |
采暖运行费用 |
¥5,330 |
¥8,360 |
如考虑到夜间电价0.307元,则风冷热泵地暖系统运行费用为4,215元,约为壁挂炉费用的一半。
两联控+地暖控制系统(普通风盘):

两联控+地暖控制系统(联网风盘):

本文来源于蜂窝暖通公众号,如有侵权,请联系删除
知识点:风冷热泵二联供系统应用知识
0人已收藏
0人已打赏
免费0人已点赞
分享
热泵工程
返回版块4.67 万条内容 · 417 人订阅
阅读下一篇
实例讲解泳池热泵详细设计计算01游泳池室内空气设计参数 游泳者的舒适感很大程度取决于池水温度和池厅空气的参数。由于空气湿度对人们的舒适感有密切的关系。相对湿度低,空气干燥同时空气中水蒸汽分压力低,会使刚出水面的润湿皮肤表面水分蒸发加速,从人体带走蒸发潜热,容易使人产生寒冷的感觉。同时室内泳池水体热量损失主要由水体表面蒸发引起,水分蒸发多,室内空气含湿量增加,使消除室内余湿所需的通风量增加,则相应增加冬季加热送入室内新风的负荷。若相对湿度过高,则室内空气含湿量过大,会使空气露点提高,使围护结构内表面产生结露现象。热量流失同时会造成严重的装潢侵蚀和泳者闷热的不舒适感觉。
回帖成功
经验值 +10
全部回复(0 )
只看楼主 我来说两句抢沙发