土木在线论坛 \ 暖通空调 \ 制冷技术 \ 暖通系统调试中遇到的一些问题与处理方法

暖通系统调试中遇到的一些问题与处理方法

发布于:2023-03-20 10:35:20 来自:暖通空调/制冷技术 [复制转发]
作者 暖通

#1静压箱过扁

项目为了节省空间,送风静压箱设计过扁。造成送风阻力增大,风速越高阻力增加越明显。对于这种情况可通过加宽静压箱或加导流片的方式来解决。

图片

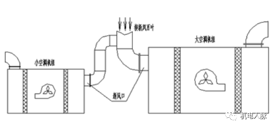
#2抢风现象

有的项目设计将两台不同量级的空调机组共用一根新风管道,从同一个管道或新风口进行取风。造成大空调机组抢新风现象,并且将小空调机组负压段的负压抽走,导致小空调机组所负担的系统送风量急剧减小,使得该系统无法正常工作。

经过整改,将新风管道分开后系统方能正常工作。

图片
共一根新风管道

#3设计失误

设计疏忽失误,使流程原理图与施工图不符。

有个项目一次设计施工图与流程原理图不一致,将房间工艺回、排风管颠倒设计。然而二次设计也未认真核对,施工阶段更是无人复查。

最后现场施工按图作业,将错就错,进行施工,最终无法进行调试。

项目设计流程原理图中表明清洁工具间为回风

图片

实际施工图且缓冲间为排风

图片

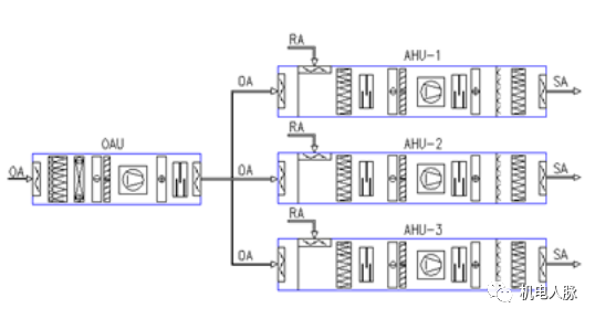
#4新风机组+循环机组的问题

在调试过程中发现,OAU调节新风的作用不明显,而且有时增加了系统的阻尼,增加了多个调整环节,影响系统新风实际需求的调节功能。

图片

根据现场系统调试情况来看,OAU机组可以省略,系统所需新风完全可以由系统需求通过AHU自己的新风阀的开度来调节;而其它功能,例如调节温度、湿度等功能也可以转移到AHU中,即节省了设备成本、节省了占地面积,有利于系统的控制。

#5舒适性空调系统房间内湿度过高

某项目(南方)的办公区域采用了舒适性空调系统,室内要求温度为25℃、相对湿度为50%。

空调机组内没有设置加热装置

图片

在空调机组内增加一个加热装置。当外界湿度过大时,通过冷盘管对空气降温来达到除湿的目的,然后再由加热装置将湿度适合的空气升温,达到合适的温度后,再送出去,上述问题将会得到解决。

在机组内增加空气加热装置

图片

#6新风风速过大

某项目新风的设计风速达到每秒7.8米,在雨天容易造成将雨水通过新风管道吸入空调机组内。并且出现了新风弯头被吸扁的现象(详见下图)。

图片

#7凝结水问题

干盘管凝结水无排放系统,直接流到回风夹道中,天长日久势必造成洁净区的湿度超标,或存在泡坏地板的趋势。

空调冷冻水、加湿软化水的排水设计时,屋顶的排水收集后通过立管排到室外雨水集水井内。立管从屋顶到一层连接过程中,需穿越部分办公区。由于为低温管道,设计时未考虑保温因素,造成管壁有凝结水产生。

#8回风口设计

回风口设计只按风口面积计算,没有考虑百叶风阻影响实际通风量。有个项目所设计的回风百叶窗的有效回风量不足,系统房间压力普遍很高,无法进行调整。

后经测试,发现这个不锈钢固定百叶窗,有效通风量极小(只有设计风量的三分之一),根本无法满足工艺回风量。

理论风口面积:

S1:  0.2*0.2=0.04 m2

实际有效面积:

S2:  0.14*0.02*5=0.014 m2

此风口的有效面积仅为理论面积的三分一左右。

图片

#9空调系统设计总风量小于末端风口的风量累加值

空调机组风量设计过程中,机组出风口风量同房间风量累加值严重不匹配(机组设计风量SA<房间风量累加值SA)。设备选型过程中,机组风量参照设计值,未考虑机组余量,导致房间的风平衡调试无法进行。

优化改进:设备选型过程中,风量可按设计风量的1.1~1.2系数进行,在出现风量不足时(工频50Hz),通常采用更换过滤器(减小阻力)、更换风机皮带轮、超频运行(变频风机)、更换大功率电机等,在更换后会对机组正常运行产生一定风险。

#10空调机组功能段设计不合理

空调机组功能段设计不合理,机组出风口段送出的低温高湿的空气增加凝结水产生的风险。机组功能段为:初、中效过滤段→预热段→再热段→表冷段 →加湿段→风机段→ 亚高效过滤段→均流段 →送风段

优化改进:暂无(若园区夏季可提供多余蒸汽,可通过板换实现热量转换保证再热段功能)。夏季工况运行时,由于园区不能提供热水,故机组再热段不具备加热提升温度的功能,只能通过末端每个房间的电加热去提升温度,房间湿度不好控制。

#11空调机组预热段设置电磁阀不合理

空调机组预热盘管设置电磁阀通过自控进行水流量控制。由于电磁阀只具备开关功能,不具备对水流量调节功能,机组预热段出风口温度不好控制,常出现冻裂盘管、出风口温度过高等极端现象出现。

优化改进:预热段的电磁阀改为电动比例调节阀,通过水流量来控制送风温度。

#12空调系统送风洁净区、非洁净区共用一个系统不合理

3#地下室AHU-3-B1、 AHU-3-B2空调系统设计过程中,洁净区同非洁净区共用一个送风系统。由于送风风口采用高效过滤器、散流器两种形式,而两者的阻力不同导致系统风平衡无法实现。

优化改进:洁净区同非洁净区送风应单独设立,避免出现交叉污染后会影响到整个洁净室的使用。

#13排风系统洁净区、非洁净区共用一台风机影响到房间压力

3#地下室EF-3-B1、 EF-3-B2排风系统设计过程中,洁净区同非洁净区共用一个排风系统。由于非洁净区的排风量会影响到洁净区的静压差,从而导致洁净区(负压)压差不稳定,带来一系列安全风险。

优化改进:洁净区同非洁净区排风应单独设立,避免由于排风风量变化带来一部分风险因素的发生。

#14送风系统设计风速过大,房间送风量无法满足

3#3层送风分支管尺寸为1250*500,承担敞开研发、离心室、蛋白纯化、工具室、冰箱设备(详见下面幻灯片)送风。

SA总送风量为13480m3/h,每根支管的风速V=13480/3600/0.625=5.99m/s。

当开启补风状态时,补风MA为11640m3/h,每个支管的风速V=(13480+11640)/3600/0.625=11.16m/s,远大于支管一般风速。

当开启房间补风时,房间的送风量无法达到设计要求。

优化改进:后期进入调试阶段,管路已连通,无法增加风管支管尺寸。

图片
图片

#15屋顶风机采用并联形式设计不合理

屋顶排风机设计图纸中,由于管道井狭小,2#楼EF-2-301、EF-2-401两台风机采取并联形式;3#楼EF-3-101、EF-3-201、EF-3-301、EF-3-401四台风机采取并联形式。

风机并联后存在并联曲线,排风总风量不是几台风机风量的累加值。当一台风机出现故障无法运行时,会影响到整栋楼的排风量.

优化改进:排风机设计时一般为一用一备,当一台风机出现故障时,另外一台风机会切换开启。

工程上采用几台风机并联或串联运行时概率很小,并且风机的特性曲线不好控制。

#16重要房间排风设计在系统末端不合理

3#3层高压灭菌间设计排风风量为3600m3/h ,属于业主重要房间,在系统设计时,该房间处于末端最不利环路位置,排风量很小,通过对前端管路的排风进行调节,但效果不明显。

优化改进:该房间排风系统增加一台独立风机,设置在屋顶上,通过利用现有的土建风井作为排风管道。

#17洁净区压差设计不合理

洁净区压差梯度设计中存在问题,某些区域不能符合GB50243的规定,需要进行调整。

例如:一层111光刻间(J5,百级)房间设计压差为10Pa,而与其相邻的房间封装实验室(J6,千级)、更衣室(J7,万级)设计压力也为10Pa(详见图纸)。由于房间洁净级别不同而压力相同,很容易造成房间的气流紊乱。

建议:按照业主的工艺需求,为保证房间的洁净度和压差梯度,该房间压力调整为20Pa。

图片

调试过程是个工程问题暴露的过程,经常碰到稀奇古怪或类似无关紧要的问题,有的问题虽能发现,但解决却无回天之力,最终却给调试遗留不少的困惑与无奈。

版权声明:本文来源暖通云,侵权请联系删除。

本文来源于网络,如有侵权,请联系删除

知识点:暖通系统调试中遇到的一些问题与处理方法

说说暖通系统的调试!


全部回复(0 )

只看楼主 我来说两句抢沙发
这个家伙什么也没有留下。。。

制冷技术

返回版块

14.67 万条内容 · 883 人订阅

猜你喜欢

阅读下一篇

暖通施工各个阶段注意事项

一.风管加工阶段 风管加工对整个暖通的施工过程是相当大的,它牵扯的一个主要施工步骤就是风管的设计图纸排版。 (1)有些位置不是说你想排就能排的 图1.1 图中红色云线位置是不可一拍脑袋瓜就可以排的。 为什么呢? 现场施工和搞设计毕竟不同,他们可以绘出1mm的线长,我们可以安装出1mm的精度吗? 图中云线部分的四周你看图只能看个管径大小,其他专业是看不到的,再加上风管安装的左右偏差,以及土建预留洞是否合适。对标高都有影响。

回帖成功

经验值 +10