土木在线论坛 \ 暖通空调 \ 通风排烟 \ 这,就是地铁通风空调系统!

这,就是地铁通风空调系统!

发布于:2023-03-03 14:22:03 来自:暖通空调/通风排烟 [复制转发]

1、概念

  

1)地铁、轻轨:远期单向客运能力地铁(3万人次/h以上)、轻轨(3万人次/h以下)。

2)车站:岛式站、侧式站、明挖车站、暗挖车站、换乘站(十字换乘、L型换乘、平行换乘、通道换乘)。


图片


3)公共区:车站站厅层公共区为供乘客完成售检票到乘车区及出站的区域;站台层公共区为乘客上、下列车的区域。

4)环控系统;

5)活塞通风:利用地铁列车在隧道内的快速运行所产生的活塞效应而形成的一种通风方式。

6)过渡性舒适。

   

2、地铁通风空调系统的特点和功能

  

 特点:

1)系统设计复杂、管线占用空间大;

2)能耗大、运行费用高;

3)对地铁车站方案影响大,一旦成型无法更改。


 功能:

1)为乘客提供往返于地面至列车的过渡性舒适的环境;

2)为工作人员提供舒适的工作环境;

3)保证设备正常运行所需环境;

4)当列车在隧道内发生阻塞事故时,保证列车周围环境温度满足列车空调系统正常运行的要求;

5)发生火灾的情况下,进行合理的气流组织,及时排烟,诱导乘客疏散。


   

3、地铁通风空调系统的“制式”

  

车站公共区与区间隧道的分隔形式不同,习惯叫系统制式。目前主要有屏蔽门和安全门两种制式。

图片


开式系统:

概念:通风系统实现内部环境的控制目标。

做法:隧道设置机械风井和必要的活塞风井,风井、车站出入口及隧道峒口与室外空气相通,车站与隧道相通(设置安全门),不需要迂回风道,利用活塞或机械进行通风。


闭式系统:

概念:车站采用空调系统,区间隧道冷却借助行车“活塞效应” 携带的部分车站空调冷风来实现”内部环境的控制要求。

做法:隧道设置机械风井和必要的活塞风井,风井、车站出入口及隧道峒口与室外空气相通,车站与隧道相通(设置安全门),需要迂回风道,利用活塞或机械进行通风。


开式运行:地铁隧道通风与空调系统运行模式之一。开式运行时,隧道内部空气通过风机、风道、风亭等设施与外界大气进行空气交换。

闭式运行:地铁隧道通风与空调系统运行模式之一。闭式运行时,隧道内部基本上与外界大气隔断,仅供给满足乘客所需的新鲜空气量。


开闭式系统:

概念:根据需要,运行时控制隧道、车站与外界大气的通风量,通过“开、闭式”运行实现内部环境的控制要求。

做法:风井、车站出入口及隧道峒口与室外空气相通(设置安全门),车站与隧道相通,需要迂回风道,利用活塞或机械进行通风。

运行:夏季闭式运行,车站内采用空调,与室外连通的风井关闭,新风量一是通过风机从室外向车站提供,二是活塞效应从车站出入口带进。区间隧道环境借助于列车行驶时的活塞效应将车站空调冷风携带入区间,迂回风道开启,满足闭式运行活塞风泄压要求;过渡季开式运行,开启与室外连通的风井,关闭迂回风道,加大与外界通风量,满足环境控制要求。

严寒地区冬季闭式运行,非冬季开式运行。

案例:北京地铁很多条线、严寒地区地铁线、广州地铁1号线、上海地铁2号线、南京地铁1号线等。


屏蔽门系统:

概念:公共区与隧道轨行区隔开,车站公共区设置空调系统,区间隧道采用活塞通风或机械通风的方式,分别实现内部环境的控制要求。

做法:设置屏蔽门将站台公共区与隧道轨行区完全屏蔽。隧道设置机械风井和活塞风井。

运行:区间隧道全年采用活塞通风方式需要时辅助机械通风。车站通风空调类似一般建筑物。

案例:深圳、广州、上海大部分地铁。


图片


优缺点对比:

图片
图片


确定原则:

1.多专业多影响因素,以通风空调系统节能为主来确定。

2.宜优先采用通风方式,选择开闭式系统。

3.设置空调系统,一般空调季节时间长的地区选用屏蔽门系统;过渡季节时间长的地区选用开闭式系统;

4.无疑可调屏蔽门系统具有明显的概念优势。


13.1.5 地铁通风与空调系统的确定应符合下列规定:

1) 地铁通风与空调系统分为通风系统(含列车活塞通风、自然通风和机械通风)和空调系统两种系统方式;

2) 地铁通风与空调系统应优先采用通风系统(含列车活塞通风、自然通风和机械通风);

3 )在夏季当地最热月的平均温度超过25℃,且地铁高峰时间内每小时的行车对数和每列车车辆数的乘积不小于180 时,应采用空调系统;

4) 在夏季当地最热月的平均温度超过25℃,全年平均温度超过15℃,且地铁高峰时间内每小时的行车对数和每列车车辆数的乘积不小于120 时,应采用空调系统。

5)“通风空调系统制式应结合地铁的运输能力、当地的气候条件、人员舒适性要求和运行及维护费用等因素进行技术经济综合比较来确定。”

   

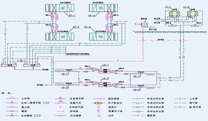
4、地铁通风空调系统的组成

 

图片

隧道通风系统包括:

区间隧道通风机(TVF,车站和隧道中间)、车站隧道排热风(TEF,屏蔽门)、射流(推力)风机(长隧道、双线隧道、渡线等辅线)、工况转换风阀、消声器、活塞风道、机械风道、迂回风道(开闭式)及对应风井、风亭。


公共区通风空调系统(大系统)

与其他建筑风系统空调的不同点是采用双风机系统(回/排风机)并设最小新风机设备管理用房通风空调系统(小系统)通常采用双风机一次回风系统。


集成闭式系统:

将隧道通风系统与车站通风空调系统进行有机结合。主要设计思路是充分利用风道内的空间、优化合并隧道通风系统和公共区通风空调系统,有利有弊。介绍一些其他系统变化。


隧道通风系统:

图片


大系统:

图片


小系统:

图片


隧道通风系统:

图片

   

5、地铁风机盘管

 

地铁风机盘管应用介绍:

依靠风机的强制作用,使空气通过盘管,机组内不断的再循环所在房间的空气,使空气通过冷水(热水)盘管后被冷却(加热),以保持房间温度的恒定,维持在一个认为舒服的环境温度。


风机盘管设备分类:

按形式:卧式暗装、卧式明装、立式暗装、立式明装、卡式五种;

按厚度:超薄型、普通型;

按有无冷凝水泵:普通型、豪华型;

按机组静压:0Pa、12Pa、30Pa、50Pa、80Pa(机外静压);

按照排管数量:两排管、三排管 ;

按制式:两管制、四管制。

⑵制冷机耗能做功,把冷水中的热量转移到冷却水中;

⑶冷却水的热量经冷却塔喷淋、气化被转移到环境大气中。空调在营造舒适小环境的同时,消耗大量能源和淡水,向大气排放的热量和CO2气体污染了环境。

风机盘管空调系统新风引入方式:

图片
图片

风机盘管所说的几排指的是风机盘管表冷器铜管的排数,一般的二排就是铜管两排,每排8根,一共16根铜管;三排就是铜管三排,每排8根,一共24根铜管。铜管的根数越多,制冷效果越好。

两管制:普通风机盘管夏季走冷水制冷,冬季走热水制热。

四管制:多用于一些比较豪华场所,可以同时走热水和冷水,即可以根据需要有的房间制冷,有的房间取暖。


工点设计:

工点设计是按照总体性(院)、系统性(院)设计的要求,对具体车站、隧道通风系统进行的工程实施性设计。从初步设计阶段开始进行工点设计。

负责部分负荷计算;必须遵循系统设计要求;

分系统显示设计示例。

   

6、负荷计算

 

先来了解下中央空调系统的典型制冷运行过程:

中央空调系统运行的过程实质上是热量转移的过程。

中央空调制冷时,典型的制冷时热量转移过程如下:

图片

⑴空调室内热空气经风机盘管中的冷水吸收,热量被转移到冷水中;

图片


负荷计算:

地铁空调负荷特点:

1.受外界气象条件的影响较小,内热源为主。

2.列车牵引、制动系统散热,列车空调散热是影响隧道及站台热环境的主要因素,是主要的内热源。

3.客流量有相当大的波动性。

4.由于被厚土层覆盖,维护结构的蓄热量很大,热惰性明显。从建成运行起,一般要经历1~2年“结露防湿”,5~15年“升温”两阶段后,才能达到“温度稳定”的阶段。

室外设计参数:

图片


人体负荷:

人数确定:高峰小时客流比较早、晚客流,取大者计算,超高峰小时系数按1.4确定。

乘客在车站平均停留时间如下:上车客流车站平均停留时间为按行车间隔(站台a2)加3min(站厅a1);下车客流车站平均停留时间为3min,站厅、站台各1。5min(b1、b2)。

Gc=A1/60 a1+A2/60 b1

Gp=A1/60 a2+A2/60 b2

其中:Gc-站厅计算人员数量

Gp-站台计算人员数量

A1-车站小时上车客流(人/小时)

A2-车站小时下车客流(人/小时)

换乘站需要考虑各线的换乘系数,应根据建筑布置情况分析考虑。


设备负荷:自动扶梯、电梯、闸机、自动售票机、自动加值验票机等散热设备按指标。

照明负荷照明灯具、广告灯箱、指示牌等按指标。

围护结构负荷:热库(站台)、热库(站厅)。

屏蔽门传热负荷:传热按一维稳态导热计算。

渗透风负荷:应由系统设计单位经计算后提供风量或负荷。出入口空气渗透(计入站厅,200W/㎡)、屏蔽门传热及渗透(计入站台36000W/站)。

新风负荷:按每人最小值、总风量%和屏蔽门漏风量大值。(13.2.18 当采用空调系统时,每个乘客每小时需供应的新鲜空气量不应少12.6m3,且系统的新风量不应少于总送风量的10%。)


湿负荷:分为人员散湿量、结构壁面散湿量和渗透风带入的散湿量。一般按照相关资料的经验推算。

当站台层未设置屏蔽门时,影响车站空调系统能耗系统的因素较为复杂,除上述已列举的一些参量外,尚需考虑车辆行驶(诸如:发车密度、运行对数、停靠时间、牵引曲线等)的影响,此时列车运行散热(空调、制动等)带来的负荷,成为站台空调负荷的主要来源。由于未设置屏蔽门,空调负荷计算难以将车站与隧道区别对待。对于地铁设计的初步阶段,可以采用一些与列车相关的估算方法,施工设计一般需要系统设计模拟给出负荷。

   

6、其他相关知识

 

系统设计要求-统一规定:

系统设计和总体设计单位提供的诸如设计技术要求、施工图细则、标准图、通用图技术资料等,是工点设计单位开展设计的基础条件,必须严格遵守。

《设计说明模版》《计算模版》《图例、参考图》《文件编制深度》…


图片


接口:

1.建筑专业需提供的资料:

提供详细,完整,正确的车站地形图、车站平剖面图(包括车站出入口通道,风井和风道)。提供区间隧道管线标准横断面图(含管线布置)。

2.向建筑专业提供的资料:

区间隧道通风机房、空调通风机房、冷冻机房布置。

有隔振、吸声要求的设备用房,提供设备振动、噪声资料。风管、水管距顶板或梁底最小高度、吊顶配合高度。风管穿越楼板、穿墙、梁时的预留孔位置、尺寸、标高。

风亭口部面积、高度和百叶要求。

环控设备吊装孔位置、尺寸和运输通道。

环控机房门位置和隔声要求。上排热风道底标高。


结构专业:

对土建风道提出表面粗糙度要求以及内表面需要加涂保温材料的风道。

提供放置在楼板上的冷水机组、风机、水泵、空调设备等结构专业进行设备基础设计所需的设备静重量、运转重量和尺寸,基础尺寸。

梁、板、柱上需悬挂设备吊点位置、设备静止重量和运转重量、预埋件尺寸及数量。

中楼板、顶板预留孔位置尺寸和预埋件数量。

风管、水管穿越楼板、抗震墙的预留孔位置尺寸和预埋件数量 。


给排水专业:

1.给排水专业需提供:设置气体保护的设备房间以及该房间对火灾排烟的要求。

2.向给排水专业提供:

冷水机组、水泵、表冷器及空调处理机组等设备排水地漏位置和标高。冷冻水系统、冷却塔注水口、膨胀水箱补水、排水位置,标高及管径等。

空调表冷器及冷却水系统冬季排空存水等。

风亭底部排水要求。


电气专业:

1.电气专业需提供的资料:

各电气用房的使用要求(温湿度及其它特殊要求)。

用电设备的发热量。

2.向电气专业提供的资料:

环控设备用的电机型号、规格、功率、电压、受电点位置。各种电动风阀、防火阀、电磁阀的电压、规格、功率和受电点位置。环控设备控制要求。

土建风道内照明要求及检修用照明要求。


控制专业:

1.FAS/BAS专业需提供的资料:

提供FAS/BAS设备用房的使用要求(温湿度及其它特殊要求),及FAS/BAS设备的发热量。

2.向FAS/BAS专业提供的资料:

环控系统正常工况、阻塞工况和火灾工况冷水机组、水泵、冷却塔和风机、风阀、水阀操作控制表。

提供各车站环控设备控制量、显示量。


设计示例:

1.工点设计单位根据系统设计提供的区间隧道通风系统原理图、风机等设备选型要求进行设计。隧道通风系统的各种风机的选型、风量、风压、功率;活塞通风、机械通风道数量、位置(特殊情况下提供设置的里程点)、过风面积,迂回风道过风面积等均应在系统设计中计算确定。

28.4.2下列场所应设置机械防烟、排烟设施:

1.地下车站的站厅和站台;

2.区间长度大于300米的区间隧道和全封闭车道;

3.防烟楼梯间和前室。

2.隧道通风设备一般设在车站两端。活塞风道有效断面积、活塞风阀、机械风阀的有效过风面积、活塞风道长度、转弯数量应符合统一技术要求。

3.另外隧道通风系统中还包括中间风井、过渡段、折返线等辅线处的局部通风设施设计。

图片

隧道通风系统:

图片


大系统:

1.根据系统设计提供的大系统原理图、空调负荷汇总进行设计。

2.大系统设备宜布置在车站两端,各负责半端车站空调负荷;困难时,也可布置于车站一端。

3.车站通风空调设备不宜少于两台,以便故障时尚可支撑。

4.一定长度的通道和出入口也应进行通风空调。


图片
图片
图片


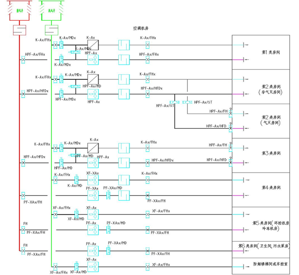
小系统:

1.小系统的形式应结合统一技术要求、车站特点设计。

2.通常情况下小系统的空调系统采用集中式全空气系统,该系统的优点是可以兼顾排烟及过渡季的通风功能。根据设计工况下的室内外空气焓值比较,采用一次回风双风机系统。

3.原则上应以使用时间相同、要求相近、布置相对集中为原则划分系统。目前一般按通风/空调、设备/办公和气体灭火保护的用房等原则划分系统。工艺空调另外设置多联机空调。

4.还可以采取其他空调方式,克服风系统个性调节性差的缺点。

图片

设计示例:

图片


水系统:

一般每个地下车站均设置独立冷冻站。冷冻机房宜根据地面冷却塔设置条件、空调负荷重心的位置设于车站一端。

小系统冷水机组可以单独设置,且管路与大系统并联,以便于大小系统相互补充,互为备用。水系统宜采用末端变水量系统。地下车站水系统定压方式应优先采用地面设置高位水箱的方式。

冷冻机房内冷水机组的选用不宜少于2 台,不需设置备用机组,当只选用一台冷水机组时,宜选用多机头联控型机组;(设计示例)

图片


常用设备:

可逆转耐高温轴流风机(TVF):

1. 结构特征:电机内置,轴联传动;风机叶片平直、叶片停机可调;一般设有防喘振环。

2. 主要技术特征:

(1)风量大、压头低;

(2)逆转工况下的风量、风压和功率与正转基本一致,风机正、逆转效率>76%;

(3)具有耐高温250℃,持续运行1h的功能要求。

3.地铁中常用风机规格18#、20#、22#,风量40~90m3/s,风压800~1200Pa。

图片


单向运转耐高温轴流风机(TEF):

1.结构特征:电机内置,轴联传动;叶片设计、叶片停机可调;进气口设集流器、防护网;

2.主要技术特征:

(1)风量大、压头低;

(2)UPE/OTE风机效率≥84%,静压比≥70%;

(3)具有耐高温250℃,持续运行1h的功能要求。

3.地铁中常用风机规格12#、16#、18#,风量30~60m3/s,风压900~1500Pa。

图片


射流风机(推力风机):

1.结构特征:电机内置,轴联传动;叶片停机可调;两端设管式消声器(一般每端长度为2D);

2.主要技术特征:

(1)风量大、风速高、标准推力F=1000~2000N;

(2)具有耐高温250℃,持续运行1h的功能要求;

3.推力定义—是指风机喷射出的高速气流通过动能传递使周围空气沿全断面流动的作用力,单位以牛顿(N)计。

图片


片式消声器:

1.结构形式及应用范围

(1)金属外壳片式消声器:用于通风机进出口两端,直接与风机前后渐扩管相连接;

(2)结构片式消声器:用于土建风道内。

2.主要技术特征:

(1)对风机运转时发出的中、低频噪声效果明显。

(2)应具有防潮、防虫、防火等性能,能承受较大的内外压差。

(3)消声片高度和长度采用标准规格,消声器金属外壳应模数化,散件进场,易于现场进行拼装;

图片


组合式风阀:

1.应用范围:

(1)区间隧道通风系统,风井内设有若干台卧式或立式组合组合风阀,以实现活塞风和机械通风相互转换的功能。

(2)车站排热系统与大系统的风道中也使用组合式风阀。

2.结构特征:由底框架、多个单体多叶风阀、联杆(或齿轮)传动机构、电动执行机构等部件组成。

3. 主要技术特征:

(1)风阀叶片全闭时,应有良好的密封性能;

(2)风阀只有全开和全闭两种状态,启闭全行程时间不超过60秒,启动驱动方式可电动和手动。

(3)有效通风面积不小于80% ;在静压1000Pa的条件下,泄漏率小于1%;

(4)在风压1400Pa的条件下,风阀叶片应启闭自如;


本文来源于网络,如有侵权,请联系删除

知识点:这,就是地铁通风空调系统!

相关推荐:

地铁车站通风空调系统设计探讨



全部回复(0 )

只看楼主 我来说两句抢沙发
这个家伙什么也没有留下。。。

通风排烟

返回版块

13.92 万条内容 · 628 人订阅

猜你喜欢

阅读下一篇

冬天的风、夏天的风都不如暖通的回风

暖通空调中风机盘管设计时,常常会采用吊顶回风与走廊回风。 吊顶回风(Condole?top?return?air)是指利用吊顶里的空气进行回风的回风方式。这种回风方式通常使用限制吊顶高度或其他限制风道回风等情况。吊顶回风存在着多种弊端。风机盘管在工作时会产生热量,这些热量在有吊顶时就聚集在吊顶里并产生较高的温度。风机盘管回风处理这些高温的空气会造成很大的能量损失。吊顶里高温回风也会对机器造成一定的影响,长此以往,盘管的工作效率会大大降低,使用寿命也会缩短。吊顶中的空气含有大量的灰尘,盘管回风时,灰尘使回风滤网脏堵,需要经常清洗甚至更换。吊顶中空气质量远差于室内,吊顶回风也会影响盘管送风的质量。

回帖成功

经验值 +10