随着人们生活品质要求、节能意识的不断提高以及空调系统的大型化,变流量水力系统在暖通空调工程中占据越来越重要的位置。变流量系统在运行过程中各分支环路的流量是随着外界环境负荷的变化而变化的,因此对系统的水力平衡和调节提出了很高的要求。目前为了解决暖通空调变流量水力系统的动态水力平衡和调节问题,定压差技术得到了广泛的应用,同时为什么以及如何使用定压差技术也成为暖通空调设计界的一个热点。

一、为什么在变流量系统中必须使用定压差技术:
暖通空调系统的目的是保持目标区域适宜的温度。由于空调系统末端设备的负荷是随着季节以及昼夜转换的变化而变化的,因此各末端空调设备的流量也要求随之变化。
为保证空调系统的舒适节能性,即保证空调系统目标区域的适宜温度(过高或过低都会导致不舒适及不节能),最根本的途径就是选择最佳的方法来根据目标区域的温度来调节流量,同时避免在调节过程中的相互干扰。
1.流量调节的主要方式:
图1为变流量系统常用的调节方式,根据目标区域的设定温度与实际温度的比较、通过电动阀来调节流过末端设备的水流量。
电动阀调节水流量的方式有二种:
⑴ .脉冲式调节:
采用开关型电动阀,通过控制开关时间比来调节流经末端设备的平均流量,如图2所示的风机盘管系统房间温度调节即为脉冲式调节,其平均流量为:Q平均= Q设计(t1+t2+t3+t4+t5)/t0;这种调节方法适用于小流量,调节精度较低的末端设备;
⑵ .连续调节:
采用调节型电动阀,通过对流量的连续调节来满足末端设备负荷变化的要求,如图3所示的空调箱系统温度调节即为连续调节,其平均流量为:Q平均=∫t1t2Q(x)dx/(t2-t1)。这种调节方式适用于调节精度要求较高的系统。

实际上,变流量系统末端设备流量调节的相互干扰是不可避免的,我们所能做的是消弱和屏蔽这种干扰,在空调系统中,常用的消弱和屏蔽干扰的方式主要有以下二种:
⑴、PID参数方式:
PID是楼宇自控DDC及工控仪表调节计等控制仪表调节流量的主要计算方法(P-比例常数、I-积分时间常数、D-微分时间常数)。对于用调节阀来调节流量的空调系统来说,PID参数是由调节阀所在空调系统的整体状态决定的,不同的空调系统PID参数的取值不一样。由于调节阀可以根据不同的系统要求设定不同的积分时间常数I和微分时间常数D从而实现对系统的超调和预调,在消弱系统的惰性和惯性的影响从而提高调节精度的同时,当发生流量调节的相互干扰引起目标区域温度偏离时,也能实时地对系统进行调节以消弱这种相互干扰。
PID方式的流量干扰纠正过程如下(如图1):流量调节干扰—末端设备流量变化—制冷(加热)量变化—目标区域温度T偏离—目标区域温度T与设定温度比较—温控器输出信号变化—电动阀开度变化—流量干扰纠正,因此这种纠正是滞后式纠正。由于空调系统(特别是风系统)的热惰性非常大,调节过程的滞后时间较长,还没等到电动阀改变开度来消弱原来的流量干扰,新的流量干扰又已产生。因此,通过这种方式来消弱流量干扰的效果是有限的,特别是对于一些带多个电动调节阀的大型空调系统,这种流量调节的相互干扰造成系统很难达到平衡状态,即使达到平衡状态,也很容易由于受到干扰而失去平衡。
⑵、定压差技术:
如何采取更好的方法来避免流量调节的相互干扰呢?
根据流体力学的基本公式:
Q=Kv ×(△P)0.5
Q:电动阀流量;Kv:电动阀流量系数;△P:电动阀前后压差。
如图1所示,当电动阀接受温度控制信号改变开度时,公式中的Kv值发生变化,调节流量Q以满足目标区域温度控制的要求。那么如何避免流量调节的相互干扰呢?
很显然,只要保证公式中的△P值不变(即图1A、C二点间的压差不变)就可以了,这样电动阀的流量Q只受目标区域温度控制信号的影响,而不受别的因素,如由于其它末端设备流量调节而引起的系统压力波动(即图1A、B二点间的压力波动)的影响。
保证△P值不变的技术就是定压差技术。实际上,定压差技术是暖通空调变流量系统动态水力平衡的主要调节方式。实现了定压差技术,系统就实现了动态平衡,就不存在末端设备流量调节的相互干扰。
由于这种屏蔽干扰的实现过程是:流量调节干扰—系统压力波动—定压差技术—流量干扰纠正。因此这种干扰实际上还没有影响到电动阀就在管道中被屏蔽掉了,因此通过这种方式来消除流量调节之间的相互干扰很迅速,效果较好。
综上所述,在变流量系统中,选择合理的流量调节方式,同时采用定压差技术,可以避免系统不同部位流量调节的相互干扰,从而实现动态水力平衡。
实际上,在工程实践中,除了图1的定压方式外,还有压差旁通定压方式、调频泵定压方式以及对多台末端设备集中定压等,会在以后的篇幅中分别论述。
二、变流量系统中定压差技术的应用:
对于一个实际的变流量系统,定压差技术的应用原则是:分系统定压、分级定压。
1、分系统定压:
分系统定压是指对于一个含有多个系统的大型变流量水力系统,在设计时为避免各水力分系统的相互影响,应分别采用定压差技术,对每个分系统进行定压,从而保证各个分系统各自独立的互不干扰的工作。
如图4所示,为带有二个独立分系统的变流量系统,在每个分系统分集水器处分别应用了定压差技术,从而保证这二个分系统各自独立互不干扰的工作。

2、分级定压:
对于独立的变流量水力系统,应根据系统投资和精度要求合理的选择定压方案。通常应该按照从主机到末端的步骤逐级对系统进行定压,对于精度要求较高的系统,可以采用二级甚至多级定压的方式以保证系统各末端设备各自独立互不干扰的工作。
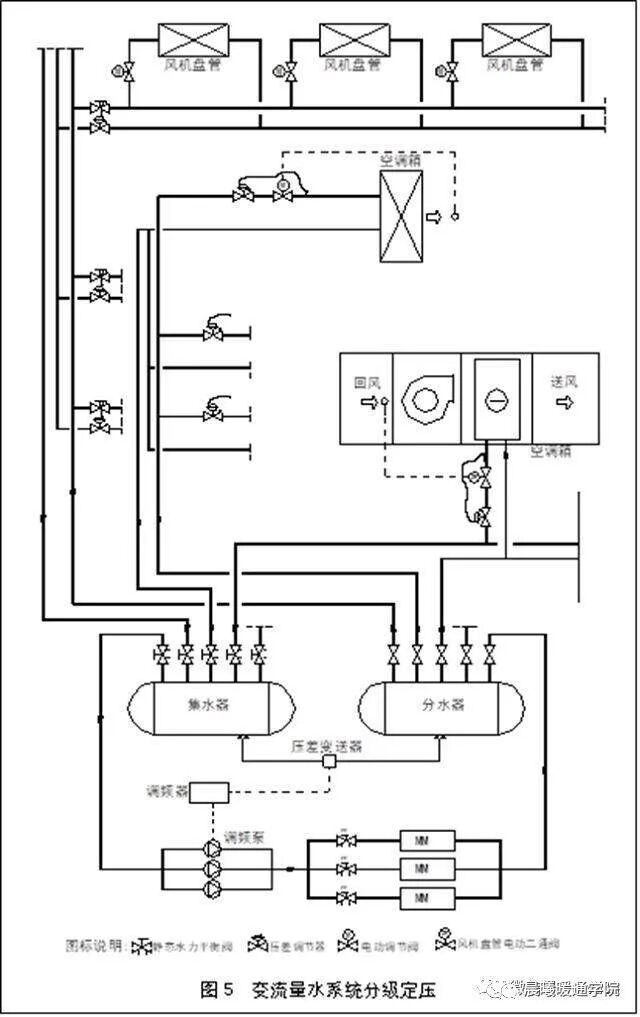
图5为变流量空调系统常用的定压调节方式。
该系统采用二级定压:
①、在机房主管路分、集水器处通过压差旁通系统一级定压,主管道通过调频泵调节主供回水的流量;
②、末端风机盘管处采用在每层水平分支管道回水管上安装压差调节阀来二级定压,通过各风机盘管支路上的电动二通阀开关式调节风机盘管的流量;
③、末端空调箱(空气处理机组等)在进口采用压差调节阀二级定压,采用电动调节阀调节进入设备的流量。
以上仅为变流量水系统三个主要位置常用的定压调节方式,下面就这几个位置各种定压调节方式进行分析。

3、分集水器一级定压调节的几种形式:
⑴、调频泵定压调节方式
图6为调频泵定压调节方式,通过调频器调节调频泵的转速以调节进入分集水器的流量从而保证分、集水器压差为设定压差,从而保证变流量系统的流量随外界环境负荷的变化而变化的要求。
调频泵定压调节方式由于调节了水泵转速,减少了系统运行过程中水泵的能量消耗,这种配置较其它的方式比较节省系统的运行费用,同时比较节能,但是由于它使用的调频器,对电网的冲击较大,造成一定的电磁污染,因此需要采用一定的电路隔离设备,因此初投资比较高。
⑵、压差旁通定压调节方式:
图7为压差旁通定压调节方式,通过主管道旁通的电动调节阀调节旁通水量从而调节进入分集水器的流量,保证分、集水器的压差为设定压差,
从而保证变流量系统的流量随外界环境负荷的变化而变化的要求。
压差旁通定压调节方式由于在系统运行过程中水泵的转速并没有降低,功率变化不大,因此在运行过程中水泵的功率消耗较大,运行费用较高,但是它也具有初投资较低且对外部环境没有污染的特点。
⑶、自力式调节阀定压调节方式:
图8为自力式调节阀定压调节方式,通过调节自力式调节阀的开度调节分集水器旁通管的旁通水流量,从而保证分集水器的压差为设定压差。
自力式定压调节方式和压差旁通定压调节方式一样,在运行过程中水泵的功率消耗较大,运行费用较高,同时定压精度也较差,但是它也具有初投资最低且对外部环境没有污染的特点。

4、风机盘管二级定压调节的几种形式:
⑴、图9为风机盘管的一种定压调节方式,电动二通阀安装在风机盘管进水管,压差调节阀安装在风机盘管出水管,通过毛细管连接电动二通阀进出口,保持电动二通阀进出口压差恒定,通过电动二通阀的脉冲式流量来调节房间温度达到设定温度。
这种方式的定压调节精度较高,但设备初投资非常高,且安装麻烦,对于单个房间的舒适性空调系统,一般很少采用。目前对于精度要求较高的系统,一般采用初投资略低且安装调试非常简单的动态平衡电动二通阀,其调节效果是完全一样的。

⑵、图10为风机盘管的另一种定压调节方式,电动二通阀安装在风机盘管进水管,压差调节阀安装在风机盘管出水管,通过毛细管连接电动二通阀进口和风机盘管出口,保持这两点的压差恒定,通过电动二通阀的脉冲式流量来调节房间温度达到设定温度。
这种方式和图9的方式一样精度较高,但设备初投资非常高,且安装麻烦,对于单个房间的舒适性空调系统,一般很少采用。目前对于精度要求较高的系统,一般采用初投资略低且安装调试非常简单的动态平衡电动二通阀,其调节效果是完全一样的。

⑶、图11是一种兼顾精度和经济性的定压调节方式,电动二通阀安装在每个风机盘管的供水管,压差调节阀安装在风机盘管各层水平回水支管上,其另一个取压点接在水平供水管上,通过压差调节阀的定压差作用以保证风机盘管水平供回水管的压差不变,即A、B二点的压差不变。
这种方式能够屏蔽层与层之间风机盘管系统流量调节的相互干扰。对于同层之间的风机盘管,如果是同程式管道或者风机盘管的数量不多,屏蔽同层之间风机盘管流量调节的相互影响的效果也较好;如果是异程式系统并且风机盘管的数量较多,由于水平管道延程阻力的影响,则离压差调节阀较近的风机盘管流量调节的相互干扰就较小,离压差调节阀较远的风机盘管流量调节的相互干扰就较大,精度稍差。

⑷、图12为水平管道异程式且风机盘管数量较多的一种定压调节方式。水平管道回水管上安装压差调节阀,以保证水平供回水管的压差恒定;在每个风机盘管供水管上安装动态平衡电动二通阀,以保证在工作压差范围内,不论系统压力如何变化,风机盘管的流量始终维持在设计流量。这样就避免了层与层之间以及同层之间风机盘管流量调节的相互干扰。这种系统的调节精度高,抗干扰能力强,缺点是初投资较高。
5、空调箱(空气处理机组)二级定压调节的几种形式:
⑴、图13是空调箱(空气处理机组)的一种定压调节方式,压差调节阀及电动调节阀安装在空调箱(空气处理机组)的供水管,压差调节阀的取压点位于电动调节阀的进出口,通过压差调节阀的定压差作用保持电动调节阀进出口压差恒定在设定压差。如前所述,这时电动调节阀的流量只受由于末端设备负荷变化而导致的温度控制信号变化的影响,而不受由于其它空调箱流量调节而导致系统压力波动的影响,系统实现动态平衡,同时由于定压差作用,使电动调节阀的实际调节特性曲线与其理想调节特性曲线一致,系统调节性能非常好。
但是由于这种方式使用二个阀门,因此在同等情况下设备初投资很高,而且安装调试比较麻烦。

⑵、图14是空调箱(空气处理机组)的另一种定压调节方式,压差调节阀及电动调节阀安装在空调箱(空气处理机组)的供水管,压差调节阀的取压点位于电动调节阀的进口和空调箱的出口,通过压差调节阀的定压差作用保持这两点压差恒定。同图13一样,它能保证空调箱的流量调节不相互干扰,即实现动态平衡;但是由于空调箱的分压作用使调节阀的阀权度小于1,因此它的实际流量特性曲线偏离理想流量特性曲线,调节特性变差。所以一般不采用此方案。
⑶、图15是空调箱(空气处理机组)的一种新型定压调节方式,它在空调箱供水管用一种具有动态平衡功能和电动调节功能一体的动态平衡电动调节阀来代替压差调节阀和电动调节阀组合,同时由于它经过专门的设计,因此具有更好的性能。这种阀一方面能避免各并联空调箱流量调节的相互干扰,同时其实际的流量调节特性与理想的流量调节特性一致,调节性能非常好。
同时由于这种阀所有功能集中在一个阀体内,因此在同等性能下设备初投资较低,且安装调试比较简单,因此相比较于图13,具有一定的优势。

三、结语:
综上所述,暖通空调变流量系统定压差技术的运用为暖通空调水系统实现动态水力平衡,更舒适、经济、节能的运行提供了一种有效的途径。但是在实际的工程实践中,应根据投资和系统精度要求合理的选择定压差方案,既要满足工程设计和技术规范要求,又应采用合理的方案,为甲方节约资金。
版 权 归 原 作 者 所 有! 如 有 侵 权, 请 联 系 删 除!
本文来源于网络,如有侵权,请联系删除
知识点:暖通空调变流量水系统中的定压差技术
相关推荐:
0人已收藏
0人已打赏
免费0人已点赞
分享
中央空调
返回版块30.71 万条内容 · 849 人订阅
阅读下一篇
中央空调系统自控方案设计简要水系统原理图: 机房群控系统是由软件和硬件两部分组成,通过传感器采集水系统的运行数据,并在DDC(直接数字控制器)上编写控制程序,控制制冷机组、水泵、冷却塔风机、电动蝶阀等暖通设备,并通过通讯的方式将数据传输给监控软件或显示屏,实现冷源系统的自动化控制。 冷源系统监控: 监控的设备包括: (1)空调主机 (2)冷冻循环水泵 (3)冷却循环水泵 (4)冷却塔风机 (5)电动蝶阀
回帖成功
经验值 +10
全部回复(0 )
只看楼主 我来说两句抢沙发