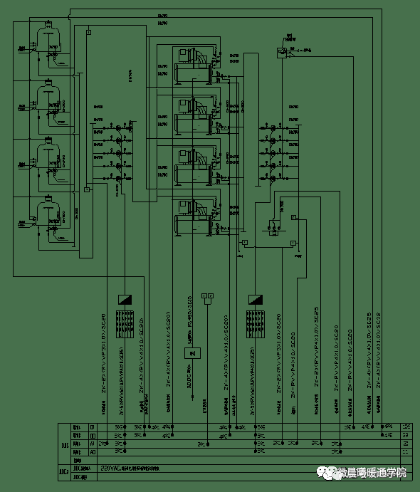
水系统原理图:

机房群控系统是由软件和硬件两部分组成,通过传感器采集水系统的运行数据,并在DDC(直接数字控制器)上编写控制程序,控制制冷机组、水泵、冷却塔风机、电动蝶阀等暖通设备,并通过通讯的方式将数据传输给监控软件或显示屏,实现冷源系统的自动化控制。
冷源系统监控:
监控的设备包括:
(1)空调主机
(2)冷冻循环水泵
(3)冷却循环水泵
(4)冷却塔风机
(5)电动蝶阀
(6)压差旁通阀

通过modbus通讯进行控制。
监控水系统的运行参数:
包括:
(1)冷冻总管供、回水温度
(2)冷却总管供、回水温度
(3)冷冻总管水流量
(4)冷冻总管供、回水压力
(5)室外温、湿度
(6)膨胀水箱高低液位报警
(7)机组冷冻侧、冷却侧水流开关

群控系统的初步设计主要有三个步骤:
确定监控对象和监控方案(一般根据招标书或业主要求)→绘制自控原理图、编制监控点表、统计配置清单→编写群控系统控制方案书。
举例,冷源系统监控方案设计:
第一步:根据招标文件确定监控对象和监控方案
1、在招标文件中,一般会有相关描述,明确要求群控系统的监控对象以及具体的控制要求,此时我们只需要根据甲方的要求制定控制方案即可。
“制冷主机组规格数量如下:

中央空调冷水机组群控系统要求(群控系统设计由空调设备供应商完成):
要求对中央冷冻系统设备?进行最佳启/停控制、中央冷冻系统的节能优化控制、设备运行周期控制等。
(1)该大楼的冷水机组,可以通过冷冻机组提供的通讯软接口采集每台冷水机组的水流状态、温度、压力、压差、功率、负载、油压等机组内部运行参数值,通过外围设备和DDC或I/O模块采集冷冻泵、冷却泵、冷却塔、膨胀水箱、阀门等设备的相关参数,协调设备之间的连锁控制关系进行自动启停,从而实现制冷设备的群组控制功能。
(2)中央制冷系统中各设备启动与停止的顺序控制如下:
启动:冷却水电动阀→冷却水泵→冷却塔进水自动阀→冷却塔风机→冷冻水电动阀→冷冻水泵→冷水机组→监视水流状态。
停止:冷水机组→冷冻水泵→冷冻水电动阀→冷却塔风机→冷却塔进水电动阀→冷却水泵→冷却水电动阀。
(3)在冷水机组的供回水总管上设温度传感器,在冷冻回水管上设流量计,将所采集到的供回水温度、流量、压力等参数进行整合,计算出楼内的冷负荷,根据冷水机组的效率曲线,采用比例积分的控制技术以调整冷水机组、冷却水泵、冷冻水泵运行台数及冷却塔风机运行数量、冷却水电动蝶阀开关状态等实现联动控制。
(4)保证冷却塔风机和冷却水泵安全运行、确保制冷机冷凝器侧有足够的冷却水通过以及根据室外气候情况及冷负荷,调整冷却水运行情况,使冷却水温度在要求的设定温度范围内。
(5)当某一台冷机(冷冻泵、冷却泵)出现故障时,系统会将其故障信息反馈回工作站,待系统确认并发出指令进行自动切换,通过软件的编制实现冷机与泵的最佳工作组合(即关停故障设备,然后启动与之并联的另一台运行累计时间最少的下一台相同设备)。
(6)根据冷冻水总供水、总回水之间的压差值与BAS 系统中设定的压差值进行比较后,控制旁通阀的开关,从而保证冷冻供水回水压差的稳定。
(7)群控系统具有自我诊断能力。实时监视操作电脑与各控制器间的通讯状态和控制器的工作状态,并在操作电脑上显示故障信息、故障报警,并能将故障信息记录存档或打印。
(8)当发生火灾时,群控系统根据消防报警子系统所发送来的信号,发出控制指令,关停所有中央制冷机组设备。
(9)群控软件标准化、具有友好的人机界面,操作简单,图形界面优美、直观。
(10)具有远程监控功能(可通过RS485 接口与BA 连接,采用标准协议,并提供相应数据段格式以便BA系统进行调试)。
具体监控内容和数量如下:
·实时监视制冷机组、冷冻水泵、冷却水泵、冷却水塔风机工作状态:
·冷水机组、冷冻水泵、冷却水泵负荷过载或故障及时报警:冷却塔风机故障及时报警;
·冷水机组、冷冻水泵、冷却水泵、冷却水塔风机手动/自动控制模式切换与显示,手动模式具有优
先权;
·实时监测冷冻水供水温度、冷冻水回水温度、冷冻水供水流量;
·实时监测冷却水供水温度、冷却水回水温度;
·冷却塔水位实时监测;
·膨胀水箱水位实时监测;
·冷水机组的冷冻水、冷却水水流开关监测;
·冷水机组、冷冻水泵、冷却水泵、冷却塔风机启停控制;
·冷冻水总供/回水管压差监测及旁通阀调节;
·冷水机电动蝶阀开关状态及开关控制;
·冷却塔水阀开关状态及开关控制;
·系统监控设备的运行台数:
冷水机组 4 台;
冷水机组电动蝶阀 4+4 台;
冷却水泵 6 台(4用2备);
冷却塔 6 台;
冷却水电动蝶阀 4 台;
电动压差平衡旁通阀 1 套;
冷冻水泵 6 台(4用2 备);
冷水机组的总管供回水温度;
冷冻回水管上流量计;
膨胀水箱。”
2、若招标文件中,甲方要求投标人提供全套机房群控控制方案时,设计者可根据甲方的节能要求确定循环水泵的选型。
(1)当甲方无节能要求时,冷冻、冷却循环水泵可选定为定频水泵;
(2)当甲方有节能要求时,冷冻、冷却循环水泵可选定为变频水泵,冷却塔风机也可选择变频风机,此时甲方的初投资会大幅增加,但项目在运行时的节能效果显著;
设备的监控点数:

3、无论标书是否有要求,以下水系统的运行参数是必须要监控的:
(1)冷冻总管供、回水温度
(2)冷却总管供、回水温度
(3)冷冻总管供、回水压力
(4)室外温、湿度
(5)膨胀水箱高低液位报警
若标书无要求,冷冻总管水流量可不监控,以减少甲方的投资成本。
第二步:绘制自控原理图、编制监控点表、统计配置清单。
自控原理图:

监控点表:

第三步:编写群控系统控制方案书。
根据标书的要求,结合群控系统功能介绍,编写群控系统方案书。(记住按招标书格式要求进行编制)
末端系统监控方案:
对末端系统的监控方案一般分两种:
(1)第一种:针对带有手操器的空调末端,一般采用通过通讯的方式对末端进行监控,如modbus、BACnet等;
注意:采用485总线的modbus通讯时,一条总线上最多允许接32个设备,通讯距离超过800米时需要加一个485中继器;
(2)第二种:针对无控制器的空调末端,一般通过DDC控制器的IO点进行控制。
暖通系统能源监控方案:
1、冷源系统的能源监控方案:
(1)冷冻回水总管上须安装热量计,用于统计冷源系统的制冷(热)量;
(2)推荐每台设备安装一个电能表,若要节省投资,可每一类设备各安装一台电能表,但是冷却水泵和冷冻水泵应各安装一台电能表。
(3)所使用的电能表必须带modbus通讯功能,用于将数据传输给发用电一体化管理系统。
2、末端系统的能源监控方案:
(1)应在需要监控的区域安装电能表,通过modbus通讯的方式将数据传输给发用电一体化管理系统。
版 权 归 原 作 者 所 有! 如 有 侵 权, 请 联 系 删 除!
本文来源于网络,如有侵权,请联系删除
知识点:中央空调系统自控方案设计简要
相关推荐:
0人已收藏
0人已打赏
免费0人已点赞
分享
中央空调
返回版块30.71 万条内容 · 849 人订阅
阅读下一篇
空调设备机房的减振降噪治理水泵减振,水泵底部虽然装有弹簧减振器,但减振器规格相同、布置均匀,由于水泵的重心不在水泵底座中部,造成弹簧承受压力偏差较大,降低了应有的减振效果。 管道系统减振,冷冻供回水管的支架与管道间通过木托支承,因管道、木托、支架之间是刚性连接,而支架架设在楼板、梁和柱子上,且支承点分布广,噪声及振动容易通过固体传声的形式向上下楼层传播。从测量的噪声情况看,水泵运行在低频范围内噪声值最强,而楼板及玻璃幕墙的固有频率也是在此低频范围内,由此造成共振效应而严重降低维护结构隔声量。
回帖成功
经验值 +10
全部回复(0 )
只看楼主 我来说两句抢沙发