水系统图:




水力计算:
管内流量的确定:
机房内及送回水主管按冷冻水泵流量;
干支管流量按所负责末端设备之流量乘小于1的系数但不超过冷冻水泵之流量。
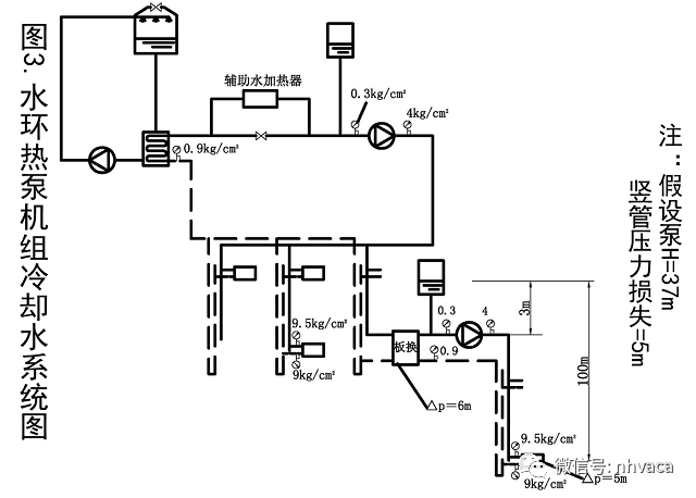
管路及阀门配件的承压:
在设备材料表中给出(特别是高层建筑)。
材料:
DN≤32:用镀锌钢管 丝扣连接;
32≤DN≤250:无缝钢管焊接;冷冻水亦可用黑铁管压制弯头电焊接;阀门用法兰连接;
DN>250 螺旋斜缝焊接钢管电焊连接。
保温:福乐斯等橡塑发泡材料。
版 权 归 原 作 者 所 有! 如 有 侵 权, 请 联 系 删 除!
本文来源于网络,如有侵权,请联系删除
知识点:水系统管路设计与材料简要选择
相关推荐:
0人已收藏
0人已打赏
免费0人已点赞
分享
中央空调
返回版块30.71 万条内容 · 849 人订阅
阅读下一篇
中央空调必须要懂的3大知识,关乎制热效果目前中央空调市场比较稳定,不同品牌中央空调的价格,厂方管理也会比较严格,如果选择了某个品牌,在主机的产品品质和价格上差别并不会太大,但为什么同等档次的中央空调,可能后续使用制热效果就有差别呢?可能问题出在辅料上。
回帖成功
经验值 +10
全部回复(0 )
只看楼主 我来说两句抢沙发