电子膨胀阀是按照预设程序调节蒸发器供液量,因属于电子式调节模式,故称为电子膨胀阀。使用电子膨胀阀,可以提高制冷系统或变频压缩机的能量效率,可在10%--100%的范围内进行精确调节,提高系统的季节能效比。现在越来越多的空调、冷库和制冷设备种都使用电子膨胀阀为节流元件。

电子膨胀阀的原理:
电子膨胀阀由线圈通过电流产生磁场并作用于阀针,驱动阀针旋转,当改变线圈的正、负电源电压和信号时,电子膨胀阀也随着开启、关闭或改变开启与关闭间隙的大小,从而达到控制系统中制冷剂的流量及制冷、热量的大小。阀芯开启越小,制冷剂流量越小,其制冷、热量越大。

电子膨胀阀由控制器、执行器和传感器构成,通常所说的电子膨胀阀大多仅指执行器。
空调电子膨胀阀常见故障主要有:
1、 空调电子膨胀阀线圈短路或开路
首先确定线圈是否牢固固定在阀体上,并用万用表测量电子膨胀阀线圈两公共端与对应两绕组的阻值,正常情况时应约为50欧,当为无穷大时为开路,当过小时为短路,此时应进行更换。
2、空调电子膨胀阀阀针卡死
空调电子膨胀阀断电时电子膨胀阀应复位,通过听声音、模振动判定阀针是否有问题。在关机状态下阀芯一般处在最大开度,此时断开线圈引线,然后开机运行,如果此时制冷剂无法通过,可以判断空调电子膨胀阀阀针卡死。
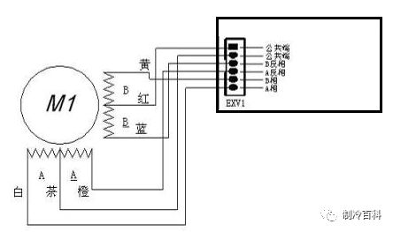
空调电子膨胀阀简单原理图,如下:

控制脚分别是1、公共端,2、公共端,3、B反相,4、A反相,5、B相,6,A相
电子膨胀阀吸气过热度控制 :
吸气过热度控制系统由电子膨胀阀、压力传感器、温度传感器、控制器组成,工作时,压力传感器将蒸发器出口压力、温度传感器将压缩机吸气过热度传给控制器,控制器将信号处理后,随后输出指令作用于电子膨胀主阀的步进电机,将阀开到需要的位置。

安装与焊接注意事项
安装电子膨胀阀时,应以阀体及线圈的断面中心线为轴,且将线圈朝上。在对电子膨胀阀与过滤网焊接时,需对阀体进行冷却保护,使阀主体温度不超过120℃,并目防止杂质进入阀体内。
另外,火焰不要直对阀体,同时需向阀体内部充入氮气,以防止产生氧化物。控制器的输出电压必须与线圈的指定电压一致。如果所加电压与指定电压不符,会出现线圈烧毁,或阀针动作异常等故障。
本文来源于制冷百科公众号,如有侵权,请联系删除
知识点:电子膨胀阀原理图与故障检测维修
0人已收藏
0人已打赏
免费2人已点赞
分享
暖通制冷设备选型
返回版块2.64 万条内容 · 428 人订阅
阅读下一篇
半封压缩机组使用经验与故障半封闭压缩冷凝机组只能安装于制冷设备系统中,经正确安装后,它们才能被投入使用。压缩冷凝机组在出厂前保有0.3MPa~~1.8MPa的表压力,在安装操作前必须先释放机组内的压力。 一、半封闭压缩冷凝机组各组成部分作用 1、制冷压缩机是制冷系统的心脏,它将蒸发后的制冷剂气体吸入并压缩,再排放到冷凝器中。所有的机型均有曲轴箱加热器,在压缩机停机时工作,可有效的降低曲轴箱的冷冻油中制冷剂的含量,减少压缩机的带油,提高润滑性能。
回帖成功
经验值 +10
全部回复(1 )
只看楼主 我来说两句 抢板凳方便分享一下吗,万分感谢!
回复 举报