土木在线论坛 \ 暖通空调 \ 暖通制冷设备选型 \ 空调水管软连接的选用和安装

空调水管软连接的选用和安装

发布于:2023-03-22 13:41:22 来自:暖通空调/暖通制冷设备选型 [复制转发]

01

软连接的分类

图片

1

金属软管

由波纹管和软接头构成或由波纹管、管接头、网套、焊环等辅助构成的管件,又称“金属波纹管”、“波纹金属软管”。


图片


图片


2

可曲挠橡胶接头

有织物或其它材料增强的橡胶件与活接头或金属法兰等元件组成,用于管道系统的减震隔振、降低噪音和位于补偿的接头、又称“挠性接头”、“橡胶软接头”。


图片


图片

02

软连接的作用

隔振、降噪

用于工作运转时有机械振动的设备和管道之间的连接。

补偿位移

用于连接穿过沉降缝、伸缩缝、抗震缝两侧的管道。

安装偏差补偿

发扬敢于拼搏、勇于进取的精神,克服各种困难,取得了可喜可贺的成绩。

管道应力防护

管道中重要的阀门、仪表等设施,为防止其受源自管道不确定应力的影响。

图片

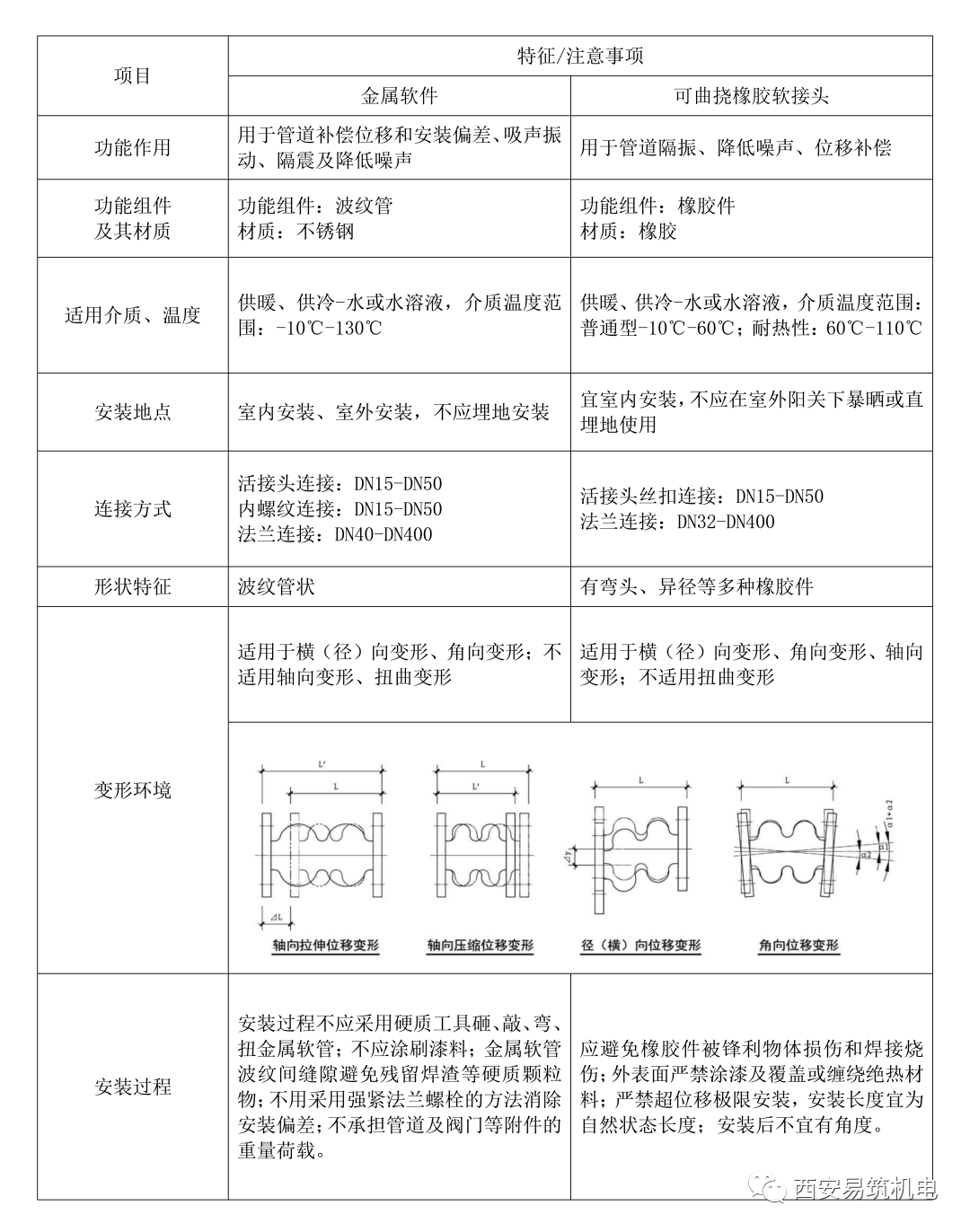
03

软接头的特征和设置注意事项

图片
图片


04

软接的安装

1

步骤一

橡胶软接头安装前两个对接的管接口之间的距离不宜小于橡胶软接头长度,按照保证橡胶软接头安装后不发生安装变形的原则,截取一段适当长度的短管,优先连接在橡胶软接头的一端。

图片

2

步骤二

用圆钢或型钢焊接在橡胶软接头的法兰边缘,或采用限位开临时固定,保证橡胶软接头不发生变形。

图片

3

步骤三

将橡胶软接头未连接短管的一端与管道系统进行连接,最后将软接头接短管的一端与对口端管道焊接。拆除临时支撑圆钢或型钢,采用限位杆固定的需要松开限位螺栓,将限位螺栓定位螺母调到合适位置预留工作空隙。

图片


05

水泵软连接的安装


安装软连接的管道需根据管系的受力情况、位移情况配置管道固定支架,固定支架可单独设置或配合管系统设置。配合管系统设置的固定支架距离软连接不宜超过5m。单独设置的固定支架承受荷载不应小于管道轴向内压推力。

立式水泵软连接的安装:

图片
图片
图片


卧式水泵软连接的安装:

图片
图片
图片


本文来源于蜂窝暖通公众号,如有侵权,请联系删除

知识点:空调水管软连接的选用和安装

13K204暖通空调水管软连接选用与安装



  • 李继朋
    李继朋 沙发

    感谢楼主

    2023-03-27 08:54:27

    回复 举报
    赞同0
这个家伙什么也没有留下。。。

暖通制冷设备选型

返回版块

2.64 万条内容 · 428 人订阅

猜你喜欢

阅读下一篇

空调系统中的不同水箱

缓冲水箱 缓冲水箱其实就是串联在中央空调系统中增加小型系统的水容量,存储冷量或热量,有效地解决系统过小所带来的负荷波动和主机频繁的启动问题,从而达到延长设备寿命和节能省电的目的。 膨胀罐 其实大家在工程中都看到了膨胀罐,就是一个气囊加一个碳钢罐体和法兰组成。当系统水压力大于膨胀罐碳钢罐体与气囊之间的氮气压力时,系统水会在系统压力的作用下挤入膨胀罐气囊内。

回帖成功

经验值 +10