土木在线论坛 \ 暖通空调 \ 制冷技术 \ 一次泵系统冷水机组变流量控制方案

一次泵系统冷水机组变流量控制方案

发布于:2023-03-14 09:54:14 来自:暖通空调/制冷技术 [复制转发]

引言

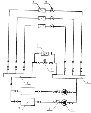
常见的空调二次泵水系统(其二次泵采用变速控制方式)及一次泵水系统分别如图1a,b所示。

图片
图片

图1a                                     图1b


通常水系统中冷水机组按定流量方式运行。随着空调负荷的减少,负荷侧的需水量也减少,当冷水机组的运行台数不变时,超过用户侧需求部分的水量,在一次泵系统中,通过图1b中的旁通调节阀从供水管流至回水管;在二次泵系统中,则是通过调节次级泵的转速来满足负荷侧的需求。同时,初级泵总水量多出次级泵总水量部分由平衡管流回。


理论上说,如果把次级泵取消,将图1b的一次泵系统直接改为水泵变流量运行,肯定比二次泵系统更为节能,同时系统也会变得较为简单,这样做是否可行?引发了许多同行的思索。


当冷水机组侧为定流量运行时, 通常冷水温差控制在5~6℃,此时相当于蒸发器管束内的水流速在2.4~2.8 m/s之间,冷水机组的效率和水泵的耗功率都达到较佳值。对于冷水机组变水量运行的要求,目前许多冷水机组生产厂家并没有提出太多的异议,有的厂家资料还给出了蒸发器和冷凝器的水流速可以在1.07~3.66m/s之间变化的数据。


当供水温度低于5.6℃时,蒸发器内水流速最低值为1 .45m/s,相当于最小流量在额定流量的28%~40%之间。为了安全起见,要求运行时冷水机组的流量不得小于其最小流量,因此通常的做法是在机组冷水进、出水管口之间设压差控制器,当流量减小、压差降低到整定值时,冷水机组自动停机。通常国产离心式冷水机组的压差整定值为10kPa,按蒸发器总阻力在50~100kPa 之间变化来计算,对应于10kPa整定值时的最小流量应在额定流量的31.6 %~44.7%之间变化。


因此,冷水机组运行时,要求的流量下限必须高于压差保护所对应的最小流量,否则不起保护作用,还有可能出现局部冰冻。从使用上来看,蒸发器流量过大或过小都是不合理的。过大会对管道造成冲刷侵蚀,过小会使传热管内流态变成层流而影响冷水机组性能并有可能增加结垢速度。


综上所述,将冷水机组的下限流量定为其额定流量的50%~60%是有一定道理的。尽管下限流量越小,水泵的运行能耗越小,但安全是首要考虑的因素且系统综合能耗也可能并不完全如此(与冷水机组的类型甚至不同的厂家品牌等因素有关)。


在冷水机组的运行过程中, 其供冷量应满足下式:

图片


在通常的空调水系统中,冷水机组都是定流量运行的。


即式(1)中G是一定的,c为常数,因此冷水机组的供冷量只与水温差有关,所以离心式、螺杆式和吸收式冷水机组才能设计成固定的出水温度以调节供冷量。定速离心机主要采用导流叶片调节,蒸汽或热水吸收式机组则根据负荷的变化调节热媒流量,变速离心机在负荷变化的全过程中同时调节压缩机转速与导流叶片(分不同的区域采用不同的方式),直燃机则是由燃烧器追踪高压发生器温度,同时调节溶液泵转速使溶液的循环量始终随负荷变化,后两者的特点都是在负荷变化过程中调节两个参数(或设备),目的都是为了减少能耗。总的来看,上述冷水机组的一个共同特点是:根据负荷侧需冷量的变化,保持出水温度不变,调节容量。


从空调水系统本身来看,由于大多数表冷器具有非线性热工特性,使得当供水量减少时冷水温差通常并不是固定不变的。因此,如果要冷水机组处于变流量工况下运行,进出机组的水温差和水流量都将发生变化。这时, 必须根据实时的温差和流量来计算实时的冷量需求以控制冷水机组制冷量。


如果还是按照前述的定流量方式通过机组出水温度来调节供冷量,将与实际需求无法对应,甚至有可能导致制冷量控制的不稳定。


另外一个要注意的问题是变流量冷水机组运行时其油冷却器的冷却。一般油冷却器的出口油温为30~45℃,通常采用冷水进行冷却。当负荷减少时, 对于机组定流量运行来说, 油冷却器的冷却是有保证的(水量恒定);但如果机组采用变流量方式运行,则必须向制造厂商提出保证油冷却器冷却水量的要求,因为不论供冷量大小,油冷却器的发热量基本上变化不大。当其冷却水量无法保证时,油冷却器应采用冷媒冷却的方式。


1、一次泵系统中冷水机组变流量控制方案

1 .1  负荷侧的冷量与流量特性

表冷器供冷量通常通过电动两通阀自动控制。

图片


当空气处理机组在定风量方式下运行时,随着需冷量的减少,电动两通阀将自动关小,从而减少流过的水量,但同时表冷器水温差将加大。当空气处理机组变风量运行时,通常前半程由送风温度控制电动两通阀,通过室温控制末端装置的风量来达到对风机总送风量的控制;当送风量降至下限时(后半程),则由回风(或室温)直接控制电动两通阀。在工程中,也有一些没有设置末端装置的变风量系统,其控制方式通常是前半程由室温直接控制风机风量,后半程与定风量系统相同。对于风机盘管而言,其两通电动阀通常采用位式控制模式,打开时为设计流量,关闭时流量为零。在一个大工程中,可能有上述多种空调风系统形式并存,其对水系统总冷量与流量特性的综合作用大致有3种情况,如图2所示。图2中曲线1反映空气处理机组全部采用定风量方式运行的情况,曲线3反映多种风系统并存且定风量系统占较小比例的情况,曲线2表示冷量与水流量呈线性关系。



在图1b系统中,假定冷水泵可以进行变速运行,冷水机组与冷水泵一一对应设置,冷水机组与冷水泵的运行台数控制也一一对应,那么对于节能来说是有利的。但是,如果特性曲线不同,采用的控制方式不同,对系统的影响是完全不同的。


1 .2 

冷量与水流量特性为曲线1时,冷水机组和水泵台数的控制假定采用总供水流量Gz来控制冷水机组的运行台数。以3台泵为例,通常以总流量的1/3,2/3作为台数转换的流量点,即:33%Gz,66%Gz,考虑控制的滞留区(主要是防止设备在该点频繁动作)为8%Gz,则各转换点的动作下限为:25%Gz,58 %Gz 。


因此,确定台数控制的方式为:

a)增加流量(运行台数增加)的过程中,

  • 0

  • 33%Gz

  • G>66%Gz时,3台机组运行


b)减少流量(运行台数减少)的过程中,

  • G>58%Gz 时,3台机组运行

  • 25%Gz

  • 0


上述整个过程如图3所示。

图片


但是,从图2可以看出,当流量下降至58%Gz时,系统的需冷量远大于2台冷水机组的额定供冷量(66 %Gz),如果这时停止1台机组运行会造成供冷量不足,其结果是供水温度升高,表冷器冷却能力下降,必然要求开大与表冷器相连接的电动两通阀,从而导致用户侧水系统压差下降而要求提高正在运行的2台冷水泵的转速。这时变成了一个增加流量过程,当这2台泵流量超过额定流量(由于电动两通阀的不断开大,系统阻力降至设计值之下是完全可能的)时,系统总流量已超过66%Gz,此时需要启动第3台机组,这时刚停运的机组又重新启动,频繁的启停显然不利于设备稳定的工作且容易影响设备的使用寿命。


这时必须根据冷量来控制设备的运行台数。


当流量下降至58%Gz时, 由于用户侧的需冷量远大于2台冷水机组的额定供冷量,因此冷水机组不能停止运行。同时,由于流量已降至冷水机组的下限流量值,故此时水泵不宜再降低转速,因而这时冷水机组只能定流量运行,同时应通过压差旁通阀使多余的水流量旁通,直到用户侧的需冷量下降至58%时(图2中对应的用户侧的供水总流量为33%Gz,此时水泵的总流量仍然为58 %Gz),才停止1台机组及相应的水泵。之后,逐渐关闭压差旁通阀以使得用户侧供水总流量达到33%Gz的要求。整个过程如图3所示。


1 .3 

冷量与流量特性为曲线3时,冷水机组和水泵台数的控制由图2可知,当用户侧的需冷量减少至58%时,用户侧需要的流量大约为73%Gz,大于2台泵的额定供水量。如果这时用冷量来作为机组台数控制的依据, 则停止1台机组和相应的水泵后,会导致总供水量不足。尽管表冷器所配的电动两通阀会开大,要求增加供水流量,但此时正在运行的2台水泵流量已经达到额定值,电动两通阀的开大只会使系统水阻力降低而导致水泵的工作点向低扬程、大流量方向移动(右移),严重时可能造成水泵电机过载而发生事故。


因此,与曲线1的情况相反,这时应采用流量来控制运行台数。只有当系统需要的流量降至58%Gz时(图2中,此时对应的系统需冷量为45 %),才能停止1台机组和相应水泵的运行。2台向1台转换过程以此类推。


对于曲线2的情况,由于冷量与流量的关系呈线性特性,因此无论用冷量还是流量方式来控制设备的运行台数都是可行的。


1 .4  水泵的转速控制

前面已述,水泵的启停台数与冷水机组一一对应。对于水泵的转速,通常的思路是根据用户侧水路的压差通过变频器来进行调节。从理论上讲,水泵流量的变化与频率的变化呈线性关系,但在实测中发现,由于水泵出口止回阀的作用,在低流量时,二者不是线性关系,而是随频率的降低越来越向下弯曲,尤其是低转速时此点更为突出。变频器的最大频率一般不应超过额定频率10%(55Hz),最小频率则与冷水机组的类型和水系统的要求有关,即使同一冷水机组在不同应用场所时其流量调节下限也是不同的。在本文中,流量的变化范围为50%Gz~100%Gz,此范围内流量与频率的变化基本上呈线性关系,因此流量降为50%Gz时,对应的水泵变频器频率近似为25Hz 。同时,变频器在低负荷时的效率将下降,也不宜无限制地扩大频率变化范围,只要能满足流量调节的变化范围即可。


水泵转速调节通常采用压差控制。假定部分负荷率为qi,相应负荷率下全年运转时间百分数为ti。以国内某地夏季空调分布规律(见表1)并结合图2中的曲线1,2,3来进行分析。

图片


对于曲线1,流量变化到下限值50%Gz~60%Gz时, 冷量变化至额定值的75%~80%。由表1可算出,水泵低负荷运转的总时间比例为35.3 %~21.4 %,流量调节下限越大和曲线1 越向上凸,这个时间比例就越小,由此带来的水泵变速总的节能效果是有限的。因此,在此情况下,是否采用水泵变速控制方案应进行较详细的技术经济比较。也许采用冷水大温差供、回水方案是一个较好的选择(也应进行技术经济比较)。如果是曲线2,流量下限为50%Gz~60%Gz时,冷量也变化至额定值的50%~60%,由表1可算出低负荷运转的总时间比例为70.8%~55.4%,节能效果明显高于前者。对于曲线3,流量下限为50%Gz~60%Gz时,冷量已低于额定值的50%~60%,由表1可算出低负荷运转的总时间超过了70%,是节能效果最好的。


在图2中,3台冷水机组在运转过程中,如果流量已降至50%Gz~60%Gz,当负荷继续下降时,就不能再调节水量。流量调节的下限信号发出后,冷水机组由变流量运转转换成定流量运行,必须停止采用用户侧供、回水压差来控制水泵变速的方式,而改用压差控制供、回水管之间的旁通电动两通阀,同时恢复采用冷水机组出水温度进行容量控制的措施。因此,设计采用初级泵变速控制时,压差旁通电动阀是必不可少的。


1 .5 供水温度控制

上述控制没有涉及到冷水机组的供水温度控制。对于一次泵系统而言,当冷水机组采用变流量方案时,不可能像定流量运行那样保持供水温度不变来调节制冷量,因为由于变流量运行,其供水温度也是不断变化的。对应于某一个冷量,是改变供水温度还是改变流量以及在变流量过程中供水温度如何变化才能适应需求,是此节要讨论的问题。


在冷水机组变流量运行时,其供水温度传感器不再起控制调节作用,它的主要用途是监测水温并通过设定水温的上、下限对冷水机组起联锁保护作用。


以离心式冷水机组为例,通常设置供水温度低限保护:当设定供水温度为7℃时,其低限水温通常为4℃;当供水温度设定为5℃时,其低限水温通常为2℃。一旦供水温度降至低限温度时,冷水机组将会自动停机以防止机组内水流速较缓的区域结冰,这也就是冷水机组不能在很低的供水温度下运行的原因(蓄冰系统除外)。当然,除了低限水温保护外,冷水机组也还有其他的自动保护的功能,如:

油压或油压差过低、电机线圈温度过高、电机过载、轴承温度过高、冷水或冷却水断流、冷凝压力和蒸发压力之差过低(有些机组)或冷凝压力过高或蒸发压力过低、油温过高等。


对于非全天连续使用的空调系统(如为办公室服务)来说,晚上或节假日机组停止运行后,系统内冷水温度会上升(停机时间较长时有可能会上升到与周围的环境温度相同);白天通常会在上班前开机,将系统内的冷水温度逐渐降低至负荷侧所需的温度,在这个降温过程中,通常并不需要冷水机组全部投入运行,而是通过负荷预测方式来确定其运行台数。做法是:上班初次开机时,1台初级泵(及相应的冷水机组)全速运转,压差旁通阀正常工作,待系统内的水温降至设定值的高、低限之内时,再让水泵作变流量运行,这时有以下4种情况。


1 .5 .1  供水温度达到高限而负荷侧的电动两通阀并没有全开

这种情况说明负荷侧的冷量供应是足够的,供水温度低于或供水流量高于实际需求。由于供水温度已达到高限,不可能再提高,因此此时应采用的方法是降低水泵的转速,减小供水量。尽管由此也会带来供水温度的下降,但最终会达到一个平衡状态———供水量低于额定流量且供水温度在高、低限范围内,既节能又有利于冷水机组的运行。


1 .5 .2  供水温度达到高限而负荷侧的电动两通阀已经全开

这种情况说明负荷侧的冷量供应不足。由于水阀已经全开,说明水泵流量已经达到额定流量(全速运转),因此产生供冷量不足的原因是供水温度过高。解决的方法是增大冷水机组的制冷量,使水温降低以满足负荷侧的冷量需求。


1 .5 .3  供水温度降至低限而负荷侧的电动两通阀并没有全开

这种情况说明冷水机组的供冷量是足够的。从分析上看,可以通过两个办法来解决。一是降低水泵的转速,减少供水流量;二是调节并减少冷水机组的制冷量,提高供水温度。从节能角度看,这两种办法各有利弊,前者因降低水泵转速而节能,但冷水机组处于低供水温度而使制冷效率下降;后者虽提高了冷水机组的效率,但水泵的运行能耗比前者大。从实际运行来看,采用前者且对冷水机组的容量不进行调节时,流量的下降必定导致供水温度的进一步下降,这显然是不能接受的(供水温度已经降至低限), 因此,采用后者显然更为合理。当然,如果经过详细的计算后认为保持冷水机组最低限供水温度的同时降低水泵流量的方式更有利于节能的话,则也可以在降低水泵转速的同时调节冷水机组的制冷量,或者为了安全起见,先适当调节制冷量以使水温有所上升并保持(比如高于低限水温1~2℃)的同时调节水泵流量。


1 .5 .4  供水温度降至低限而负荷侧的电动两通阀已经全开

这种情况表明此时负荷侧冷量不足的原因不是冷水机组的供冷量不足(此时冷水机组处于部分负荷运行状态)而是冷水流量不足,因此应提高水泵的转速,加大流量。尽管流量加大的同时水温会提高,但这是可以通过冷水机组的容量调节来解决的,最后会达到一个供应与需求的平衡点。如果水泵已经全速运转且水温已达到额定值而负荷侧的电动两通阀仍然处于全开状态,则下一步必须再投入1台冷水机组。


2 、结语

一次泵系统冷水机组变流量运行控制方案的分析,是基于目前绝大部分实际工程中空调机组采用表冷器且采用电动两通阀来进行温度自动控制的现状,空调风系统形式、表冷器的特性以及控制阀的类型和特点与上述分析是密切相关的。


分析表冷器特性和系统特性是最基础的工作,由此才可能得出不同的台数控制方案。就图1b系统而言,通常的做法是:通过用户侧的供、回水压差来控制水泵的转速,通过用户侧的需冷量来调节冷水机组的制冷量或运行台数,使供水温度保持在设定的高、低限范围内,当供水温度超出这一范围时,对冷水机组的制冷量进行再调节或根据供水温度(而不是供、回水压差)对水泵进行再调节。


当流量降至额定值的50%~60%时,不能继续降低流量,因此流量信号将使冷水机组由变流量运行变为定流量运行,同时用户侧供、回水的压差控制由对水泵的转速控制改为对旁通电动阀的控制,单机制冷量调节由用户侧需冷量控制改为出水温度控制。


以上的控制应采用功能完善的DDC控制系统,同时DDC系统还必须与冷水机组自带的微机控制系统进行必要的联网(数据通讯和控制),相互应协调一致,才能完成上述各种运行工况的转换及相应的控制需求。


本文来源于网络,如有侵权,请联系删除

知识点:一次泵系统冷水机组变流量控制方案

冷水机组变流量运行?



全部回复(0 )

只看楼主 我来说两句抢沙发
这个家伙什么也没有留下。。。

制冷技术

返回版块

14.67 万条内容 · 883 人订阅

猜你喜欢

阅读下一篇

暖通设计要必看的书有哪些新手求问?

本人暖通设计新手已工作半年,但是感觉太多设计不懂的地方,身边也没有老师傅带,有什么书籍推荐一下。

回帖成功

经验值 +10