冷冻水系统的基本形式:
1、同程与异程:
(1)系统特点和主要区别—以水流经的管道的物理长度而不仅仅是原理图来区分。
(2)水力平衡目标:各支路(末端)的设计水流阻力相同而不是水流经的管道的物理长度相同。

(3)同程系统的平衡机理——当各末端的水流阻力相差较小时,如果水流经的管道的物理长度相同,则各末端之路的水阻力容易实现自然的平衡。如果末端支路阻力相差悬殊时,同程系统也并不具有水力自然平衡的优点。
因此,采用同程只是手段而不是目的,并非任何时候同程都一定是最好的解决方案。
(4)水利平衡计算的原则:《暖通规范》6.4.9条—各并联环路的设计水阻力相对差额不大于15%(不分同程与异程)。
2、开式与闭式:
(1)开式系统中的“吸水真空高度”(有的水泵资料中称为“净吸扬程”)
水泵运行安全要求:防止水泵吸入口汽化,必须保证水泵吸入口的水压力大于水的气化压力。
要求吸水池水面的高度应大于水泵吸水管的阻力。在冷却水系统中,一些实际工程由于冷却塔的安装标高不够,出现了水泵吸入口为负压的现象(吸入口软接头向内收缩)。
(2)开式系统蓄水箱容量的确定:
确定原则:蓄存所有的系统水容量并附加一定的安全系数;
《规范》规定:按照系统循环水量的5~10%计算;(6.4.2条)
*应取上述两者中的较大值作为最终结果。
(3)特点:
系统内的水(冷、热水)是不与大气相接触。
顶部设置开式膨胀水箱的系统也是闭式系统。
(4)闭式系统的设计要求
实际运行可靠要求:系统中任何一点不宜出现负压,否则有可能将空气吸入系统之中,由于管道系统封闭,空气不容易排除。因此对系统定压点和定压值有要求。
系统安全要求:设备工作压力需要考虑定压和水泵扬程两个因素。
3、分区两管制:
系统原理:系统的机房侧(冷、热源部分)为四管制,各末端设备为两管制,与末端设备的连接管道按照不同的干路(分区)采用两管制;
采用原则:各区域存在明显的区域性冷、热供应要求的分别时间段。
4、定流量与变流量系统
(1)区分标准——以①用户侧(而不仅仅是末端)的系统水流量是否处于②实时变化的特点来区分。
在多台并联水泵的系统中,如果仅仅因为水泵台数变化导致的流量变化,不能称为“变流量系统”。
(2)定流量系统
末端采用电动三通阀实时控制水流量的系统;末端无任何自动控制水流量装置和措施的系统。
定水量系统适合于冷水机组不超过两台的小型空调水系统。

(3)一次泵变流量系统
系统特点:末端采用两通阀实时控制水流量,使得用户侧的系统水量实时发生变化。
实施要求:
(a)末端水量实时控制;
(b)保证冷水机组运行的最小安全流量。
实施方式:
(a)系统供、回水设置压差旁通阀控制—目前最常用方式;
(b)水泵采用变速控制(通常是变频调速—因此也称为一次泵变频调速系统或冷水机组变流量系统)。
(3)一次泵变流量系统
推荐采用水泵与冷水机组一一对应连接(“先串后并”方式)。
优点:运行可靠、节省投资。
缺点:机房布置管道略有增加。
—“先并后串”方式涉及问题:
(1)大小搭配的平衡阀配置;
(2)电动蝶阀选择及连锁程序;

(3)一次泵变流量系统
压差旁通阀设置:
(a)原则:保证冷水机组的最低安全运行流量。
(b)常见做法:保证冷水机组的运行流量恒定。
(c)流量计算:
#按照(a),应为冷水机组的最低安全运行流量;
#按照(b),应为一台水泵的设计流量。
(d)控制压差值:根据系统水力计算的结果确定。
(e)阀门口径:应根据对流通能力的计算后选择,不能等同于机组或水泵的接管管径。
(4)二次泵变流量系统
主导思想—设计的出发点
(a)冷水机组在运行过程中水流量不发生变化;
(b)协调冷源侧与用户侧水量的供需矛盾(对于非线性水系统)
(c)尽可能节省水泵的运行能耗。
(d)降低次级泵装机容量(针对不同环路阻力相差较大的系统)
系统特点:将用户侧和冷源侧的运行控制参数和环路完全分开。用初级泵(一次泵)来满足(a)的要求,用次级泵(二次泵)来满足(b)的要求。

(4)二次泵变流量系统
实施要求:
(a)末端水量实时控制,用户侧变流量运行;
(b)冷水机组运行流量不变;
(c)次级泵组供水量需要符合用户侧的需求;
(d)两级泵串联,需要做好压力平衡——初级、次级泵扬程必须计算确定。
实施方式:
(a)系统供、回水设置压差旁通控制(次级泵采用定速泵);
(b)水泵采用供、回水压差变速控制(次级泵变频调速);
(c)设置盈亏管,平衡初级泵组和次级泵组的水流量差。
盈亏管设计原则:
(a)盈亏管内水的流向:理论上允许双向流。但实际上,如果回水流向供水,将导致系统供水温度上升,形成“恶性循环”:供水温度升高—末端冷量不够—阀门自动开大—次级泵供水量增加—更多的回水流向供水—供水温度继续升高。
因此,实际运行过程中,宜使得运行中的任何时候盈亏管的流向都是:供水管—回水管。只有系统启动过程时水由回水管流向供水管(先启动一台次级泵)。
(b)最大水流量计算:
*在线性水系统中,盈亏管的最大水流量为一台初级泵与一台次级泵的设计流量差值;
*在非线性水系统中,盈亏管的最大可能的水流量为:全部初级泵组的设计总流量与一台次级泵的设计流量差值;
(c)盈亏管作为两个环路的平衡管,在设计状态下,要求两端压差为零(无流量)。因此,初级泵和次级泵的扬程应根据此要求进行详细的计算确定。
(d)典型问题:次级泵扬程过大(未详细计算),盈亏管水倒流(回水流向供水)。
供、回水压差控制:
(a)采用压差旁通阀、次级泵定速方式—此方式与一次泵系统的压差旁通阀控制原理相同,不能实时节省次级泵能耗(运行台数转换时节能);
(b)采用压差旁通阀、次级泵转速控制方式—可实时节省次级泵能耗且不会对主机的运行产生影响。由于水泵必须设置最小流量限制,因此当水泵降低至最小流量时,压差旁通阀开始起作用—同(a)。
(c)压差旁通阀流量确定:
*在(a)方式中,为一台次级泵的设计流量;
*在(b)方式中,为一台次级泵的最小运行流量;
*次级泵的最小运行流量应根据系统特点、水泵特性等因素来分析后确定。
节能机理——与一次泵系统相比较
(a)理论依据1:在全年运行的绝大多数时间段内,用户侧需流量小于冷水机组需要的流量。因此,降低用户侧的供水量(改变次级泵的运行台数或者变频)可以实现次级泵的运行能耗节省。
(b)理论依据2:在多环路系统中,如果各环路的水阻力存在明显的差别,那么各环路独立配置次级泵后,某些环路需要的总扬程(初级泵+次级泵)小于一次泵系统的扬程,水泵的总安装容量和运行能耗都有所降低。
(c)《暖通规范》6.4.4条:中小型工程宜采用一次泵系统;系统较大、阻力较高,且各环路负荷特性或阻力特性相差悬殊时,宜在空气调节水的冷热源侧和负荷侧分别设一次泵和二次泵。
(d)由于变频器价格的降低,目前主流设计主张采用次级泵变频调速方式。
水系统分区(与分环路):
1、定义:
(1)水系统分区—水压力不相关,构成两个独立的水系统(最终冷源有可能是一个,也有可能是多个)。
(2)水系统分环路—水压力相关,构成几个特定的并联水环路,冷源装置公用,在同样的工况(供冷或供热)下,通常各环路的实时供水水温相同。
2、分区与分环路的设计原则:
(1)甲方要求—在同一建筑区域内,使用性质完全不同的建筑,可根据要求设计为不同的水系统(分区)。
(2)技术要求—考虑系统情况(如开式与闭式系统、冷热供应要求、水系统工作压力等等)进行系统分区。
(3)使用性质基本相同的同一区域内的建筑或房间,可通过不同的分环路设计,采用阀门等措施进行控制和管理。其优点是可以综合利用冷热源,通过输配系统实现冷热源的实时优化供应。
3、高、低分区
(1)分区原则——设备承压能力(关键点)、经济性
(2)分区方法
高、低区完全为独立系统(独立冷、热源设备)—优点是设计简单,空调水温可以相同等;缺点是由于冷热源设备(主机)上楼,对施工安装和运行噪声的控制不利且综合能效可能有影响;
高、低区通过中间的换热器来分开(冷、热源通常集中在低区)—优点是:有利于能源的综合利用,运行管理相对方便等;缺点是:二次水供水温度达不到一次水供水温度的要求,需要增大末端换热面积,末端型号可能加大。
高、低区负担的范围—在采用中间的换热器来分区时,低区尽可能用足设备承压。降低高区对中间换热器面积和末端换热面积的总需求,减少高区投资,提高系统的经济性和运行节能。
注意高低区系统都必须设置定压、补水系统和装置。
高、低分区通常适合于超高层建筑(高度大于100m)。
冷却水系统:
1、与机组的连接方式:与冷冻水系统一样,一一对应连接。
2、旁通阀的设置:
(1)设置条件——需要对冷水机组冷却水进水温度进行控制的场所:
一般电制冷机的冷却水进水温度要求不低于19℃,个别冷水机组可以做到不低于12.8℃;
吸收机不得低于23℃,否则容易引起溶液结晶;
冬季需要运行冷水机组的场所;
冷却水温越低,冷水机组的COP值越高,因此,只要在机组允许范围,可以尽可能的低温。
(2)水流量确定—小于一台冷却水泵的设计水量。

3、防止水泵电机过载运行
(1)超流量原因:
a)不设旁通阀的情况
在水泵运行台数减少时会发生超流量运行的情况—管道阻力系数没有变化,水泵运行台数变化造成。设计台数越多越明显。图a点至b1点。
b)设旁通阀的情况
在旁通阀调节过程中,将出现水泵超流量运行的情况(无论水泵运行台数是否会发生变化)——由于旁通阀调节,使得管道阻力系数降低。图a点至a1点,b1点至b2点。
(2)解决方式:在保证计算准确的前提下,适当增加水泵配电机的容量。

4、防止冷却塔“抽空”
(1)“抽空”原因:部分冷却塔不运行时产生。
(2)防止措施:
每个冷却塔出水管增加电动蝶阀
不运行的冷却塔进出水电动蝶阀同时关闭。要求出口阀关闭严密。
缺点:增加投资,如果阀门不严,依然可能存在同样现象。
每台冷却塔集水盘设置连通管:管径尽可能做大,最小不小于一台冷却塔的接管尺寸。
冷却塔安装高度提高:利用回水管本身就是连通管的特点,增加自然水头,防止抽空。

平衡阀—之一:分类及功能
1、静态手动平衡阀
机理:手动改变开度,初调试用,一次调试后锁定开度。
关键要求:(1)调节性能好,(2)具有锁定功能。
*带流量(压差)测量孔—通常称为“平衡阀”、“手动平衡阀”、“静态平衡阀”……。
*不带流量(压差)测量孔——通常称为手动调节阀。
2、定流量阀—某些厂家称为“动态平衡阀”
机理:按照设定值,在运行过程中,始终自动保持设定的流量不变。
关键要求:(1)自力式控制水量的能力,(2)调节性能。
3、动态电动平衡阀—与风系统中的“压力无关型VAV末端”相似。
机理:(1)在压差改变的情况下,自动维持改变前的水流量不变;
(2)在压差不变、控制参数发生变化的情况下,根据控制参数改变流量。
关键要求:(1)压差无关功能,(2)调节性能。
平衡阀—之二:用途
1、静态手动平衡阀
当水系统个环路设计无法通过管道和设备配置来实现设计状态下的水力平衡时采用。因此,这是为满足设计状态下的流量要求而设置的——初调试功能。在系统运行过程中,其典型特点是阻力系数不发生改变(开度不变)。
2、定流量阀
只能在需要定流量的场所使用。可能场所:无温度自控的采暖系统,定水量空调水系统,变水量系统中需要定水量的场所—定水量一次泵、二次泵系统中的次级泵、冷却泵、冷水机组冷水与冷却水进口(或出口)、冷却塔等。
不能应用的场所:变流量水系统的用户侧—包括分、集水器支路,各空调机组和末端风机盘管等设备的进口或出口。
3、动态电动平衡阀
可以替代末端常用的电动二通调节阀。性能及功能较好,但价格昂贵。
平衡阀—之三:设计要求
对于静态手动平衡阀和定流量阀——应注明各阀的设计水流量,否则无法调试或设定。
对于动态电动平衡阀——设计要求与电动二通调节阀相似:提出流量系数、阀门调节性能等要求。
因为平衡阀本身存在较大的阻力,静态手动平衡阀不能随意设置,否则导致系统阻力增加。因此首先强调的是“设计自身的平衡”。
定流量阀一定要根据系统情况(定、变流量)来设置。
平衡阀—之四:几种典型错误设计
(1)手动平衡阀(静态阀)
不分清系统各环路阻力情况,在每个环路(甚至每个末端)上随意设置。
在如图所示的系统中,最远点为最不利环路,在每个环路甚至每个支路都设置平衡阀的结果是:环路水阻力至少增加了两个平衡阀的全开阻力。如果顶层空调机组末端的水阻力大于其他层,此现象更为明显。
在采暖系统中,由于采暖环路水阻力本身较小,许多支环路本身是可以通过良好的设计来平衡的,随意增加阀门的结果将导致新的不平衡的出现。

(2)定流量阀(静态阀)——在变流量侧设置定流量阀
在变水量空调系统的末端上增加定水量阀(名为在动态条件下保证水利平衡),结果是:空调机组电动阀的调节性能由设想的线性调节方式变成了开关调节方式—低负荷时,随着电动阀的关闭,定流量阀不断开大,起不到实时的流量控制作用。
在变水量空调系统分集水器供(回)支管上设置定流量阀—由于压差控制器通常设置与机房侧,这种设置与末端设置定流量阀的结果相同。
更典型的错误是:在每个支管和末端都设置定流量阀。

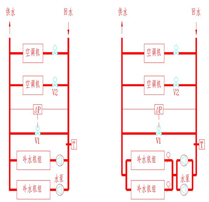
平衡阀—之五:机房优化设计

原设计想法:对于多台机组设计,但只有部分机组运行时,为了保证每台机组的分配水量,设置定流量阀。尤其是当机组采用大小容量搭配时,此方式看起来有利于不同容量机组的水量分配。
优化后:将“先并后串”方式改为“先串后并”方式,减少了相应的阀件,降低了水流阻力,系统的稳定性也得到足够的提高,经济性突出。—为设计人员带来的“不方便”是:机房内管线布置相对略多,需要设计更为精心。
几个讨论的问题:
1、机组大小搭配系统
(1)单台机组容量确定—一般的民用建筑
首先确定大机组的最小容量(防止发生喘振)比Ro:
离心机:20%~30%,螺杆机:15%~25%,吸收机:20%~30%。
确定采用的大机组台数(小机组通常一台)N:根据机房情况,通常不少于两台。
根据计算的总冷量Q的需求,计算小机组的容量Q1和大机组容量Qo:
计算原则:小机组的额定冷量满足大机组的最小容量要求。
计算公式:N×Q1/Ro+Q1=Q
小机组容量:Q1=Ro×Q/(N+Ro)
大机组容量:Qo=Q1/Ro
系统可满足的最低负荷率Rs。
由于小机组一般采用螺杆机,假定其最小容量比为R1,则系统最小能满足的供冷量为:R1×Q1;
系统可满足的最低负荷率:Rs= R1×Q1/Q=R1×Ro/(N+Ro)。
(2)单台机组容量确定——对低负荷Qmin有特定要求的建筑。
通常这是指建筑的最低负荷率低于按照前述(1)计算的情况。
首先确定最小负荷率Rs=Qmin/Q
确定采用的大机组台数N:
*如果采用一台小机组,可根据前面的计算公式:
Rs=R1×Ro/(N+Ro),得出:N=(R1-Rs)×Ro/Rs
*如果上述计算出来的N数量过多,机房无法布置或者系统不合理,则需要采用多台小机组来满足要求,小机组的数量n的确定需要与大机组统一协调考虑,原则之一是:n×Q1=Ro×Qo。由下式计算出N与n的关系:
N×Rs/(Ro×R1)+n×Rs/R1=1
(3)压差旁通阀的流量确定
*机组为同型号(同容量)时
对于机组定流量系统,按照一台机组的额定流量来确定;对于机组变流量系统,按照最小冷水机组流量来确定。
*机组为不同型号(不同容量)时:
a)安全要求:按照大机组的额定流量确定;
b)调节要求:只有小机组运行时,需要按照小机组的额定流量来控制。
个人观点:以安全考虑为主来选择,同时,对小容量运行情况下的阀门Kv值进行校核。
通常阀门的理想可调比为30,在旁通阀应用中,实际可调比可达到20~25左右,因此最小可控流量为5%~4%。由于阀门的最佳调节性能处于30%~70%之间,因此,如果最小旁通流量的30%能够大于按照大机组选择流量的5%(即最小流量不小于17%—相当于冷水机组的小、大容量比为17%),则认为系统可行(一般工程可以满足)。如果此条件不成立,则建议另外并联一个小口径电动阀门。
2、一次泵变频变水量系统的控制
关键点:
(1)设计人必须确保冷水机组适应变水量的运行,并且能够清楚掌握机组最小水量的限制值;
(2)水量变化的速率是影响冷水机组的另一个关键因素。只有缓慢的流量变化才是可接受的。因此此方法不适用于短时间内空调负荷的峰谷值相差较大的水系统中。
目前的三种控制方法:流量(或冷量)控制、压差控制、温度控制。
不同的参数控制方法,需要根据不同的系统特点来采用。
同一个系统中,不同的时段(或者流量段)也可能要采用不同的控制方式。
如果水系统为线性系统,采用压差控制或者流量控制都是可行的。
3、二次泵的两种组合方式(分环路和泵组方式)
(1)分环路设置二次泵
a)适用情况:各环路设计阻力相差较大的系统
b)优点:可以降低一些环路的二次泵扬程
c)缺点:系统二次泵较多,控制复杂,投资可能偏高,综合能效比相对较差。
d)典型问题:如果所有环路要求的二次泵扬程都相同,则此方式必要性不大(这也是目前发现的一些二次泵系统设计的问题之一)。
(2)二次泵组集中设置
a)使用情况:各环路设计阻力相差不大、且水系统非线性较强。
b)优缺点:与(1)相反。
4、二次泵组台数选择与转速的控制
(1)不宜少于两台水泵
(2)二次泵组总水量不应大于一次泵的总水量
(3)有条件情况下,加大单台容量、减少台数,有利于节能
(4)对于两台二次泵,建议采用各自配变频器,在50%~100%流量之间同时变频调速,低于50%流量时,运行一台二次泵。
(5)对于需要四台(及以上)的二次泵组(通常是由于流量过大而需要台数较多),个人建议:可采用一台变速泵+多台定速泵的方式(需要对水系统的水利工况进行详细分析,防止变速泵的工作性能受到较大的影响)。
(6)对于三台二次泵组,需要分析水利工况。如果33%负荷时的水泵效率下降不大,可采取(4)方式;反之,建议(5)方式。
(7)不论何种方式,都需要根据系统情况设定二次泵的最低转速(或最低流量)。
5、水泵转速控制与旁通阀的联合控制
(1)压差控制旁通阀是必须配备的——水泵设定最低运行流量
二次泵变速系统:
设置压差旁通阀的目的:当水泵调速到最低转速要求时(此要求由水泵和系统的特性来决定),不能继续降速,为了适应末端继续降低流量的要求,这时应采用压差旁通阀控制方式。因此目的是保证系统正常供水并保护水泵。
一次泵变频调速系统:
设置压差旁通阀的目的:当水泵调速到最低转速要求时(此要求由冷水机组来决定),不能继续降速,为了适应末端继续降低流量的要求,这时应采用压差旁通阀控制方式。由于水泵本身对最小运行流量的限制通常比冷水机组更低,因此目的是保护冷水机组。
(2)联合控制方式(逻辑)
在水泵“最大转速—最低限制转速”之间时,进行水泵的转速控制。
* 二次泵系统通常采用压差控制水泵转速
* 一次泵系统的转速控制分不同的情况(前面已提到)
当水泵调速到最低转速要求时,压差控制的对象改为旁通阀。
* 此后的控制方式与普通的压差旁通控制相同
(3)旁通阀选择
旁通阀流量不等于一台泵的设计流量!
旁通阀应按照水泵最低转速时的流量来选择!
典型错误:部分工程采用了全流量旁通阀,导致控制失效。
本文来源于网络,如有侵权,请联系删除
知识点:集中空调水系统设计的若干问题探讨
相关推荐:
0人已收藏
0人已打赏
免费0人已点赞
分享
中央空调
返回版块30.71 万条内容 · 849 人订阅
回帖成功
经验值 +10
全部回复(0 )
只看楼主 我来说两句抢沙发