穿墙大样图↓

水管90°安装时支撑↓

水管穿楼板时↓

风机盘管接管↓

空调箱安装↓

空调箱接管↓

空调箱冷水处理↓

风机安装↓
风机盘管吊装↓

室外接风口↓

风口安装节点↓

风机安装↓

风机吊装↓

风管穿楼板↓

水泵安装↓
水泵接管↓

风机盘管接管↓

风管穿墙↓

风管吊装↓

水管立管安装↓

水管水平管安装:

风管接末端风管↓

风机安装↓

水泵剖面↓

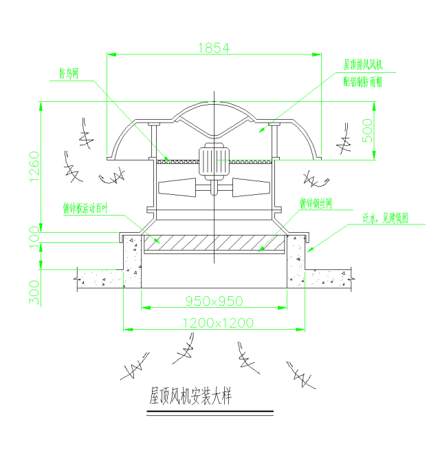
屋顶风机↓

版 权 归 原 作 者 所 有! 如 有 侵 权, 请 联 系 删 除!
本文来源于网络,如有侵权,请联系删除
知识点:你想要的暖通大样图,都在这了
相关推荐:
0人已收藏
0人已打赏
免费1人已点赞
分享
采暖供热
返回版块20.38 万条内容 · 611 人订阅
阅读下一篇
机房空调与供配电项目上主要有两种机房空调类型: 一、精密空调,主要用于海关、国检数据机房,管委会机房; 二、商用精密空调,主要用于海关监控机房,国检监控机房,卡口机房、UPS机房。 机房设计规范GB50174-2008《电子信息系统机房设计规范》对机房室内环境要求: 目前常用的有风冷直接膨胀式(以下简称风冷型)、水冷直接膨胀式(以下简称水冷型)、冷冻水型和各种双冷源(即前面三种冷却形式的组合)。通常我们在对某工程项目进行空调系统方案设计之初,首先要根据建筑物的特性、功能、用途及所在地域等多种条件,来确定选用何种形式的冷源。目前使用最多的为风冷型和水冷型。
回帖成功
经验值 +10
全部回复(0 )
只看楼主 我来说两句抢沙发