通风系统的分类:
建筑通风包括从室内排出污浊的空气(排风)和向室内补充新鲜空气(送风)两部分。为实现排风或送风所采用的一系列设备、装置的总体称为通风系统。
1.按通风系统工作的动力不同,通风可分为自然通风和机械通风。
自然通风是依靠自然界的动力(风压或热压)来使室内外的空气进行交换,从而实现室内空气环境的改变,如图6.1所示。

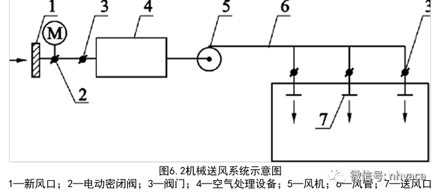
机械通风就是借助风机所产生的风压强迫空气沿着设定的方向流动,进行室内外空气交换的通风方式,如图6.2所示。

按通风系统的作用范围,可分为局部通风和全面通风。
局部通风的作用范围小,仅限于车间(或房间)的个别地点或局部区域,就是在有害物质、高温气体产生的地点对其直接捕获、收集、排放,或将新鲜的空气或经过处理的空气直接送到车间(或房间)的局部地点或局部区域,从而改善其空气环境。图6.3所示为某车间局部机械排风系统。
全面通风是对整个车间(或房间)进行通风换气(排风或送风),以改变室内空气的温度、湿度和稀释有害物的浓度,使该房间的空气环境符合卫生标准的要求。图6.4所示为某工作间全面机械送风系统。


空调系统的组成及分类:
空调系统一般由冷热源、空气处理设备、空气输送管道、空气分配装置和调节控制设备等部分组成。空调系统有不同的分类方法。
1.按空气处理设备设置的集中程度分为集中式、分散式和半集中式三种:
(1) 集中式空调系统
空调系统的空气处理设备,如图6.5中的过滤器、喷水室、加热器,以及风机、水泵等都集中设在专用的机房内,称为集中式空调系统。该系统对空气进行集中处理后,再将处理后的空气通过风管送至各个空调房间。主要用于工业建筑、公共建筑内的空气调节。其中,根据所处理的空气来源不同,集中式空调系统又可以分为封闭式、直流式和混合式三种。

封闭式系统所处理的空气全部来自空调房间本身,没有室外空气补充,全部为再循环空气。因此,房间和空气处理设备之间形成了一个封闭环路,如图6.6(a)所示。封闭式系统用于密闭空间且无法(或不需)采用室外空气的场合。
直流式系统所处理的空气全部来自室外,室外空气经处理后送入室内,然后全部排出室外,如图6.6(b)所示。这种系统适用于不允许采用回风的场合。
从上述两种系统可见,封闭式系统不能满足卫生要求,直流式系统经济上不合理,所以两者都只在特定情况下使用,对于绝大多数场合,往往需要综合这两者的特点,采用混合一部分回风的系统,即混合式(回风式)系统。这种系统既能满足卫生要求,又经济合理,故应用最广。图6.6(c)所示就是混合式系统图式。

(2) 分散式空调系统
把冷源、热源、空气处理、风机和自动控制等设备组装在一个或两个箱体内,组成空调机组,空调机组一般装在需要空调的房间或邻室内,就地处理空气,不用或只用很短的风道就可把处理后的空气送入空调房间内。主要优点是安装方便,调节灵活,可由用户自行调节。如窗式空调器、立式空调柜等。主要用于办公楼、住宅等民用建筑的空气调节,如图6.7所示。
(3) 半集中式空调系统
半集中式空调系统是将一部分空气处理设备集中到空气处理室,另一部分处理设备(末端装置)如风机盘管等设置到空调房间。多用于办公楼、宾馆等民用公共建筑的空气调节,如图6.8所示。


2.按负担室内热湿负荷所用介质的不同,空调系统可分为全空气系统、全水系统、空气-水系统及制冷剂系统
(1) 全空气系统:完全由处理过的空气作为承载空调负荷的介质,由于空气的比热容c较小(比热容是指单位质量的某种物质升高单位温度所需的热量),需要用较多的空气才能达到消除余热、余湿的目的,因此该系统要求风道断面较大,或风速较高,从而占据较多的建筑空间。
(2) 全水系统:完全由处理后的水作介质,水的比热容c大,因此管道所占空间小,但这种方式只能解决空气的温度(冷热),无法解决换气,故不能(很少)单独使用。
(3) 空气-水系统:是指处理过后的空气、水各承担室内的一部分负荷,如新风+风机盘管系统,通过风机盘管的水加热或冷却来承担室内部分负荷,同时新风系统也承担部分负荷,此种系统的特点是风管截面尺寸可大大减小,各个房间调节温度也比较方便。
(4) 制冷剂系统:以制冷剂为介质,对室内空气进行冷却或加热、去湿,现在的户式中央空调常用此系统。
通风与空调系统的设备、管道及部件:
1.通风系统的主要设备和部件
自然通风的设备装置比较简单,只需用进、排风窗以及附属的开关装置。机械通风系统由较多的设备和部件组成。
一般的机械排风系统组成有除尘设备、风道、通风机、排风口和伞形风帽等;一般的机械送风系统组成有进气室、风道、通风机、送风口等。为了开关和调节进、排气量,还装设有阀门。
(1) 除尘器
除尘器用于通风工程中,其作用是除去空气中的粉尘。常用除尘器有旋风除尘器、布袋除尘器、湿式除尘器、静电除尘器等。除尘器常安装于地面地脚螺栓上,以钢结构支承直立于地面基础上、墙上或楼板孔洞内。
(2) 风道
风道是通风系统中的主要部件之一,其作用是输送空气。
常用通风管道的断面有圆形和矩形两种。同样截面积的风道,以圆形截面最节省材料,而且其流动阻力小,因此采用圆形风道较好。当考虑到美观和穿越结构物或管道交叉敷设时便于施工,设计多采用矩形风道。
目前,风道最常用的管材是普通薄钢板和镀锌薄钢板。对洁净度要求高或有特殊要求的项目,采用铝板或不锈钢板制作。对于有防腐要求的项目,采用塑料或玻璃钢制作。建筑风道多用钢筋混凝土制作。选用风管材料和保温材料时,应优先选用不燃烧材料。对有防火要求的场合,可以选用耐火风管。此外,螺旋风管和柔性风管也是值得推荐的新型风管。螺旋风管用钢带螺旋绕制而成,柔性风管用薄铝带缠绕而成。
(3) 调节阀
通风系统中的调节阀主要是安装在风道上或风口上,用于调节风量、关闭风口以及风机的启动和系统中的阻力平衡,有的还起到防止系统火灾蔓延的作用。常用的调节阀有插板阀、蝶阀、止回阀和防火阀、对开多叶调节阀、三通调节阀等。
① 插板阀多用于通风机的出口或主干管上,通过拉动手柄改变阀板位置,即可调节通过风道的风量。它的特点是关闭时严密性好,但占地面积大。
② 蝶阀多安装在分支管上或空气分布器前,作风量调节用,但严密性较差,故不宜作关断用。
③ 止回阀的作用是当风机停止运转时,阻止气流倒流。止回阀必须动作灵活,阀板关闭严密。
④ 为了防止房间发生火灾时火焰串入通风系统其他房间,在防火级别要求较高房间的系统应装设防火阀。防火阀由阀板套、阀板和易熔片组成。当发生火警时,易熔片熔断,阀板靠自重下落,将管道关闭,从而起到防火的目的。
⑤ 对开多叶调节阀是指当风道尺寸较大时,可以做成类似活动百叶风口形状的对开阀门,使之联合动作来调节风量,多用于通风机出口或主干风道上。
(4) 室外进风、排风装置
① 进风装置进风装置的作用是从室外采集洁净空气供给室内送风系统使用。根据进气室的位置及对进风的不同要求,进风装置可以单独设置,也可以是设在外墙上的百叶风口。有时在百叶格里面装有保温门,作为冬季关闭进风口之用。
② 排风装置排风装置的作用是将排风系统汇集的污浊空气排放至室外。最常用的是装在屋顶上的风塔,这时要求排风口高出屋面1m以上,以免污染附近空气。为防止雨、雪或风沙等倒灌入排风口中,出口处应设有百叶格或风帽。机械排风时可直接在外墙上开口作为排风口。
(5) 室内送风、排风装置
室内送风、排风装置有活动百叶格、空气分布器、散流器等。活动百叶格是室内送风系统中的风道末端装置,其任务是将各房间所要求的风量,按一定的方向、一定的流速均匀地送入室内,如图6.9所示。
百叶排风口是室内排风系统中的风道收集装置,其任务是将室内被污染的空气集中收集进入排风道,由风机排走。工业厂房中通风量一般较大,而且风道多采用明装,因此常采用空气分布器作为送风口。这种送风口大都直接开在风道的侧面或下面,风口可以是分开的,也可以是一体的。散流器是一种由上向下送风的送风装置(如图6.10所示),适用于由顶部送风或房间精度要求高的场所,一般有圆形和方形两种。

(6) 风机
风机是通风系统中重要的动力设备,主要任务是:为空气流动提供动力,克服风道和其他部件、设备对空气流动产生的阻力。风机按其工作原理,可以分为离心式和轴流式两种。其安装有在基础上、钢结构支架上和砖墙内三种形式。
离心式风机按其产生的压力不同,可分为三类:
低压风机(H≤1kPa),一般用于送排风系统或空气调节系统。
中压风机(1kPa≤H≤3 kPa),一般用于除尘系统或管网较长、阻力较大的通风系统。
高压风机(H>3 kPa),用于加热炉的鼓风或物料的气力输送系统。
轴流式风机的叶轮进出口面积较大,叶轮进口与出口直径近似相等,此时风机转数较大。轴流风机与离心风机在性能上主要的差别是前者产生的压力较小、风量大,后者产生的压力大、风量小。因此,轴流风机一般应用于管道阻力较小而流量较大的系统,或用在高温车间作为散热设备,而离心风机则往往用在阻力较大的系统中。
(7) 柔性短管
柔性短管是用帆布、软橡胶板、人造革等材料制成的,长度一般为150~360 mm,装于风机的出入口处,防止风机振动通过风管传至室内引起的噪声。
2.空调系统的主要设备、管道及部件
(1) 冷热源
冷源一般为制冷机组,热源一般为锅炉、换热器、热泵。
(2) 空气处理设备
空气处理设备有净化设备、空气热交换器、加(减)湿装置、除尘装置等。
① 净化设备
净化设备最常用的是空气过滤器,用于空气的净化处理,分为粗效、中效和高效过滤器三类。粗效过滤器采用化纤组合滤料制作和用粗中孔泡沫塑料制作;中效过滤器是用中细孔泡沫或涤纶无纺布材料制成的袋式过滤器;高效过滤器用玻璃纤维滤纸、石棉纤维滤纸等材料制成。
② 空气热交换器
空调系统中常用的肋片管型空气热交换器,用无缝钢管外部缠绕或镶接铜、铝片制成。管内流动介质(冷、热水,蒸汽,制冷剂),管外流空气。当热交换器通入热水或水蒸气时即可加热空气,称为空气加热器;当通入冷却水或低温盐水时即可冷却空气,称为表面冷却器。
③ 加(减)湿装置
喷水室的工作原理是向流过的空气直接喷大量的水滴,空气与水滴实现热湿交换。主要由喷嘴(雾状水)、管路、前后挡水板(减少水损失)、水池及壳体组成。其特点是可以实现多种空气处理过程,具有一定的空气净化能力,耗材少,易加工,但占地大,对水质要求高,水系统复杂,还需定期保养。
除喷水室外,设计上还用加热通风法减湿、冷冻减湿、液体吸湿剂减湿和固体吸湿剂减湿等。
(3) 输送风道与输水管道
输送风道已在通风工程中作了详细介绍,不再一一赘述。
输水管道:在空调系统中,水作为冷(热)媒吸收了制冷机组(锅炉)生产过程中冷(热)量,使自身温度降低(升高),变为冷冻(热)水。冷冻(热)水在系统循环过程中通过空气处理设备与空气进行冷(热)交换,以完成调节室内空气温度的任务。
(4) 空调部件
① 静压箱
在通风空调工程中,有时需要提供一定压力的装置,将这种装置安装在一个封闭的箱子里称为静压箱。送风道配置静压箱,能减少动压增加静压,起到稳定气流的作用,同时静压箱的内表面贴有吸音减震材料,也可以起到消除噪声的作用。
② 消声器
空调设备运行时,由于机械运动而产生的振动和噪声,不仅对周围环境造成污染,还会通过风道、墙体、楼板等传递至其他房间从而影响人们生活和办公的质量和效率。因此,对于风机和空调设备应进行消声和减振处理,并在风道上安装消声器以降低通过风道传播的噪声。风道上常用的消声器有阻抗复合式消声器、管式消声器、微穿孔板式消声器、片式消声器、折板式消声器、消声弯头等。
调节阀、风口、散流器等空调部件,与通风系统的基本一样,不再一一赘述。
(5) 风机盘管
风机盘管空调系统由冷水机组、锅炉或热水机组、水泵及其水管路系统、风机盘管机组等组成。
冷水机组用于供给风机盘管需要的低温水;锅炉或热水机组用于供给风机盘管制热时所需要的热水;水泵为空调水系统循环过程提供动力。管路系统有双管、三管和四管系统,目前我国较广泛使用的是双管系统。双管系统采用一根供水管、一根回水管,夏季送冷水,冬季送热水。
风机盘管是半集中式空调系统的末端装置,由风机、盘管(换热器)及电动机、空气过滤器、室温调节器和箱体组成(如图6.11所示),室内空气通过与盘管内的低温(热)水进行能量交换得以降(升)温。其优点是冷源和热量集中,便于维护和管理;布置灵活,各房间能独立调节,互不影响;机组定型化、规格化,易于选择和安装。

通风空调工程施工图的组成:
通风空调工程施工图与暖卫工程施工图相同,由图文与图纸两部分组成。图文部分包括图纸目录、设计施工说明、设备材料明细表及图例;图纸部分包括通风空调系统平面图、系统图、剖面图、系统原理图及详图等,详图包括部件加工图及安装图。
1.设计施工说明
主要包括建筑概况,系统的设计依据、形式及设计参数,房间的设计条件(冬季、夏季空调房间的空气温度、相对湿度、平均风速、新风量、噪声等级、含尘量等),系统的划分与组成,风管系统和水管系统的一般规定,风管材料及加工方法,支吊架及阀门安装要求,保温、减振作法,水管所用的材质、连接方式、防腐、保温、试压等的施工质量要求以及特殊部位的施工方法等。
2.主要设备材料明细表主要设备材料明细表是将工程中所用到的设备和材料以表格的形式详细列出其规格、型号、数量。需要注意的是,设备材料明细表中所列设备、材料的规格、型号并不能满足预算编制的要求,只能作为参考,如一些设备的规格、型号、质量需查找相关产品样本或使用说明书。风管工程量必须按照施工图纸尺寸计算。设备材料明细表、一般图例附在设计施工说明后面。
3.平面图通风空调系统平面图包括建筑物各层面各通风空调系统的平面图、空调机房平面图、制冷机组平面图等。平面图主要说明通风空调系统的设备、风管系统、冷热媒管道、凝结水管的平面布置情况,主要内容有:
(1) 风管系统,一般用双线绘制,包括系统的构成、布置及风管上各部件、设备的位置,并注明系统编号、送回风的空气流向,风管的轴线长度尺寸、各管道及管件的截面尺寸等。
(2) 水管系统,一般用单线绘制,包括冷、热水管道、凝结水管道的构成、布置及水管上各附件、仪表、设备的位置等,并注明各管道的介质流向、坡度。
(3) 尺寸标注,包括各种设备的平面布置尺寸、标注编号及说明其型号规格的设备明细表,各种管道、部件的尺寸大小、定位及设备基础的主要尺寸,还有各设备、部件名称、规格、型号,图纸中应用到的通用图、标准图索引号。
4.剖面图
剖面图与平面图对应,剖面图主要有系统剖面图、机房剖面图、冷冻机房剖面图等。通风空调系统剖面图表示管道及设备在高度方向的布置情况及主要尺寸,即注明管径或截面尺寸、标高(圆风管标中心,矩形风管标底边)。
5.系统图
通风空调工程系统图表明通风空调系统各种设备、管道及主要部件的空间位置关系。该图内容完整,立体感强,标注详尽,便于了解整个工程系统的全貌,弥补了有些较复杂的通风系统中平面图和剖面图不能准确表达系统全貌的缺陷。对于简单的通风系统,除平面图外,可不再绘制剖面图,但必须绘制管网系统轴测图。系统图中主要设备、部件应标出编号,以便与平、剖面图及设备明细表相对照,还应有管径、标高、坡度,系统图的通风管道用单线绘制。
6.通风空调工程详图
详图又称大样图,包括制作加工详图和安装详图。如果是国家通用标准图则只标明图号,需要时直接查用。如果没有标准图集,必须画出大样图,以便制作和安装。
7.原理图
空调系统的原理图主要包括系统的原理和流程,空调房间的设计参数、冷热媒、空气处理及输送方式,控制系统之间的相互连接,系统中的管道、设备、仪表、部件,整个系统控制点与测点之间的联系,控制方案及控制点参数,用图例表示的仪表、控制元件型号等。
通风空调工程施工图的识读:
1.熟悉有关图例、符号,设计及施工说明,通过说明了解系统的组成形式,系统所用的材料、设备、保温绝热、刷油的做法及其他主要施工方法。
2.识读时,水系统与前面所述给水、采暖系统相类似。通风系统主要以空气流动线路识读,依次为进风装置、空气处理设备、送风机、干管、支管、送风口、回风口、回风机、回风管、排风口和空气处理室。除符合暖卫工程施工图的相关规定外,应注意以下几点:
(1) 通风空调工程施工图中常用的比例:
总平面图:1∶500、1∶1000、1∶2000;
剖面图:1∶50、1∶100、1∶150、1∶200;
大样图、详图:1∶1、1∶2、1∶5、1∶10、1∶20、1∶50;
工艺流程图、系统图:无比例。
(2) 风管规格标注,矩形风管用断面尺寸“宽×高”表示(如400×120),单位均为mm。
(3) 风管标高标注标高对矩形风管为风管的底标高,对圆形风管为风管中心线标高。
3.识读时要将平面图、系统图、剖面图三者相结合,以便建立整体的空间概念。
通风空调工程施工图常用图例:
国家标准《暖通空调制图标准》(GB/T 50114—2010),对于通风空调施工图相关的规定进行了阐述。图线、图纸比例、空调水管道及其阀门的常用图例与采暖工程相同,在此仅介绍风道和通风空调设备图例,如表6.1所示。

通风与空调工程工程量计算及定额应用:
《全国统一安装工程预算定额》第九册《通风空调工程》,适用于工业与民用建筑的新建、扩建项目中的通风、空调工程。
通风与空调工程管道制作安装:
风管(包括薄钢板、不锈钢板、铝板、塑料、玻璃钢、复合型通风管道)制作安装的工程量,按施工图所示的不同规格以展开面积计算,以“m2”计量。
圆形风管:Fo=πDL
式中:Fo—圆形风管展开面积,m2;
D—圆形风管直径,m;
L—管道中心线长度,m。
矩形风管:F=2(A+B)L
式中:F—矩形风管展开面积,m2;
A、B—分别为矩形风管断面的长和宽,m;
L—管道中心线长度,m。
通风与空调工程施工图预算:
1.计算风管展开面积时,其风管长度一律以施工图所示中心线长度为准,包括弯头、三通、变径管、天圆地方等管件的长度,不扣除风管上检查孔、测定孔、送风口、吸风口等所占面积,但必须扣除通风部件如风阀等所占长度。支管长度以支管中心线与主管中心线交点为分界点。中心线长度按图6.12所示计算。风管直径或周长均按施工图所注尺寸展开,咬口风管的咬口重叠部分及法兰翻边留量已包括在定额内,不得另行计算。

计算风管长度时,应扣除的部分通风部件长度如下:
(1) 蝶阀:L=150 mm;
(2) 密闭式对开多叶调节阀:L=210 mm;
(3) 止回阀:L=300 mm;
(4) 圆形风管防火阀:L=D+240 mm;
(5) 矩形风管防火阀:L=B+240 mm(B为风管高度);
(6) 密闭式斜插板阀T305长度,如表6.2所示。

2.薄钢板通风管道、净化通风管道、塑料通风管道制作安装,定额内已包括三通、弯头、变径管、天圆地方等管件及法兰、加固框,但不包括吊托支架。吊托支架制作安装应另列项目计算,其工程量以“kg”为计量单位,执行相应定额子目。
3.不锈钢通风管道、铝板通风管道、玻璃钢通风管道、复合型通风管道制作安装,定额项目中包括管件,不包括法兰、加固框和吊托支架。法兰、加固框和吊托支架应另列项目计算,其工程量以“kg”为计量单位,执行相应定额子目。
4.薄钢板风管项目中的板材,若设计要求厚度不同时,可以换算,但人工、机械不变;在计算镀锌薄钢板风管板材项目工程量时,如设计要求不用镀锌薄钢板,板材可以换算,其他不变。
5.塑料风管、复合风管定额子目所列规格直径为内径,周长为内周长。
6.风管导流叶片制作安装按图示叶片面积以“m2”计量,面积计算如图6.13所示。风管导流叶片不分单叶片和香蕉形双叶片,均使用同一定额子目。
7.软管(帆布接口)制作安装按图示尺寸以“m2”为计量单位。如软管接头使用人造革而不使用帆布者,可以换算。
8.整个通风系统设计采用渐缩管均匀送风时,圆形风管按平均直径、矩形风管按平均周长执行相应规格项目,其人工乘以系数2.5。如制作安装空气幕送风管时,按矩形风管断面平均周长执行相应风管规格项目,其人工乘以系数3,其余不变。

9.柔性软风管一般指由金属、涂塑化纤织物、聚酯薄膜、聚乙烯薄膜、聚氯乙烯薄膜、铝箔等材料制成的软风管,安装按图示管道中心线长度以“m”为计量单位;柔性软风管阀门安装以“个”为计量单位。
10.风管检查孔制作安装以“kg”为计量单位,工程量计算可查《国标通风部件标准重量表》。风管温度和风量的测定孔制作安装,按其型号以“个”为计量单位。
11.风道(以砖、石、混凝土、木、石膏板等制作、安装的通风管道),按土建定额有关规定计算。
12.各种风管吊托支架的除锈、刷油,应按其工程量执行《定额》第十一册《刷油、防腐、绝热工程》相应项目。
13.风道及部件在加工厂预制的,其场外运费另行计算。
风管部件制作安装:
1.阀类制作安装工程量
各类调节阀均按成品考虑;调节阀安装工程量,区分不同种类、规格(直径、周长)以“个”为计量单位。安装中,规范及设计要求设置独立支(吊)架的,可执行“通风管道支(吊)架制作安装”项目。
2.风口制作安装工程量
各类风口按成品考虑;风口安装工程量按图示区分不同规格尺寸(直径、周长)以“个”为计量单位;百叶窗安装区分不同面积,以“个”为计量单位;排烟风口安装区分不同规格尺寸,按固定形式不同以“个”为计量单位。
3.风帽制作安装工程量
常见的风帽有圆伞型、锥型、筒型等,其制作安装的工程量按重量以“kg”为计量单位。其重量计算查标准图T609、T610、T611或本册定额附录。非标准部件按成品重量计算。风帽筝绳制作安装按图示规格长度,以“kg”为计量单位。
当风管穿过屋面时,为防止雨水渗入,通常安装风帽泛水,其形状有圆形和方形两种,工程量分不同规格,按图示展开面积以“m2”为计量单位。
4.罩类制作安装工程量
罩类指通风系统中的风机皮带防护罩、电动机防雨罩等,制作安装区分不同规格形式,均以“100 kg为计量单位。各类排风吸气罩等重量可查阅本册定额附录,套用相应子目;定额中未包括的罩类,可套用相似的子目。皮带防护罩、电动机防雨罩等重量在本册定额附录未列,可查标准图T108、T109。
5.各类部件支架、设备支架及通风管道支(吊)架制作安装按图示尺寸以“kg”为计量单位。
6.消声器、消声弯头按成品考虑,安装工程量分规格按所接风管的周长以“台”(或“个”)为计量单位。常见的有阻性和抗性、共振性、宽频带复合式消声器等。
通风与空调设备安装:
1.通风机安装
(1) 各类风机(离心式通风机、轴流式通风机、屋顶式通风机)、空气幕均以“台”计量,按风机类型和机号分别套用相应的定额子目。
(2) 通风机安装项目包括电动机安装,其安装形式包括A、B、C、D型,也适用不锈钢和塑料风机安装。
2.除尘设备按安装重量不同以“台”为计量单位。各类除尘设备重量查本册定额附录或标准图。
3.整体式空调机组、空调器安装按不同重量和不同安装方式(吊顶式、落地式、墙上式、窗式)以“台”计量;分段组装式空调器安装以“100kg”为计量单位,套用相应定额子目。
4.空气加热器(或冷却器)安装以“台”为计量单位,按不同重量套用相应定额子目。
5.风机盘管安装以“台”为计量单位,按不同安装方式(吊顶式、落地式)套用定额子目。风机盘管的配管执行《定额》第八册《给排水、采暖、燃气工程》相应项目。
6.诱导器安装执行风机盘管安装项目。
7.设备安装项目中包括地脚螺栓安装,材料另行计算。
刷油、防腐蚀、绝热:
1.除锈工程
① 风管以展开面积“m2”计算;
② 部件和吊托支架以质量“kg”计算;
③ 各种管件、阀件及设备上人孔、管口凹凸部分的除锈已综合考虑在定额内。
2.刷油工程
① 风管以展开面积“m2”计算;
② 部件和吊托支架以质量“kg”计算;
③ 各种管件、阀件及设备上人孔、管口凹凸部分的刷油已综合考虑在定额内;
④ 金属面刷油不包括除锈工作内容;
⑤ 薄钢板风管刷油按其工程量执行相应项目,仅外(或内)面刷油者按定额乘以系数1.2;内外均刷油者,乘以系数1.1(其法兰加固框已经包括在此系数内);
⑥ 薄钢板部件(各类调节阀、送回风口、风帽、消声器等)刷油按其工程量执行金属结构刷油项目,定额乘以系数1.15;
⑦ 各种风管吊托支架的除锈、刷油,按其工程量套用《定额》第十一册《刷油、防腐蚀、绝热工程》中一般钢结构除锈、刷油子目。
3.绝热工程
(1)工程量计算
① 矩形风管保温层体积:V=S1δ+4δ2L
② 矩形风管外保护壳面积:S=S1+2δ×4×L
③ 圆形风管保温层体积:V=平均周长×Lδ式中S1—风管展开面积,m2;δ—保温材料厚度,m;L—风管长度,m。
(2)使用定额应注意的问题
① 管道绝热工程,除法兰、阀门外,其他管件均已考虑在内;设备绝热工程,除法兰、人孔外,其封头已考虑在内。
② 聚氨酯泡沫塑料发泡工程是按现场直喷无模具考虑的,有模具浇注法施工时,按加工厂完成考虑。
通风与空调工程施工图预算编制实例:
现以某五层办公楼标准层新风系统为例,介绍空调工程施工图预算定额计价方式的编制方法。
某办公楼通风空调工程施工图:
1.施工图太原市某印刷厂五层办公楼空调工程的施工图,如图6.14~图6.16所示。本节以四层空调系统(新风系统)为例,由于空调水系统的施工图预算和前面章节介绍的采暖系统基本一样,在此只介绍新风系统施工图预算的编制。
2.施工说明
(1) 空调风管采用镀锌钢板风管,钢板厚度按相关规范执行。
(2) 风管与空调设备之间以柔性短管相连接,采用厚帆布制作,长度为200 mm。
(3) 风管支、吊架,风道配件按国家标准形式进行制作,不得任意制作。
(4) 风管、部件支吊架等钢制构件均应除锈后刷红丹防锈漆两遍。
(5) 风管保温采用30 mm厚外粘铝箔超细玻璃棉毡。
(6) 新风机组加热器在投入运行前应进行外观检查与水压试验。
(7) 新风系统安装完毕后对系统应进行全面调试工作,达到设计和使用要求。
(8) 风管、部件制作安装和设备安装要求,执行国家施工验收规范有关规定。
定额计量与计价实务:
1.列项
(1) 镀锌钢板通风管道制作安装;
(2) 对开多叶调节阀安装;
(3) 风管防火阀安装;
(4) 风管蝶阀安装;
(5) 双层百叶送风口安装;
(6) 防雨百叶新风口安装;
(7) 门铰型回风口安装(带滤网);
(8) 矿棉管式消声器安装;
(9) 帆布接口制作安装;
(10) 吊顶卧式新风机组安装;
(11) 调节阀、消声器支架制作安装;
(12) 风管支吊架制作安装;
(13) 通风管道支架、法兰及加固框除锈;
(14) 通风部件支架除锈;
(15) 通风管道支架、法兰及加固框刷油;
(16) 通风部件支架刷油;
(17) 通风管道绝热工程;注:(1)~(12)项为《定额》第九册范围,(13)~(17)项为《定额》第十一册范围。



2.工程量计算本例空调工程的工程量计算过程如表6.3所示。







3.套用定额单价,计算定额直接工程费和技术措施费,如表6.4所示。
(1) 本例所用定额:2011年山西省建设工程计价依据《安装工程预算定额》第九册、第十一册取定。
(2) 材料预算价格采用2011年太原市建设工程材料预算价格及山西省工程建设标准定额信息2012年第1期取定,部分主要材料价格为市场询价,工程结算时以实际价格结算。
(3) 本例建筑(安装)工程价差计算如表6.5所示,安装工程预算总值如表6.6所示。
对表中的有关问题说明如下:
① 本例空调部件制作安装项目中,对开多叶调节阀、矩形风管防火阀、矿棉管式消声器、双层百叶送风口、门铰型回风口等均为成品,只需计算其安装费和成品费(或主材费)。







本文来源于网络,如有侵权,请联系删除
知识点:通风与空调工程施工图预算编制实例
相关推荐:
0人已收藏
0人已打赏
免费0人已点赞
分享
中央空调
返回版块30.71 万条内容 · 848 人订阅
阅读下一篇
通风与空调系统消声减振技术措施1 通风与空调系统消声减振设计措施 1.1 设计阶段的声学优化处理 设计阶段配置声学专业设计人员,从建筑结构布局、功能分区上进行隔声、消声处理。通风与空调系统严禁穿越噪声控制严格的区域,如休息室等。如必须穿越时,应采用独立系统,且应采用软连接等方式将系统进行分割,减少噪声传递。在设计规划允许的情况下,尽可能降低气体、液体在管路中的流动速度。 1.2 优化通风与空调系统设备选型
回帖成功
经验值 +10
全部回复(0 )
只看楼主 我来说两句抢沙发