水力平衡系统简介
所有采暖、空调系统应达到两个主要目的:1.提供要求的舒适度;2.以最少的能耗达到以上目的。

但实际上,即使是最复杂的控制系统也不能带来满意的效果,而且运行成本较高。
1.在某些地方太热,在某些地方太冷;2.在一些房间里回设之后的启动比较困难;3.装机功率不能充分利用;4.比预期的能耗更高。 水力失调(不平衡)的常见现象 1、流量失调的常见现象 系统冷热不均:A、供热(冷)时近热远冷(近冷远热)。B、某些支路水量偏大或偏小。变流量系统运行失调。负荷稳定,但房间调节阀动作频繁,造成房间温度震荡频繁。 水泵的运行能耗过高。系统稳定时间过长。2、压力失调的常见现象 调节阀产生噪音和振动。调节阀关闭不上,严重时有烧阀危险。调节阀阀权度过小,阀门曲线变形,线性散热受控系统变成上抛性散热受控系统。 系统冷热不均现象 下图中是一个典型的异程式系统,假设各个末端的阻力相同,各支管管径相同,则近端支管的水量会多于远端支管的水量,原因是近端支管的资用压头大于远端支管。系统越大、支管数越多、干管越长、干管比摩阻越大,失调的现象越严重。如果某个支管阻力过大,会造成水量的不足。
变流量系统运行失调现象 常见于使用静态平衡阀的变流量系统,调试时即使各个末端已经调试平衡,当实际使用时,当某些末端调节或关闭时,会造成其他末端两端的压差变化,从而因此其他未调节末端水量的变化,从而引起失调,这种失调现象是一种动态的失调现象。
负荷稳定,但调节阀动作频繁 产生动态失调后,由于通过末端的水量发生变化,因此房间温度也发生波动,温控器控制调节阀调整水量。而此时该房间的负荷没有发生任何变化,调节阀的调节动作是由于系统压力波动产生的。
变流量系统应该:调节阀负责能量控制,仅当负荷发生变化时动作,而平衡阀负责压力控制,负责吸收系统的压力波动。 系统稳定时间过长

一个空调系统如果不能够保持调节阀开度和散热设备散热量之间的良好线性关系,则会造成受控房间温度波动频繁,系统稳定时间过长。 调节阀产生噪音和振动现象
根据连续流方程,水在流经调节阀的时候有一个加速和减速的过程,对应的动压也有一个升高和降低的过程,根据伯努力方程,静压有一个下降和上升的过程,当某点的静压下降到该点水温对应的汽化压力时,该点将出现气泡,发生“气蚀”现象,产生噪音和振动。调节阀压降越大、水温越高(主要是冬季)越明显。 调节阀关闭不上,严重时有烧阀危险现象
当系统某些末端调节阀关闭时,由于干管流速降低,因此比摩阻变小,其他末端电动调节阀两端的压差升高,当升高到电动调节阀的关闭压差以上时,电动调节阀的驱动器已经无法提供足够的扭矩去关闭电动调节阀,造成阀门无法关闭的现象。这时末端处于过流状态,控制器将持续要求电机动作以关闭阀门,而事实却关闭不上,电机持续发热,如果驱动器没有过载保护功能,很容易发生烧电机的现象。 为什么水力系统要平衡 采暖及空调系统中水力平衡的技术是节能及提高供冷或供热品质的关键。常见的问题 1.在供热或空调系统中,由于种种原因,大部分输送环路及冷热源机组环路存在水力失调,使得流经终端用户及机组的实际流量与设计流量不符。2.多数水泵选型偏大或水泵运行在不合适的工作点处,导致水系统处于大流量、小温差运行工况,水泵运行效率低、热量输送效率低。3.各用户处室温不一致、不稳定,近热源处室温偏高,远热源处室温偏低。近冷源处室温偏低,远冷源处室温偏高。4.对热源或冷源机组来说,机组达不到其额定出力,使实际运行的机组台数超过按负荷要求的台数。提高舒适度 保证室温达到设计要求,短时间内达到设定温度。流量分配合理 水力平衡阀可以吸收超量压差,还可以控制及设定系统所需的流量。节约能量,降低运行费用在空调系统中温度每降低1℃,会造成能耗升高15%。 在供热系统中温度每升高1℃,会造成能耗升高10%
阀门的基本慨念与平衡阀的分类及选型要点
阀门的流通能力-Kv 1.定义:阀门两端的压差为1bar时,阀门全开时流经阀门的流量,以m3/h计。









2.计算:
3、公式推导:
对于调节阀,当阀门开度没有发生变化时,阀门的流通能力不变。仅当调节阀的开度发生变化时,阀门的流通能力才发生变化。 调节阀曲线与系统稳定时间的关系
如何实现盘管散热量和阀门开度的线性关系
由于盘管静特性为指数特性,因此为了达到良好的受控效果,通常采用对数型曲线的调节阀。只有保证一定的阀权度,才能保证阀门的实际曲线符合要求。由于盘管静特性与供水水温差有关,因此,小温差对于这个问题更敏感,所以这个问题在夏季空调设计中尤为重要,否则,系统稳定时间过长。 阀门理想流量特性
1:直线型:单位行程变化引起的流量变化相等。2:抛物线型:流量特性为一条二次抛物线,介于直线与等百分比特性之间。3:等百分比型:同样行程在小开度时流量变化小,大开度时流量变化大。4:快开型:行程较小时,流量就比较大,阀的有效行程<d/4,多用于关断阀。 阀门理想流量特性的实现:阀芯形状
(1)直线特性阀芯(2)等百分比特性阀芯 (3)快开特性阀芯 (4)抛物线特性阀芯 (5)等百分比特性阀芯(开口形) (6)直线特性阀芯(开口形) 阀权度 阀权度的定义:
实现水力平衡的手段 1.静态平衡 水力计算、合理配管。同程式。静态平衡阀。动态压差平衡阀或动态流量平衡阀。2.动态平衡 动态压差平衡阀是解决动态失调的唯一途径。 平衡阀的分类 1.静态类平衡阀 手动平衡阀:又称静态平衡阀,平衡阀,通过手动调节阀门开度改变阀门的KV值,消耗多余的压差,测量通过该阀的流量和压降。2.动态类平衡阀 动态流量平衡阀:又称动态平衡阀,自力式流量控制阀,在一定的压差范围内维持流量动态恒定(在一个区间内)。动态压差平衡阀:又称压差控制器,维持压差在一定的范围内动态恒定(在一个区间内)。 手动平衡阀
原理:通过旋转手柄调节阀芯的上下运动,以改变阀门的Kv值,通过专用仪表连接阀门两端的测压点可以测量阀门的压降和通过流量,并可以锁定阀门的开度。功能:1.调节阀功能,精确调节KV值。2.具有关断和测量阀门的压降和流量功能。作用:消耗富余压差,使管路流量和压降与设计值一致,测量流量。 安装位置
定流量系统的管路,逐级安装,从末端支路到水泵出口的各个支路。变流量系统的大分支处(仅当安装动态压差平衡阀的支路上的压差大于动态压差平衡阀的控制压差时才安装),末端安装动态压差平衡阀。供水管或回水管安装均可,差别在于安装在供水管时,手动平衡阀的工作压力要大于回水管安装的情况,但是末端设备和电动调节阀的工作压力情况刚好相反。 选型和使用注意事项
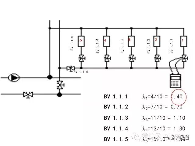
选型:按照Kv值选型,所选阀门的Kv值要大于设计值。最小开度大于全行程的20% 阀门最小压降大于3KPa 使用注意事项:A、不能采用蝶阀、闸阀、截止阀、球阀等关断类阀门代替手动调节阀。关断类的阀门曲线为上抛型曲线,调节灵敏性很差;而手动平衡阀的特性曲线接近直线特性,调节灵敏度较高。B、不应串联安装,即同一环路不应供回水管同时安装手动平衡阀。C、系统调试工作比较复杂,往往需要专业调试公司进行调试。 手动平衡阀的调试步骤 1.首先对干管、立管、支管、末端的手动平衡阀编号
2.计算各立管的流量比λ,找出有最大流量比的立管,如图λ13.计算各支管的流量比λ,找出有最大流量比的支管,如图λ1
4.计算各末端管路的流量比λ,找出有最小流量比的末端,如图λ1,,锁定该阀.
5.依次调整各阀的流量比和最小的末端流量比后锁定该阀;
6.依次调整干管和支管的手动平衡阀,方法相同,直至完成。 动态流量平衡阀
功能:动态流量平衡阀在压降31-600KPa之间保持流量恒定。作用:保持通过该阀的流量恒定。

原理:当来流压力P1增大时,阀胆的套筒向下运动,压缩阀胆内的弹簧,同时减少阀胆底部阀孔的过流面积,即减少阀胆的Kv值。这样虽然阀胆两端的压差ΔP增大了,但是Kv值减小了,在弹簧的作用下两者的乘积即流量Q基本上保持不变。 安装位置 定流量系统的管路,末端安装,不需逐级。一次泵系统冷冻水泵、冷却水泵处,防止台数变化时水泵过流。 冷却塔等需要恒定流量的场所。供水管或回水管安装均可。 选型和注意事项 选型:仅按照流量选型。使用注意事项:A、阀门压力工作范围,要大于最小启动压差。B、不能和比例积分的电动调节阀串联安装。 定流量系统水力平衡方案
动态压差平衡阀

原理:电动调节阀上游的高压通过导压管引导至控制膜盒下侧;电动调节阀下游的压力通过外部导压管或内部导压孔引导至控制膜盒上侧。当高压侧的压力升高时,膜盒向上运动,带动阀杆、阀锥也向上运动,造成中压侧压力升高,从而动态的保持中压侧和高压侧之间的压力差与弹簧的预设力平衡,从而保证了电动调节阀两端压差的动态恒定。当高压侧的压力降低时,膜盒向下运动,情况类似。调节弹簧的预紧力,即可调节压差设定值。功能:动态保持受控点之间的压差恒定在设定值。作用:保证受控系统的动态水力平衡,防止系统出现动态失调。防止电动调节阀调节阀产生噪音和振动。系统中的调节阀门可选用驱动力较小的驱动器,避免烧阀危险。为调节阀提供良好的阀权度,确保线性散热受控系统的实现,保证系统的迅速稳定。调试工作量非常小,加速安装周期,系统改、扩建时可以免调试。方便的修正实际和设计工况之间的差异。最大流量限制功能。 保证受控系统的动态水力平衡

动态压差平衡阀动态保持受控点之间的压差ΔP恒定在设定值,其他未动作电动调节阀的Kv值不变,因此该支路的水量动态恒定。仅当电动调节阀动作时,即Kv值发生变化时,该支路的水量才会发生变化。 防止电动调节阀产生噪音和振动调节阀门选用驱动力较小的驱动器
电动调节阀两端的压差恒定,系统的压力波动均由动态压差平衡阀吸收,因此调节阀门选用驱动力较小的驱动器。 为调节阀提供良好的阀权度 阀权度的定义:

安装位置

定、变流量系统的管路,末端安装,不需逐级。变流量系统的管路,支管或立管安装,不需逐级。单导压管的阀必须回水安装,双导压管的阀供水或回水管安装均可。 选型:阀体按照Kv值选型,所选阀门的Kv值要大于设计值,计算阀门Kv值时所用的是阀门压降,并非控制压差。用控制压差选驱动器。 动态压差平衡型电动调节阀

原理:实质就是一个动态压差平衡阀和一个电动调节阀合二为一,该阀为双阀锥结构,上阀锥为电动调节阀的阀锥,下阀锥为动态压差平衡阀的阀锥,动态压差平衡阀为电动阀阀锥(上阀锥)前后提供恒定的压差(0.2Bar或0.5Bar),系统的压力波动都被动态压差平衡阀吸收,当电动阀阀锥(上阀锥)没有动作时,阀门流通能力kv不变,压差ΔP不变,因此阀门的流量Q不变;只有当电动阀阀锥(上阀锥)的动作时,通过阀门的流量才会发生变化,从而实现了动态平衡和调节功能的完美统一。

过程:膜片的上下两端与内部弹簧的力量形成一个平衡,即P1=P2+P弹簧。当系统压力发生波动,P1增加时,此平衡被破坏,膜片下方的力大于上方,因此膜片会向上移动,关小压差控制阀阀芯,使得P2增加,重新达到平衡,如图所示。反之压差控制阀开大,使得调节阀阀芯的压差在整个开关的工作过程中始终保持恒定,这样经过该阀门的流量的变化仅与调节阀的开度一一对应。
安装位置变流量系统的管路,末端安装,不需逐级。主要优点:1、占用的空间少,系统的自动平衡性好。2、每组阀少了一个泄漏点。3、安装、维修方便。缺点:1、不如分体方案(动态压差平衡阀+电动调节阀)灵活,分体方案的压差可以现场调节。 变流量系统水力平衡方案

水力失调常见现象的解决办法: 1.系统冷热不均;水泵的运行能耗过高→水力计算、合理配管;同程式;静态平衡阀;动态压差平衡阀或动态流量平衡阀、一体阀。2.变流量系统运行失调;负荷稳定,但房间调节阀动作频繁,造成房间温度震荡频繁;系统稳定时间过长→动态压差平衡阀或一体阀。3.调节阀产生噪音和振动;调节阀关闭不上,严重时有烧阀危险;调节阀阀权度过小,阀门曲线变形,线性散热受控系统变成上抛性散热受控系统。→动态压差平衡阀或一体阀。本章节部分课件作者:丹佛斯,取材于互联网。












本文来源于网络,如有侵权,请联系删除
知识点:暖通空调系统的水力平衡与电动调节阀的选型方法
相关推荐:
0人已收藏
0人已打赏
免费0人已点赞
分享
暖通制冷设备选型
返回版块2.64 万条内容 · 428 人订阅
阅读下一篇
为什么中央空调选择供回水温度7℃-12℃?中央空调为何选择供回水温度7℃-12℃?业界普遍的答案是:“水温高了除湿不能保证”。百度搜索的最佳答案是一篇提名“为什么中央空调水系统设计供回水温度7℃-12℃?”的文章。作者虽然不详,但是文章转载不计其数,所以我判断为主流思路。我查阅了百度文库、豆丁网、360doc、搜狐公众平台、新浪博客等媒体平台……文中列举四点论证: (1)从制冷机组出发; (2)从热舒适和健康出发; (3)从湿度控制的保障出发;
回帖成功
经验值 +10
全部回复(0 )
只看楼主 我来说两句抢沙发