土木在线论坛 \ 道路桥梁 \ 桥梁工程 \ 桥梁工程之桥涵识图,超实用的现场施工指南

桥梁工程之桥涵识图,超实用的现场施工指南

发布于:2023-08-24 09:33:24 来自:道路桥梁/桥梁工程 [复制转发]
1
桥梁识图基础


桥梁有梁桥、拱桥、斜拉桥、悬索桥等结构形式。尺寸单位厘米,里程桩号及标高尺寸的单位为米。
图片

图纸内容——桥位平面图、桥位地质断面图、桥梁总体布置图、构件结构图等。
桥位平面图表示道路路线通过江河、山谷时建造桥梁的平面位置。

桥位地质断面图是根据水文地质资料绘出的桥位处河床的水文地质断面图。

桥位:也称桥址,是指桥梁中线(桥轴线)的位置。桥位方案应将政治、经济、技术、环境等多方面的因素综合比较选定。

图片
图片
由图1可知:桥梁的起、终点桩号为K2十668.48和K2十711.52,大致为东西走向;桥梁位于道路的直线段上,并与河道正交;桥台两侧均设锥坡与道路的路堤连接;桥位附近道路两侧有一村庄和大片农田等.

图片

如图2所示,图中竖直粗实线表示钻孔的位置与深度。符号ZKl中

ZK表示钻孔,其右下角的数字“1”表示第一号钻孔;分数线上面的数字574.10为孔口标高,下面的数字10.5为钻孔深度。同样也可读得2号钻孔的孔口标高为574.60m,钻孔深度为12m。

河床断面线(地面线)用粗折线表示;钻孔深度范围内的土层分层用细折线表示。图的左侧附有标尺,各土层(砂夹卵石层和粘土层)的深度变化可由标尺确定。

图中标出了设计水位、常水位、低水位的标高数值分别为579.50m、577.50m和575.40m标高。

断面图的下方附有钻孔表,从表中可了解到两钻孔的里程桩号分别为K2十683.50m和K2十696.50,两钻孔的间距为13m。

桥梁总体布置图表达桥梁上部结构、下部结构、附属结构组成情况的总图。

表示桥型、跨径、总体尺寸、各主要构件的相互位置关系、各部分的标高、材料数量以及有关的说明等。一般包括立面图、平面图和横剖视图。

图片
图片
图片
图片
桥梁由梁、桥台、桥墩组成。梁是道路的延续,桥台是桥梁在两岸的支撑平台,桥墩是桥梁的中间支柱。梁的自重及梁所承受的荷载,通过桥台、桥墩传给地基。
图片

2
桥墩图

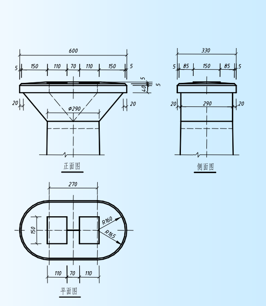
桥墩:由基础、墩身和墩帽组成。

图片
墩帽位于桥墩的上部,用钢筋混凝土材料制成,由顶帽和托盘组成。直接与墩身连接的是托盘,下面小,上面大,顶帽位于托盘之上,在其上面设置垫石以便安装桥梁支座。

铁路桥的矩形桥墩,顶帽上垫石的四周设有排水坡;公路桥的圆端形桥墩,顶帽上一边高一边低,高的一边安装固定支座,低的一边安装活动支座。

表示桥墩的图样有:
桥墩图
墩帽图
墩帽钢筋布置图

1、桥墩图
桥墩图用来表达桥墩的整体情况,包括墩帽、墩身、基础的形状、尺寸和材料。

圆端形桥墩
正面图为按照线路方向投射桥墩所得的视图。

圆形墩的桥墩图
正面图是半正面与半3-3剖面的合成视图,半剖面是为了表示桥墩各部分的材料,加注材料说明,画出虚线作为材料分界线。半正面图上的点画线,是托盘上的斜圆柱面的轴线和顶帽上的直圆柱面的轴线。平面图画成了基顶平面,它是沿基础顶面剖切后向下投射得到的剖面(剖视)图。

图片
2、墩帽图
用较大的比例单独画出墩帽图。正面图和侧面图中的虚线为材料分界线,点画线为柱面的轴线。  

图片
3、墩帽钢筋布置图
墩帽钢筋布置图提供墩帽部分的钢筋布置情况。
墩帽形状和配筋情况不太复杂时也可将墩帽钢筋布置图与墩帽图合画在一起,不必单独绘制。

桥墩图的阅读:
阅读桥墩图的方法和步骤如下:
1.阅读标题栏和附注(说明),了解桥墩的名称、尺寸单位以及有关施工、材料等方面的技术要求。
2.阅读各视图的名称,弄清获得各视图的投射方向以及各视图间的对应关系。
3.找出桥墩各组成部分的投影,弄清它们的形状和大小。
4.综合各部分的形状和大小,以及它们之间的相对位置,可以想象出桥墩的总体形状和大小。


3
桥台图

桥台位于桥梁的两端,是桥梁与路基连接处的支柱。它一方面支撑着上部桥跨,另一方面支档着桥头路基的填土。

桥台主要由基础、台身和台顶三部分组成。

图片
        
从桥台的桥跨一侧顺着线路方向观看桥台,称为桥台的正面,台身上贴近河床的一端叫前墙。前墙上向上扩大的部分叫托盘。从桥台的路基一侧顺着线路方向观看桥台,称为桥台的背面,台身上与路基街接的一端叫后墙。台身使用的材料多为浆砌片石或混凝土。台身以上的部分称为台顶,台顶包括了顶帽和道碴槽。顶帽位于托盘上,上部有排水坡,周边有抹角。前面的排水坡上有两块垫石用于安放支座。

图片
图片
道碴槽位于后墙的上部,形状如下图所示,它是由挡碴墙和端墙围成的一个中间高两边低的凹槽。挡碴墙和端墙的内表面均设有凹进去的防水层槽,如图所示。

图片

道碴槽的底部表面是用混凝土垫成的中间高、两边低的排水坡,坡面上铺设有防水层,防水层四周嵌入挡碴墙和端墙上的防水层槽内。在挡碴墙的下部设有泄水管,用以排除道碴槽内的积水。道碴槽和顶帽使用的材料均为钢筋混凝土。

桥台常依据台身的水平断面形状来取名,除T形桥台外,常见的还有U形桥台、十字形桥台、矩形桥台等。

图片
桥台的表达:
表示一个桥台总是先画出它的总图,用以表示桥台的整体形状、大小以及桥台与线路的相对位置关系。 
除桥台总图外,还要用较大的比例画出台顶构造图。另外还要表明顶帽和道碴槽内钢筋的布置情况,需要画出顶帽和道碴槽的钢筋布置图。

1、桥台总图(T形桥台为例)
它上面画出了桥台的侧面、半平面及半基顶剖面、半正面及半背面等几个视图。

图片
埋置式桥台是将台身埋在锥形护坡中,只露出台帽在外以安置支座及上部构造。这样,桥台所受的土压力大为减小,桥台的体积也相应减小。

道床(bed)铺设于路基、桥梁或隧道等下部结构之上,轨枕下面。路基面上铺设的石碴(道碴)垫层。主要作用是支撑轨枕。

轨枕具备一定的柔韧性和弹性,它可以适当变形以缓冲压力,但车辆过后还得尽可能恢复原状。

在画正面图的位置画的是桥台的侧面,表示垂直于线路方向观察桥台。将桥台本身全部画成是可见的,路基、锥体护坡及河床地面均未完整示出,只画出了轨底线、部分路肩线(图中长度为75cm的水平线)、锥体护坡的轮廓线(图中1:1及1:1.25的斜线)及台前台后的部分地面线,这些线及有关尺寸反映了桥台与线路的关系及桥台的埋深。前墙上距托盘底部40cm处的水平虚线是材料分界线。图上还注出了基础、台身及台顶在侧面上能反映出来的尺寸,有许多尺寸是重复标注的。大量出现重复尺寸是土建工程图的一个特点。

在画平面图的位置画出的是半平面及半基顶平面,这是由两个半视图合成的视图:对称轴线上方一半画的是桥台本身的平面图;对称轴线下方一半画的是沿着基顶剖切得到的水平剖面(剖视)图。半平面及半基顶平面反映了台顶、台身、基础的平面形状及大小,按照习惯,合成视图上对称部位的尺寸常注写成全长一半的形式,例如写成320/2的样子。

在画侧面图的位置画的是桥台的半正面及半背面合成的视图,用以表示桥台正面和背面的形状和大小。图中的双点画线画出的是轨枕和道床,虚线是材料分界线。图上重复标注了有关尺寸,只示出了一半的对称部位亦注写成全长一半的形式。

2、台顶构造图
图示T形桥台的台顶构造图,它主要用来表示顶帽和道碴槽的形状、构造和大小。台顶构造图由几个基本视图和若干详图组成。

图片
1-1剖面图的剖切位置和投射方向在半正面半2-2剖面图中示出,它是沿桥台对称面剖切得到的全剖视。1-1剖面图用来表示道碴槽的构造及台顶各部分所使用的材料。图中的虚线是材料分界线。受图的比例的限制,道碴槽上局部未能表示清楚的地方,如圆圈A处,则另用较大的比例画出它的详图作为补充。

平面图上只画出了一半,称为半平面,它是台顶部分的外形视图,表明了道碴槽、顶帽的平面形状和大小。道碴槽上未能表示清楚的C部位,亦通过C详图作进一步的表达。半正面和半2-2剖面是台顶从正面观察和从2-2处剖切后观察得到的合成视图,图中未能表示清楚的B部位,另用B详图表示。

桥台图的阅读
阅读桥台图时应同时阅读桥台总图和台顶构造图,并按从整体到局部的顺序进行。首先要了解桥台的类型,它在线路中的位置及与路基、地面、轨道的关系;进而弄情各主体部分的形状、材料、尺寸等;再进一步看懂台顶各部分的形状、构造和细部尺寸。若要知道顶帽和道碴槽的钢筋布置情况,还要再阅读这些部分的钢筋布置图。


4
涵洞图

图片
图片
图片
图片
图片
图片
图片
图片
图片
图片
图片
涵洞的表达:
涵洞总图
出入口防护布置图
圆涵管节图
盖板钢筋布置图

图片
中心纵剖面
涵洞与路基及附属建筑物的关系
涵洞的总节数(断开画法)、每节长度、沉降缝宽度等。
涵洞在高度方向各组成部分的情况。如:基础、拱圈、粘土防护层的厚度;内外起拱线、流水净空的高度;八字墙的组成等。
涵洞的流水坡度、基础顶面标高、路基边坡、锥体护坡、沟床铺砌。

图片
半平面及半基顶剖面图
半平面:出入口八字墙的平面形状和尺寸、端墙的平面形状和尺寸
半基顶剖面图:涵洞的孔径,边墙和八字墙底面的位置及宽度,基础的平面形状和尺寸等。

图片
图片
图片
涵洞图的阅读
步骤:
1、阅读标题栏和说明,了解涵洞的类型、孔径、比例、尺寸单位、材料等。
2、看清所采用的视图及其相互关系。
3、按照涵洞的各组成部分,看懂它们的结构形式,明确其尺寸大小。
   (1)洞身
   (2)出口和入口
   (3)锥体护坡和沟床铺砌
4、通过上述分析,想象出涵洞的整体形状和各部分尺  寸大小。

内容:
涵洞的类型、孔径
涵洞的总长度、节数、每节长度、沉降缝宽度
路堤与涵洞的关系、回填纯净粘土层厚度
洞身节的形状和尺寸--基础、边墙、拱圈
端墙的形状和尺寸—端墙、帽石
出入口的形状和尺寸—基础、翼墙、雉墙、帽石
锥体护坡和沟床铺砌

图片
图片
图片
图片
图片
图片
图片
图片
图片
图片
图片
图片
图片
图片
5
工程量计算示例

图片
图片


全部回复(0 )

只看楼主 我来说两句抢沙发

桥梁工程

返回版块

19.44 万条内容 · 655 人订阅

猜你喜欢

阅读下一篇

影响桥梁施工企业的外部安全风险及防控

桥梁施工具有野外作业、点多线长、环境复杂、流动性强等特点,易发生安全事故。近些年来,各桥梁施工企业从安全基础建设、过程控制、安全文化等方面做了大量工作,安全基础工作得到加强,职工安全意识得到提升,事故频发势头得到遏制。但随着形势的发展和条件的变化,出现了大量外部安全风险因素,且这些外部因素对安全生产的影响日益凸显。 因此,我们必须树立“变化就是风险”的理念,加强对外部风险因素的分析研判,制订防范措施,有效控制风险,确保桥梁施工作业安全。

回帖成功

经验值 +10