土木在线论坛 \ 建筑设计 \ 建筑构造 \ 隔墙构造知识点

隔墙构造知识点

发布于:2023-03-08 14:46:08 来自:建筑设计/建筑构造 [复制转发]
图片


图片


图片


图片


图片


图片


图片


图片


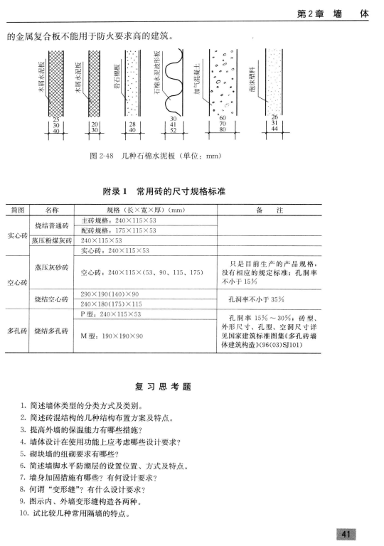
知识点:隔墙构造

建筑构造-隔墙构造

  • llqwo
    llqwo 沙发

    非常好的文章

    2023-03-08 16:39:08

    回复 举报
    赞同0
这个家伙什么也没有留下。。。

建筑构造

返回版块

7.65 万条内容 · 194 人订阅

猜你喜欢

阅读下一篇

超高层结构核心筒设计

以上数据说明了200~300米左右写字楼从其使用率和经济性上依然是市场的主流。以下对这种超高层做出结构方案比选,如下表: 200~300m 300米以上核心筒数据统计                                                                     

回帖成功

经验值 +10