本手册适用于水冷螺杆式冷水机组,包括机组安装、使用、操作和维护。有关于产品尺寸,控制柜操作界面等,请查阅各品牌厂商相关产品技术手册。
危险提示:
机组调试、使用中应避免制冷剂泄漏。空气中人体可接受的制冷剂蒸汽浓度 (AEL) 为 1000ppm,操作人员在该浓度之下工作对身体无不良影响。但如果发生大量溢漏或泄漏,制冷剂蒸汽会集中在靠近地面的低处,引起人体缺氧不适应。在制冷剂蒸汽被排除前,不要进入污染区域,以免对人体产生不良影响。
不允许用氧气和压缩空气来清洁管道或加压机组。
不允许在带电的机组上进行维修操作。
不允许关闭任何安全装置的阀门。
不允许使用超过规定的测试压力,通过查设备铭牌上的设计压力来确认许可的测试压力。
机组在有制冷剂的情况下,严禁在蒸发器、冷凝器壳体上火焰切割或施焊。
警告:
向机组充注制冷剂或从机组中抽出制冷剂,最好选用专门的制冷剂抽灌装置。从机组中抽出的制冷剂应注入符合机组设计压力的且按压力容器有关标准设计制造的贮液罐中。不允许将制冷剂直接排入大气或下水道中。
不要让液态制冷剂接触皮肤和眼睛,以避免皮肤和眼睛冻伤。
制冷剂和明火接触会产生有毒气体。
对机组加制冷剂前请认证核对制冷剂种类,加错制冷剂会导致机组故障或损坏。
每年至少检查一次安全阀等安全装置。如果机组所在的环境有腐蚀性,需增加检查的次数。一旦发现安全阀有腐蚀,不要试图修复,请立即更换。
注意:
不要使用叉车直接移动机组。
不要踩踏机组管路,这样做会导致管路变形或制冷剂泄露。
维修时应使用和原型号相同的零(组)件。
定期检查各阀门、接头和管路是否有腐蚀、锈蚀、泄露或损坏。
在机组管路中的水未完全排干前,不要松开水室螺栓。
机组应按GB/T18430.1《蒸气压缩循环冷水(热泵)机组工商业用和类似用途的冷水(热泵)机组》和JB/T4750《制冷装置用压力容器》设计、制造和验收。
满液式蒸发器机组整制冷剂分布更均匀,温度场得到优化,蒸发温度大幅度提高;机组的换热效率进一步提升;通过与高性能高可靠性的专用螺杆压缩机搭配,大大提升了机组的制冷量和能效比。
使用场所及范围:
水冷螺杆式冷水机组可用于提供空调系统冷水,与风柜及组合式空调等末端空气处理机组组成各种大型集中式空调系统,广泛应用于宾馆、酒店、医院、商场、办公楼、娱乐场所等处的空气调节。也可用于工业生产中工艺流程的降温。
机组使用范围:
项目 |
最大值 |
最小值 |
|
蒸发器 |
进水温度℃ |
24 |
7 |
出水温度℃ |
15 |
5 |
|
进出水温差℃ |
8 |
2.5 |
|
冷凝器 |
进水温度℃ |
35 |
18 |
出水温度℃ |
45 |
23 |
|
进出水温差℃ |
8 |
3.5 |
|
环境温度℃ |
45 |
6 |
|
机组结构:
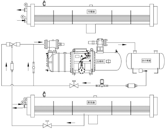
螺杆式水冷冷水机组,主要由半封闭双螺杆压缩机、壳管式冷凝器及满液式蒸发器、油分离器、节流机构、电气控制系统等组合而成。
(1)蒸发器:在机组运行过程中,蒸发器一直维持较低的温度和压力,以便蒸发的制冷剂气体带走流过其内部冷冻水的热量。
(2)冷凝器:在机组运行过程中,冷凝器一直维持较高的温度和压力,以便流过冷凝器的冷却水带走制冷剂中的热量。
(3)螺杆压缩机:不断将蒸发器中蒸发的制冷剂气体送至冷凝器中,维持系统的高低压差。
(4)油分离器:将随制冷剂气体排出的冷冻油分离出来直接送回压缩机,保证压缩机安全可靠运行。
(5)电控系统:采用PLC或单片机控制系统,可自动调节机组输出制冷量达到用户实际需求;可控制使用侧、热源测水泵及冷却塔风机;显示以下参数:冷冻水进出水温度、冷却水进出水温度、蒸发、冷凝压力等系统参数;可进行当前故障及历史故障记录查询。


标记 |
名称 |
标记 |
名称 |
① |
电控箱 |
⑤ |
冷却水进水 |
② |
螺杆压缩机 |
⑥ |
冷却水出水 |
③ |
蒸发器 |
⑦ |
冷冻水进水 |
④ |
冷凝器 |
⑧ |
冷冻水出水 |
注:以上为示意图,请以实物为准。 |
|||
制冷系统介绍:
水冷螺杆式冷水机组为蒸气压缩式制冷机组的一种。其制冷原理均是通过压缩机对制冷剂蒸气施加能量,使其压力、温度提高,然后通过冷凝、节流过程,使之变为低压,低温制冷剂液体在蒸发器内蒸发为蒸汽,同时从周围环境(载冷剂,如冷水中)获取热量使载冷剂温度降低,从而达到人工制冷的目的。由此可见,
蒸汽压缩式制冷循环包括压缩、冷凝、节流、蒸发等四个必不可少的过程。其原理分述如下:

机组制冷循环系统示意图
压缩过程:蒸发器中的制冷剂蒸汽被螺杆压缩机吸入后,电机通过压缩机转子对其施加能量,使制冷剂蒸汽的压力提高并进入冷凝器;与此同时,制冷剂蒸汽的温度在压缩终了时也相应提高。
冷凝过程:由压缩机来的高压、高温制冷剂蒸汽,在冷凝器中通过管内的冷却水放出热量,温度有所下降,同时在饱和压力(冷凝温度所对应的冷凝压力)下,冷凝成为液体。这时,冷却水因从制冷剂蒸汽中摄取了热量,其温度要有所升高。冷却水的温度与冷凝温度(冷凝压力)直接有关。
节流过程:由冷凝器底部来的高温、高压制冷剂液体,流经节流装置时,发生减压膨胀,压力、温度都降低,变为低压、低温液体进入蒸发器中。
蒸发过程:低压、低温制冷剂液体在蒸发器内从载冷剂(如冷水)中摄取热量后蒸发为气体,同时使载冷剂的温度降低,从而实现人工制冷,蒸发器内的制冷剂蒸汽又被压缩机吸入进行压缩,重复上述压缩、冷凝、节流、蒸发过程。如此周而复始,达到连续制冷的目的。
制冷量正比于压缩机的吸入流量。螺杆压缩机在其内部装配了滑阀机构,用它来控制压缩机的吸入流量,亦可控制制冷剂的蒸发量,从而实现制冷量可以在一定范围内无级调节。
油路循环系统:
在压缩机内部,冷冻油依靠系统的高低压差,再通过内设油路,分别对轴承和转子提供润滑和冷却。
压缩机连续排气过程中,冷冻油会随着制冷剂气体一起排出压缩机,如果排出的冷冻油无法重新回到压缩机,将可能导致压缩机失油,严重时会损坏压缩机。回油系统,保证随制冷剂气体排出的冷冻油顺利回到压缩机,确保机组安全可靠运行。

油路循环系统示意图
回油系统主要分为两个部分:
油分回油:在压缩机排气和冷凝器之间安装了高效油分离器,随着制冷剂气体排出的冷冻油,绝大部分会被油分离器拦截并通过吸气口直接送回压缩机。
高压引射回油:小部分冷冻油进入冷凝器后,最终会在蒸发器中聚集,依靠高压液体作为动力,可以将聚集在蒸发器中的冷冻油直接带回压缩机。
控制系统介绍:
控制系统采用微电脑控制,控制柜面板上装有电源、运行、故障指示灯,可方便直观地了解当前机组的工作状况。此外,控制柜面板上装有急停开关,当机组发生紧急故障需马上停机时,可按下急停开关,确保机组安全。
警告:在机组运行时切勿操作该急停开关,否则会对机组造成损害!
由于压缩机是机组的重要部件,因此针对压缩机的保护有:
① 电源缺相、逆相保护;南社
② 热过载保护;
③ 电流过流保护;
④ 压缩机排气温度保护;
⑤ 压缩机内部过载保护;
⑥ 高低压差保护。
通过以上各种保护功能,确保压缩机的正常使用。
电控柜的门上还装有一个操作显示器,其中间位置有一液晶显示屏。显示屏可详尽显示出机组及主要部件的运行信息和系统参数。不同的按键具有不同的功能,可用于机组的参数设置、启停控制、机组状态显示、温度显示、故障显示等,对机组的操作、设定、检查等均可集中于此。
显示器或触摸屏的主要作用有:
① 显示系统运行信息。
② 显示机组状态信息。
③ 显示机组故障信息。
④ 设定机组运行参数。
⑤ 设定机组自动开关机时间。
机组安装:
1.安装环境:
(1)机组应避免接近火源和易燃物。若与锅炉等发热体并设时,应充分注意热幅射的影响。
(2)选用室温在45℃以下,通风良好的场所。不允许室外或露天安装、存放,不允许安装在有腐蚀性气体的环境中。
(3)应选取灰尘少的场所。
(4)现场应采光良好.以便于维护、检查。
(5)为满足维护、检修和清扫蒸发器、冷凝器换热管的需要。机组任意一端必须有足够的抽管空间,在长度方向应与机组蒸发器、冷凝器长度相当。
(6)为便于机器起吊和检修,应留出机组安装、操作、维修所需空间。
(7)机组周围及整个机房应能实现完全排水。

请注意各品牌厂商所要求的A、B、C、D、H运行空间尺寸要求。
2.现场确认
为提前做好必要的准备,使安装工作安全、正确、迅速地进行,应事先有相关施工人员就下述情况进好确认。
安装现场:确认是否符合要求;
搬入孔:确认其大小、高度、起吊裕量,并将搬入障碍物拆出;
搬入顺序:根据安装现场情况和安装设备确定搬入方法和搬入顺序;
搬入通路:将搬入通路上妨碍搬运的障碍物清除。
3.基础施工
螺杆式制冷压缩机运动部件很少,运行平稳,因此其对基础的动载荷很小。基础具体尺寸见下图。为防止机组基脚部位的腐蚀,要求机组四周排水良好。机器底座钢板对应的基础平面应做得光滑平整。具体要求为:
(1)各基础面之间的最大高低差(水平度)应在3mm以内;
(2)为便于制冷机维修检查.基础高度应大于100mm;
(3)在制冷机组的四周应设置排水沟。
(4)底座钢板与制冷机组本体脚板之间不得有间隙。应用调整垫塞入底座钢板与混凝土基础之间,将底座钢板调至水平(它们之间的高度差应在每米0.5mm以内);
(5)机组的安装基础必须是水泥或钢制结构,应能承受机器的运行重量,且上平面是水平的。机组的安装基础最好能预留排水槽。
(6)参考机组的安装基础示意图,在基础上准确地安放钢板及防振胶垫,待机组与地脚螺栓一起安装就位后再二次灌浆。地脚螺栓的安装一般露出安装平面约100mm。


机组安装示意图
4.搬入施工
(1)到达机组的检查:当机组还在车上时,检查到达机器的外观、附属件有无损伤;如有损坏请通知运输公司,分析机组损坏的原因和责任方。
(2)然后按照机组装箱单查点交货数量;看有无缺件现象(包括备品备件),如有缺件请立即通知厂商。
(3)机组型号、参数和生产日期均在铭牌上体现,请认真核对与合同及有关技术文件是否相符。暖通南社
(4)起吊:
① 机组的吊装位置请按机组上吊装标贴示意位置。在确认基础、减振垫、地脚螺栓安装完毕后,用强度足够的吊索(应足以承受机组起吊过程中的重量和冲击)通过吊车将机组准确地吊放在安装位置的减振垫上。
注意:实际起吊时请严格按照机组外包装上的吊装标贴严格执行,否则可能会引起管路变形或制冷剂泄露。
② 吊运时,应避免损坏机组和所有连接件,请采用机组上吊装标贴示意位置进行吊装。
③ 不得用绳索缠绕压缩机、壳管换热器等机组零件;不得用机组中的螺栓孔吊运,不得倾倒机组吊运。

机组吊装示意图
5.安装施工:
首先确认基础是否符合总图上基础尺寸的要求机器的基脚、地基平面应光滑、水平;
(1)将底座钢板放入规定的位置;
(2)将制冷机放到底座钢板上;
(3)底座钢板与制冷机组本体脚板之间不得有间隙,应用调整垫塞入底座钢板与混凝土基础之间。将各底座钢板调至水平(它们之间的高度差应在每米0.5mm 以内);
(4)吊起制冷机,将减振橡胶垫放置在底座钢板上,再将制冷机放到减振橡胶垫上;
(5)安装完后,保证制冷机的水平斜度不超过l/1000,如果超过界限,则微调机组,在机组安装基脚与减振垫之间填塞垫片(垫片由安装者自备),再放下机组检查其水平度直至合格。
6.接管施工:
(1)机组找平后,可连接冷冻水、冷却水管道。配管应有伸缩补偿量并有足够的独立支撑,避免将任何变形或振动传给机组,管道应设立管路支撑且必须确保管道对中,必要时管路支撑也可加装减振垫,以充分发挥机组减振垫的减振作用。
(2)机组的进水口和出水口附近设有标志识别,供管道连接时参考。管路连接严格应按照机组的标识接管,配管型式可参考接管示意图。

接管示意图
(3)按照总图进行冷水、冷却水的接管施工(法兰或卡箍联接),并在进水端设置过滤网。这时应注意不要将接管及其它负荷作用到蒸发器和冷凝器上(可采用管撑等措施)。至于接管是水平或垂直方向由机组引出接至水泵,由用户根据现场条件自行决定。必须在机组的进、出水管上装设压力表,以测定进出口压差,判断水量是否符合额定水量。冷水、冷却水的水量调节阀一定要安装在制冷机组的出水管上。以免造成水流紊乱,冲刷、腐蚀进口处的传热管。
(4)当水质较差时,在壳管换热器中会产生较多的水垢和沙子等沉积物,使水流量变小,严重影响换热效率,甚至引起蒸发器出现冻结事故。同时冷冻水和冷却水水质不良不仅会在传热管内结垢,影响热交换效率,降低机组性能,而且会腐蚀高效换热管从而使得机组极易发生泄露等重大故障。因此,机组用水在流入水系统前要经过过滤,并用软化水设备进行软化。如果水质较差,工程应按照GB/T50050-2017《工业循环冷却水处理设计规范》的要求进行水质处理。冷冻水系统为闭式系统时应采用软水。在机组运转期间应定期对冷却水进行抽样分析,水质应符合下表等的要求。如果达不到要求,应进行水质处理。目前水质处理的常用装置是除沙装置和硬水软化装置。此外还有可能经过水处理后,水质仍达不到规定要求时,此时应考虑在热源侧水与螺杆式水冷机组之间加设中间换热器。在实际的运行中,即使采用了以上措施,在壳管换热器中仍可能会产生水垢和沙子等沉积物,使水流量变小,严重影响换热效率,甚至引起蒸发器出现冻结事故。因此机组需要定期的检查和维护。
注意:水过滤器过滤网必须使用不锈钢材质,避免滤网被腐蚀后进入系统造成铜管划伤。

以上内容根据GB/T50050-2017《工业循环冷却水处理设计规范》摘录。
7.电气接线施工
(1)在任何电气安装工作之前应确保切断总电源,在适当的位置安装总电源开关柜。
(2)通过电线连接孔把主电源线、接地线接到机组电控柜内,并将接线接到相应的接线座和地线座上,必须保证L1,L2,L3 各相的正确连接。
(3)确认主电源的电压波动是在铭牌标称值的±10%范围之内,且电压的不平衡在±2%以内,如果超过这个范围,请将机组保持关机状态,并立即联系当地电力部门。
相电压不平衡的计算公式为:电压不平衡率%=与平均电压的最大偏差/平均电压×100%。
(4)在连接主电源电缆之前,请检查各电源线相序。
(5)连接控制电路:
1)将冷冻水泵、冷却水泵、冷却塔风机的交流接触器控制线、水流开关与机组电控系统正确连接。
2)主电源应在开机前8小时接通,并在工作季节应一直供电,使压缩机加热带在压缩机未开时能进行加热,使集结在压缩机内的制冷剂液体挥发,避免直接开机对压缩机产生的不良影响。
3)确认机组可靠接地。
(6)电控箱电源进线说明:
机组电控箱电源进线处配备一个可拆卸的方形钣金件,客户安装时,请将此钣金件拆下,根据客户所配电缆接头尺寸对此钣金件开孔,电缆线穿孔固定。

电源进线示意图
机外电源线及断路器选择参考:
电源相线线径 (mm2) |
35 |
50 |
95 |
95 |
120 |
150 |
185 |
电源接地线线径 (mm2) |
16 |
25 |
50 |
50 |
70 |
70 |
95 |
断路器额定容量 (A) |
125 |
160 |
200 |
250 |
320 |
320 |
400 |
电源相线线径 (mm2) |
240 |
300 |
120×2 |
150×2 |
185×2 |
240×2 |
|
电源接地线线径 (mm2) |
120 |
150 |
120 |
150 |
185 |
240 |
|
断路器额定容量 (A) |
400 |
500 |
630 |
630 |
800 |
800 |
说明:
① 上表的断路器及电源线规格是基于机组最大功率(最大电流)选取。
② 上表中的电源线规格基于使用环境为35℃,电缆工作温度为90℃的多芯铜芯电缆(如YJV 铜芯交联聚乙烯绝缘聚氯乙烯护套电力电缆)明敷在线槽中的条件下得出的(GB/T16895.15),如果使用条件不同,请根据国家标准核算调整。
③ 表中的断路器规格基于断路器工作时其旁边环境温度为40℃的条件下得出,如果使用条件不同,请根据断路器规格书核算调整。
8.保冷施工
制冷机组的保冷施工有两种情况:
(1)机组的保冷施工在制造厂内已完成。
(2)由于其它原因,机组的保冷施工须在安装现场进行。在该情况下,机组应经泄漏检查、机械运转和试运转后,再参照保冷施工图进行施工。保冷施工时要注意以下几点:
1)保冷后不能妨碍可动部件(如调节装置、阀门的手柄等)的动作;
2)蒸发器的管子清扫时需打开水室盖,保冷时不要将连接螺栓埋入保冷层内 (水接管法兰部分需经常拆卸处也请注意);
3)请勿将冷水出水管上的温度传感器的感温部份埋入保冷层;
4)为便于气密试验时找漏,请勿将辅助接管和仪表引压管的接头埋入保冷层,或者在该处采用可拆卸的保冷层;
5)请勿将铭牌埋入保冷层。
调试及试运行:
机组在完成安装、水路连接、接线通电等程序后可进入调试阶段。必须由厂商指定人员现场监督并指导开机调试及随后的运行操作。
警告:机组可以对冷冻水泵、冷却水泵、冷却塔风机进行控制,但在进行调试前,水泵的试运行严禁通过主机来控制运行,可以通过临时接线来进行上述设备的试运行。
调试前准备:
1.资料准备
(1)机组安装使用说明书
(2)机组合格证
(3)接线图
(4)饱和温度及压力表
2.工具准备
(1)制冷常用工具
(2)数字型电压/ 欧姆表
(3)钳型电流表
(4)电子检漏仪
(5)兆欧表
调试前检查:
1.机组安装情况检查:
需检查机组的安装位置及环境、基础状况、维修空间等是否符合要求。
2.水系统检查
(1)检查蒸发器冷凝器水流方向是否正确。
(2)冷却水和冷冻水管路是否冲刷干净,冷却塔、水池等与外界相通的部位是否有杂物,水质是否满足要求。
(3)检查冷冻水管路的保温状况。
(4)检查水侧的压力表和温度计的连接是否正确,压力表应与水管成90°垂直安装,温度计的安装应保证其感温探头直接插入水管路中,压力表值、温度计值等的初始状态是否符合调试前的要求。
(5)冷冻/冷却出水侧流量开关是否正确安装,确认流量开关与控制柜已正确接线。
(6)点动冷冻水和冷却水水泵,检查水泵转向。正确的水泵转向应为顺时针方向,否则请重新检测水泵接线。
(7)运行冷冻水和冷却水水泵。观察水压是否稳定。观察水泵进出口压力表,水压稳定时压力表读数及进出口压力差值变化微小。观察水泵运行电流是否在其额定运行电流范围内,如果与额定值相差过大请检查系统是否阻力过大,请排除系统故障直至实际运行电流满足要求。
(8)检查冷却塔/膨胀水箱自动补水装置是否畅通,水系统中的自动排气阀是否能自动排气。如果是手动排气阀,打开冷冻水管路和冷却水管路的排气阀,排尽管内气体。
(9)检查确保冷却塔风机等其他设备运行正常,无异常噪音。检查风机皮带松紧程度是否适宜,确保风机与电机的连接皮带运转时不打滑,无异常噪音。
3.空调负荷检查
检查末端空气处理系统是否正确连接,检查送风口是否畅通,检查负荷空间的封闭及隔热状态是否满足要求,检查空调负荷的大小是否与机组匹配。
4.接线检查
警告:在没有合适的检测设备和预防措施前,请不要检查电源。否则可能会出现严重伤害。
每台机组均按机组铭牌要求配备专用电源,接线完成后,请检查以下诸项,机组调试前的具体检查项目及记录见调试前检查及记录。
(1)检查连线和空气开关的大小规格是否正确。
(2)检查电路安装是否满足标准或电气规范要求。
(3)检查线路有无连接错误。
(4)检查互锁功能是否工作正常。
(5)检查接触器上的接点是否能准确地工作。
(6)检查机组电源的供电及绝缘情况。
(7)检查控制及保护元件初始值的设定是否满足要求。
调试试运行:
调试前检查完毕后,机组可进入调试运行阶段。
(1)在开机前必须先给机组供电(机组不能启动),以使压缩机加热带工作,加热时间不低于8 小时。
(2)仔细调节冷冻/冷却水系统上流量调节阀或机组进口截止阀,使系统水流量达到使用要求。
(3)通过操作显示器,检查机组故障记录,如存在故障需检查后消除,在确认机组无故障。
(4)且验证控制器参数设定无误后,方可按下开机键启动机组。
(5)机组启动后,检查压缩机转向,如反转,请调整电源接线的其中两相线;检查压缩机润滑油,要求油镜中的油位应保持在可视位置。
(6)试运行30分钟,根据用户负载及水系统实际情况设定进水温度,保证机组运行过程正常。停机后,间隔10分钟再投入运行,以防机组频繁启动,最后仔细检查操作显示器的参数设定情况,结束调试试运行。
注意:
在水系统冲刷时,不得开启机组。
水系统未充分排空前,不得开启机组。
水管上必须安装水流开关,水流开关必须与机组连锁,否则在机组运行中出现断水而引起的故障由用户负责。
附1:调试前检查及记录表
调试前检查及记录表

维护与保养:
为确保机组长期可靠地运行,机组调试应由专业人员或用户中具有一定空调知识人员在专业人员指导下进行,日常的操作、维护也必须由经过专业培训的空调人员来进行。
水冷螺杆式冷水机组一般使用时间为3000h/年左右(根据我国气候地理条件)。为了确保机组长期安全可靠地正常运转,以及长期使用的运转寿命能够延长,减少运行费用,对机组经常性的科学维护和保养工作,是非常重要。
机组运行和检修过程中的日常维护、保养,称为预防性保养和维护。客户有责任根据机组运行的实际情况,有针对性的制定机组的年、月定期维护、保养的计划规程,并进行机组的日常维护和定期维护。
1.日常开、停机
日常的机组开、关机有手动和自动两种模式,机组自动开关机设定参见各厂商“控制器操作说明书”中自动开关机部分。控制器上的开/关键用于手动开、关机,电控箱门上的急停开关用在机组维修、调试或紧急情况下的关机,平时一般不使用。
2.主要部件维护
(1)在运行过程中应密切注意系统的排气、吸气压力,如发现异常及时找出原因,排除故障。
(2)不要任意调节控制和保护元件设定点。
(3)定期检查电气接线有无松动现象,如有松动要及时紧固。
(4)定期检查电气元器件的可靠性,应及时更换失效或不可靠的器件。
3.除垢
长期运行后,机组壳管式换热器水侧传热表面会沉积氧化钙或其他矿物质,这些矿物质在传热表面结垢较多时,会影响传热性能而导致电能消耗增加、排气压力升高。可采用甲酸、柠檬酸、醋酸等有机酸清洗。
4.冬季关机
当冬季关机时,应清洗机组内外表面,并吹干;必须打开放水阀,放净壳管换热器内的存水,以防发生冻结事故。
5.春季开机
在较长时间停机后,要启动机组时,应做如下准备工作:
(1)彻底检查和清理机组。
(2)清洁水管路系统。
(3)检查水泵。
(4)拧紧所有线路接头。
(5)按要求对机组压缩机进行预热。
6.零件更换
更换零件应优先选用品牌厂商所供配件,不得随便用类似配件代替。
7.制冷剂泄露和补充
通过检查吸、排气压力来确定制冷剂充注情况,如有泄漏则应补充冷媒。冷媒补充或更换制冷循环系统中的零件都要进行气密性检验。充注制冷剂时应按照如下两种情况区别对待:
(1)制冷剂完全泄漏
如果遇到这种情况,必须用高压氮气(15~20公斤气压)或制冷剂对系统进行检漏,如需要进行补焊,必须将系统内气体排尽后才能进行焊接。充注制冷剂前,整个制冷系统必须是干燥的并抽真空。步骤如下:
1)确保机组所有截止阀都开启,在压缩机吸气管和冷凝器出液管截止阀上的注氟嘴处连接抽真空管。
2)用真空泵对系统管路抽真空。
3)达到要求的真空度后,用制冷剂瓶通过冷凝器出液管截止阀上的注氟嘴向制冷系统充注制冷剂,所需制冷剂充注量在铭牌上已写明。
(2)补充制冷剂
1)在压缩机吸气管上的注氟嘴连接制冷剂充注瓶。
2)使冷冻/冷却水循环,并启动机组。
3)向系统缓慢充入制冷剂,并检查吸、排气压力。
4)注意:在进行检漏和气密性试验时,千万不能向制冷系统充注氧气,乙炔等可燃性、有毒气体,只可使用高压氮气或制冷剂。
警告:
只能灌注和机组铭牌上相同型号的制冷剂气体。
当充注和放出制冷剂气体时,请开启使用侧和热源侧水泵,保持蒸发器和冷凝器中水循环,或保证蒸发器和冷凝器内水已排放干净,防止冻结事故发生。
不要充注过多制冷剂。过量充注制冷剂可能导致机组高压升高冷量下降,同时造成压缩机耗电增多,甚至损坏压缩机。
系统防冻:
如果壳管式换热器的流道发生严重结冰情况,可能造成壳管式换热器破裂和泄漏,而冻裂损坏不属于保修范围,因此对机组防冻要特别予以重视,以下三点请用户特别注意:
(1)在较低环境温度下停机备用时,若机组放在室外温度低于0℃的环境中必须将蒸发器和冷凝器中的水排尽。放水的具体操作步骤见整机上的放水标识。
(2)运行时,如果冷冻水水流开关失效时将可能导致水管出现冻结,因此水流开关必须与机组进行联锁。
(3)维护时,在给机组充注制冷剂或为了维修而放掉制冷剂时,有可能导致蒸发器内水结冰。一定要使蒸发器中的水保持流动或将水彻底放干净。
警告:
水冷螺杆式冷水机组使用介质为水,在冬季气温有低于零度的地区使用时必须做好如下方面的工作:
机组必须在水系统中添加防冻液(乙二醇),请按要求添加比例。
停机后不可切断电源,否则自动防冻运行保护将失去作用。
乙二醇溶液浓度—凝固温度对照表
浓度% |
凝固温度℃ |
浓度 % |
凝固温度℃ |
浓度% |
凝固温度℃ |
4.6 |
-2 |
19.8 |
-10 |
35 |
-21 |
8.4 |
-4 |
23.6 |
-13 |
38.8 |
-26 |
12.2 |
-5 |
27.4 |
-15 |
42.6 |
-29 |
16 |
-7 |
31.2 |
-17 |
46.4 |
-33 |
表中乙二醇浓度为质量浓度。
其他注意事项:
按手册的要求对机组进行定期维护,以保证机组运行状况良好。
若发生火灾,应立即关掉总电源开关,用灭火器扑灭。
机组工作环境要远离汽油、酒精等易燃物品,以防发生爆炸事故。
如果机组出现故障停机,应找出故障原因并排除后再重新开机,不可在故障没有排除的情况下强行开机。如出现制冷剂泄漏或冷冻水泄漏,要关掉所有开关,如机组无法通过控制器开关停机,要通过电控箱上的急停开关关机,并关掉总电源开关。
不要把需要保护装置的线路短接,否则可能引起故障。
机组设有多种自动保护装置,各项保护的设定值在出厂前已设定好,用户不要随意改动。
若非紧急情况下,不要通过切断主电源来关闭机组。
要经常检查机组的运行情况,包括冷却水、冷冻水的水质、水温、水压,水过滤器、水泵、冷却塔等运行是否正常,发现异常要及时处理。
要保持机房环境干燥、清洁及通风良好。
机组在调试、运行期间,严禁对任何截止阀进行启、闭操作。
为了延长机组寿命,提高效率和节约能源,定期对机组进行检查、维护、保养是必要的。用户需将每月度、每季度、每年度的检查、维护、保养情况记录好,更要将机组的损坏维修情况作详细记录,便于机组维修人员处理机组故障。机组系统的维护保养周期见“表:机组系统维护保养周期表”。
机组系统维护保养周期表
检查压缩机润滑油油位 |
每周 |
检查循环水系统水流量 |
每月 |
检查电压和电源 |
每月 |
检查冷媒量(视镜指示) |
每月 |
检查电线接驳松紧和电气绝缘 |
每季度 |
检查和调整温度设定 |
每季度 |
检查干燥过滤器 |
每季度 |
更换压缩机油过滤器 |
40000小时 |
更换压缩机轴承 |
40000小时 |
故障分析及排除方法:
故障 |
可能原因 |
检测及排除方法 |
排气压力过高 |
系统中有空气或有其它不凝气体 |
从注氟嘴排除气体,必要时重新抽真空。 |
冷却塔风机故障 |
检修冷却塔风机,恢复运转。 |
|
吸气压力过高 |
见“吸气压力过高” |
|
环境温度过高 |
||
冷却水水流量过小 |
检查冷却水系统,调大水流量。 |
|
压缩机油位过低 |
检查视油镜液位并加注冷冻油 |
|
排气压力过低 |
吸气压力过低 |
见“吸气压力过低” |
制冷剂泄漏或充注不够 |
检漏并充氟 |
|
冷却水水温过低 |
检查冷却塔容量是否太大或环境温度是否太低。 |
|
吸气压力过高 |
排气压力过高 |
见“排气压力过高” |
制冷剂充注过量 |
放掉部分制冷剂 |
|
液态制冷剂从蒸发器流入压缩机 |
||
冷冻水进水温度高于允许最高值 |
检查和调整膨胀阀,确保膨胀阀感温包与吸气管紧密接触并与外界完全隔热。 |
|
吸气压力过低 |
干燥过滤器堵塞 |
更换干燥过滤器滤芯 |
膨胀阀未调节好或出故障 |
调节到合适的过热温度,或检查膨胀阀感温包是否有泄漏。 |
|
系统制冷剂不足 |
检漏并充氟 |
|
冷冻水进水温度明显低于规定温度值 |
||
冷冻水流量不够 |
检查蒸发器进出水管路压力是否太低,调节冷冻水流量。 |
|
压缩机因高压保 护停机 |
冷却水水温过高 |
|
冷却塔风机故障 |
检修冷却塔风机 |
|
高压停机设定值不正确 |
检查高压开关 |
|
压缩机因电机过 载停机 |
电压过高或过低 |
检查电压不得超出或低于额定电压 ±10%。 |
排气压力过高 |
见“排气压力过高” |
|
冷却水温度过高 |
检查冷却塔是否容量太小 |
|
过载元件故障 |
检查压缩机电流,和压缩机上规定的满负 荷电流进行比较。 |
|
电机或接线端子短路 |
检查电机和端子对应电阻 |
|
压缩机因内置温 度保护开关动作 停机 |
电压过高或过低 |
检查电压,不得超出上述规定范围。 |
排气压力过高 |
见“排气压力过高” |
|
冷冻水进水温度过高 |
||
压缩机内置温度保护开关故障 |
更换元件 |
|
系统制冷剂不足 |
检查是否漏氟 |
|
压缩机因低压保护停机 |
干燥过滤器堵塞 |
更换干燥过滤器滤芯 |
膨胀阀故障 |
调整或更换膨胀阀 |
|
低压停机设定值不正确 |
检查低压开关 |
|
制冷剂不足 |
充注制冷剂 |
|
压缩机噪音大 |
压缩机冷冻油不足 |
检查视油镜液位并加注冷冻油 |
压缩机不能启动 |
过流继电器跳开,保险烧坏。 |
更换损坏元件 |
控制电路没有接通 |
检查控制系统接线 |
|
无电流 |
检查供电 |
|
高压保护或低压保护 |
见前面吸、排气压力故障部分。 |
|
接触器线圈烧坏 |
更换损坏元件 |
|
电源相序连接错误 |
重新连接,调整其中两条接线。 |
|
水系统故障,水流开关断路。 |
检查水系统 |
|
操作显式器有报警信号 |
查看报警类别,采取相应措施。 |
|
开停机时间设定有误 |
检查并重新设定 |
|
温度传感器检测温度超过设定值 |
检查并重新设定 |
本文来源于网络,如有侵权,请联系删除
知识点:水冷螺杆式冷水机组安装使用手册
相关推荐:
0人已收藏
0人已打赏
免费1人已点赞
分享
暖通资料库
返回版块25.49 万条内容 · 710 人订阅
阅读下一篇
商用空调电源通讯线安装标准说明商用空调机的电源线连接方法为Y(星)型连接,电气接线作业(安装、现场配线、维修、调整或意外损坏等)必须由专业人员(如:获得电工资格的、经过专业培训的空调机制造厂或其安装维修点指定专业制冷工、电工或类似的专职人员)参照国家标准、当地法规、行业规则、电气设备安全规章、随机附带安装说明书等进行;不能自行安装,安装不当可能导致漏水、触电或火灾; (1) 电线的规格选择 电线的最小规格应有以下各项条件决定:
回帖成功
经验值 +10
全部回复(0 )
只看楼主 我来说两句抢沙发