防空地下室战时起着保护室内人员和战备物质免遭敌人武器破坏的作用。对于防空地下室构成威胁的武器有核武器、生物武器、化学武器和精确制导武器。按照《人民防空法》和国家的有关规定,结合新建民用建筑应修建一定数量的防空地下室。
因此从战略的考虑,尤其是大城市越来越多的建筑将人防设计提到日程上来,在防空地下室的采暖、通风与空调设计,必须确保战时防护要求,当平时使用要求与战时防护要求不一致时,应采取平战功能转换措施,在通风方面,平时宜结合防火分区设置,战时应按防护单元分别独立设置。本文结合实际工程介绍谈谈防护通风设计的方法及注意事项。
设计原则:
防空地下室的防护通风设计中必须根据相应的武器效应, 采取以“挡”为主、“挡、滤、排、相”结合的综合技术措施来保障工程内部的安全。挡-除灾出入口设置防护门、密闭门外, 在通风系统上设置活门、密闭阀门和密闭穿墙管等措施将核、生、化污染物及冲击波“挡”在工程之外;滤-在工程内设置除尘和滤毒设备,将进入工程内的外界污染空气进行一定的洁净处理;排-保证工程内一定的超压并对口部防毒通道和污染区实施排风换气,将染毒空气“稀释”至安全浓度。防护通风设计原则包括下列各项:
(1) 进、排风口的数量不宜过多,以利于战时防护,且应能有效地防止冲击波沿进、排风口进入工程内部。每个防护系统应设置一个进风口,一个排风口,以确保战时每个防护系统有独立的通风系统。
(2) 通风系统必须具有良好的密闭性,防止外界污染空气沿通风管道进入室内。
(3) 用于人员掩蔽的防空地下室,必须设置专用的除尘滤毒装置,将一定量的室外染毒空气处理至安全浓度后送入地下室。
(4) 有一定的隔绝防护能力,在规定的隔绝防护时间内, 保持工程内二氧化碳浓度不超过允许值。
(5) 在滤毒式通风时,保证工程内一定的超压和防毒通道的通风换气次数。
(6) 能够随时了解工程内外染毒和超压情况。
防护通风设计:
下面本文结合作者完成的实际项目谈谈防护通风设计的方法及注意事项。
1.项目概况
电子科技大学中山学院科研行政办公楼一期土建工程项目,其中地上9 层,地下二层。拟建建筑面积3072016m2,含地下室建筑面积801816m2,总建筑高度3912m。其中:地下一层作车库、冷冻机房、变配电房及发电机房等,地下二层平时作车库,战时做六级二等人员掩蔽所,其人防建筑面积合计为3720m2。战时分两个防护单元,其中第一防护单元防护面积为1550m2,第二防护单元防护面积为1880m2,其它详细情况见表1。
由于两个防护单元相邻,故在每个防护单元各设一个独立出入口,同时在其相邻处的防护密闭门外设一个室外出入口。两个防护单元分设进排风系统及洗消污水集水坑、战时干厕、战时水箱间。两个防护单元由设在其防护密闭隔墙上两侧的防护密闭门门洞相连通,设在人防区与非人防区之间的门战时均封堵。每个防护单元的防毒通道兼简易洗消间、排风竖井、排风扩散室等设施用房,设置在与地面直接相通的战时主要出入口附近,以便于战时人员清洁和满足防毒通道换气次数的要求。进风机房、进风竖井、进风扩散室、滤毒室等设施用房设置在战时非主要出入口附近,以便于进排风竖井间距满足《人民防空地下室设计规范》(以下简称为《人规》)的要求,并且能合理布置送风道,满足送排风的要求。
2.防护通风方式
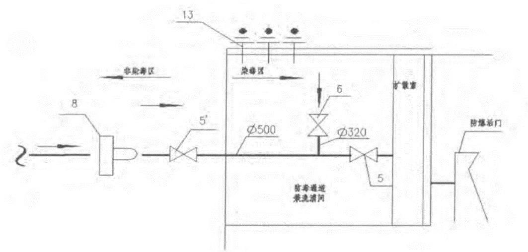
战时通风系统包括清洁通风、滤毒通风、隔绝通风三种通风方式。其正确转换操作:清洁通风-隔绝通风-滤毒通风(或隔绝通风)。人防口部通风原理图见图1 和图2,阀门和风机控制表见表2。


图2 口部排风系统图
图1、图2中:1,2,3,4,5,5’,6-手电两用密闭阀 7- 脚踏电动两用风机 8- 排风机 9- 插板阀10- 过滤吸收器 11- 除尘器 13- 超压排气阀门19- 增压管旋筛阀 26- 风量调节阀 28- 放射性监测取样管29- 尾气监测取样管 30- 滤尘器压差取样管。
3.设备的选择(以第一防护单元为例)
3.1送风系统(见图3)

(1) 清洁通风新风量LQ:LQ= L1×n= 5m3/(P·h)×1000P=5000m3/h [《人规》要求L1≥5m3/(P·h)]
(2) 滤毒通风新风量LR:按掩蔽人员计算:LR = L2×n = 215m3/( P·h) ×1000 P=2500m3/h[《人规》要求L2≥210m3/(P·h)]
防毒通道的有效容积VF:VF = 12.6m2×317m=46162m3
取滤毒通风时防毒通道的换气次数:K= 40 次/h(《人规》要求K≥40 次/h)
密闭清洁区的容积V0:V0 =1550m2×317m=5735m3
地下室超压时的漏风量Lf:Lf=V0×4%m3/h= 5735×4%m3/h=22914m3/h
保持超压所需的新风量LH:LH= Vf×K+Lf=46164×40+22914=2094m3/h
滤毒通风新风量LD 应取LR 和LH二者中的大值,故:LD= 2500m3/h
此时滤毒通风时防毒通道的换气次数:K =(LD-LF)/VF=(2500-22914)/46162=4817次/h;
(3) 校核计算隔绝防护时间T能否满足要求:
T= 1000·V0(C-C0)/n·C1 = 1000×5735×(2.5%-0.45% )/1000×20= 5187>3 (h)
满足隔绝防护通风时间大于或等于3h 的要求。
(4) 粗效过滤器:
粗效过滤器不仅用于清洁通风时滤除空气中较大颗粒的灰尘,而且用于滤毒通风时滤除粗颗粒爆炸残余物、毒物和放射性物质。通常采用的LWP-X(D)型油网除尘器为片式或块式结构,每个除尘器风量必须控制在600~1600m3/h,除尘器可用托架架起,固定于墙上以充分利用建筑空间。设计时应注意在除尘器两端的管道上预留DN15的测压管(测定除尘器运行阻力)接口。计算油网滤尘器的数量:n = LD/LY = 5000/900= 5155个,取6个。
(5) 过滤吸收器:
过滤吸收器主要用以过滤吸收空气中的毒雾、毒烟、毒剂蒸气、放射性灰尘和细菌气溶胶等,是通风系统的关键设备。一般采用SR 型过滤吸收器,有3种规格,额定风量分别为300m3/h,500m3/h,1000m3/h。根据滤毒风量进行选择,可2~ 3 台并联使用,利用支架落地安装。吸收器两端管道上应预留DN15 的测压管( 测定吸收器运行阻力)接口,根据测压管测定的阻力可及时判断吸收器是否失效。
n= LQ/Lg= 2500/1000= 215个,取3 个。
(6) 风机的选择:
风机选型与普通民用建筑的原则及方法基本相同,应根据进风系统的风量、风压损失来确定。
(a) 清洁通风时:
清洁通风时通风系统的阻力200Pa (计算过程略),消波设施的阻力100Pa (查《防空地下室设计手册-暖通、给排水、电气分册》悬板活门参数表),油网过滤器的阻力53.5Pa (查《防空地下室设计手册-暖通、给排水、电气分册》LWP-X(D) 型油网过滤器参数表)。故清洁通风时风压:1.15×(200+100+5315) = 40615Pa。
(b) 滤毒通风时:
滤毒通风时通风系统的阻力50Pa (计算过程略),消波设施的阻力50Pa (查《防空地下室设计手册-暖通、给排水、电气分册》悬板活门参数表),油网过滤器的阻力20Pa (查《防空地下室设计手册-暖通、给排水、电气分册》LWP- X(D)型油网过滤器参数表),过滤吸收器的阻力700Pa(查《防空地下室设计手册-暖通、给排水、电气分册》SR型过滤吸收器参数表)。故滤毒通风时风压: 1.15×(50+ 50+ 20+700)=943Pa。
因本工程无人防电站,战时电源无保证, 故设计中选两台性能相同的电动脚踏两用风机(性能参数查《防空地下室设计手册-暖通、给排水、电气
分册》DJF-1型电动脚踏两用风机参数表)。电驱动时,风量1278~3273m3/h,风压1430~410Pa;脚踏驱动时,风量1225~ 2987m3/h,风压1208~353Pa。无论采用电动还是脚踏驱动,该风机均能满足清洁进风和滤毒进风的要求。
隔绝通风时,关闭系统所有手动密闭阀,打开风机吸入口前的插板阀即可。
3.2 排风系统(见图4)

(1) 清洁通风排风量LQP:LQP = LQ×90%=5000m3/h×90%= 4500m3/h;
(2) 滤毒通风排风量LDP:LDP = LD-Lf=2500m3/h-22914m3/h=227016m3/h。
(3) 确定超压设计值、计算超压排风量:《人规》规定二等人员掩蔽所滤毒通风时内部超压应大于等于30Pa,本工程滤毒通风时超压值设计为55Pa。
最小防毒通通道的有效容积VF:VF= 1216m2×317m= 46162m3;
最小防毒通道的通风换气次数应大于40 次/h,按此计算超压排气风量LDP 为:46.62m3×40=186418m3,实际可用于超压排风的风量为:LDP =2270.6m3/h。
(4) 选择超压排气活门:
超压排风系统上的密闭阀门、排风管、消波设施等在超压排风时由于排风量很小,所以其排风阻力很小,可以估算为10Pa,用于超压排气活门上的排风压力则为55Pa-10Pa= 45Pa。在超压45Pa时Ps-D250型防爆超压排气活门的排气量为770m3/h,因此选择3个,即满足使用要求。
以上式中其它参数:
C-防空地下室室内二氧化碳的容许度(%);
C0-隔绝防护前防空地下室室内二氧化碳的初始浓度(%),其值与隔绝防护前的风量有关;
C1-室内人员每人每小时呼出的二氧化碳量[L/( P·h)],掩蔽人员宜取20,工作人员宜取20~ 25;
n-隔绝防护时清洁区内实际的掩蔽人员人数,P;
K-滤毒通风时防空地下室主要出入口处最小防毒通道的设计换气次数,次/h;
L1-清洁通风时掩蔽人员新风量设计计算值,m3/(P·h);
L2-滤毒通风时掩蔽人员新风量设计计算值,m3/(P·h);
LD-滤毒通风时的新风量,m3/h;
Lg-单个过滤吸收器的额定风量,m3/ (h·个);
Ly-单个油网过滤器的额定风量,m3/( h·个);
Lf-滤毒通风时防空地下室内保持超压时的漏风量,m3/h;设计计算时,可取清洁区有效容积的4%。
3.4 设计中应注意的其他问题
(1) 风管选材
人防通风管道管材包括2~ 3mm 厚钢板和普通的镀锌铁皮。其中进风防爆活门扩散室与粗效过滤器、密闭阀门、过滤吸收器到风机的吸入口之间的配管、密闭墙预埋短管及防毒通道内使用的排风管应选用2~ 3mm 厚钢板制作;送风机出风口之后的风管应选用普通的镀锌铁皮制作。
(2) 密闭隔墙预埋短管
当管道穿越防护密闭隔墙时, 必须预埋带有密闭翼环和防护抗力片的密闭穿墙短管。其做法与一般通风系统的预埋管件有着本质的区别。密闭翼环和防护抗力片可采用6mm厚的钢板制作,直径应比风管直径大200mm,采用T42 焊条圆周满焊,焊缝高6mm。
(3) 排风管路布置
排风管路的设计应力求使简易洗消间和防毒通道内部得到充分换气。将通向简易洗消间的自动排气活门设在高处,简易洗消间与防毒通道的连通管设在低处,排气出口设在高处,并相互错开,可使整个空间得到充分换气。平面布置时还要注意防毒通道内进排气口不要靠得太近,应错开布置。
(4) 平时通风与战时通风的转换。
为了更好的发挥防空地下室的战备效益、社会效益和经济效益,防空地下室的通风设计应考虑战时进、排风机、滤毒罐平时安装到位,临战启用,风管平战结合平时装好, 战时调试、启用设备及其相应的零星工作。因此设计时还应综合考虑平时与战时通风的转换要求。
4 结语
综上所述,设计人员在进行人防地下室通风设计时不仅要考虑战时掩蔽人员的清洁、滤毒、隔绝通风, 还要有可靠的平战功能转换措施,因此要认真理解规范,做到合理分区;系统设置简单实用;通风设备容量计量准确、选择合理、平战转换方便;并且应在图纸中给出战时、平时通风原理图及平战转换和战时清洁、滤毒、隔绝三种通风方式转换过程中有关阀门的使用情况, 便于施工、使用单位充分理解设计意图,用户使用时也能心中有数,以保证这些设备发挥应有的效果, 保证地下室人员及设备战时、平时都能处于一个安全、卫生的环境,实现人防地下室应有的功能,发挥其应有的经济和社会效益。
本文来源于网络,如有侵权,请联系删除
知识点:谈人防地下室战时通风设计及其注意事项
相关推荐:
0人已收藏
0人已打赏
免费0人已点赞
分享
通风排烟
返回版块13.92 万条内容 · 628 人订阅
阅读下一篇
一种新型防排烟耐火极限风管的应用摘要:本文阐述了防排烟耐火极限风管作为建筑构件本身应具备的管道属性。解读防排烟风管耐火极限的的本质是承受不同温度下外部火和内部火所具备的完整性与隔热性,并分析了吊顶内排烟风管外表面温度不高于80℃的隔热条文与耐火极限风管本身属性之间的关联与区别。介绍了一种满足耐火极限要求的新型耐火极限风管,并与诸多相关设计与施工规范相对照,此种类型风管是品质优秀的耐火极限风管类型之一。以期本文能为防排烟耐火极限风管的良性发展抛砖引玉。
回帖成功
经验值 +10
全部回复(0 )
只看楼主 我来说两句抢沙发