交流电机软起动:
通过增加附加装置,减小对电机本身和电网的应力冲击,使电动机在从零升速至额定转速的起动过程更加平稳,这个过程叫电机软起动,这种附加装置叫电机软起动器(我们这里的电机均指交流电机)。
软起动是相对直接起动而言的。
从某种角度来说,如果忽略直接起动对电机和负载的影响,只要电网容量足够大,任何电机都可以直接起动。
电动机为什么需要软起动?
因为直接起动的忽略和假设往往不成立。
a、电网容量不是无限的。当电动机直接起动时,起动电流为正常工作电流的5~7倍,此电流作用在有限容量电网的阻抗上就会产生压降,电网电压降低到一定程度就会影响电网上其它设备的正常工作;要解决此问题,一个办法是加大电网容量,但电网容量的加大不仅需要增加变压器容量,线路容量致使费用大大提高,在起动结束,电机正常运行时,电网的容量得不到充分的利用,同时加大的变压器的空载损耗也大大增加了,白白的浪费了很多电能。所以,改造项目需要对电机扩容,而原设计电网容量无法改变时。或新项目考虑到增加电网容量的成本,就要采用另一个办法,即加装软起动器。
b、过大的起动电流和起动转矩造成的危害无法忽略
普通异步电动机直接起动电流达到额定电流的5--7倍,起动转矩能达到额定转矩的1.25倍以上。它在电网条件(电机启动时的电网压降小于10%)和工艺条件(启动转矩满足)允许的情况下,可以直接启动。但过大的启动电流给电机和电网造成了极大的危害。
当电机启动电流达到额定电流的6-7倍时,线圈发热量是电机在正常运行时的36-49倍。过高的温度、过快的加热速度、过大的温度梯度和电磁力,产生了极大的破坏力,缩短了定子线圈和转子铜条(特别是转子常利用趋肤效应现象,降低启动电流,转子铜条在启动时,表面的温度达到350℃以上)的使用寿命。
所以,从保护电机的角度也应当使用软起动器。
电机软起动装置的分类:
按照工作频率是否恒定,软起动装置可分为变频软起动和限流(降压)软起动。
按照电机工作的电压等级,软起动装置可分为低压软起动和中(高)压软起动,即6KV与10KV软起动器。
变频软起动:
是最为理想的软起动器,它是所有软起动器中唯一可以在额定电流内成功起动的软起动器。价格贵是制约其推广应用的主要因素。人们购置变频调速装置一般都是着眼于调速,只有在对起动电流有严格要求的场合才有可能应用。
限流(降压)软起动:
通过串入有限流作用的电力器件实现的软起动,叫做降压或限流软起动,是软起动中的一个主要类别。降压或限流软起动又可分为有级和无级两类,前者的调节是分档的;后者的调节是连续的。传统的软起动均是有级的,如星角变换软起动,电抗器软起动等等。随着技术的进步,传统方式已基本被淘汰了。
现阶段在国内应用的软起动器基本都可以连续调节,主要有以下四种:
a、以电解液限流的液阻软起动(水电阻)和热变电阻软起动;
b、以开关变压器为限流器件的开关变压器方式的软起动;
c、以磁饱和电抗器(SR)为限流器件的磁控软起动;
d、以晶闸管(SCR)为限流器件的晶闸管软起动。
以上几种软起动器可以起动异步电机,也可起动同步电机,当起动同步电机时,先按异步方式起动,然后加励磁,使电机进入同步状态。
电机降压软起动的特点:
a、起动电流一定大于电机额定工作电流。
降压软起动电流是电机额定电流的2~4倍(电流太小可能克服不了阻转矩)。在引起电网压降方面,软起动虽然比硬起动好,但对电网还是有冲击的。注意:所需要的电流倍数仅仅与电机参数以及负载阻转矩有关,与降压软起动装置类型无关。
b、如果只考虑大幅度降低起动电流,降压方式软起适合空载或轻载的鼠笼电机起动。
由于起动转矩与电流平方成正比,降压软起动在降低电流的同时也付出了起动转矩减小的代价,所以此类软起动比较适合与风机、水泵类平方转矩负载及压缩机负载,对于转动惯量较大的负载如球磨机,要带载成功起动就必须加大起动电流,起动电流不会很小,一般会超过额定电流的4 倍以上。
当然用户也可能从保护负载的角度考虑来选取软起动。比如皮带输送机一般是带载起动的,在整套装置中皮带的成本几乎占整套系统成本的一半以上。在正常工作时皮带是匀速工作的,但每次起动时皮带都经过急剧拉伸的过程,所以大大的影响了皮带的使用寿命,使用软起动产品后,虽然起动电流比平方转矩负载大一些,但起动过程很柔和,大大的延长了皮带的寿命。
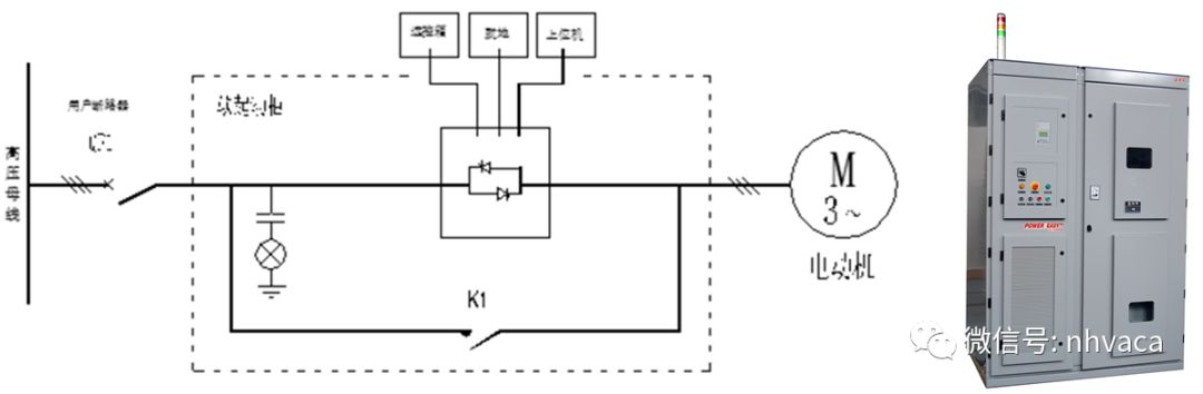
电机软起动系统的组成(可控硅方式):
软起动装置由一面柜组成,内含旁路接触器,如果是改造项目,用户有高压柜且一拖一,可只要起动柜,如一拖多,则配相应的切换柜。

一拖五电气方案:

电机软起动方式:
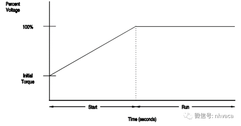
a、恒流方式:以恒定的电流值为基准的电流闭环软起动。这种方式能够从源头上限制硬起动带来的冲击,是中压电机降压软起动常常采用的一种。

b、电压斜坡方式:以斜坡电压值为基准的电压闭环软起动。它能够使冲击更加平缓,起动完成时间更易于掌控,但是,软起动电流的恒定性较差。

c、突跳起动
当使用这种起动方式时,软起动器提供一个附加的起动脉冲转矩用来克服摩擦负载所产生的静摩擦阻力。脉冲时间为用户可设定的0到2秒。

d、全压起动
在全压起动方式下,软起动器相当于固态接触器。电机受到全额的冲击电流和达到堵转转矩。

e、其它方式:例如,转速、转矩和有功功率闭环等等,它们有各自的优点,但是,其物理实现的难度较大,仅在特殊场合下采用。
软停止:
对于泵类负载,有时会对软起动装置提出软停止的要求。要它不仅能够实现电机的软起动,而且能够实现软停止。高速运转的电机断电后的停止叫做自由停车,软停止是比自由停车更慢的停止。软停止的目的是缓和乃至消除“水锤效应,水锤效应”会伤及阀门和管道。
软起动装置在软停止过程中继续向电机输送动力,减缓电机转速和流体流速的急剧下降。软起动装置实现软停止的机理是逐步减小加在定子回路中的电压,使电机的转速逐步下降。

几种降压软起动的原理与比较:
1、水电阻与热变电阻:
水电阻式软起动:水电阻软起动是在电机的定子或转子回路中串入液体电阻的起动方式。当电机起动过程中,装置通过改变极板的距离,相应的改变极板间液体电阻,从而调节了电机的电压。
水电阻起动最大的优点就是:
a、价格便宜。由于没有采用现代功率电子器件,而采用机械调节极板距离的方式,技术含量低,所以售价相对较低。
b、可以用于绕线电机。由于水电阻可串入绕线电机的转子回路,可以重载起动。
但水电阻的缺点也是显而易见的:
a、体积大。由于 无法利用功率电子器件的开关控制特性,只能把电机起动时的电压降在水电阻的溶液中。如果起动一千千瓦的电动机,则起动过程中水电阻消耗的平均功率可达几百千瓦,如此大的功率最终转化为热量,需要很大体积的溶液箱承受此功率,占用了很大的空间。
b、安全性差。由于水电阻靠液体来为电机定子三相降压,绝缘困难,处理不好可能引起起火,高压接地等事故。
c、水电阻还有寿命低、环境适应性差的缺点。由于存在需要机械调节的移动极板,降低了装置的可靠性。同时环境温度对其起动性能有很大影响,比如温度低于溶液的冰点致使溶液结冰,使装置无法使用等。
d、无法频繁起动、不适合一拖多。
初次起动后,如果要再次起动,就需等溶液温度降低,需要等待很长时间,否则溶液有可能因温度过高而大量汽化。同理如果系统设计成一拖多工作方式,如果水电阻功率按单台设计,电机就不可能依次起动,必须等待。如果水电阻功率按多台累加设计,则大大的增加了系统的成本和体积,价格上已无太大优势了。
e、维护成本较高,水电阻式存在水的蒸发问题、污染问题等,如果换水时间掌握不好可能会出现更大的问题。
热变电阻与水电阻都属于液体电阻,不同点是取消了移动极板,靠溶液的温度电阻特性限制电机的电流。液体电阻的一切缺点它都有,只是他没有移动极板,提高了机械方面的可靠性,但溶液电阻的变化是有限的,而且受温度的影响很大,起动的成功率大大降低了,而且此特点使他完全不受控,只能听天由命。
2、开关变压器方式的软起动:

把变压器的原边串入电机定子回路,通过控制可控硅短接变压器副边,来改变原边电流,从而控制电机的起动过程。此种方式软起动是通过变压器的降压原理,避免了可控硅的直接串联中的均压问题,从而回避了技术难点。
但此种方式也有一定的缺点:既虽然通过变压器把可控硅上的电压降低了n 倍,但根据变压器原理,可控硅上承载的电流就要增加n倍,在容量稍大的电机上,就需要并联可控硅,可见此种方式并没有减小可控硅容量(承载电压*电流),而且多了一只开关变压器。
3、磁控软起动
此种方式是通过磁放大原理,在饱和电抗器的控制线圈中加入较小的控制电流,使电抗器的饱和程度有所改变,从而改变串入电抗器的电机的起动电流。此种方式运用了磁放大原理,从而达到以较小的功率控制较大功率的目的。此种方式的优点:电感的体积和成本比变压器有所降低。
缺点:
1、响应慢,由于串入定子回路中的电感具有电流的滞后性,在控制系统发出控制指令到电感达到指令的设置要求大约需要1秒钟以上。
2、功率因数低,由于电机起动时功率因数本来就不高,定子中串入电感更加降低了功率因数,起动电流的利用律不高。
3、噪声大,起动时噪声明显。
4、可控硅串入方式软起动。

这是国外中高压领域广泛应用的起动方式,是国际上的主流起动方式。它是应用了可控硅串联技术,通过光纤传输控制信号,控制可控硅串的同时导通和关断,从而控制电机的起动过程。

可控硅方式软起动有诸多优点:
a、体积小,重量轻。
b、控制迅速,响应快。
c、可频繁起动,
d、可靠性高,起动成功率有保证。鉴于以上优点,可控硅方式软起动是除变频起动外,其它几种软起动中性能最优的起动方式。

至于价格方面,由于此项技术门槛较高,以前此类产品均为进口,给人以高价的印象,随着半导体元件的价格降低和国内有实力的公司介入,价格已达到了人们可以接受的程度,而且从发展的角度看,半导体功率器件的技术越来越成熟,售价不断降低,而制造变压器、电抗器等金属材料的价格却在逐年提高,所以可控硅方式软起动必将取代其它几种方式软起动成为未来软起动的主流。
软起动的性能及常见问题:
1.保护
1.1过载保护:过载等级0%—199%可调,跳闸时间可自动设置,在0—99s内可调。
1.2欠载保护:当电流下降到设定的欠载保护级别时系统自动跳闸,欠载级别在0%—99%内可调,跳闸时间可自动设置,在0—99s内可调。
1.3过压保护:过压等级可调,当系统电压超过设定电压级别时自动跳闸,过压级在0%—199%内可调,跳闸延时可调,跳闸时间可自动设置,在0—99s内可调。
1.4欠压保护:当起动时检测到欠压到达系统设定级别时,系统报警,并自动跳闸,欠压级在0%—99%内可调,跳闸时间可自动设置,在0—99s内可调。
1.5起动次数过频保护:可自行设定连续起动次数,1—99次/小时可调,当超出设定范围时自动报警跳闸,跳闸时间可自动设置,在0—99s内可调。
1.6相序保护:具有反相识别功能,当进线相序错误时,控制器自动报警跳闸,跳闸时间可自动设置,在0—99s内可调。
1.7缺相保护:当发生缺相故障时自动跳闸,跳闸时间可自动设置,在0—10s内可调。
1.8三相不平衡保护:当三相电流之差超过设定的不平衡级别时自动跳闸,不平衡级别在0%—25%内可调,跳闸时间可自动设置,在0—99s内可调。
1.9电机堵转保护:当电机在起动时发生堵转情况时,系统报警并自动跳闸,跳闸时间可自动设置,在0—10s内可调。
1.10电机过热保护:当电机在起动和运行时产生的热量超出系统设定值时自动报警并跳闸。耗热报警级别在0%—99%内可调,跳闸时间可自动设置,在0—99s内可调。
1.11晶闸管故障保护:当晶闸管或触发脉冲出现故障时,系统报警并自动跳闸,跳闸时间可自动设置,在0—10s内可调。
1.12晶闸管过温保护:起动过程中当系统检测到晶闸管温度超出设定温度时,系统报警,并自动跳闸,跳闸时间可自动设置,在0—99s内可调。
2.核心器件
2.1控制器:它是整套软起动的核心,由他对采集的电压、电流等数据进行高速处理,及时发出相应触发与保护指令。他的运算和保护速度对整个系统起关键作用。
2.2阀组:它是整套软起动的关键部件。由于电网电压需要由多只可控硅共同负担,所以同一相中串联的可控硅的一致性非常关键,所以尽可能选取国外原装进口产品如ABB可控硅。
至于其它器件,如互感器、接触器等,由于国内产品性价比较高,建议选用国产。
3.常见问题
3.1系统维护:由于可控硅方式软起动的阀组只是在起动过程中工作的,电机起动完成由旁路接触器完成旁路切换,阀组的散热量很小,基本不需要通风,没有风扇等转动部件和防尘过滤网的清理工作,所以操作人员只管按起动和停止按纽就可以了,系统是免维护的。
3.2系统谐波:由于可控硅方式软起动是靠可控硅斩波降压的起动,起动过程中系统肯定是存在谐波的,只是电机的起动时间很短,谐波影响不十分显著罢了。
3.3传输距离:由于可控硅方式软起动回路中有一定的谐波,建议软起动与电机的距离不要太远,超过200米要在软起动端加滤波器。
本文来源于网络,如有侵权,请联系删除
知识点:高压软起动基础知识
相关推荐:
0人已收藏
0人已打赏
免费2人已点赞
分享
暖通制冷设备选型
返回版块2.64 万条内容 · 428 人订阅
阅读下一篇
管件分类与不同管件放样图管件是管道系统中起连接、控制、变向、分流、密封、支撑等作用的零部件的统称。管件包括的范围很广,常见的有法兰,活接,管箍,卡套,喉箍,三通等等。 按用途分: 法兰:管子与管子之间相互连接的零件,主要用于管端之间的连接。 活接:也称油任,主要用于相匹配的五金配件连接,可以安装在各种管道接口使用。 管箍:工业管道连接中常用的一种配件,用来连接两根管子的一段短管。 卡套:属于不锈钢管道连接件,主要应用在水处理、市政供水系统等机械管道连接系统上。
回帖成功
经验值 +10
全部回复(0 )
只看楼主 我来说两句抢沙发