变频器的控制方式:
控制方式是决定变频器使用性能的关键所在。目前市场上低压通用变频器品牌很多,包括欧、美、日及国产的共约5O多种。选用变频器时不要认为档次越高越好,其实只要按负载的特性,满足使用要求就可,以便做到量才使用、经济实惠。下表中参数供选用时参考。
表4.1控制方式的比较

变频器容量的选择:
1、从电流的角度:
大多数变频器容量可从三个角度表述:额定电流、可用电动机功率和额定容量。其中后两项,变频器生产厂家由本国或本公司生产的标准电动机给出,或随变频器输出电压而降低,都很难确切表达变频器的能力。
选择变频器时,只有变频器的额定电流是一个反映半导体变频装置负载能力的关键量。负载电流不超过变频器额定电流是选择变频器容量的基本原则。需要着重指出的是,确定变频器容量前应仔细了解设备的工艺情况及电动机参数,例如潜水电泵、绕线转子电动机的额定电流要大于普通笼形异步电动机额定电流,冶金工业常用的辊道用电动机不仅额定电流大很多,同时它允许短时处于堵转工作状态,且辊道传动大多是多电动机传动。应保证在无故障状态下负载总电流均不允许超过变频器的额定电流。
2、从效率的角度:
系统效率等于变频器效率与电动机效率的乘积,只有两者都处在较高的效率下工作时,则系统效率才较高。从效率角度出发,在选用变频器功率时,要注意以下几点:
(1)变频器功率值与电动机功率值相当时最合适,以利变频器在高的效率值下运转。
(2)在变频器的功率分级与电动机功率分级不相同时,则变频器的功率要尽可能接近电动机的功率,但应略大于电动机的功率。
(3)当电动机属频繁起动、制动工作或处于重载起动且较频繁工作时,可选取大一级的变频器,以利用变频器长期、安全地运行。
(4)经测试,电动机实际功率确实有富余,可以考虑选用功率小于电动机功率的变频器,但要注意瞬时峰值电流是否会造成过电流保护动作。
(5)当变频器与电动机功率不相同时,则必须相应调整节能程序的设置,以利达到较高的节能效果。
3、从计算功率的角度:
对于连续运转的变频器必须同时满足以下3个计算公式:
(1)满足负载输出: Pcn≥Pm/η (3.1)
(2)满足电动机容量:Pcn≥√3KUeIe cosφ ×10-3 (3.2)
(3)满足电动机电流:Icn≥KIe (3.3)
式中:
Pcn—变频器容量(单位kW);
PM—负载要求的电动机轴输出功率(单位kW);
Ue—电动机额定电压(单位V);
Ie—电动机额定电流(单位A);
Η—电动机效率(通常约为0.85);
Cosφ—电动机功率因数(通常约为0.75);
K—电流波形补偿系数(由于变频器的输出波形并不是完全的正弦波,而含有高次谐波的成分,其电流应有所增加,通常K约为1.05~1.1)。
将本系统参数带入求得所取变频器容量最低为88KW故取100KW,额定电流139.26A,故取150A。
根据计算所得的所需参数可以选取西门子MicroMaster430(风机水泵专业)变频器,具体的可以选择MM430-110K型号的变频器,配接电机的容量是110kw,额定电流为205A满足使用需求,可以选择。
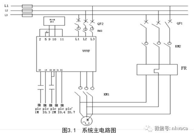
系统主电路外围设备选择:
1、变频器主电路
变频器在实际使用中,还需要和一些外接的配件一起使用。下图所示的是主电路。

断路器QF和接触器KM用于接通变频器的电源,交流电抗器AL和直流电抗器DL用于改善功率因数,输入滤波器ZF1和输出滤波器ZF2用于抗干扰,制动电阻RB和制动单元用于能耗制动。 变频器有比较完善的过流和过载保护功能,且空气断路器也有过流保护功能,故进线侧可不必接熔断器。又由于变频器内部具有电子热保护功能。故在只接一台电动机的情况下可不必接热继电器。
2 变频器主电路器件选择
(1)断路器
当变频器需要检修时,或者因某种原因而长时间不用时,将QF切断,使变频器与电源隔离。当变频器输入侧发生短路等故障时,进行保护。
选择原则
1、变频器在刚接电源的瞬间,对电容器的充电电流可达额定电流的(2-3)倍;
2、变频器的进线电流是脉冲电流,其峰值常可能超过额定电流;
3、变频器允许的过载能力为150%,1min。
为了避免误动作,断路器的额定电流应选:

(4.1)
其中IN为变频器的额定电流。故选择断路器额定电流选择210A;
根据上述数据可以选择断路器DW15-400断路器额定电压为80V,额定电流为300满足要求可以选择。
(2)接触器
1、主要作用:可通过按钮开关方便地控制变频器的通电与断电;变频器发生故障时,可自动切断电源。
2、选择原则:
由于接触器自身并无保护功能,不存在误动作的问题,故选择原则是主触点的额定电流IKN≥IN,应该大于126.6A,可以选择主触点额定电流为130A的接触器。
根据上述数据施奈德的LC1—D150,满足参数要求,可以选择:
(3)主电路的线径
1、电源和变频器之间的导线
一般说来,和同容量普通电动机的电线选择方法相同。考虑到其输入侧的功率因数往往较低,应本着宜大不宜小的原则来决定线径。
2、变频器和电机之间的导线
因为频率下降时,电压也要下降,在电流相等的情况下,线路电压降 在输出电压中的比例将上升,而电动机得到电压的比例则下降。这有可能导致电动机带不动负载并发热。所以,在决定变频器和电动机之间导线的线径时,最关键的因素便是线路电压降的影响。一般要求:
(4.2)
△U的计算公式是:
(4.3)
式中:UN—额定相电压,V ;
IMN—电动机额定电流,A ;
RO—单位长度(每米)导线的电阻,mΩ/m ;
l—导线的长度,m。由上两式可直接求出 的取值范围。根据Ro值确定导线面积。
由公式(4.2)得:△U(7.6~11.4)V
由公式(4.3)得:0.69 mΩ/m≤RO≤1.04 mΩ/m
根据表4.2判断所需的导线截面积,为了满足控制系统的要求,应该选择截面积为16mm2的导线。
表4.2 常用电动机引出线的单位长度电阻值。
标称截面/mm2 |
1.0 |
1.5 |
2.5 |
4.0 |
6.0 |
10.0 |
16.0 |
25.0 |
35.0 |
/(mΩ/m) |
17.8 |
11.9 |
6.92 |
4.40 |
2.92 |
1.73 |
1.10 |
0.69 |
0.49 |
(4)制动电阻
准确计算制动电阻值十分麻烦,在实际工作中基本不用。许多变频器的使用说明书上给了一些计算方法,也有的直接提供了供用户选用的制动电阻的规格。但按说明书上选择电阻时须注意下面问题,变频器生产厂家为了减少制动电阻档次,常常对若干种不同容量的电动机提供相同阻值和容量的制动电阻。选用时,应注意根据生产机械的具体情况进行调整。对同一挡中电动机容量较小者,制动转矩与额定转矩的比值偏大。为了减小能量的消耗,应根据制动过程的缓急程度以及飞轮力矩的大小,考虑能否选择阻值较大的制动电阻。对同一挡中电动机容量较大者,制动转矩与额定转矩的比值偏小。在一些飞轮力矩较大,又要求快速制动的场合,或者如起重机械那样,需要释放位能的场合,上述制动电阻有可能满足不了要求,靠考虑选择阻值较小的一挡制动电阻。
本文来源于网络,如有侵权,请联系删除
知识点:变频器的选型
相关推荐:
0人已收藏
0人已打赏
免费2人已点赞
分享
暖通制冷设备选型
返回版块2.64 万条内容 · 428 人订阅
阅读下一篇
机电设备接管验收工作标准参考列入本标准的机电设备有:供配电系统、电梯、空调系统、通风系统、给水排水系统、消防报警系统、闭路电视监控系统、可视对讲与门禁系统、停车场管理系统、电子巡更系统、周边防范系统和气体灭火装置。上述系统的移交验收标准如下: 1.供配电系统 包括高压开关柜、直流屏、变压器和低压配电柜(发电机组另行验收)。安装单位将这些设备安装调试完成后,通常由供电部门直接作测试验收并签署同意投入供电证书。因此当安装单位向物业公司移交时所作的验收主要有:
回帖成功
经验值 +10
全部回复(0 )
只看楼主 我来说两句抢沙发