土木在线论坛 \ 建筑设计 \ 中国建筑史 \ 穿斗式建筑的特点

穿斗式建筑的特点

发布于:2022-12-05 10:42:05 来自:建筑设计/中国建筑史 [复制转发]

穿斗式木构架以柱直接承檩,没有梁,原作穿兜架,后简化为“穿逗架”和“穿斗架”。


穿斗式构架的特点是沿房屋的进深方向按檩数立一排柱,每柱上架一檩,檩上布椽,屋面荷载直接由檩传至柱,不用梁。每排柱子靠穿透柱身的穿枋横向贯穿起来,成一榀构架。每两榀构架之间使用斗枋和纤子连接起来,形成一间房间的空间构架。斗枋用在檐柱柱头之间,形如抬梁构架中的阑额;纤子用在内柱之间。斗枋、纤子往往兼作房屋阁楼的龙骨。


由于檩下落柱,穿斗式木构架建筑,一般而言内部空间较小,为了获取更大的生活空间,就发展出了穿斗减柱造的结构:将穿斗架由原来的每根柱落地改为每隔一根或数根落地,将不落地的柱子骑在穿枋上,而这些承柱穿枋的层数也相应增加。


穿枋与斗枋的主要作用是牵扯住立柱,使得木构架成为一个整体。在减柱造的结构中,穿枋承接了不落地柱子传递的力,起到了抬梁式建筑中梁的作用。穿枋穿出檐柱后变成挑枋,承托挑檐。这时的穿枋也部分地兼有挑梁的作用。


穿斗式构架是一种轻型构架,柱径一般为20-30cm;穿枋断面不过6×12-10×20cm2;檩距一般在100cm以内;椽的用料也较细。椽上直接铺瓦,不加望板、望砖。屋顶重量较轻,有优良的防震性能。



图片

穿斗式构架符合

福州地区的特点



穿斗式木构架能在福州地区普遍采用,这与其结构特点符合福州本地的建筑需求密不可分。


福建多山林,闽西北的杉木称为福杉,福杉圆直、修长,是福建及台湾地区的主要建材。福州地区传统的民居、寺庙等建筑,都是以福杉做穿斗式木构架。


闽江上游的木材资源极为丰富,福杉砍伐后,树干直接推入溪流中,扎成木排,一路放流而下来到下游的福州,并浸泡在江水中。放排、储木的过程都在闽江之中(图1),无形之中完成了木材的脱脂过程,使得福杉成为优良的结构材料,就为福州普通民居采用较为密集柱网的穿斗式构架提供了可能。


图片

图1 闽江中的木排(清末老照片)


穿斗式木构架具有省工、省料,便于施工和比较经济的优点。同时,密列的立柱也便于安装壁板和筑夹泥墙,经济、便捷的特点有利于穿斗式构架的推广、普及。


福州地处亚热带,属于亚热带海洋性气候,常年高温、高湿,虽地处台风地带,但因为福州四周山脉的阻隔,风力较沿海地区减小不少。穿斗式构架的建筑可以将屋面设计得较高,以获得良好的通风和采光效果,并且上部的空气还可以起到隔热调温的作用,可以满足人们的起居生活。穿斗特有的挑檐枋,可以将檐口伸得较远,避免雨水进入室内。



图片

福州民居构架的

主要形式和特点



福州民居的梁架结构源自南方的穿斗体系,但也发展出本地区的特点。如今福州地区保存的大量的明清时期木构建筑都是以穿斗式为主的构架形式。


(一)横向(进深方向)结构


横向(进深方向)结构是穿斗式结构的核心。横向的榀梁结构在福州地区称为“扇”,扇是由扁方形的穿枋将不同高度立柱串成片的支撑结构,同时可以安装灰墙用于分割室内空间。根据屋子的深度,通常扇面由五或七根立柱构成,称为“进深五柱”、“进深七柱”。多组基本结构相同的扇面平行排列,构成不同的开间布局,民间有“四扇三”、“六扇五”的说法。


立柱


穿斗式构架的立柱,以中间堂柱为界,往两边为“充柱”、“门柱”。根据进深,还安装有不落地的蜀柱,称为“矮筒”,按位置不同,又称为“副柱”、“步柱”等。在七柱构架中,又根据进深,排布不同数量的“矮筒”,可分为“七柱全缝”与“七柱半缝”结构。福州木构建筑的桁(檩,檐口的檩木称为“”)间距约为100-120cm左右,这个距离有利于椽板适度弯曲,且足够承载瓦片的重量,因此步架间距也必须调整在100-120cm之间。“七柱全缝”的构架属于完整的七柱进深结构,适合营造大体量的建筑,因此也具有相对高的等级身份,而“七柱半缝”则是在仅有五柱进深体量的建筑中排入七柱构架,以提升所谓的等级身份。全缝的构架在堂柱和大充柱之间以及在大充柱和小充柱之间均立有副柱,而半缝的构架仅在堂柱和大充柱之间立有副柱,在充柱与门柱之间一般立有两根不落地的步柱,形成密集的柱网结构,虽然达到排布七柱进深的目的,但较浪费木材。也有的建筑,明间、次间的架构稍有不同,明间使用全套的构架,次间则进行减柱,以达到省料的目的。如三坊七巷麒麟弄3号,一进明间用“七柱半缝”构架,次间则将前大充改成矮筒,成为六柱。


一个榀架的立柱数量为奇数,以五、七居多,在门头房或小型结构中也用三柱的,在一些大型寺庙中,为安排下三世佛、两侧罗汉、周圈回廊以及殿内通道而设立九开间,与此相适应的进深立柱也要达到九柱。九柱榀架在前后的小充柱与前后门柱之间分设又小充柱(图2-5)。


图片

图2 七柱全缝三行扇

(王有树故居正落二进次间)


图片

图3 七柱半缝三行扇

(林则徐出生地一进明间)


图片

图4 五柱出廊檐

(乌山澹庐二进明间)


图片

图5 五柱平廊扇

(林则徐出生地罗氏支词一进)


在带前廊檐的缝架中,前步柱成为卷棚轩廊的支撑结构,而后小充与后门柱之间的后步柱则同时跨在后行上,在比较讲究的建筑中,厅堂的后小充与后门柱之间也做卷棚,后步柱则成为卷棚轩廊的支撑结构。


除前廊外,立柱的两侧均做抱框,称为“贴翅”。因杉木自下而上树径缩小,为保证门扇开合,安装灰板壁,均需制作“贴翅”使框内平面周正。


有的建筑的前后檐使用垂柱托檐檩,这种垂柱称为“悬充”,一般在前檐悬充下部雕刻花篮、金瓜鼠、人物等造型。带阁楼建筑的走马廊悬于门柱之外,走马廊装有“水柱”,水柱不落地,底部倒悬莲花柱头,也有落地的,成为廊柱,但不计入“五柱”或“七柱”。


福州民居木构架建筑的落地立柱一般为圆形,取整根福杉制成,直径约20-30cm,在较大体量的单体建筑中,前门柱一般为方形,耗材较大,可达40cm见方,但也彰显了主人的财力。明间副柱与前步柱面向厅堂的一边多做平面,取其工整造型,而面向厢房的一面仍为圆形,截面多数为扁方形,后步柱截面一般做圆形,次间扇面的副柱与步柱都做圆形。


穿木


福州地区的穿木是扁做直梁形式,柱与柱之间一般使用三根扁方形的穿枋穿接在一起,从下到上称为“一行心”、“二行心”、“三行心”,民居行木的截面约5-8×20-40cm,如果是大型寺庙建筑,其截面将十分巨大,可达20×40cm,甚至更大。行木主要作用是将立柱牵拉成一个平面整体,让排扇更加平稳,平行网架结构使得整个排扇具有一定的韧性和扭力,在地震等外力的作用下能保持屋架空间形状。较高的建筑,三行心还分上下两层,称为上三行,下三行。一行、三行一般较少受力,二行为主要受力件,防止前后摇动。在行木上一般还落有矮筒,因此行木除了承受两端的拉力外,还承受矮筒及檩木的垂直压力。基于受力考虑,行木一般为整块木料做成,宽的行可以用一圆木锯成三片,中片木料做行底,边上两片木料“合掌”放在行底之上拼接。


在屋面斜坡下,柱与柱之间使用类似猫梁的扁弧形穿接件相接,福州民间称为“烛”。烛的称呼根据所穿的柱而定,在脊柱两侧,三行心之上的穿木则称为“蝴蝶四”。整个横向结构,主要由各种柱、行、烛构成一个平面。次间、稍间有阁楼的建筑,还有搁置楞木的穿木,在支撑楞木的同时,也起到串接立柱的作用。


挑檐


挑檐是福州传统建筑极具地方特色的结构形式(图6)。挑檐是穿木在檐口的延伸,可分为两大类,一类是挑檐斗,一般通过三跳丁头接二行穿门柱出的二行尾承檐檩;一类是悬充挑檐,穿出门柱的二行尾前端落一悬充,悬充上承檐檩。民国时期的挑檐,还出现一种檐口伸的较长,因支撑距离较远,容易下垂,故需二行尾直接承封檐板。封檐板的尺寸和椽板差不多,但较大体量建筑的封檐板有使用到封檐椽,这样的檐口称为硬檐,与使用封檐板的软檐有所区别。在寺庙建筑中,还使用飞椽,安装里外双重封檐板。飞椽底部常做竹节、蝠磬、如意等雕刻,做竹节雕刻时形似雁爪,故这种飞椽又称为“雁爪椽”。


图片

图6 各类挑檐示意图


(二)纵向(面阔方向)结构


纵向(面阔方向)结构将多个扇面并联在一起,形成完整的结构空间。除了檩木连接外,在厅堂或次稍间敞廊的前门柱、前充柱、后充柱及后门柱,均有纵向的枋木相连,而次间、稍间的厢房中则只有门窗之上的枋木相连。厅堂及敞廊枋木,是福州传统建筑中装饰的重点。


檩木


檩木,在福州古建筑中称为“桁”,檐口的檩木又称为“橑”。桁或橑下类似随梁枋的方木或者替木都被称为“桁机”或者“橑机”。门翅也可以称为“门机”。“桁”不但是屋面的承重构件,还是扇面的重要连接件。密集的桁将各种柱的顶部连接成一体,构成完整的建筑空间(图7)。


图片

图7 闽侯黄觉民故居前部纵向连接枋



前门柱的纵向连接檐枋的最下一根称为“一楣”,截面做长方形(截面12-16×30-40cm)或圆形(直径约20-30cm)。五柱缝架或者前檐口较低矮的建筑的一楣,上部不安装装饰构件;七柱缝架的一楣,上部一般承接一斗三升的装饰件;有的一楣两端下曲而中央略为凸起,形似长弓。楣一般与其他部件一起组成一套完整的纵向连接体系(图8)。这样的连接体系可分两种:


(1)自大楣而上形成封闭的墙堵:前充柱与卷棚廊“回头水”(与大屋面方向相反的卷棚屋面)相接处的纵向连接构件由一组楣、锯花等构成。自下而上依次为一楣、灰板壁、二楣、锯花、桁机、桁木组成。其中灰板壁为木骨竹(或苇杆)筋黄泥底白灰面;锯花为木板刻花,以白灰填凹地以突出雕刻图案。


(2)非封闭的牌楼面:五柱平廊扇的前充柱和与七柱前大充的连接枋,大楣或二楣上承接三升担(倒人字弯枋)与一斗三升,形成一个牌楼面。后充柱的连接枋也有类似的牌楼面,与屏门上的“窠方”(镂空格心)等构成一组丰富的立面。后牌楼面的屏柱上还插有“插把”做装饰(图9)。


图片

图8 福州孔庙仪门牌楼面


图片

图9 福州民居各类屏门牌楼面


屏门结构


屏门是民居中重要的部分。屏门由插屏柱、门扇,以及上部的牌楼面组成,其中屏柱不起结构支撑作用,其上的大楣、三升担等还是做为纵向的结构连接件。七柱半缝或五柱的结构中,屏门位于后大充或后充柱之间,与前充柱牌楼面的连接作用差不多,但构件上多了许多雕刻装饰。七柱全缝结构的屏柱,分布在后小充柱和后大充柱间,共有四根。从平面上看,屏门和立柱构成的立面,形成凸字形的结构;后屏柱与前屏柱之间开小门,方便进出前后厅,这样的厅堂称为“进屏厅”(图10、11)。


图片

图10 水榭戏台二进进屏厅


图片

图11 乌山澹庐一进屏门牌楼面

与超扇做法


(三)屋面结构


为了使屋面正脊呈现优美的曲线,福州民居建筑的不同扇面结构还有“超扇”的做法,意指从厅堂开始,两侧次稍间每个扇面桁木均做提升,这种柱升高在较大的开间建筑中很常见。每间超扇一般为一寸,也有根据屋面的坡度调整为二寸或三寸。超扇一般从二行灰板壁开始,逐层调整。面阔较大的建筑,如果屋脊完全水平,在近大远小的透视作用下,会给你感觉两侧屋面塌陷,柱升高主要是给人感觉屋面的水平视觉效果。


由于超扇做法不能将屋面抬升太高,在体量更大的寺庙屋面需要更大的屋面曲线弧度,桁木的提升已不满足超扇的需要,就在靠墙的脊柱上再接一个矮柱,做斜型的檩木,铺椽望板,形成一个三角形的屋面,形似鲎壳罩在屋脊的两端,这种假屋面被称为“鲎壳”(图12)。


图片

图12 鲎壳做法


福州民居穿斗建筑的屋面是呈现微凹形的双坡面。柱网位置根据地形及居住使用需求排布好后,就要进行“算水”,以确定屋面的高度与曲线。“算水”时,先确定堂柱的高度,然后进行加水。在福州的木工口诀中,有一句“斜水加三三”,意指每丈进深,垂直高度加三尺三,这样椽板与地面的角度约为18°,由此可以决定门柱的高度。接着对部分桁木进行适当的“加小水”和“减水”,使屋面呈现优美的微凹曲线,小充柱或者充柱是减水最多的地方,最多可以减水到八寸到一尺。一般而言,充柱和后步柱的斜度要大于步柱之间的斜度,堂柱大充间的斜度也大于大小充柱之间的斜度,这样有利于屋面排水顺畅。而门柱到檐口的屋面则开始向下压,其斜度小于门柱和步柱之间的斜度,有利于雨水的快速溅落。“斜水加三三”并不是绝对的,明代的屋面一般较缓,大致为加三,清后期屋面则较陡,大致加三五等,在亭子等建筑的屋面,甚至加六,以形成攒尖顶。


在民居的花厅或者亭榭,还常用到歇山顶,福州称之为“翘角”屋面。翘角屋面根据戗角部分结构不同,可分为三种。一种是翘角垫木:自小充柱伸出象鼻木,斜向下置于桁交圈上,象鼻上垫二至三道翘角垫木,形成起翘的屋面。翘角垫木尾端等长,做成楔形。这样的翘角结构适用于厚重的屋面,起翘程度不是很高(图13、14)。


图片

图13 孔庙翘角结构


图片

图14 侯官城隍庙拜亭翘角结构


一种是犁担翘角:自小充柱伸出象鼻木,斜向下置于桁交圈上,象鼻木上斜插犁担,形成向上的屋面。这样的翘角结构适用于轻巧的屋面,可以将翘角挑得很高。


还有一种翘角是垫椽翘角:转角的椽板交互叠落在一起,形成向上的翘角,椽板尾端做成楔形,以增加起翘的高度。这样的翘角结构简单,但起翘高度非常有限。


(四)搭接做法


穿枋、桁、楣等都在柱间进行搭接,由于搭接位置的不同以及对工艺的要求不同,出现各种搭接做法。


桁木搭接做法


桁木在柱头搭接,一般有三种搭接做法,分别是合掌燕尾榫、合掌、银锭榫。这几种榫卯做法在古建筑的其他需要搭接的地方也很常见(图15)。


图片

图15 桁木搭接做法


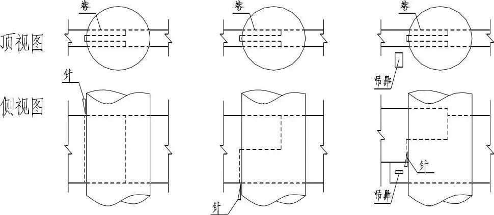
穿木搭接做法


穿木在柱内搭接,一般使用“针卷”的做法。穿木使用“卷”的形式进行拼接,即两个穿木做成凹凸形状,在柱内拼合,但凹口留出一点在柱外,用“针”(木楔子)敲入,将穿木契合牢固。“针卷”做法有三种类型。一种是简单的针卷,一种是上下互为针卷;这两种都适用于穿木不是很大的民居。还有一种是带吊鼻的针卷,适用于穿木巨大的寺庙建筑,这里的穿木并不在同平面上,可以使用防止拔榫的吊鼻。针的位置根据凹口方向可上可下(图16)。


图片

图16 穿木搭接做法


楣和穿木同在柱中搭接时,做法与穿木的搭接相似,在穿木的结合处开卯口,以便楣的(榫)插入。楣没有吊鼻的做法。


(五)大木尺寸与“水篙”


福州地区的一个木工尺合30公分,大木工匠采用的尺子一般是自己制作的曲尺,大曲尺长边2尺,短边1尺,而小的曲尺则大小不等。木工的尺寸数字记号与汉字的数字文字不同,有自己的独特的写法(表1)。


表1 福州地区木工数字记号对照表

图片


一个木工工场,以大木工匠的曲尺为准。大木工匠,被称为“呼橹”,做为整座建筑的总设计师,根据场地的大小排布柱网结构,规划建筑的形制,并进行“水篙”的制作,配合口口相传的木工口诀,就可以进行整座建筑的设计,不需绘制图纸。“水篙”是一根细长的木杆,状似竹篙。水篙一般采用整根福衫制作,与四面刨平,与堂柱等长。大木工匠用墨线在其四面自上而下绘制各种符号,以标记各个构件的位置以及穿插关系、尺寸限定等,而其他工匠则根据“水篙”所画的尺寸加工构件并安装建设。一般一个相对的榀架画各个面的记号,如明间榀架画一个面,次间榀架画一个面,七开间的榀架只需画三个面,剩下一个面绘其他的构件记号作为补充。有的大木工匠会少画一些面,而将榀架的变化记在头脑中,在加工构件时进行少许的调整。也有的大木工匠在画三开间的水篙时,只取平滑的椽板正反面做标志。


水篙上标志的主要是柱与柱之间横向连接的穿枋包括行木、烛仔、蝴蝶四等的位置关系,符号的大小与实际木构件的加工尺寸相同。标志符号在水篙上呈列状分布,堂柱两侧的穿枋画在中间,两侧依据分别绘制副柱、充柱等的穿枋卯口的位置。穿枋卯口位置的符号用Ⅰ(长工形)来表示,在穿枋符号上方,有一些小的斜线标志,如/(单条短斜线)表示该穿枋处于落地柱上,//(双条短斜线)表示该穿枋处于矮筒上。


对于进深的掌握,大木工匠口诀有“七不过五”、“五不过三”、“三不过二”之称,七柱的榀架前后门柱距离不超过五丈,五柱的榀架前后门柱距离不超过三丈,三柱的榀架前后门柱距离不超过二丈,这样可以控制柱间距离不致过大,影响结构安全。


大木工匠还用一种门金尺,即鲁班尺,1鲁班尺=1.44尺。尺上标注“财”、“病”、“离”、“义”、“官”、“劫”、“害”、“本”八个字,在进行尺寸设定时,一般总是要选择尺寸落在“财”、“义”、“官”、“本”这四个吉字之间,而不能落在其他四个凶字上。特别是门窗等的尺寸,大门一般要选择“义”、“官”字,厢房的门窗则多选择“财”、“本”字。


(六)榀架安装


穿斗式构架建筑施工便捷,建造时先在地面上拼装进深方向的整榀屋架,然后用拉绳将其竖立起来,称为“起扇”,再自下而上安装面阔方向的楣等构件。如果是减柱的榀架,在完成整个屋架安装之前,其结构相对松垮,为保证其安全,一般用整根的木材将其临时钉牢,安装后再拆除临时结构。对于带石柱或者带转角屋面的翘角结构,一般先在地面拼装除石柱或翘角结构的榀架,竖立起来后再将其他结构安装到位。如果空间不足,可以将各榀屋架都归自一侧竖起,之后再抬到相应的位置(图17、18)。起扇在民间也成为上梁仪式的代名词(未完待续)。


图片

图17 穿斗式整榀屋架安装


图片

图18 楣的安装


注释和参考文献:略

作者:阮章魁

文章来源:古建园林技术,2012年01期

原题目:《福州地区木结构古建筑的梁架形制(一)》

图文版权归原作者或机构所有,仅供学习参考,如有出入,请以原刊原文为准

特别鸣谢:阮章魁老师


知识点:穿斗式建筑的特点

中国古建筑穿斗式和抬梁式的区别

全部回复(0 )

只看楼主 我来说两句抢沙发
这个家伙什么也没有留下。。。

中国建筑史

返回版块

5.15 万条内容 · 173 人订阅

猜你喜欢

阅读下一篇

穿斗构架的形式变化

穿斗式构架在实际建造中,根据不同的居住需求,产生了一定形式的变化。 梁造 穿斗式构造的柱网密集,特别是横向缝架的立柱,除前后廊外,七柱的柱间距只有1-2m。因纵向木构架长度受木材长度及屋面重量限制,柱网密集的穿斗式构架无法建造大敞厅,因此发展出了梁造(减柱造)的结构,很好地解决了这个问题(图19)。梁造的构架有以下特点:

回帖成功

经验值 +10