

1、跨径和宽度
计算跨径:L0=26.0~36.0m;
主梁全长:L=26.96~36.96m;
桥面宽度:10.0~13.8m。
2、设计荷载
公路—Ⅰ级;公路—Ⅱ级。
3、材料
(1)混凝土
主梁混凝土强度等级不低于C40;栏杆和桥面铺装混凝土强度等级为C40。
(2)预应力筋
纵向预应力束采用7Ф5mm高强度低松弛预应力钢绞线,每束6根。公称直径Фs15.2mm,标准强度fpk=1860MPa,弹性模量Ep=1.95x105MPa,单股面积Ay=139mm2。
(3)普通钢筋
直径小于12mm的采用R235钢筋。
(4)锚具
锚垫板尺寸为210×210mm,锚板Ф126×48mm。锚垫板布置最小间距应满足:
①锚垫板之间间距a=215m,
②锚垫板与梁边缘之间距离b=135mm。
(5)波纹管
纵向预应力钢束可采用金属波纹管,波纹管内径为70mm,外径为77mm。
4、施工方法
装配式预应力混凝土简支梁采用预制施工方法、后张预应力工艺。预制段翼缘板宽度为1.8m左右。
混凝土强度达到设计强度75%以上开始施加预应力,采用YCW150B型千斤顶两端同时张拉。
张拉完成24小时内采用真空压浆工艺进行波纹管内混凝土的压浆。
1、主梁构造尺寸拟定;
2、毛截面几何特性计算;
3、截面内力计算;
4、钢束面积估算;
5、钢束布置;
6、主梁截面特性计算;
7、预应力损失计算;
8、截面强度验算;
9、应力验算;
10、挠度及锚固区计算;
11、桥面板配筋;
12、板式橡胶支座设计(待定);
13、主梁横膈梁配筋(待定);
14、绘图及整理计算书。

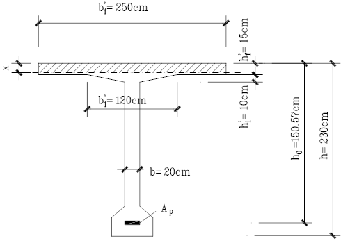
主梁截面尺寸按桥梁工程教材,可参照经验数据确定。
l、高跨比:l/15~l/25;一般可取1/16~1/18。
2、横隔梁:5~7道;
3、主梁宽度:2.0~2.5m;
4、主梁腹板厚度
18~20cm,并符合《规范》(JTG D62-2004 )第9.3.3条规定;从截面效率指标 值来分析,肋板愈薄, 值也愈大。
5、翼缘板厚度
按《规范》第9.3.3条估算。悬臂端部厚度不小于140mm;与腹板相连处的翼缘厚度不应小于梁高1/10。承承托底坡 。
6、下马蹄
马蹄面积不宜少于全截面的10%~20%;
马蹄宽度约2~4倍腹板厚度;斜坡必须大于45°;斜坡区钢束管道保护层不小于6cm;
马蹄全宽部分高度加上1/2斜坡区高度约为(0.15~0.20)h;
梁端处高度满足钢束布置的需要。
7、横隔梁
高度以跨中横梁和下马蹄相交为准;厚度15cm;支点处横梁高度可以与梁高一致。
8、纵向截面尺寸变化
在梁端锚固区,为了布置锚具与满足局部承压的需要,常按构造要求将腹板加厚至与马蹄同宽,而马蹄的高度应随着预应力筋的弯起而逐渐加高。
第一道中横膈梁或1/4L截面进行抬高。



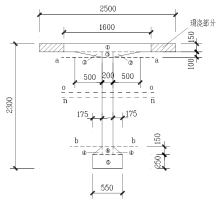
从预应力简支T梁的施工过程看,翼板的一部分在T梁安装就位后现浇,使横截面T梁连成整体,扣除现浇段的T梁截面称为小毛截面,全截面称为大毛截面,因此预制时梁的自重,接缝重量及预应力荷载均由小毛截面承担,二期恒载,活载由大毛截面承担。
l、小毛截面特性计算;
2、大毛截面特性计算。
预应力混凝土构件抵抗荷载内力的机理与钢筋混凝土构件不同:
1、钢筋混凝土构件主要是依靠变化的钢筋合力(或变化的混凝土的合力),与固定的内力偶臂的乘积(被动受力);
2、预应力混凝土构件,则是依靠基本不变的预加力(或混凝土的合力),与随外弯矩变化而变化的内力偶臂的乘积(主动受力)。
对于预应力混凝土受弯构件来说,其内力偶臂所能变化的范围越大,则在预加力相同的条件下,其所能抵抗外弯矩的能力也就越大,即抗弯效率越高。对于全预应力混凝土梁,混凝土合力只能在上下核心之间移动。
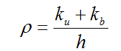
截面效益指标(The Section Efficiency factor)
任意截面的截面特性:截面高度h,上核心距Ku,下核心距Kb,预应力筋的偏心距e。

值较大的截面较为经济,因此一般都在0.45~0.5以上。
截面效率指标实际上也是反映截面混凝土材料沿梁高分布的合理性,它与截面型式有关:
①矩形截面为0.33;
②空心板随挖空率而变化,一般为0.44~0.55;
③普通T形截面0.40~0.45;
④带马蹄的T形截面0.45~0.55。
对于T形梁一般当 <0.45时,截面比较笨重;当>0.55时,截面过分单薄,应注意检查薄腹板、薄翼缘的稳定性。
截面内力计算
1、恒截内力
(1)自重
根据主梁初估尺寸,分各阶段计算荷载集度;横隔梁自重按集中力计取;
(2)铺装
考虑8cm厚混凝土铺装(容重24kN/m3)和6cm厚沥青铺装(容重23kN/m3)。
(3)栏杆和人行道
按设计资料数值两种方法计算。
①两侧栏杆和人行道按主梁数量平均分担;
②荷载横向分布影响线计算各片主梁的分担值。
2、活载内力
(1) 冲击系数和车道折减系数
冲击系数按“通用规范”第4.3.2条规定 计算;计算公式见条文说明P83。
车道折减系数按“通用规范”第4.3.1条规定计算。
(2)横向分布
①跨中按比拟正交异性板法计算主梁的横向分布;
②支点按杠杆法计算横向分布。
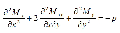
G-M法计算原理
1、将由主梁、连续的桥面板和多横隔梁所组成的梁桥,比拟简化为一块矩形的平板;
2、弹性薄板按弹性理论进行分析;
3、求解板在半波正弦荷载下的挠度,并利用挠度比与内力比、荷载比相同的关系计算横向分布影响线。


G-M计算步骤:
各向同性板的挠曲微分方程 比拟正交异性板的挠曲微分方程阐明桥梁结构近似比拟成板的途径 讨论应用图表的原理和实用计算方法。


弹性薄板计算图式
内力与荷载的平衡关系:










结论:
任何纵、横梁格系结构比拟成的异性板,可以完全仿照真正的材料异性板来求解,只是方程中的刚度常数不同。
扭弯参数——表示比拟板两个方向的单宽抗扭刚度代数平均值与单宽抗弯刚度几何平均值之比。





杠杆原理法
适用范围:
1.主梁支点处的荷载横向分布系数;
2.横向联系很弱的无中横梁的主梁。









1、翼缘有效宽度
对于T形截面受压区翼缘计算宽度bf’,应取用下列三者中的最小值:
(1)计算跨径的1/3;
(2)相邻主梁间距;
(3)












预应力钢束布置
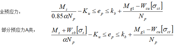
在任何截面的上、下缘混凝土均不会出现超限拉应力的前提下,预应力筋(束)的形心在各截面上布置的范围,称为束界(或索界)。



只要预应力钢束形心线的偏心矩满足下式的要求,就可以保证构件在预加力阶段和使用阶段,构件截面上、下缘混凝土都不会出现超限的拉应力。

横截面内布置
跨中截面:钢束应尽量在下马蹄内单数列对称布置,以获得最大的偏心距并能顺利弯起。钢束间距及混凝土保护层应符合《设计规范》第9.4.9条的规定,钢束距下马蹄斜边的净距大于6cm。
梁端截面:满足锚头的布置,并使钢束重心在核心界限以内,单个锚垫板的布置应满足最小间距的要求。
纵向布置
预应力钢束从距跨中截面某个距离处开始按圆曲线向上弯起,由于不允许曲线段进入锚具部分,因此在锚下钢束必须保持一定的直线长度。(必须保证锚下钢束与锚垫板呈垂直状态)
预应力钢束曲线半径见《设计规范》第9.4.10条。
钢束长度计算
每束长度包含跨中截面处的直线长度、曲线长度、锚下直线长度和两端张拉的工作长度(各70cm)之和,钢束的曲线长度根据曲线半径和弯起角度来计算,最后得出每孔所用钢束总长和总重量,用于计算工程数量。


主梁截面特性计算
1、净截面几何特性计算;
2、换算截面几何特性计算;
3、各阶段截面对形心轴的静矩计算。


预应力损失计算
后张法梁的预应力损失包括:
(1)前期预应力损失
①钢束与管道壁之间的摩擦损失;
②锚具变形、钢束回缩引起的损失;
③分批张拉混凝土弹性压缩引起的损失。
(2)后期预应力损失
①钢绞线应力松弛引起的应力损失;
②混凝土收缩和徐变引起的应力损失。


设计要求采用逐根张拉钢束,预制时张拉钢束顺序自定,尽量满足整体偏心距小、对称的原则。计算时应从最后张拉的一束逐步向前推进。




持久状况承载能力极限状态验算
1、正截面抗弯承载能力计算,按《设计规范》第5.2.3条进行,对于简支梁取跨中截面进行验算。








采用作用的短期效应组合、长期效应组合或短期效应组合并考虑长期效应组合的影响,对构建的抗裂、裂缝宽度和挠度进行验算,并使各项计算值不超过规定的限值。
1、抗裂验算
(1)正截面抗裂验算
(2)斜截面抗裂验算







短暂状况构件的应力验算
桥梁构件的短暂状况,应计算其在制作、运输及安装等施工阶段混凝土截面边缘的法向应力。
1、预加应力阶段的应力验算
此阶段指初始预加力与主梁自重共同作用的阶段,验算截面下缘的最大压应力和上缘的最大拉应力。

2、吊装阶段的应力验算
根据《通用规范》第4.1.10条规定,构件在吊装、运输时,构件重力应乘以动力系数1.2或0.85,考虑超重和 失重两种情况下的应力。
挠度计算
以四分点截面为平均值将全梁近似处理成等截面杆件,按材料力学方法计算跨中挠度。
1、预应力反挠度计算



2、由荷载引起的跨中挠度
根据《设计规范》第6.5.2条,全预应力混凝土构件的刚度采用0.95EcIo 。
恒载效应产生的跨中挠度可近似按下列公式计算:

3、长期挠度值
根据《设计规范》第6.5.4条,预应力引起的反拱值考虑长期效应的影响,应乘以长期增长系数2.0;
根据《设计规范》第6.5.3条,受弯构件在使用阶段的挠度应考虑荷载长期效应的影响,即按荷载短期效应组合计算的挠度值,乘以挠度长期增长系数ηθ。
4、结构刚度验算
按《设计规范》第6.5.3条规定,预应力混凝土受弯构件计算的长期挠度值,在消除结构自重产生的长期挠度后梁的最大挠度不应超过计算结构的1/600。
5、预拱度的设置
按《设计规范》第6.5.5条规定,当预加力产生的长期反拱值大于按荷载短期效应组合计算的长期挠度时,可不设预拱度。否则,需设置预拱度。其值取按荷载短期效应组合计算的长期挠度与预加力产生的长期反拱值之差。
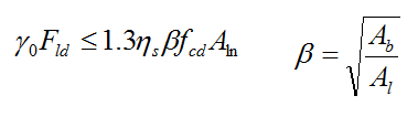
后张法预应力混凝土梁的端部,由于锚头集中力的作用,锚下混凝土将承受很大的局部压力,可能使梁端产生纵向裂缝,需进行局部承压验算。
1、局部承压区的截面尺寸验算
根据《设计规范》第5.7.1条,配置间接钢筋的混凝土构件,其局部受压区的截面尺寸应满足下列要求:


计算工作完成后,需要把计算结果用图纸表现出来,以交付施工,设计图纸包括主梁外形尺寸图、主梁预应力钢束构造图、主梁普通钢筋构造图、主梁端部钢筋构造图、横梁钢筋构造图、支座构造图、主梁桥面板钢筋构造图、横梁接头构造图、钢丝束锚具详图、主梁端部伸缩缝构造以及人行道、栏杆构造图等,对整座桥梁还有总体布置图;下部结构构造图、配施图。图纸上除需注明各部尺寸外,还需列出各构造的工程数量等。
内容源于网络,旨在分享,如有侵权,请联系删除
相关资料推荐:
https://ziliao.co188.com/d62771728.html
知识点:预应力混凝土简支T梁设计与工艺
0人已收藏
0人已打赏
免费4人已点赞
分享
桥梁工程
返回版块19.44 万条内容 · 657 人订阅
阅读下一篇
桥梁工程现浇箱梁施工经典解析现浇箱梁的施工在桥梁工程中是非常常见的一个施工技术,今天以贵阳北站的高架桥设计为例,来和大家一起分享一下现浇箱梁的标准施工工艺。 (看不清图片请点击放大) 一、工程基本情况
回帖成功
经验值 +10
全部回复(2 )
只看楼主 我来说两句抢地板好东东要看看 ,点赞收藏起来。。。
回复 举报
学习了预应力混凝土简支T梁设计与工艺,多谢了。
回复 举报