横通道与正洞的拱顶高差达5~6m,从横通道进入正洞需要向上挑顶高度5~6m,而水平距离拱顶距离最高处7~8m,因此交叉口施工风险高,施工难度大,施工时间较长。提高交叉口施工进度,最有效的方法是利用横通道作业台架施工、工法不另作调整及大型机械配合作业。
某铁路xx一号隧道2号横通道全长372m,与正洞于DK34+200处正交,横通道净空断面尺寸为5.0m(高)×6.0m(宽),交叉口处设计围岩Ⅳ级围岩,格栅钢架间距为1.0m。6月1日完成了横通道开挖,6月2日开始施工交叉口,6月9日完成交叉口挑顶作业。采用此工法,由挑顶时间由计划30天缩短至8天。
交叉口的施工步骤
利用横道通开挖台架,通断面变化(由横洞断面变为门型断面),扩大开挖断面,安装门型拱架,再在门架下方环向安装正洞拱架,安全快速完成交叉口挑顶作业。
1、横通道过渡段施工
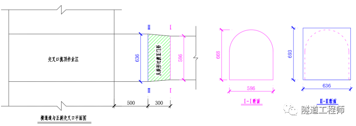
距离正洞8m处开始设计过渡段,过渡段长3m,过渡段作用为原设计的拱形断面过渡至门形断面进行过渡,同时门形断面左右两侧及顶拱均比拱形断面扩大20cm,预留原设计拱形断面的拱架安装。门形拱架为临时拱架,内侧设置原设计的拱形钢架,待交叉口挑顶完成后。临时门形拱架型号、间距与拱形钢架一致。
2、交叉口挑顶作业
从距离横通道与正洞5m处开始挑顶上爬,从过渡段尽头处按门形断面向前开挖,安装临时门形钢架及网片、施作锚杆、喷射砼,临时初支封闭,确保施工作业人员安全。跨越隧道正洞中心线后,开挖轮廓线向下走,需要边前进边下降平台高度,在下降平台面时需要及时接长门架支腿,始终保证开挖台架能正常使用。一直按此方法施工至正洞对面侧,完成临时门形断面开挖及初支作业。

3、施工横通道永久性初级支护及门架
横通道过渡段及上挑段共约8m,临时门形钢架不进行拆除,由于门形钢架放大了20cm开挖施工,在门形断面内侧直接安装原设计拱形钢架进行初期支护。交叉口处设置一道加强门架(下图红色),此门架横梁及竖向支撑杆均采用双工字钢对焊加强,并在横梁上焊接拱架连接板,正洞拱架的一端安装在此门架的横梁上。横通道过渡段及上挑段扩挖断面均采用喷射砼回填。

4、施作正洞永久初支
由于横通道施工台架跨过隧道正洞中心线后开挖轮廓线向下,需要边往前开挖边降平台高度,因此正洞安装环向永久拱架时,台架高度不足,需要在台架顶面放置一个管架平台。永久拱架安装在临时门架内侧,进行受力体系转换。

5、拆除正洞临时门架支腿
受力体系由临时门架转到正洞永久拱架上,体系转换完成后,对门形钢架的竖向支撑进行拆除作业。

通过以上方法,保证了安全,提高交叉口施工进度。最有效的方法是利用横通道作业台架施工、工法不另作调整及大型机械配合作业。
横通道与正洞交叉口施工,由于需要扩大断面开挖,以往此处施工需要转换工法、采用小型设备人工配合施工,工效低施工时间长。要提高交叉口的施工速度,只有采用原横通道开挖的作业台架、施工工法及大型机械作业。此隧道交叉口段施工,从横通道设备过渡段,隧道由弧形断面过渡到门形断面,再按门形断面进行挑顶作业,充分利用横通道的台架及大型设备,达到快速施工。xx隧道2号横通道交叉段作业工期由计划30天缩短至8天,提高了施工效率。
横通道与正洞交叉口处断面需要扩大,施工安全风险极高。向上挑顶施工难度大,围岩容易产生崩塌和掉块。xx隧道2号横洞采用此工法施工,通过边挑顶边立临时门形钢架支护,作业工人在临时支护保护下作业,有效保证人员的安全。
内容源于网络,旨在分享,如有侵权,请联系删除
相关资料推荐:
中梁山隧道人行横通道交叉口设计图
https://ziliao.co188.com/zbd67042.html
知识点:横通道与正洞交叉口快速施工探讨
0人已收藏
0人已打赏
免费0人已点赞
分享
隧道工程
返回版块2.96 万条内容 · 279 人订阅
回帖成功
经验值 +10
全部回复(0 )
只看楼主 我来说两句抢沙发