矿山法是用开挖地下坑道的作业方式修建隧道的施工方法。它是一种传统的施工方法,基本原理是隧道开挖后受爆破影响,造成岩体破裂形成松弛状态,随时都有可能坍落。基于这种松弛荷载理论依据,其施工方法是按分部顺序采取分割式一块一块的开挖,并要求边挖边撑以求安全。

按衬砌施工顺序,可分为先拱后墙法及先墙后拱法两大类。后者又可按分部情况细分为漏斗棚架法、台阶法、全断面法和上下导坑先墙后拱法。此外,结合先拱后墙法和漏斗棚架法的特点,还有一种居于两者之间的蘑菇形法。

也称支承顶拱法。在稳定性较差的松软岩层中,为了施工安全,先开挖拱部断面并即砌筑顶拱,以支护顶部围岩,然后在顶拱保护下开挖下部断面和砌筑边墙。开挖两侧边墙部分的岩层时(俗称挖马口),须左右交错分段进行,以免顶拱悬空而下沉。该法施工顺序见上图(图中阿拉伯数字为开挖顺序,罗马数字为衬砌顺序,下同)。施工时,须开挖上下两个导坑,开挖上部断面时的大量石碴,可通过上下导坑之间的一系列漏碴孔装车后从下导坑运出,既提高出碴效率,又减少施工干扰。当隧道长度较短、岩层又干燥时,可只设上导坑。在此种场合,为避免运输和施工的干扰,可先将上半断面完全修筑完毕,然后再进行下半断面的施工。本法适用于松软岩层,但其抗压强度应能承受拱座处较高的支承应力;也适用于坚硬岩层中跨度或高度较大的洞室施工,以简化修筑顶拱时的拱架和灌筑混凝土作业。该法在外文文献中也称为比国法。

也称下导坑先墙后拱法。适用于较坚硬稳定的岩层。施工时先开挖下导坑,在导坑上方开始由下向上作反台阶式的扩大开挖,直至拱顶;随后在两侧由上向下作正台阶式的扩大开挖,直至边墙底;全断面完全开挖后,再由边墙到顶拱修筑衬砌。此法在下导坑中设立的漏斗棚架,是用木料架设的临时结构。横梁上铺设轻便钢轨,在下导坑运输线路上方留出纵向缺口,其上铺横木,相隔一定间距,留出漏斗口供漏碴用。在向上扩大开挖时,棚架作工作平台用。图中②至⑤部爆出的石碴全落在棚架上,经漏斗口卸入下面的斗车运出洞外。这种装碴方式可减轻劳动强度。下导坑的宽度,一般按双线斗车运输决定。由于宽度较大,在棚架横梁下可增设中间立柱作临时加固用。设立棚架区段的长度,按装碴的各扩大开挖部分的延长加上一定余量来决定。用漏斗棚架装碴优点显著,故在中国以漏斗棚架命名。此法曾广泛应用于修建铁路隧道。
又有正台阶法和反台阶法之分。

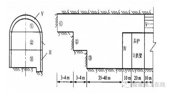
(1)正台阶法系在稳定性较差的岩层中施工时,将整个坑道断面分为几层,由上向下①②③分部进行开挖,每层开挖面的前后距离较小而形成几个正台阶。上部台阶的钻眼作业和下部台阶的出碴,可以平行进行而使工效提高。全断面完全开挖后,再由边墙到顶拱筑衬砌。在坑道顶部最先开挖的第一层为一弧形导坑,需要钻较多的炮眼,导坑超前距离很短,可使爆破时石碴直接抛落到导坑之外,以减轻扒碴工作量,从而提高掘进速度。如坑道顶部岩层松动,应即在导坑内用锚杆或钢拱架作临时支护,以防坍塌。
(2)反台阶法则用于稳定性较好的岩层中施工,也将整个坑道断面分为几层,在坑道底层先开挖宽大的下导坑,再由下向上③②①分部扩大开挖。进行上层的钻眼时,须设立工作平台或采用漏斗棚架,后者可供装碴之用。

将整个断面一次挖出的施工方法。适用于较好岩层中的中、小型断面的隧道。此法能使用大型机械,如凿岩台车、大型装碴机、槽式台车或梭式矿车、模板台车和混凝土灌筑设备等进行综合机械化施工。

也称全断面分部开挖法。以前,在稳定性较差的松软岩层中,为提高衬砌的质量,曾采用过此种先分部挖出全断面,再按先墙后拱顺序修筑衬砌的施工方法。采用此法开挖时,要用大量木料支撑,还需多次顶替,施工既困难又不安全,故在中国未见采用。该法在外文文献中还称之为奥国法或称老奥法。

综合先拱后墙法和漏斗棚架法的特点而形成的一种混合方案。开挖1至4部后呈现形似蘑菇状的断面,故名。在下导坑中设立漏斗棚架,供向上扩大开挖时装碴之用,同时当拱部地质条件较差时,为使施工安全可先筑顶拱。该法具有容易改变为其他方法的优点,遇岩层差时改为单纯的先拱后墙法,岩层好时改为漏斗棚架法。在中国首先应用于岩层基本稳定的铁路隧道施工,以后又用来修筑大断面洞室,为减少设立模架作业及其所需材料,并加快施工进度创造有利条件。

内容源于网络,旨在分享,如有侵权,请联系删除
相关资料推荐:
https://ziliao.co188.com/zbd3021.html
知识点:隧道施工方法—矿山法
0人已收藏
0人已打赏
免费0人已点赞
分享
隧道工程
返回版块2.96 万条内容 · 279 人订阅
回帖成功
经验值 +10
全部回复(0 )
只看楼主 我来说两句抢沙发