1.边跨直线段、合龙段施工
1.1 **特大桥边跨直线段、合拢段工程结构设计概况
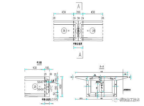
**特大桥边跨直线段理论长5m、合拢段长2m,梁高4m,顶板厚28cm,底板厚32cm,腹板厚45cm,梁端设置厚1.6m的横隔板,隔板设有人洞,具体情况见下图所示:

1.2 施工方案一(适用于左幅11#、右幅7#、10#墩)
1.2.1 边跨直线段施工
边跨直线段通过三角架及型钢搭设钢平台施工,边直线段外悬段长为2.38m。过渡墩盖梁及墩身预先埋设钢板、精轧螺纹筋等焊接安装三角托架施工,三角架顺桥向长为2.9m,高3.11m,三角架上下根部焊接三角筋板加强。在三角架上按施工方案设计图所示位置铺设三根I56a工字钢(或II32、I36工字钢)作为横梁(长度不小于11m,受压位置必须加焊筋板加强),在横梁上铺设][12双槽钢作为底模纵梁(纵梁必须选择完整无割损的][12双槽钢,若有焊接接头等则必须保证焊接质量达到原材同等强度方才使用),底模纵梁横向中对中间距为31cm,腹板位置加密至15cm,底模面板使用大块钢模,底模横梁两侧如图各铺设两根I32工字钢或H30型钢作为侧模桁架底部纵梁。边跨直线段的内模系统由钢管支架及竹胶板、方木组成,内模竖向支撑钢管间距不得大于90cm,并加设水平纵、横杆连接,步距为120cm,分布方木中对中间距为30cm,面板使用1.8*0.9m竹胶板,绑扎完梁体钢筋后进行混凝土浇筑施工。

施工悬灌段28#段时如图预埋底板和翼缘板上的PVC管吊孔。待最后一段悬灌段施工完成后,将挂篮侧模外滑梁前移并利用事先在直线段翼缘板上预埋的吊孔用精轧螺纹筋吊住外滑梁前吊点,外滑梁后吊点锚固在已浇筑的T构箱梁(28')翼缘板上,将直线段侧模滑移至合拢段位置。在整个过程中外滑梁提供吊力支持外侧模板的自重和浇筑时候的混凝土等重量。边跨合拢段的底模系统由预先铺好的][12双槽钢底模纵梁提供支撑,][12双槽钢一端由三角架最外侧横梁支撑,另一端有28#悬灌段段预埋吊点所吊的II45工字钢横梁提供支撑。调整边跨合拢段设计标高,内模系统还是利用钢管支架、竹胶板、方木等(具体搭设要求及间距等与边直线段一致),接着进行边跨合拢段钢筋施工,按要求选择一个温度适宜、昼夜温差小、无大风的时间进行混凝土浇筑,浇筑前按设计要求焊接刚性支撑、预张并与设计、线形监控单位沟通根据现场实测情况确定水箱重量(设计图纸要求单侧水箱重250KN)配重并安装,用于配重及换重,水箱内壁应标有刻度以显示水箱实际储水量以便混凝土浇筑施工过程中放水换重作业的操作的控制,放水速度根据所配水箱重量与混凝土重量等比例确定,比如浇筑完成混凝土总方量的10%,则放掉水箱总水量的10%(按设计图纸计算则为每浇筑1方混凝土,放掉1.67方水)。待混凝土强度达到设计强度的90%时,张拉边跨合拢段预应力束并压浆,继续张拉尚未张拉的横竖向预应力束。

图1-3、边跨合拢段施工方案横端面图
2 .中跨合龙段施工
2.1 乌江特大桥中跨合龙段工程结构

2.2 施工方案
边跨合龙段施工完成后,中跨合龙段立模,调整底模、侧模立模标高并固定,在28#段靠近中跨合龙段处的T构端头加水箱配重(设计各250KN,根据现场实际线性情况及相关单位指令调整),绑扎底板钢筋、腹板钢筋并预埋相应的预应力波纹管,底板、腹板钢筋绑扎完成后安装内模,内模由钢管脚手架、方木及竹胶板组成,内模安装完成并固定后,绑扎顶板钢筋及相应的横向预应力波纹管。
在合龙当天温度最低时实施顶推作业,顶推力为120T,并及时焊接外刚性支撑以锁定两端悬臂段,预张2*CT1、2*CB1钢束,每根钢束张拉力300kN。按要求加强梁段高度及平面位置变化观测,选择一个温度适宜、昼夜温差小、无大风的时间进行混凝土浇筑,浇筑前按设计要求焊接刚性支撑、预张并与设计、线形监控单位沟通根据现场实测情况确定水箱重量(设计图纸要求单侧水箱重250KN)配重并安装,用于配重及换重,水箱内壁应标有刻度以显示水箱实际储水量以便混凝土浇筑施工过程中放水换重作业的操作的控制,放水速度根据所配水箱重量与混凝土重量等比例确定,比如浇筑完成混凝土总方量的10%,则放掉水箱总水量的10%(按设计图纸计算则为每浇筑1方混凝土,放掉2.5方水)。待混凝土强度达到设计强度的90%时,张拉边跨合拢段预应力束并压浆,继续张拉尚未张拉的横竖向预应力束。


中跨使用挂篮施工,中跨合龙段施工荷载小于悬灌段施工荷载,因此不再单独计算,配重按照设计图纸及相关单位要求设置。
3.预压施工
预压施工利用在地面上浇筑地梁,并按实际施工情况对称预埋三角架并利用千斤顶施加荷载模拟三角架在墩柱上施工的受力情况。检验三角架在110%荷载作用下,是否能满足施工时的受力要求。模拟方案中用的三角架即施工所用三角架,两个三角架如图对称布置。在三角架上布置3台千斤顶穿入精轧螺纹钢加载模拟三角架承受其上三道横梁传递下来的施工荷载,三角架与地梁的连接与施工中的方式一致。

图3-1、预压施工方案图
4.合拢段施工温度与平、立面位置监控、保障措施
4.1 温度监控及保障措施
合龙段施工前48小时将量程为-20℃~100℃的温度计安装在桥面派人每2~3小时测量一次并进行记录,以观察桥面位置温度变化情况,设计图纸要求合龙段施工温度应控制在15℃~20℃之间,合拢段施工当日需温度适宜且无风。若合龙时现场温度与设计要求偏差较大应及时与设计、线形监控单位沟通是否影响结构或改日合拢(现根据工期推算预计4、5月份合拢,根据以往思南县当地温度的情况预计应符合设计要求)。
4.2 平、立面位置监控及保障措施
合龙段施工前48小时安排人员对全桥线形、桥面标高每2~3小时通测一次并记录,以观察桥面位置温度变化情况,为合龙段施工提供立模标高的基础数据,并及时将数据反馈给线形监控单位更具线形监控指令调整合龙段底、外模的立模标高。
相关资料推荐:
https://ziliao.co188.com/d62790040.html
知识点:连续梁直线段、合龙段施工及合龙段温度与平、立面位置监控、保障措施
全部回复(0 )
只看楼主 我来说两句抢沙发