图纸是设计师的语言。如何使得语言简洁而富有逻辑,需要仔细考虑语言架构。
图纸简洁而一目了然,绘图的框架必须清晰而全面。一般要遵循常规阅读框架,方便施工员读图。
本文中图纸(相关图纸采用国内优秀的钢桥绘图软件“桥易”绘制,该程序绘图便利且迅速,推荐试用)仅为宏观示意绘图流程,并非实际工程。
图纸中并未注意相关构造细节及焊缝形式等
1、中等跨度钢箱梁根据经验进行初步设计的立面、平面、4个典型横断面绘制
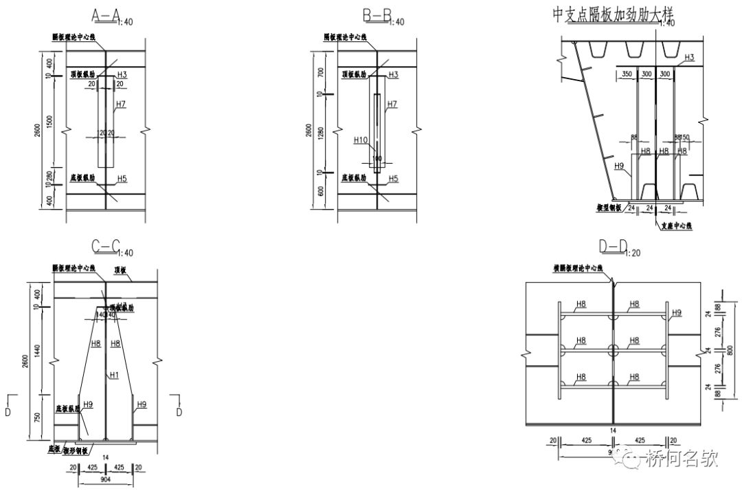
1)普通断面
2)跨间横隔板断面
3)竖向加劲肋断面
4)支座断面
5)全桥用钢量估算表
2、施工图钢箱梁绘制
1)所有图纸均需钢箱梁整套验算通过后方可进行
2)根据横梁计算结果优先确定横梁隔板
3)根据第二体系计算结果确定跨间隔板间距,支座隔板确定后反推跨间隔板位置
4)跨间隔板确定后再定竖向加劲肋纵向位置
5)立面、顶底平面绘制

立面

平面
6)典型断面绘制

典型横断面



实腹式横隔板


框架式横隔板



中支点横隔板
7)细部构造绘制
7-1)纵向加劲肋细部构造

纵向加劲肋构造
7-2)挑梁、隔板细部构造

纵向加劲肋构造
7-3)底板进人孔

纵向加劲肋构造
7-4)腹板进人孔
7-5)纵腹板加劲肋
7-6)支座横梁平面、纵向断面
8)钢箱梁焊缝绘制


典型焊缝表
9)钢箱梁现场连接
10)预拱度绘制
11)铺装绘制
12)钢板编号,材料统计



主梁系统数量表

横隔板数量表

全桥数量表
钢箱梁复核分为计算复核与图纸复核。
1)主要计算复核

2)图纸复核

内容源于网络,旨在分享,如有侵权,请联系删除
相关资料推荐:
https://ziliao.co188.com/d63297942.html
知识点:钢箱梁绘图及复核流程
0人已收藏
0人已打赏
免费3人已点赞
分享
桥梁工程
返回版块19.44 万条内容 · 655 人订阅
阅读下一篇
钢箱梁设计及计算流程钢箱梁设计流程 确定采用钢箱梁方案后,根据以下边界条件拟定钢箱梁的各个参数:1)钢箱梁的孔跨布置,立面梁高的主要控制因素,根据跨度、经济性确定等高、变高设计;2)钢箱梁平面线形,结合受力及制造的考虑,顶底板加劲肋的类型的控制因素;3)桥面宽度车道布置,箱室划分的主要控制因素,兼顾上下翼缘剪力滞的折减程度、车轮轨迹带的避让、钢箱梁节段运输现场连接的便利;4)纵向加劲肋类型确定跨间隔板、横肋纵向布置间距,梁高箱宽决定隔板类型;
回帖成功
经验值 +10
全部回复(0 )
只看楼主 我来说两句抢沙发