midas Civil
midas Civil是桥梁领域通用结构分析及设计系统,它具有直观的操作界面,并且采用了尖端的计算机显示技术。midas Civil集成了静力分析、动力分析、几何非线性分析、屈曲分析、移动荷载分析、PSC桥分析、悬索桥分析、水化热分析等分析设计功能。
midas FEA
midas FEA是“目前唯一全部中文化的土木专用非线性及细部分析软件”,它的几何建模和网格划分技术采用了在土木领域中已经被广泛应用的前后处理软件midas FX 的核心技术,同时融入了MIDAS强大的线性、非线性分析内核,并与荷兰TNO DIANA公司进行了技术合作,是一款专门适用于土木领域的高端非线性分析和细部分析软件。
midas Civil Designer
midas Civil Designer是针对中国规范开发的一款桥涵结构通用设计平台。它以构件验算位置设计验算及结果输出,具有强大的设计功能,使用户一站式完成结构设计。通用midas CivilDesigner的特色功能——预应力钢束调束,用户可根据验算结果快速调整钢束布置,同步实现实时验算;通过“工作树”及图表等方式简便、直观地显示验算及图形结果,并输出符合工程设计要求的计算书,是一款与我国现行规范紧密结合、符合设计人员设计思维和习惯的桥涵结构通用设计平台。
midas SmartBDS
midas SmartBDS是集建模、分析、设计和施工图绘制为一体的智能化桥梁解决方案,它提供直观友好的操作界面,并且采用了尖端的桥梁结构分析设计、计算机图形处理、施工图纸绘制等技术。midas SmartBDS集成了PSC箱梁(横梁)、RC箱梁(横梁)的分析和设计功能,并可自动绘制并输出PSC箱梁、RC箱梁、下部结构的施工图纸。



说明:
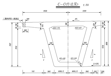
1、简支预制装配式小箱桥,桥面宽度13.25m,单幅桥梁片数4,梁间距3.317m;
2、预制梁高1.8m,每片预制边梁宽2.85m,中梁宽2.4m;
3、小箱梁结构顶板厚度0.18m,底板厚度由支点位置0.18m变化到跨中位置0.36m。
主要技术指标:
1、结构形式:装配式后张法预应力混凝土简支小箱梁;
2、计算跨径:35m;
3、斜交角度:0°
4、汽车荷载:公路-Ⅰ级
5、C50混凝土:重力密度γ=26.0kN/m3 ,弹性模量为Ec=3.45× 10^4MPa;
6、沥青混凝土:重力密度γ=24.0kN / m3;
7、预应力钢绞线:弹性模量Ep=1.95×10^5 MPa,松驰系数ζ=0.3;
8、锚具:锚具变形、钢筋回缩取6mm(一端);
9、管道摩擦系数:u=0.25,管道偏差系数:κ=0.0015/m;
10、结构重要性系数1.1。

计算原则:
1、10cm厚C40混凝土桥面现浇层,不参与结构受力,仅作为二期恒载施加;
2、温度效应:均匀升降温均按20℃考虑,梯度温度按《公路桥涵设计通用规范》JTG D60-2015取值;
3、按A类预应力构件设计;
4、边界条件:小箱梁预制阶段和存梁阶段的临时支座用“一般支撑”模拟;小箱梁安装以后的永久矩形板式橡胶支座的约束用节点弹性支撑进行模拟;




主要配筋:
预应力钢绞线采用抗拉强度标准值 =1860MPa、公称直径d=15.2mm的低松弛高强度钢绞线。
施工阶段:小箱梁施工共分为6个阶段,各阶段工作内容详见下表。
施工阶段 |
施工天数 |
工作内容说明 |
CS1 |
10 |
预制小箱梁并张拉预应力筋 |
CS2 |
30 |
预制场存梁30天 |
CS3 |
30 |
预制场存梁60天 |
CS4 |
30 |
预制场存梁90天 |
CS5 |
15 |
安装小箱梁 |
CS6 |
30 |
现浇防撞护栏和桥面铺装 |
CS7 |
3650 |
考虑10年收缩徐变影响 |
建模流程图:

(1)支座参数计算:




(2)结构受力特点:
1、预制装配式小箱梁桥依靠横隔梁和桥面板联成为空间整体结构。
2、结构具有空间受力特性,当桥上作用荷载时,各片主梁将共同参与工作,形成了各主梁之间的内力分布。
3、每片主梁分布到的内力大小,随桥梁横截面的构造形式、荷载的类型以及荷载在横向的作用位置不同而不同。所以,梁桥的这种受力特性实际上属于空间结构的力学分析范畴。

(3)计算方法:
1、荷载横向分布系数法:空间计算问题简化成平面问题来解决,实际上是对空间问题的近似处理;
2、梁格法:由纵向主梁和横向联系梁组成的空间梁格体系。

荷载横向分布系数法
多片梁式结构空间问题合理地简化为平面问题来解决,通常要借助计算各片梁的挠度或内力的横向分布规律来确定其荷载横向分布系数,此方法称之为“荷载横向分布理论”。
斜角角度影响:
1、斜角角度为0°~10°时,荷载横向分布系数变化不明显,可按正交桥考虑;
2、斜角角度大于10°时,由于弯扭耦合作用各梁跨中荷载横向分布系数明显减少。在同一斜度下,中跨跨中的荷载横向分布系数大于边跨跨中的荷载横向分布系数。
梁片数的影响:
1、3~5片梁时,推荐使用刚性横梁法进行横向分布系数计算;
2、5~9片梁时,推荐使用G-M法进行荷载横向分布系数计算
(来源于文献《先简支后连续斜交小箱梁桥荷载横向分布研究》中外公路)
刚性横梁法
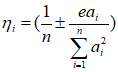
1、偏心荷载P作用下各主梁所分担的荷载从图中可以看出,在上述前提假定下,桥面在偏心荷载作用下的变形为一直线,且靠近活载一侧的边梁受载最大;
2、将偏心力P分解为通过扭转中心的P及M=Pe。只要求出两种荷载作用下对于各主梁的作用力,并将其叠加,便可得到偏心荷载P=1对各根主梁的荷载横向分布;
3、令P=1依次变化e,则可求出第i根主梁荷载横向分布影响线纵标η,根据横向影响线求荷载横向分布系数:



适用于有较强横向连接构件的结构,如横隔板!
梁格法
1、梁格法:一种利用计算机对桥梁上部结构进行分析计算的非常实用的方法,能适用于板式、梁板式、箱梁上部结构以及各种组合体系桥梁;
2、梁格法的核心:用一个等效的梁格来模拟实际的上部结构,将分散在板式或箱梁各个区段内的弯曲刚度和抗扭刚度集中于最靠近的等效梁格内,实际结构的纵向刚度集中于纵向梁格构件内,而横向刚度则集中于横向梁格构件内;
3、从理论上讲,梁格必须满足以下等效原则:当实际结构和对应的等效梁格在相同荷载作用下,两者的挠曲应该是相等的,并且在随便一个梁格内的弯矩、剪力和扭矩都应该等于该梁格所代表的实际结构部分的弯矩、剪力和扭矩。
4、实际结构的受力特性和梁格体系的结构特性是不相同的,要想达到以上等效的理想状况是非常困难的,故我们只能进行近似的模拟,这种特性主要体现在下列方面:

梁格法中最核心的问题就是如何准确的模拟原型结构,使模拟的梁格与原型结构尽量相吻合。具体的梁格等效模拟包括两方面即梁格确定网格的划分与梁格截面特性的拟定。
1、用梁格法计算出的纵向弯矩和横向弯矩在结构设计中是足够精准的;
2、当梁格网格划分的相当致密时,梁格会随着扭曲而形成一曲面,我们可以认为在正交方向上是近似相等的。
梁格法更能满足现行规范要求及计算精度!
相关资料推荐:
https://ziliao.co188.com/p53498604.html
知识点:midas 预制小箱梁梁格分析设计
0人已收藏
0人已打赏
免费4人已点赞
分享
桥梁工程
返回版块19.44 万条内容 · 655 人订阅
回帖成功
经验值 +10
全部回复(1 )
只看楼主 我来说两句 抢板凳看一下。。学习下这方面的内容
回复 举报