
桥梁加固原因
1、随着经济的发展,交通量增大,载重等级发生变化。
2、早年设计的指导思想注重于材料的节省,安全度低,一般来说造成断面单薄、安全储备低,其中最典型的是双拱桥。
3、桥梁耐久性差和年久老化,如砖拱桥。
4、修建的桥梁,因设计失当或施工质量差,也存在加固的问题。
规范加固设计计算基本假定



直接加筋类加固构件特点是后加补强材料只承担车辆荷载及后加荷载产生的内力,与原结构钢筋相比,其应变(应力)相对滞后,一般情况下在极限状态时,其应力达不到抗拉强度设计值。
加固设计程序

特大桥、大桥或技术复杂桥梁应根据桥梁技术状况及承载能力评定结论,综合考虑各种因素编制加固工可,按本条程序进行加固设计;一般性桥梁可不做工可,但在初设中对桥梁主要承重部分的加固应有不少于两个方案比较,择优选推荐方案进行施工图设计。
桥梁加固常用方法

规范中相应的构件加固法

(一)主要加固结构型式
在桥梁构件采用增大截面法加固工程上,主要的结构型式有:
1)受弯构件

2)受压构件(轴压、偏心受压)

设计规范针对上述构件的增大截面加固法制订了条文,主要提出的要求为:
(1)加固计算的基本公式;
(2)相应的新旧混凝土截面构造要求等。
(二)混凝土受弯构件加固设计计算
1)增大截面法加固混凝土受弯构件分在截面受压区和截面受拉区加固型式。
受弯构件截面受压区加固是以增加截面混凝土高度为主,但必须按要求配置构造钢筋;
受弯构件受拉区加固是以增加补充受拉钢筋为主,但必须增设混凝土厚,达到钢筋混凝土保护层厚度的要求。

规范要求按JTG D62规范第8.1条组合式受弯构件要求进行设计计算。计算是按二阶段受力计算。
*对加固前原梁和加固后组合式受弯构件分别进行正截面承载力、斜截面承载力计算;
*结合面抗剪计算;
*使用阶段计算。
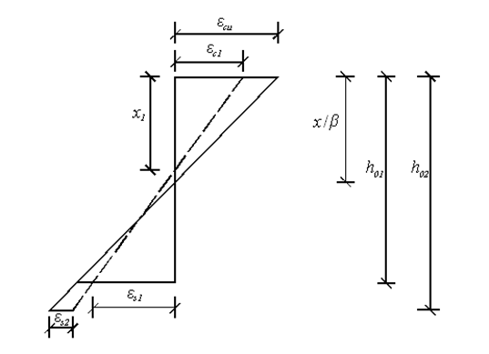
受弯构件的抗弯承载力计算

正截面受弯承载力应按下列公式计算

混凝土受压区高度应按下式确定

混凝土受压区高度尚应符合下列条件

新增纵向普通钢筋拉应变

截面应变图
斜截面抗剪承载力计算

新老混凝土结合计算
在受压区增设现浇混凝土加厚层的梁,当符合本规范第5.5.1条、第5.5.3条和第5.5.5条构造要求时,原构件与新增混凝土现浇层之间结合面的抗剪承载力按下式计算:

在受压区增设现浇混凝土加厚层的板,当在新老混凝土的结合面上不配置抗剪钢筋且符合本规范第5.5.5条的构造时,其结合面抗剪承载力应符合下列要求:

当结合面符合本规范第5.5.3条的构造要求,且同一竖向截面配置不少于
(以
计)的竖向结合钢筋时,新老混凝土结合面抗剪承载力应符合下列要求:

在受拉区采用增大截面加固的受弯梁,原构件与新增混凝土现浇层之间结合面的抗剪承载力可按式(5.4.1)计算。
构造要求
(1)新浇混凝土要求
强度:宜比原结构提高一级且不低于C25;
厚度:板不小于100mm;梁和受压构件不小于150mm。
(2)新增钢筋及布置
受力钢筋不小于12mm,不宜大于25mm;
构造筋不小于10mm。
(3)界面处理及植筋
原构件表面应凿成凹凸差不小于6mm的粗糙面;
种植相应的钢筋。
(一)粘贴钢板加固法设计计算
通过对构件采用结构胶结剂粘贴钢板一提高构件承载力的方法。
这种方法从作用原理上属于被动加固方法,因此,根据桥梁带载加固的分阶段受力,规范提供了受弯构件、偏心受压构件、偏心受拉构件加固计算公式,其计算原理与增大截面法相近。
(二)构造技术要求
1)采用直接涂胶粘贴的钢板厚度不应大于5mm;钢板厚度大于5mm时,应采用压力注胶粘结。


2)对钢筋混凝土受弯构件进行正截面加固时,钢板宜采用条带粘贴,钢板的宽厚比不应大于50。
3)当粘贴的钢板延伸至支座边缘仍不满足本规范第6.2.5条延伸长度的要求时,应采取下列锚固措施:
★ 对梁,应在延伸长度范围内均匀设置U形箍,且应在延伸长度的端部设置一道加强箍。
★ 对板,应在延伸长度范围内通长设置垂直于受力钢板方向的压条。压条应在延伸长度范围内均匀布置,且应在延伸长度的端部设置一道。

(一)加固设计计算
根据我国桥梁加固工程实践与工程研究资料,规范强调了这种加固方法主要用于桥梁的受压构件加固。
虽然也适用于梁、板加固。但在设计计算方法上有不同处理。
1)对受压构件,全长无间隔环向连续粘贴纤维复合材料提出了正截面承载力计算方法及延性加固计算方法。
2)对受弯构件,仍认为是属于桥梁带载加固的被动加固方法。因此,与粘贴钢板法类似给出了考虑分阶段受力的加固计算方法。
(二)构造技术要求
1) 一般规定
(1)纤维复合材料宜粘贴成条带状,非围束时板材不宜超过2层,布材不宜超过3层。
(2)对钢筋混凝土柱进行粘贴纤维复合材料加固时,条带应粘贴成环形箍,且纤维方向应与柱的纵轴线垂直。
加固大偏心受压构件,可将纤维复合材料粘贴于构件受拉区边缘混凝土表面,纤维方向应与柱的纵轴线方向一致。
加固受拉构件,纤维方向应与构件受拉方向一致。
2)梁、和板加固
对梁、板进行抗弯加固时,可在纤维复合材料两端设置U型箍或横向压条。其切断位置距其充分利用截面的距离不应小于按下式计算得出的粘结长度

纤维复合材料的粘贴延伸长度

当纤维复合材料延伸至支座边缘仍不满足粘结长度 的规定时,应采取以下锚固措施:

一般规定(要求)
体外预应力索应具有防腐能力,且可更换
转向装置与梁体连接可靠,应进行强度验算
自由长度超过10m时应设置定位装置
结构混凝土强度低于C25时不宜采用体外预应加固。
(一)主要加固构造型式


连续梁的体外预应力加固

简支梁的体外预应力加固
这种方法在目前是对钢筋混凝土和预应力混凝土梁使用较多,因此规范针对体外预应力加固梁提出设计计算方法和技术要求。
(二)加固体系结构特点
增设的预应力钢束与梁体混凝土之间无粘,同一截面内的体外预应力钢束与混凝土之间变形不协调。
一般情况下加固梁达到承载力极限状态时,体外预应力筋的应力达不到其强度设计值。
(三)体外预应力加固梁的设计计算

转向装置宜采用钢部件、现浇混凝土块体或附加钢锚箱结构。
规范根据结国内外相关试验研究资料,对转向装置的局部计算提出了相应计算公式。
(一)加固原理
1)采用一定的技术措施改变原结构受力体系,调整结构内力,降低控制截面内力,进而间接提高原结构整体承载力的方法。
本质上是通过改变原结构受力体系,使控制截面的荷载作用效应减小。

2)改变桥梁原结构受力体系,一般是原桥上部结构为静定结构变为超静定结构;超静定次数少变化为超静定次数多的结构。
改变桥梁原结构受力体系会使某些控制截面内力降下来,但也会使某些截面内力增大,或者支承反力发生变化,因而规范要求:
(1)对需要采用改变体系法加固的桥梁,须进行深入、细致的方案论证;
(2)采用改变结构受力体系加固法,应对新、旧整体结构的各受力阶段进行验算;
(3)必要时综合使用其他加固法做为加固补充;
(4)施工中应严格执行规定的施工方法。
(二)多跨简支梁改变为连续梁

(1)降低车辆活载、人群以及二期恒载在原梁跨中截面的弯矩;但在原相邻跨梁端出现负弯矩,同时支座反力发生变化;
(2)在墩顶梁段要增设预应力钢筋和普通钢筋以抵抗负弯矩;
(3)墩顶梁段设置横隔梁;
(4)关于单支座与双支座。
简支梁连续梁标准图式是将原墩顶两排支座更换为单排支座,但是对某些情况下更换支座困难时,可保持原结构支座形成双支座。
但因简支梁在墩顶上的两排支座间矩a比较小,故在受力体系由简支梁改为连续梁后,在自重作用可能会出现其中一排支座脱空,故应对桥墩进行验算。










相关资料推荐:
https://ziliao.co188.com/d63116335.html
知识点:桥梁加固设计及加固方法
0人已收藏
0人已打赏
免费7人已点赞
分享
桥梁工程
返回版块19.44 万条内容 · 655 人订阅
阅读下一篇
PC预压应力的不同涵义及其对桥梁设计规范的影响预应力混凝土(PC)构件中混凝土的预压应力σpc,是业内专业人员非常熟悉的一个概念,是指预加力在PC构件横截面的混凝土中引起的压应力,具体位置一般指在外荷载作用下横截面的受拉区域。 但就是这样一个众所周知的概念,在具体应用时以及在不同的设计规范中却仍然存在差异,导致某些计算结果或者验算指标也不相同。例如:在我国《公路钢筋混凝土及预应力混凝土桥涵设计规范 JTG3362-2018》、《铁路桥涵混凝土结构设计规范TB 10092-2017》及《铁路桥涵设计规范(极限状态法)Q/CR 9300-2018》中就有不同的涵义,使得某些条文的计算结果亦不同,比如抗裂性计算、预应力损失及有效预应力计算等。
回帖成功
经验值 +10
全部回复(6 )
只看楼主 我来说两句-
doushengf
沙发
2022-09-12 12:30:12
赞同0
-
wanshuns
板凳
2022-09-12 12:29:12
赞同0
加载更多桥梁加固设计,从规范到加固方法,一次性了解!,谢谢楼主分享好资料谢谢啦。
回复 举报
桥梁加固设计,从规范到加固方法,一次性了解!,谢谢楼主分享好资料谢谢啦。
回复 举报