土木在线论坛 \ 道路桥梁 \ 隧道工程 \ 电力隧道供配电的几个问题

电力隧道供配电的几个问题

发布于:2022-08-22 15:08:22 来自:道路桥梁/隧道工程 [复制转发]

1 前言

电力隧道附属工程包括:消防系统、排水系统、通风系统、供配电及照明系统、监控与报警系统、标识系统等。其中,强弱电系统为隧道的附属设施提供电力保障及控制接口,为运行管理提供安全保障,是隧道最主要的附属工程。对此本文结合相关规范、手册、标准图集、行业标准和工程实例等针对几个问题进行技术讨论,希望能为电力隧道附属设施的精细化设计提供参考。

2 工程设计实例分析

2.1 排水泵负荷等级问题

依据《城市综合管廊工程技术规范》GB 50838-2015第7.3.2条:综合管廊的消防设备、监控与报警设备、应急照明设备应按现行国家标准《供配电系统设计规范》GB 50052规定的二级负荷供电。天然气管道舱的监控与报警设备,管道紧急切断阀、事故风机应按二级负荷供电,且宜采用两回线路供电当采用两回线路供电有困难时,应另设置备用电源。其余用电设备可按三级负荷供电。国标图集《综合管廊供配电及照明系统设计与施工》17GL602中列举了综合管廊的负荷分级,详细负荷分级见表1。

图片

行业标准《电力电缆隧道设计规程》DL∕T 5484-2013第10.0.10条:排水泵按二级负荷考虑,排雨水时按一级负荷考虑。

国家规范和行业标准之间对排水泵用电负荷的分级有明显差异,就目前北方所建地下管廊而言,管廊灭火一般采用的是悬挂式超细干粉灭火装置,管廊内既没有喷淋、消火栓等出水量较大的消防灭火设施,也没有较为明显的渗漏现象。管廊内排水系统主要排除隧道内冲洗水、结构缝处渗漏水以及隧道开口处漏水,因此,排水泵既不属于消防负荷,也不属于其他重要负荷,出于成本综合考虑,一般情况下把排水泵的负荷等级可定义为三级负荷,单电源供电即可。如果甲方或排水专业有特殊要求,需要提高负荷等级,排水泵的负荷等级可定义为二级负荷,采用双电源供电末端切换方式。

图片

图1:排水泵逻辑示意图

2.2 应急照明、普通照明以及备用照明设置问题

2.2.1应急照明

依据《消防应急照明和疏散指示系统技术标准》GB 51309-2018 第3.2.4条、第3.2.9条 、第3.8.2条:

①.应设置在走道、楼梯两侧距地面、梯面高度1m以下的墙面、柱面上;

②.方向标志灯的标志面与疏散方向垂直时,灯具的设置间距不应大于20m;方向标志灯的标志面与疏散方向平行时,灯具的设置间距不应大于10m;

③.当安全出口或疏散门在疏散走道侧边时,应在疏散走道上方增设指向安全出口或疏散门的方向标志灯;

④.备用照明灯具可采用正常照明灯具,在火灾时应保持正常的照度;

⑤.集中电源的蓄电池组和灯具自带蓄电池达到使用寿命周期后标称的剩余容量应保证放电时间满足本条第1款~第5款规定的持续工作时间。

依据《城市综合管廊工程技术规范》GB 50838-2015第7.4.1条:应急电源持续供电时间不应小于60min。

综上所述,设计人员应严格按照相关规范要求完善设计图纸,总结如下:

①.管廊内的方向标志灯通常为距地0.5米支架安装,方向标志灯的标志面与疏散方向为平行设置,所以灯具的设置间距不应大于10m。

②.在火灾时为了能引导区域内人员更快的疏散,当安全出口或疏散门在疏散走道侧边时,应在疏散走道上方增设指向安全出口或疏散门的方向标志灯。

③.风机房(通风口)可选用普通灯具,照明电源可由风机配电柜专用回路引来,不必另置照明配电箱增加成本;电动井盖等其他就近的消防设备的电源也可以引自风机配电柜。

④.蓄电池的选择不仅要考虑火灾时的持续应急时间,还要增加非火灾状态下主电源断电持续应急时间,所以蓄电池供电持续工作时间t=t1(60min)+t2(30min)=90min。

2.2.2正常照明

在满足照度要求的前提下,隧道通道设置正常照明(备用照明)灯具如何布置更合理呢?让我们以长度200米标准防火分区隧道为例,选用直管LED T5灯具,照度计算如下表所示:

图片

由照度计算可以得出两种间隔布置均满足照度要求,只是间隔越大,灯具数量减少,灯具功率增大,成本相对较低。但是间距越大,灯具交叉点处照度越不利,照明均匀度也越差,设计时需根据成本测算综合考虑。作者认为选用20W~45W灯具、间距5米~10米均匀布置均能满足平时运行管理的照明需求,同时在出入口和设备操作处应把单管灯具改为双管灯具或选用较大功率的单管灯具等其他照明措施,以满足过渡照明和操作面作业照明的照度要求。

同时依据《国家电网公司电缆通道管理规范》第十二条的要求,在灯具设计选型时应选用防潮、防爆型节能灯具,其防护等级不宜低于IP65

图片

图2:K1路地下管廊

2.2.3备用照明

备用照明是在正常照明电源发生故障时,将无法正常工作和活动,为确保正常活动继续进行而设的照明部分。隧道设置的备用照明应属于非消防负荷,查看了相关规范和其他设计院图纸后总结了三种设计方案,仅供参考:

①.每个防火分区都有消防电源时,备用照明电源和应急照明配电箱电源均引自消防设备双电源配电箱专用回路,正常照明设置独立的照明配电箱,采用单电源供电,正常照明灯具和备用照明灯具交叉布置。

②.非每个防火分区都有消防电源时,在每个防火分区设置双电源照明配电箱,配出正常照明(备用照明)和应急照明配电箱电源的专用回路。

③.每个防火分区设置普通照明配电箱,隧道内灯具每隔两个或三个选用自带蓄电池型(蓄电池供电时间为30min),以满足备用照明需求。应急照明配电箱电源引自临近变电室或通风口消防设备双电源配电箱专用回路。

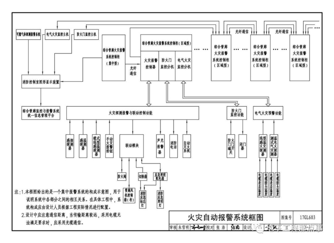
2.3 火灾自动报警系统设置问题

依据《城市综合管廊工程技术规范》GB 50838-2015第7.5.7条:干线、支线综合管廊含电力电缆的舱室应设置火灾自动报警系统;《城镇综合管廊监控与报警系统工程技术标准》GB/T 51274-2017第7章:干线/支线综合管廊含电力电缆的舱室、监控中心、变配电室配套用房应设置火灾自动报警系统。

依据《综合管廊电力舱设计技术导则》QGDW 11690-2017 第7.2.4条:电力舱内应设置火灾自动报警系统;《明挖电缆隧道设计导则》Q∕GDW 11187—2014第10.2.6条:电缆隧道内宜加装火灾报警系统;《隧道内电力电缆本体及环境监测配置技术原则》Q/GDW 12066—2020对于不同等级隧道内环境监测设备的配置,如下表A.1所示:

图片

综上所述,依据国标规范来看,地下管廊工程应设置火灾自动报警系统,但是行标导则为可/宜/应设置,表述较为混乱,没有明确的指导要求。那么地下隧道是否需要设置火灾自动报警系统呢?建议结合项目规格和需求考虑是否设置,若无特殊情况,应结合其他专业的消防系统设置火灾自动报警及联动控制系统。火灾自动报警系统不仅能提高火灾预防、减少火灾危害,保护人身和财产安全,也可以对灭火系统、防火门系统、门禁系统、应急照明系统、通风系统、火灾警报系统、非消防电源切断等联动控制。火灾自动报警系统作为地下管廊附属工程的重要组成部分,具有不可替代的作用。

图片
图3:地下管廊火灾自动报警系统框图

2.4 消防应急广播设置问题

依据《火灾自动报警系统设计规范》GB50116-2013第4.8.7条:集中报警系统和控制中心报警系统应设置消防应急广播。条文解释:采用集中报警系统和控制中心报警系统的保护对象多为高层建筑或大型民用建筑,这些建筑内人员集中又较多,火灾时影响面大,为了便于火灾时统一指挥人员有效疏散,要求在集中报警系统和控制中心报警系统中设置消防应急广播。对于高层建筑或大型民用建筑这些人员密集场所,多年的灭火救援实践表明,在应急情况下,消防应急广播播放的疏散导引的信息可以有效地指导建筑内的人员有序疏散。为了提高这些复杂建筑在火灾等应急情况下的人员疏散能力,减少人员伤害,所以将本条确定为强制性条文。

依据《城镇综合管廊监控与报警系统工程技术标准》GB/T 51274-2017第7.2.3条的条文解释:由于综合管廊为非公共场所,平时只有少量工作人员进行巡检工作,当有紧急情况时火灾报警器可以满足需要,所以可不设消防应急广播。

综上所述,地下管廊不属于人员密集场所,综合成本考虑,作者认为地下管廊可不设置消防应急广播系统,可在防火分隔两端分别设置一组火灾声光报警器以满足警示作用。管廊内任意位置发生火灾时,为保证管廊内人员对火灾报警响应的一致性,有利于人员疏散,建筑内设置的所有火灾声光报警器应同时启动和停止,闪烁的灯光和高分贝的啸叫会使滞留管廊人员立刻警觉,警示人员及时疏散。

3 结语

①.排水泵三级负荷配电,经济适用。

②.应急照明应严格按照《消防应急照明和疏散指示系统技术标准》执行。

③.正常照明(备用照明)满足照度要求前提下,做到安全可靠、经济合理。

④.消防安全很重要,火灾自动报警系统建议安装。

⑤.管廊平时人员少,应急广播非特殊不安装。

图片


地下管廊复杂多变,设计思路新颖巧妙。以上文章内容仅为作者本人看

法想法,欢迎大家批评指正。

内容源于网络,如有侵权,请联系删除


相关资料推荐:

某隧道供配电施工CAD平面布置参考图

https://ziliao.co188.com/d63661537.html




知识点:电力隧道供配电


全部回复(0 )

只看楼主 我来说两句抢沙发
这个家伙什么也没有留下。。。

隧道工程

返回版块

2.96 万条内容 · 280 人订阅

猜你喜欢

阅读下一篇

地下电缆隧道工程防水

一、引言 为使地下电缆隧道工程防水的设计和施工符合质量可靠、技术先进、经济合理、安全适用的要求,需要了解地下电缆构筑物的特点。 地下电缆隧道工程,通常上覆土层较厚,地下管线复杂,因此对构筑物的防水设计提出了更高的要求。工程防水方案应根据工程规划、结构形式、材料选择、结构耐久性和施工工艺等确定。 二、地下工程防水处理 1 防水处理原则 电力工程的相关设计规范中没有规定隧道的防水等级,隧道的设计通常执行国标《地下工程防水技术规范》(GB 50108),“规范”中规定:二级防水适用于人员经常活动的场所;在有少量湿渍的情况下不会使物品变质、失效的贮物场所及基本不影响设备正常运转和工程安全运营的部位;重要的战备工程。三级防水适用于人员临时活动的场所;一般战备工程。

回帖成功

经验值 +10