数据中心典型2N中压配电系统架构一般为单母线分段接线,设置母联,每段母线有一路市电电源进线和一路柴油发电机电源进线,物理隔离的两段母线均设置母联断路器。两段母线的两路市电电源进线开关、两路柴油发电机电源进线开关和一个母联开关间五选二电气连锁,以实现:
1、正常市电运行状况下,两路市电不应并列运行。
2、柴油发电机电源和市电电源不应并列运行。
3、两路市电均失电,柴油发电机电源运行状况下,两段母线应分列运行。
2N架构示例如下

对应电气联锁逻辑实现方式如下(尽量简化的电气联锁逻辑):
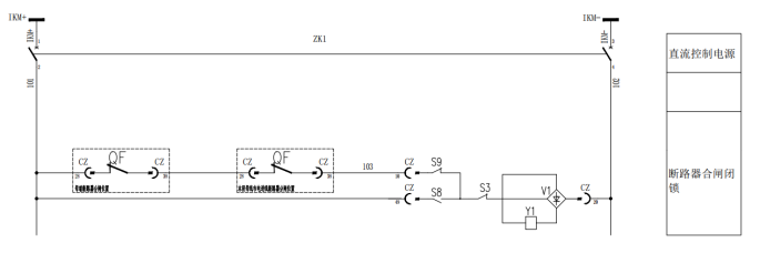
1、市电进线开关工作合闸连锁逻辑
母联开关和另一段母线市电电源进线开关其中一个在分闸位置,且本段母线柴油发电机电源进线开关在分闸位置,市电进线开关才允许合闸。如下图

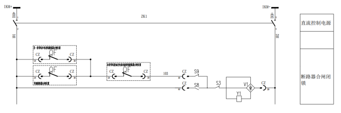
2、母联开关工作合闸连锁逻辑
两个市电进线开关其中一个在分闸位置,且两路柴油发电机电源进线开关均在分闸位置,母联开关才允许合闸。如下图

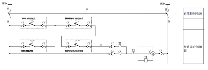
3、柴油发电机电源进线开关工作合闸连锁逻辑
一个母联开关在分闸位置,且所在母线段市电电源进线开关在分闸位置,柴油发电机电源进线开关才允许合闸。电气联锁不要求两个母线段市电电源进线开关均在分闸位置,是允许了一段母线由市电供电,另一段母线由柴油发电机供电的短暂运行工况的开关正常合闸操作。母联开关在分闸位置的电气联锁,已可以防止柴油发电机电源和另一段母线市电电源并列运行,和实现两路市电均失电,柴油发电机电源运行状况下,两段母线应分列运行。如下图

0人已收藏
0人已打赏
免费0人已点赞
分享
电气资料库
返回版块70.18 万条内容 · 794 人订阅
阅读下一篇
新基建:新一代绿色智慧数据中心电气规划设计与常识(一)绿色智慧数据中心 随着大数据、云计算、人工智能、区块链、ChatGPT等技术加速创新,数字文化产业发展动力强劲,不断解锁新兴业态。近年来,各级政府重要会议中也多次强调“新基建”今后一段时期驱动新一轮产业革命的战略性新兴产业,工信部每年发布绿色数据中心先进适用技术产品目录,梳理囊括如液冷服务器、模块化数据中心、分布式光伏并网发电等新技术应用,使我国数据中心逐渐走上高效、清洁、集约、循环的绿色发展道路。
回帖成功
经验值 +10
全部回复(0 )
只看楼主 我来说两句抢沙发