筏形基础的定义:是指当建筑物上部荷载较大而地基承载能力又比较弱时,用简单的独立基础或条形基础已不能适应地基变形的需要,这时常将墙或柱下基础连成一片,使整个建筑物的荷载承受在一块整板上,这种满堂式的板式基础称筏形基础。筏形基础由于其底面积大,故可减小基底压强,同时也可提高地基土的承载力,并能更有效地增强基础的整体性,调整不均匀沉降。
筏形基础的分类:筏形基础分为平板式和梁板式,一般根据地基土质、上部结构体系、柱距、荷载大小及施工条件等确定。平板式筏形基础的底板是一块厚度相等的钢筋混凝土平板。板厚一般在 0.5~2.5m 之间。平板式基础适用于柱荷载不大、柱距较小且等柱距的情况,其特点是施工方便、建造快,但混凝土用量大。底板的厚度可以按升一层加 50mm 初步确定,然后校核板的抗冲切强度。底板厚度不得小于 200mm。通常 5 层以下的民用建筑,板厚不小于 250mm;6 层民用建筑的板厚不小于 300mm。
当柱网间距大时,一般采用梁板式筏形基础。根据肋梁的设置分为单向肋和双向肋两种形式。单向肋梁板式筏形基础是将两根或两根以上的柱下条形基础中间用底板连接成一个整体,以扩大基础的底面积并加强基础的整体刚度。双向肋梁板式筏形基础是在纵、横两个方向上的柱下都布置肋梁,有时也可在柱网之间再布置次肋梁以减少底的厚度。

3.2.1 梁板式筏形基础平法识图
JZL 和 JCL 集中标注具体规定如下:
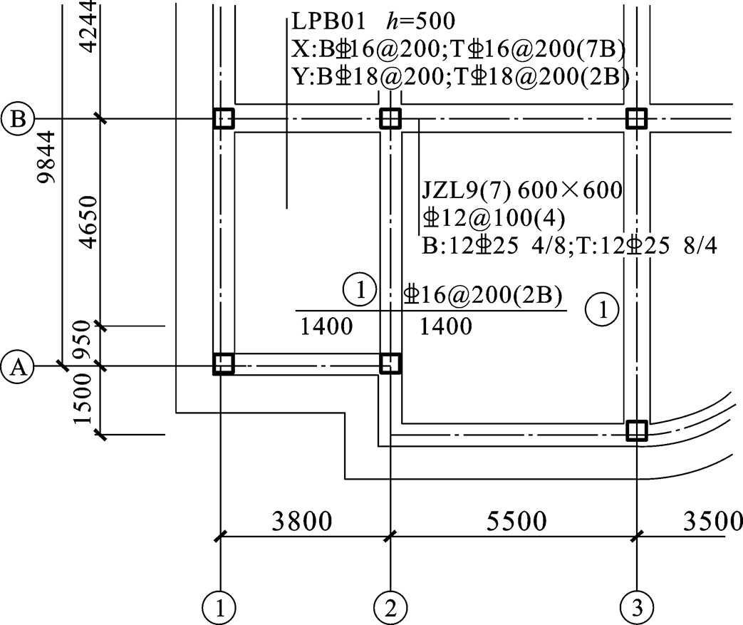
(1)注写基础梁编号
(2)注写基础梁截面尺寸。以 b×h,表示梁截面宽度与高度。当为加腋梁时,用 b×h Yc1×c2 表示,其中 c1 为腋长,c2 为腋高。
(3)注写基础梁的配筋


1)注写基础梁箍筋
①当采用一种箍筋间距时,注写钢筋级别、直径、间距与肢数(写在括号内)②当采用两种箍筋时,用“/”分隔不同箍筋,按照从基础梁两端向跨中的顺序注写。先注写第 1 段箍筋(在前面加注箍数),在斜线后再注写第 2 段箍筋(不再加注箍数)

2)注写基础梁的底部、顶部及侧面纵向钢筋
①以 B 打头,先注写梁底部贯通纵筋(不应少于底部受力钢筋总截面面积的1/3),当跨中所注根数少于箍筋肢数时,需要在跨中加设架立筋以固定箍筋,注写时,用加号“+”将贯通纵筋与架立筋相联,架立筋注写在加号后面的括号。②以 T 打头,注写梁顶部贯通纵筋值。注写时用分号“;”将底部与顶部纵筋分隔开,如有个别跨与其不同,按原位注写的规定标注。③当梁底部或顶部贯通纵筋多于一排时,用斜线“/”将各排纵筋自上而下分开。

④以大写字母 G 打头注写基础梁两侧面对称设置的纵向构造钢筋的总配筋值(当梁腹板高度 hw 不小于 450mm 时,根据需要配置)。

JZL 和 JCL 原位标注具体规定如下:
(1)注写梁端(支座)区域的底部全部纵筋,系包括已经集中注写过的贯通纵筋在内的所有纵筋:1)当梁端(支座)区域的底部纵筋多于一排时,用斜线“/”将各排纵筋自上而下分开。

3)当同排纵筋有两种直径时,用加号“+”将两种直径的纵筋相连。

4)当梁中间支座两边的底部纵筋配置不同时,需在支座两边分别标注;当梁中间支座两边的底部纵筋相同时,可仅在支座的一边标注配筋值。
5)当梁端(支座)区域的底部全部纵筋与集中注写过的贯通纵筋相同时,可不再重复做原位标注。
6)加腋梁加腋部位钢筋,需在设置加腋的支座处以 Y 打头注写在括号内。

注写基础梁的附加箍筋或(反扣)吊筋。将其直接画在平面图中的主梁上,用线引注总配筋值(附加箍筋的肢数注在括号内),当多数附加箍筋或(反扣)吊筋相同时,可在基础梁平法施工图上同一注明,少数与统一注明值不同时,再原位标注。(3)当基础梁外伸部位变截面高度时,在该部位原位注写 b×h1/h2,h1 为根部截面高度,h2 为尽端截面高度。(4)注写修正内容。当在基础梁上集中标注的某项内容(如梁截面尺寸、箍筋、底部与顶部贯通纵筋或架立筋、梁侧面纵向构造钢筋、梁底面标高高差等)不适用于某跨或某外伸部分时,则将其修正内容原位标注在该跨或该外伸部位,施工时原位标注取值优先。

梁板式筏形基础平板LPB的平面注写:1.板底部与顶部贯通纵筋的集中标注。
2.板底部附加非贯通纵筋的原位标注。集中标注规定:(1)注写平板的编号。(2)注写基础平板的截面尺寸。注写 h=XXX 表示板厚。(3)注写基础平板的底部与顶部贯通纵筋及其总长度。先注写 X 向底部(B 打头)贯通纵筋与顶部(T 打头)贯通纵筋及纵向长度范围;再注写 Y 向底部(B 打头)贯通纵筋与顶部(T 打头)贯通纵筋及纵向长度范围。贯通纵筋的总长度注写在括号中,注写方式为“跨数及有无外伸”,其表达形式为(xx)(无外伸)、 (xxA)(一端有外伸)或 (xxB)(两端有外伸)。注:基础平板的跨数以构成柱网的主轴线为准;


当某跨底部贯通纵筋或顶部贯通纵筋的配置,在跨内有两种不同间距时,先注写跨内两端的第一种间距,并在前面加注纵筋根数(以表示其分布的范围);再注写跨中部的第二种间距(不需加注根数);两者用“/”分隔。


原位标注注写位置:1.在配置相同跨的第一跨表达(当在基础梁悬挑部位单独配置时则在原位表达)。在配置相同跨的第一跨(或基础梁外伸部位),垂直于基础梁绘制一段中粗虚线,在虚线上注写编号(如①、②等)、配筋值、横向布置跨数及是否布置到外伸部位。注写内容:板底部附加非贯通纵筋向两边跨内的伸出长度值注写在线段的下方位置。当该筋向两侧对称伸出时,可仅在一侧标注,另一侧不注;当布置在边梁下时,向基础平板外伸部位一侧的伸出长度与方式按标准构造,设计不注。底部附加非贯通筋相同者,可仅注写一处,其他只注写编号。

板跨时,应由设计者在该板跨内注明,施工时应按注明内容取用。注:当若干基础梁下基础平板的底部非贯通纵筋配置相同时(其底部、顶部的贯通纵筋可以不同),可仅在一根基础梁下做原位注写,并在其他梁上注明“该梁下基础平板底部附加非贯通纵筋同 XX 基础梁”
“隔一布一”:底部附加非贯通纵筋与贯通纵筋交错插空布置,即“隔一根贯通纵筋,布一根非贯通纵筋”,其标注间距与底部贯通纵筋相同(两者实际组合后的间距为各自标注间距的 1/2)。非贯通纵筋的直径可以和贯通纵筋相同,也可以不同。施工布置时,第一根钢筋应布置贯通纵筋。



本文来源于建筑业百科,如涉及侵权,请联系删除!
0人已收藏
0人已打赏
免费1人已点赞
分享
地基基础
返回版块12.11 万条内容 · 717 人订阅
阅读下一篇
22G101图集:条形基础平法识图(二)基础梁钢筋算法 1、基础梁纵筋 (1)当基础梁无外伸时: 上部贯通筋长度=梁长-2*保护层+左弯折 15d+右弯折 15d(若梁宽≥锚固,可以直锚) 下部贯通筋长度=梁长-2*保护层+左弯折 15d+右弯折 15d(若梁宽≥锚固, 可以直 锚) (2)当基础梁有外伸时: 上部贯通筋长度=梁长-2*保护层+左弯折 12d+右弯折 12d
回帖成功
经验值 +10
全部回复(0 )
只看楼主 我来说两句抢沙发