土木在线论坛 \ 建筑结构 \ 地基基础 \ 优秀工程案例(三十三)阜康天山水泥生产线地基处理设计

优秀工程案例(三十三)阜康天山水泥生产线地基处理设计

发布于:2024-03-26 17:28:26 来自:建筑结构/地基基础 [复制转发]

前言


在岩土工程与工程测量科技服务领域,工程勘察行业坚持不断创新,为各类工程建设、城乡规划和城市安全运营等创造了日益丰富的价值和显著的环境效益与社会效益。

为社会公众和业界企业提供信息服务是中国勘察设计协会(简称“协会”)的重要职责。为此,协会岩土工程与工程测量分会从近两届获得全国工程勘察设计行业优秀勘察设计奖中工程勘察一等奖的项目中,甄选一批技术创新及其应用成效显著、创造价值和示范作用突出的项目,从2022年5月开始陆续在分会微信公众号和官方网站发布优秀项目展示信息。



中国勘察设计协会    

岩土工程与工程测量分会



01
项目概况
图片

图片
图片
图片
图片
本项目位于新疆阜康工业园内,场地上部约12m深度内为软弱土层,水泥生产线中均化库、熟料库、水泥库等采用筏板基础,窑头、窑尾、水泥磨等采用独立基础。其中均化库、熟料库、水泥库等荷载重大建筑物要求处理后地基承载力达到350~420kPa;同时各建筑物之间沉降差应满足生产线设备运转工艺要求。
根据项目对复合地基处理设计的较高地基承载力和生产线各建筑物之间沉降差控制的要求,采用“砂石桩+刚性桩”组合式地基处理设计方案。
项目于2011年初开工建设,2012年竣工投产。
图片
生产线鸟瞰图
02
场地条件
图片

1. 北京地铁14号线是连接西南、东北方向的轨道交通“L”型骨架线。 线路沿线地下水丰富、地下水位高、地层复杂。 线路东北、西南两端工程地质、水文地质情况差异大。
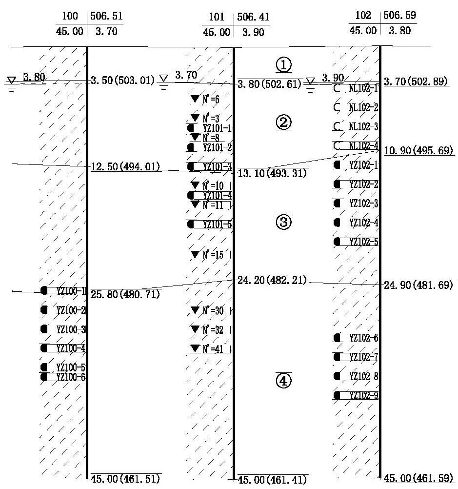
项目位于新疆特殊软土地区,根据勘察报告,勘探深度50m内均为粉土层,地层结构如下。
(1)粉土:层厚3.0~5.1m,稍湿,稍密,为湿陷性土,地基承载力特征值fak=100kPa,Es=3MPa。
(2)粉土:层厚8.5~10.5m,湿-饱水,稍密,土体上部呈流塑状,下部呈软塑状,地基承载力特征值fak=80kPa,Es =5MPa。
(3)粉土:层厚9.1~16.1m,湿,中密,地基承载力特征值fak=160kPa,Es =9MPa。
(4)粉土:层厚大于20m,较湿,密实,地基承载力特征值fak=220kPa,Es =10MPa。
场地地下水埋深3.5~5.0m,为潜水型。
场地水、土对建筑材料均具有强腐蚀性。
图片
典型地层剖面
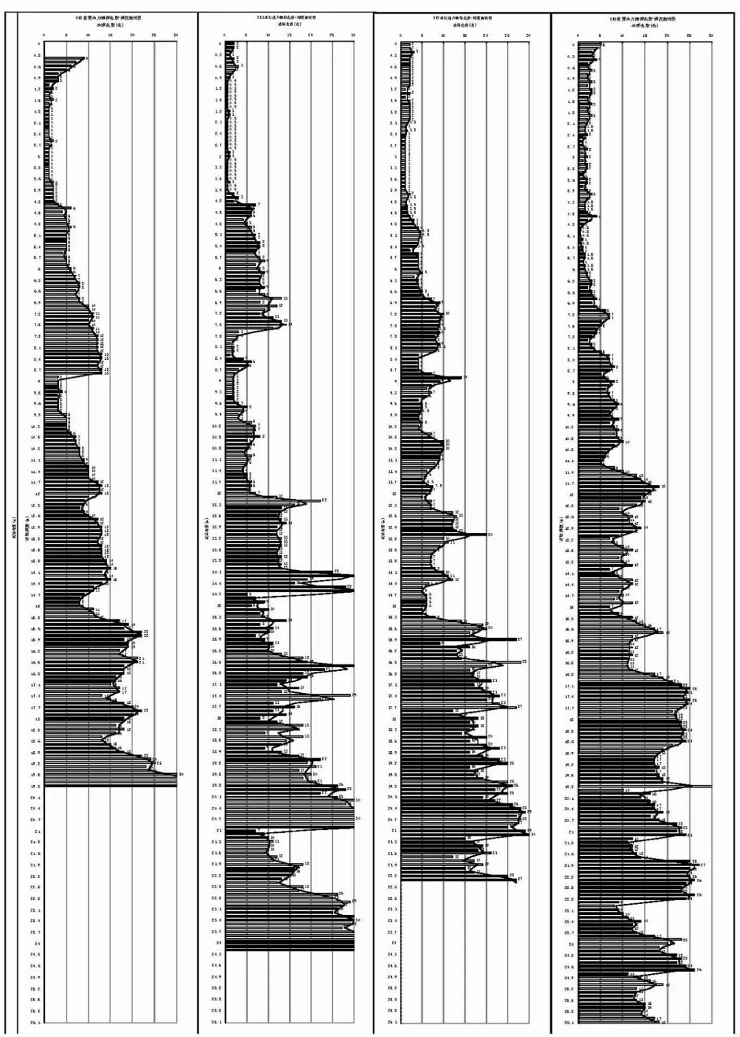
图片
典型连续动探图



03
工程问题和技术难点
图片

工程场地存在地下水位较高、上部深厚饱和软弱土、水土环境介质对建筑材料腐蚀性强等系列复杂问题,面临的工程问题和技术难点主要有以下4点。

1复合地基处理存在原土层地基强度低、处理后复合地基强度高要求,存在单一素混凝土桩复合地基不能解决本工程的地基强度问题;

(2)各建筑物荷载及附加振动荷载差异较大,需满足对地基处理后沉降变形的不同要求;同时需满足水泥生产线对各单体建(构)筑物之间严格沉降差的变形控制问题;

(3)场地上部软弱粉土存在因后期生产设备振动附加荷载引起的震陷及素混凝土桩失稳等岩土问题;

(4)场地地下水埋深较浅,基底位于地下水位线附近,上部土层过于软弱造成在试验性施工中长螺旋成桩出现缩径、排土量大、地面环形裂缝、下沉等施工问题。

04
技术创新和特色
图片
1. 技术创新
在2011年当时没有规范可依的情况下,地基处理设计采用“砂石桩+素混凝土桩”组合式创新设计理念,通过“散体桩+刚性桩”多桩型复合地基的工程实践,实现了软土地区处理后地基承载力特征值350~420kPa及生产线建筑物之间生产设备工艺的严格沉降差控制要求。
2. 技术特点
(1)开挖基槽并同时铺填一定厚度碎石填料,为砂石桩机械提供施工作业面。
(2)砂石桩排水固结及挤密处理,改善12m以上软弱粉土层工程性状,并消除软土震陷可能性,为二次复合地基设计创造必要条件。
(3)通过对碎石填料低能夯处理,有效加固砂石桩顶部欠振密层,进一步加快砂石桩排水固结,改善地基土性状(后期素混凝土桩桩间土),为后期素混凝土桩施工提供平稳作业面。
(4)在以上初步预处理地基的基础上,设置一定比例的素混凝土桩增强体,形成“砂石桩+强夯碎石层+素混凝土桩”的组合式复合地基。



05
工程效益与效果
图片

本工程复合地基设计采用“碎石桩+碎石填料强夯+素混凝土桩”的组合式地基处理方案。为选定经济可行的地基处理方案,前期进行了专项勘察、试验性施工、试桩等大量研究工作。
根据工程中遇到的岩土工程问题以及试验性施工面临的不利条件,采取先碎石桩改善桩间土的性状、再设置刚性桩复合地基的先进设计理念,通过将几种地基处理手段合理组合的复合地基设计思想,充分发挥每种地基处理方式的特点,采取控制刚性桩桩长,达到不同荷载建筑物对地基强度、变形的设计要求,较采用预制桩基础在地基基础部分节省了30%~40%的建设投资,取得了较好的经济和社会效益。
通过本项目的实施,为本地区工程建设提供了一种新的地基处理思路和方法,具有一定的借鉴和推广意义。

来源网络,如有侵权请联系删除


全部回复(0 )

只看楼主 我来说两句抢沙发

地基基础

返回版块

12.11 万条内容 · 717 人订阅

猜你喜欢

阅读下一篇

基坑支护设计综合类常见问题

01 问 内支撑的作用? 答

回帖成功

经验值 +10