土木在线论坛 \ 建筑结构 \ 混凝土结构 \ 如何查看剪力墙配筋结果

如何查看剪力墙配筋结果

发布于:2024-03-19 16:26:19 来自:建筑结构/混凝土结构 [复制转发]

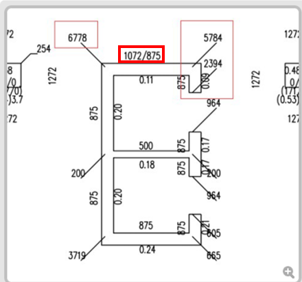
最近有客户发来一张截图如下图所示,客户想知道圈出来的配筋面积是如何查看的?

图片

图1 提出问题

在回答客户的问题之前,小编先介绍常见的几种剪力墙计算配筋结果。

1. 一字型剪力墙

在下右图中,一字型剪力墙端部200为各个构造边缘构件GBZ4的纵筋配筋;300为墙身水平竖向分布筋配筋结果(墙身两侧共300),水平和竖向分布筋为施工方便一般取相同结果(下同);水平小数为轴压比。

图片
图片

图2 一字型剪力墙配筋

2. L型剪力墙

在下右图中,L型剪力墙端部200为各个构造边缘构件GBZ3纵筋配筋;墙身水平段300为墙身水平竖向分布筋配筋结果(墙身两侧共300);小数为轴压比;墙肢相交处300为构造边缘构件GBZ2纵筋配筋。

图片
图片

图3 L型剪力墙配筋

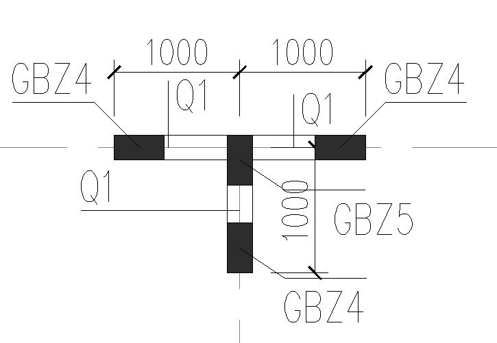
3. T型剪力墙

在下右图中,T型剪力墙端部200为各个构造边缘构件GBZ4纵筋配筋;水平段300为墙身水平和竖向分布筋配筋结果(墙身两侧共300);小数为轴压比;T型剪力墙墙肢相交处300为构造边缘构件GBZ5纵筋配筋。

图片
图片

图4  T型剪力墙配筋

在介绍完常见剪力墙配筋结果如何查看后,接下来看一下如何回复客户提出的问题。

4. 回复问题

图片

图5 解释说明

上图中,6778代表左上拐角处的边缘构件纵筋配筋,5784为右上角边缘构件纵筋配筋,2394为剪力墙端部边缘构件纵筋配筋结果。小数为剪力墙轴压比,水平段数值如1072/875代表墙身两侧水平分布筋配筋值为1072,两侧垂直分布筋配筋值为875。

在有了剪力墙钢筋计算配筋结果后,如何得到实际配筋值?

以上图5为例,左上角暗柱实际配筋面积应不小于6778mm?/m,右上角处因两个暗柱距离较近可以合并成一个暗柱,则配筋面积为5784+2394=8178mm?/m。墙身水平分布筋按照对应位置配筋值(两侧总共配筋值)配置钢筋。

5. 特殊说明

1.当墙身水平分布筋显示内容为用分号隔开时,如下图1072/875,其中1072是指的墙身水平分布筋配筋面积,875是指的墙身垂直分布筋配筋面积。

图片

图6 墙身分布筋

2.剪力墙暗柱何时合并呢?如何设置?

当两个暗柱距离较近时,暗柱会自动合并,此参数可以在平法配筋——剪力墙选筋控制设置。当相邻两个暗柱区的距离小于所输入的限值时,程序将合并两个暗柱区为一个。

图片

图7 合并暗柱的最近距离

如下图所示,下端有2个墙身的水平筋625,原因是下端的墙肢暗柱分别从左右开始生成暗柱,导致下方的暗柱距离很短,小于所设限值而自动合并,因此下方的两个墙身分布筋值625可以不管。

图片

图8 合并暗柱

3.非阴影区长度较小,软件自动将其合并到阴影区。

当非阴影区长度小于设定值,自动合并到阴影区,此参数可以在平法配筋——剪力墙选筋控制设置,与约束边缘构件配箍特征值λv配置范围相关。

图片

图9 非阴影区合并到阴影区

4.剪力墙有端柱时,剪力墙端柱处的暗柱总钢筋应为柱的纵筋总面积和墙端暗柱面积之和。

图片
图片

图10 带端柱配筋

如上右图所示,此时剪力墙端柱处暗柱总配筋值为200+720×4=3080mm?

 总结

1.    剪力墙边缘构件纵筋计算配筋值用引线引出表示,墙身水平竖向分布筋沿墙身居中表示,每一段墙有一个轴压比数值。

2.    剪力墙墙身水平和竖向分布筋一致时只显示一个数值,当配筋值不一致时,中间用/隔开。

3.    工程师可在平法配筋——剪力墙选筋控制中设置合并暗柱的最小距离及非阴影区长度小于设定值自动合并到阴影区。

4.    剪力墙端柱处的暗柱总钢筋应为柱的纵筋总面积和墙端暗柱面积之和。

全部回复(0 )

只看楼主 我来说两句抢沙发
这个家伙什么也没有留下。。。

混凝土结构

返回版块

140.17 万条内容 · 2216 人订阅

猜你喜欢

阅读下一篇

叠合剪力墙混凝土板的连接件及叠合剪力墙

叠合剪力墙混凝土板的连接件及叠合剪力墙 (节选) 蒋  征   刘玉柱   龚伶妃 邵阳碧桂园新城·桃花源著项目包括19栋高层住宅楼及2栋商业楼和地下车库,总建筑面积约35万平方米。该项目场地为低-微丘地貌形态,高层住宅建筑均采用剪力墙结构,剪力墙施工面积大,施工过程中对剪力墙的施工质量要求高,特别是叠合剪力墙混凝土板之间的连接问题

回帖成功

经验值 +10