浅谈剪力墙设计

图 1.1 剪力墙构件
《高规》7.1.3 跨高比小于 5 的连梁应按本章的有关规定设计,跨高比不小于5的连梁宜按框架梁设计。
《高规》7.1.7 当墙肢的截面高度与厚度之比不大于4时,宜按框架柱进行截面设计。

160mm 是最小的可能厚度。每一个墙肢高度与长度之比不宜小于3,墙肢长度不大于8m。
抗震设计时,为保证剪力墙底部出现塑性铰后具有足够大的延性,应对可能出现塑性铰的部位加强抗震措施,该加强部位称为“底部加强部位”。
《高规》7.1.4 抗震设计时,剪力墙底部加强部位的范围,应符合下列规定:
1.底部加强部位的高度,应从地下室顶板算起;
2.底部加强部位的高度可取底部两层和墙体总高度的 1/10 二者的较大值,部分框支剪力墙结构底部加强部位的高度应符合本规程 10.2.4 条的规定;
3.当结构计算嵌固端位于地下一层底板或以下时,底部加强部位宜延伸刡计算嵌固端。
《高规》10.2.2 带转换层的高层建筑结构,其剪力墙底部加强部位的高度应从地下室顶板算起,宜取至转换层以上两层不宜小于房屋高度的 1/10。
地下室顶板作为嵌固部位的条件
1、刚度比要求:抗规 6.1.14,地下室的抗侧刚度不小于上部结构刚度的2倍。
2、顶板构造要求:楼板不小于180mm,砼强度不小于 C30。宜采用双层双向配筋。

图 1.2 剪力墙结构示意图
剪力墙结构,楼层高 62.1米,1F为转换层。在分析和设计控制——控制信息——调整信息中,选择程序自动判断剪力墙底部加强区。

图 1.3 程序选择示意
根据《高规》10.2.2 程序自动刞断 1~3F 为剪力墙底部加强区。
注意:Building 对剪力墙底部加强区的划分可以根据规范要求自动划分,也可以由用户指定楼层。
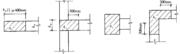
《高规》7.1.6 当剪力墙或核心筒墙肢与其平面外相交的楼面梁刚接时,可沿楼面梁轴线方向设置与梁相连的剪力墙、扶壁柱或在墙内设置暗柱,并应符合下列规定:
1 设置沿楼面梁轴线方向与梁相连的剪力墙时,墙的厚度不宜小于梁的宽度;
2 设置扶壁柱时,其宽度不应小于梁宽,其截面高度可计入墙厚。
3 墙内设置暗柱时,暗柱的截面高度可取墙的厚度,暗柱的截面宽度可取梁宽加 2倍墙厚。
剪力墙的特点是平面内刚度及承载力大,而平面外刚度及承载力都相对很小。当剪力墙与平面外方向的梁连接时,会造成墙肢平面外受弯,而一般情况下并不验算墙的平面外刚度及承载力,因此应控制剪力墙平面外的弯矩。当剪力墙墙肢与其平面外方向的楼面梁连接,且梁截面高度大于墙厚时,可通过设置与梁相连的剪力墙、增设扶壁柱或暗柱、墙内设置与梁相连的型钢等措施以减小梁端部弯矩对墙的不利影响;除了加强剪力墙平面外的抗弯刚度和承载力外,对截面较小的楼面梁可设计为铰接或半刚接,减小墙肢平面外的弯矩;铰接端或半刚接端可通过弯矩调幅或梁变截面来实现。

图 1.4 梁墙相交时剪力墙的加强措施

图 1.5 梁墙相交时剪力墙模型
对于轴压比大于《高规》7.2.14 规定的剪力墙,通过设置约束边缘构件,使其具有比较大的塑性变形能力。剪力墙的约束边缘构件可为暗柱、端柱和翼墙。

图 1.6 边缘约束构件
轴压比是影响剪力墙在地震作用下塑性变形能力的重要因素,相同条件的剪力墙,轴压比低的其延性大, 轴压比高的其延性小。由于剪力墙是片状的,受力性能不如柱,所以其轴压比限值要比柱严格。重力荷载代表值作用下墙肢的轴压比需满足要求(因为地震作用组合中采用重力荷载代表值)
在轴压比超过一定限度以后,对一、二、三级剪力墙还需要设置约束边缘构件。
《高规》7.2.2 一、二、三级短肢剪力墙的轴压比,分别不宜大于0.45、0.50、0.55,一字形截面短肢剪力墙的轴压比限值应相应减少 0.1;
《高规》7.2.13 重力荷载代表值作用下,一、二、三级剪力墙墙肢的轴压比不宜超过表 7.2.13 的限值。
《高规》7.2.14 规定了可以不设约束边缘构件的剪力墙最大轴压比。B级高度的高层建筑,考虑到其高度比较高,为避免边缘构件配筋急剧减少的不利情况,规定了约束边缘构件或构造边缘构件之间设置过渡层的要求。
注:墙肢轴压比为重力荷载代表值作用下墙肢承受的轴压力设计值与墙肢的全截面面积和混凝土轴心抗压强度设计值乘积之比值。


7.连梁
《高规》7.1.3 条文说明两端与剪力墙在平面内相连的梁为连梁。跨高比小于5 的梁按连梁设计。
1)超筋原因:
由于墙的刚度远大于连梁的刚度,而剪力墙在水平力作用下会发生错动,墙稍有变形的情况下,连梁会承担极大的弯矩和剪力。在风荷载和地震荷载作用下,墙肢产生弯曲变形,使连梁产生转角,从而使连梁产生内力。
2)设计时应注意要点:
连梁作用:首先它是在两个墙肢之间传递内力,对墙肢起到约束作用,其次它是在地震来临时充当第一道防线,起到耗能作用,一般设计成:强墙弱梁。
连梁其跨度往往较小,因此受弯并不是其主要作用,而连梁要保证剪力的传递,这也是规范中对强剪弱弯的一个体现。
计算地震内力时,抗震墙连梁刚度可折减;计算位移时,连梁刚度可不折减,折减偏于保守。
3)超筋解决方法:
《高规》7.2.26
1、减小连梁截面高度或采取其他减小连梁刚度的措施;
2、抗震设计剪力墙连梁的弯矩可塑性调幅;内力计算时已经按本规程第 5.2.1 条的规定降低了刚度的连梁,其弯矩值不宜再调幅,或限制再调幅范围。此时,应取弯矩调幅后相应的剪力设计值校核其是否满足本规程第 7.2.22 条的规定;剪力墙中其他连梁和墙肢的弯矩设计值宜视调幅连梁数量的多少而相应适当增大;
3 、当连梁破坏对承受竖向荷载无明显影响时,可按独立墙肢的计算简图进行第二次多遇地震作用下的内力分析,墙肢截面应按两次计算的较大值计算配筋。
总体来说就是降低连梁刚度,减少地震作用,提高连梁抗剪承载力:
a.提高混凝土强度等级。
b. 减小梁高度,做弱,以柔克刚;如果仍然超筋,说明该连梁两侧的墙肢过强或者是吸收的地震力太大。此时,想通过调整使计算结果不超筋是困难的,也是没有必要的;一般来说,由于门窗高度的限制, 梁高减小的余地已不大;减小梁高,抗剪承载力可能比内力减少得更多。
c.增加墙厚,增加连梁的截面宽度(注意增加梁高会增大连梁的地震作用)
d. 容许开裂,刚度折减;抗规 6.2.13.2:抗震墙连梁的刚度可折减,折减系数不宜小于0.50;
e. 洞口加宽,增加梁长;跨高比 2.5,抗剪承载能力比跨高比<2.5的要高,梁长增加,刚度变小,内力也小了。
f.双连梁:如梁截面 200*1000,中间 50mm的缝,Building建模时可以输入 400*500,能有效降低连梁抗弯刚度,于是吸收的地震作用小了。
g. 对于高烈度区,或者体形比较不规则的剪力墙结构,连梁超筋是不可避免的。但有2种做法可以参考:连梁超筋的幅度不超过承载力的 20%,连梁超筋的个数不超过总连梁的20%,是可以的,但是要加强超筋连梁上下对应连梁的承载力(抗剪承载力,以防失效后其它梁吸收更多的力),同时还要加强超筋连梁相对应墙体的配筋!
h. “当是风荷载作为控制荷载时候,连梁的刚度不应该折减”必须明确的一点是,连梁在正常使用荷载下不能出现裂缝,更不能屈服。那么连梁的内力调整不能低于风荷载下的内力,也不能低于小震下的内力。也就是说,当设防烈度为 9 度和8 度,而风荷载又不大时,连梁弯矩调幅可大些(烈度越高,地震作用越大,越要提前形成塑性铰耗能,但要保证风载和正常使用时,不出现裂缝);当设防烈度为7度, 或风荷载较大时,连梁弯矩调幅要小些。
0人已收藏
0人已打赏
免费1人已点赞
分享
混凝土结构
返回版块140.17 万条内容 · 2217 人订阅
阅读下一篇
不同搭接形式的装配式剪力墙中钢筋连接的可靠性研究一.引言 装配式建筑中预制混凝土构件的核心问题是连接处是否安全可靠,近年来关于装配式剪力墙中钢筋竖向连接的相关问题成为研究的热点。按照墙体的构造形式进行划分,装配式剪力墙结构体系主要分为实心剪力墙、叠合剪力墙和夹心保温剪力墙体系三大类,叠合剪力墙体系如图1所示。 双面叠合剪力墙钢筋连接 夹心保温剪力墙钢筋连接
回帖成功
经验值 +10
全部回复(0 )
只看楼主 我来说两句抢沙发