1、基本构件图

2、说明
力学原理
门式刚架结构以柱、梁组成的横向刚架为主受力结构,刚架为平面受力体系。为保证纵向稳定,设置柱间支撑和屋面支撑。
刚架
刚架柱和梁均采用截面H型钢制作,各种荷载通过柱和梁传给基础。
支撑、系杆
刚性支撑采用热轧型钢制作,一般为角钢。柔性支撑为圆钢。系杆为受压圆钢管,与支撑组成受力封闭体系。
屋面檩条、墙梁
一般为C型钢、Z型钢。承受屋面板和墙面板上传递来的力,并将该力传递给柱和梁。
3、门式刚架的基本形式
a.典型门式刚架

b.带吊车的门式刚架

c.带局部二层的门式刚架

4、基本节点
a.柱脚节点

b.梁、柱节点


■局部二层节点参照多层框架体系。
5、刚架衍生形式


■ 吊车和局部二层可在衍生形式刚架中布置。
■山墙刚架其本质也是多连跨刚架,不过中间柱与刚架柱比截面旋转了90度。
二、多层框架体系
1、框架图示

2、说明
力学模型
a.纯刚接框架:纵横两个方向均采用刚接的框架。
b.刚接-支撑框架:横向采用刚接,纵向采用铰接,并在纵向设置支撑,以传递水平力。
c.支撑式框架:纵横向均采用铰接,两向均设置支撑传递水平力。
d.有时为保证足够的刚度,在刚接框架中亦设置支撑。
框架柱
框架柱可采用H型截面、箱形截面、十字形截面、圆管形截面等。所有上部结构的力都通过框架柱传递给基础。
框架梁
框架梁一般采用H型截面。楼盖和屋盖上的力通过框架梁传递给框架柱。
支撑
支撑采用一般采用热轧型钢制作,其功能是传递层间水平力和保证结构的刚度。
3、基本节点
a.柱脚节点
■柱脚节点同门式刚架体系。
b.柱、梁节点



三、支撑、系杆
1、图示

柱间柔性支撑 柱间刚性支撑
2、说明
■支撑分为柔性支撑和刚性支撑两种。柔性支撑由圆钢制作,安装时必须张紧,主要用于门式刚架结构。刚性支撑由型钢制作,用于多层框架、吊车梁下段支撑等刚度要求高的结构中。
■系杆和支撑联合作用,形成封闭的受力体系。在支撑端头有刚性构件和传递压力的情况下,不需设置系杆。
■屋面水平支撑做法同柱间支撑。
■根据需要,支撑还有人字形、八字形、K形、V型、门形、L形、Y形、单斜杆等形式。
四、隅撑
1、图示

2、说明
■隅撑的设置在于梁或柱受压翼缘的平面外计算长度。隅撑可用角钢制作或扁钢压制成型。
■在多层框架体系中,梁柱刚接的位置常设置水平隅撑。
五、吊车梁
1、图示

吊车梁中间跨构造

标准吊车梁图
2、说明
■吊车梁为吊车荷载的承载构件,由钢板焊接成型。
■变形缝位置处理参照边跨构造。
■吊车吨位大时设置制动桁架或制动梁来抵抗横向水平荷载。
六、雨蓬

蓬用压型钢板采用HV-197TD-788板和HV-205TD-820板。
七、檩条、墙梁
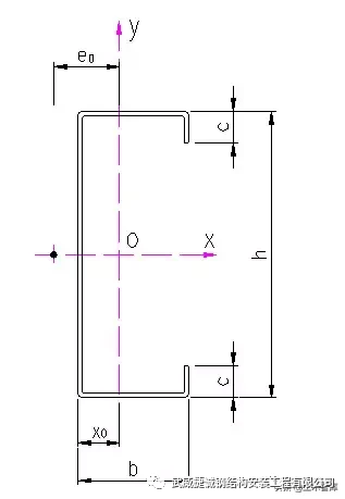
1、C型冷弯薄壁型钢
型钢截面特性

安装节点图

2、Z型冷弯薄壁型钢
型钢截面特性

安装节点图

0人已收藏
0人已打赏
免费3人已点赞
分享
钢结构工程
返回版块46.53 万条内容 · 1213 人订阅
阅读下一篇
框架及框架+支撑体系钢结构装配式住宅抗震性能对比引言 近年来,随着装配式轻钢建造行业的广泛宣传,装配式钢结构住宅逐渐出现在人们的眼前。可对于以混凝土住宅为主导的建筑市场来说,装配式钢结构住宅依然是一种新鲜事物,大范围推广仍需时间。目前行业内存在的钢结构装配式住宅主要有低层冷弯薄壁型钢、装配式钢框架、钢框架+支撑结构、钢框架+延性墙板、钢管束混凝土组合剪力墙五种常用的结构体
回帖成功
经验值 +10
全部回复(0 )
只看楼主 我来说两句抢沙发