一、梁柱不建议偏心
1、应将柱与建筑外墙对齐,不露柱角。
2、将钢柱与钢梁中对中对齐布置。
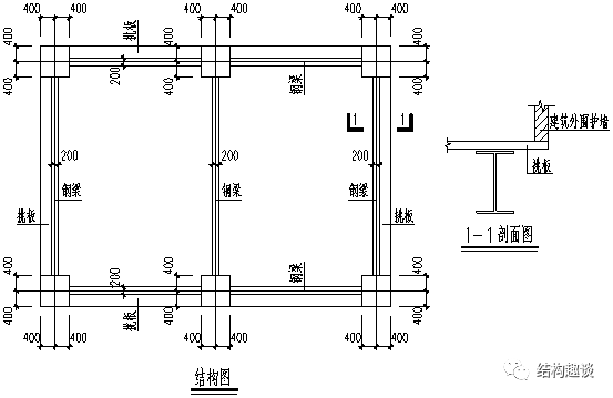
3、对于外围填充墙,应将填充墙与柱外边缘对齐,可采用挑板的方法来实现。


二、当无法避免时,应采取加强措施
1、适当加大梁上、下翼缘的宽度,以减少附加弯距的不利影响。
2、适当加大梁的板件厚度。
3、从概念上讲,梁柱偏心时受力不利,那么,在应力比控制上,不要将应力用的太满。
0人已收藏
0人已打赏
免费0人已点赞
分享
钢结构工程
返回版块46.53 万条内容 · 1214 人订阅
阅读下一篇
钢结构主要构件名称(框架结构部分)1、主梁:又称钢框梁,指钢柱与钢柱之间连接的钢梁,根据节点构造形式,部分可单独叫端板梁。 2、次梁:主梁与主梁之间的连接梁、以及梁与梁之间的连接梁。 3、柱间支撑:又称竖向支撑,指钢柱之间的斜向连接构件。 4、水平支撑:梁与梁之间连接的水平斜向连接件。
回帖成功
经验值 +10
全部回复(0 )
只看楼主 我来说两句抢沙发