上期问到:受剪计算,当不需计算配筋时,就不需要满足ρsv≥0.24ft/fy的要求,那对于弯剪扭计算,当不需计算配筋时,是否需要满足ρsv≥0.28ft/fy??
答:需要满足,个人理解,在弯剪扭情况下,结构受力复杂,为了增强安全性,即使不许计算配筋,也需要满足箍筋最小配筋率要求。
下面介绍混凝土结构中受冲切承载力和局部受压承载力计算。
1、应用对象:
局部荷载或集中反力作用下的板

2、不配置箍筋或弯起钢筋时,此时受冲切承载力主要由混凝土承担。

对于周围有洞口的板,计算
时要考虑洞口的影响,减去一定的长度。

3、配置箍筋或弯起钢筋时,此时受冲切承载力主要由混凝土、箍筋和弯起钢筋共同承担。

4、板柱节点的抗震验算。


1、截面限值条件:

2、配置方格网或螺旋式间接钢筋的混凝凝土构件

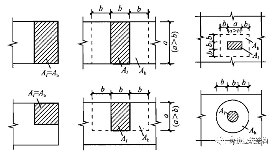
局部受压的计算底面积
的确定可由局部受压面积与计算面积按照同心、对称的原则确定。

3、素混凝土构件

板柱节点抗震设计时,是否能够设置弯起钢筋来提高板柱的抗冲切承载力?
来源:惠讲建筑结构,如有侵权请联系删除
0人已收藏
0人已打赏
免费0人已点赞
分享
混凝土结构
返回版块140.17 万条内容 · 2216 人订阅
阅读下一篇
设计篇-混凝土结构(七)前言 上期问到:对称配筋时,大小偏心受拉承载力计算公式一模一样,是否计算结果也一样?? 答:不同,虽然计算公式完全一样, 但是公式中的求得的值肯定不同,故配筋量肯定不同。 下面介绍混凝土结构中受扭构件计算。 纯扭构件 对于构件而言,扭转的承受有三部分构成,一部分是混凝土受拉,一部分是纵向钢筋,一部分是受扭的箍筋。受扭构件受扭塑性抵抗矩的计算详《混规》6.4.3,截面类型分矩形截面,T
回帖成功
经验值 +10
全部回复(0 )
只看楼主 我来说两句抢沙发