石峥嵘:防火分区是采用防火墙、楼板及其他防火分隔设施分隔而成的局部空间,属于建筑内部的防火单元,防火分区将火灾控制在有限的防火单元内,减少火灾损失,同时为人员安全疏散、消防扑救提供有利条件。
将一定规模的建筑分隔为有限规模的防火分区,是防控火灾的有效手段。
建筑面积是衡量防火分区规模的基本要素,现行规范明确了不同功能建筑防火分区的最大允许建筑面积。
防火分区建筑面积,是指建筑物(包括墙体)所形成的楼地面面积,其计算应遵行《建筑工程建筑面积计算规范》GB/T50353-2013(本文简称GB/T50353)要求,并应综合火灾风险和火灾负荷确定。
本文阐述防火分区面积计算中的诸多疑问,并详解典型场所的计算争议:
(1) 柱、墙体;(2) 疏散楼梯间、电梯井、电缆井、管道井、防排烟井道、烟道等;(3) 建筑室外楼梯;(4) 通风采光井;(5)、(6) 没有形成井道的室内楼梯;(7)、(8) 阳台;(9)、(10) 建筑中庭(回廊);(11) 敞开式外廊、封闭式外廊;(12) 建筑内部的局部楼层;(13) 避难层;(14) 设备层、管道层、电缆夹层等;(15) 消防水池和生活水池等;(16) 室内游泳池、溜冰场、滑雪场;(17) 桑拿浴室;(18) 室内射击场;(19) 保龄球馆;(20) 观众厅看台下的建筑空间;(21) 观众厅的悬挑走道和看台;(22) 观众厅等的舞台灯光控制室;(23) 货架仓库、高架仓库;(24) 商店、超市、百货等;(25) 书库;(26) 架空层;(27) 特殊造型的建筑;(28) 操作平台、上料平台和罐体的平台等;(29) 架空走廊;(30) 汽车库上下层的坡道部位;(31) 车库的出入口坡道等;(32) 坡屋顶;(33) 闷顶;(34) 檐廊;(35) 凸出建筑外墙的橱窗等;(36)、(37) 凸(飘)窗等;(38) 门斗;(39) 门廊、雨篷等;(40) 幕墙等;(41) 外墙外保温层;(42) 水箱间、电梯机房以及其他设备用房;(43) 水泵房、污水泵房、水池、厕所、盥洗间,等等。
第一章 引用要点
本文引用了以下要点,请通过专题理解:
1 防火分区概念,限定防火分区面积的目的!
2 防火分区建筑面积的计算依据及原则!
3 工程建筑面积概念,计算依据及原则
4 同与异-防火分区面积与工程建筑面积!
5 建筑空间概念,建筑空间与防火分区面积!
6 结构层高概念,对防火分区面积的影响!
7 结构净高概念,对防火分区面积的影响!
8 防火分区及防火分区面积的发展历程!
以上问题,参专题理解:
同与异| 防火分区面积、工程建筑面积!
防火分区,《建筑工程建筑面积计算规范》解读应用!
一、防火分区建筑面积是否依据GB/T50353计算?防火分区面积是否等同于工程建筑面积?
GB/T50353适用建筑工程建设全过程的建筑面积计算,同样适用于防火分区建筑面积计算。
但是,计算防火分区面积的目的,仍有别于GB/T50353所述的工程建筑面积,前者的目的是限制火灾规模,影响其面积大小的因素主要有火灾风险和火灾负荷;后者主要用于计算建筑工程的工程量,偏重技术经济指标,注重使用功能。两者目的不同,计算方法有别!
二、计算防火分区建筑面积的主要依据?
现行规范限定了防火分区的最大允许建筑面积,但未提及防火分区面积的具体计算方法,通常情况下,防火分区建筑面积的计算,主要依据GB/T50353,综合火灾风险和火灾负荷确定。
三、何谓建筑空间?是否所有建筑空间均需计算防火分区建筑面积?
1、建筑空间的概念:
建筑空间是指以建筑界面限定的、供人们生活和活动的场所,是具备可出入、可利用条件的围合空间。凡是具备可出入、可利用条件的围合空间,均属于建筑空间。注:“可出入”是指人能够正常出入,即通过门、门洞或楼梯等进出;而必须通过窗、栏杆、人孔、检修孔等出入的不属于可出入。
2、无火灾风险的建筑空间,可能不需要计算防火分区面积。
建筑空间是确定防火分区面积的重要参考,但是,防火分区强调火灾风险和火灾负荷,对于有些火灾负荷低,基本没有火灾风险的场所和建筑空间,无需纳入防火分区建筑面积计算,应予甄别,在后续示例详细分解。
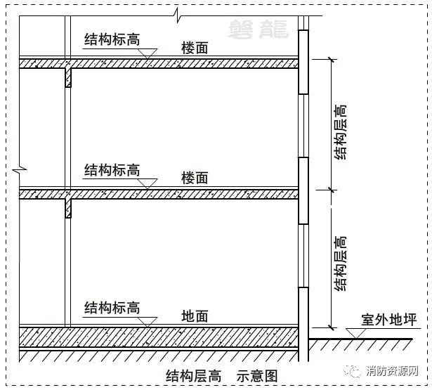
四、何谓结构层高和结构净高?对防火分区建筑面积有何影响?
1、结构层、结构层高、结构净高:
结构层是指整体结构体系中承重的楼板层,特指整体结构体系中承重的楼层,包括板、梁等构件。结构层承受整个楼层的全部荷载,并对楼层的隔声、防火等起主要作用。
结构层高,是指楼面或地面结构层上表面至上部结构层上表面之间的垂直距离。(图示1)


(图示2)
2、结构层高和结构净高对防火分区面积的影响:
防火分区关注火灾风险和火灾负荷,与结构层高和结构净高无必然联系,通常认为,可能作为仓储等功能的结构层,以及具备人员正常通行或检修条件的结构层等,均应按全面积计入防火分区面积。比如,某些设备层、电缆夹层、设备间和储存间等,虽然结构层高或结构净高较低,但火灾风险和火灾负荷不会低于正常高度的房间,应按全面积计算防火分区面积。
本文所述的防火分区面积,除非特殊说明,均不考虑结构层高和结构净高的影响,均按全面积计算。
另外,防火分区关注火灾风险和火灾负荷,在确定防火分区面积时,不宜过多关注结构层概念,对于存放可燃物品的夹层场所,当具备上人条件时,均宜按结构层处置。
五、围护结构和围护设施有什么区别?计算防火分区面积时,对防火分区面积计算有何影响?
GB/T50353强调了围护结构和围护设施对建筑面积的影响:
1、围护结构是指围合建筑空间的墙体、门、窗,有围护结构的应按其围护结构外围水平面积计算;
2、围护设施是指为保障安全而设置的栏杆、栏板等围挡,无围护结构的应按其结构底板水平面积计算。
为方便统一计量,防火分区面积可参考此规定计算:有围护结构的应按其围护结构外围水平面积计算,无围护结构的应按其结构底板水平面积计算。
第三章 应用举例
(1)、柱、墙体等不燃性建筑构件,是否计入防火分区建筑面积?
柱、墙体等均属于建筑结构及功能的基本要素和支撑构件,防火规范确定的防火分区最大允许建筑面积,已考虑基础构件的存在,在计算防火分区建筑面积时,不应扣除其面积,应按自然层外墙结构外围水平面积之和计算,本计算方法也符合常规计量习惯。(图示3、图示4)


(图示4)
(2)、疏散楼梯间、电梯井、电缆井、管道井、通风空气调节系统井道、防排烟井道、烟道等,是否纳入防火分区建筑面积?
疏散楼梯间属竖向疏散通道,电梯井、电缆井、管道井、通风空气调节系统井道、防排烟井道、烟道等存在竖向火灾传播风险,均应并入建筑物的自然层计算防火分区面积。(图示3、图示4)
(3)、建筑室外楼梯,是否纳入防火分区面积计算?
通常情况下,建筑外墙以外的不燃材料的室外楼梯,无需纳入建筑防火分区面积计算(图示3)。但当采用相对封闭的室外楼梯时,应参照室内楼梯间要求,并入自然层计算防火分区面积。
(4)、通风采光井,是否纳入防火分区建筑面积?
无可燃物的通风采光井,可不纳入防火分区建筑面积。(图示3、图示4、图示5)
注:通风空气调节系统井道,依前述第(2)项要求处置,应予甄别。

(图示5)
(5)、没有形成井道的室内楼梯,是否纳入防火分区面积计算?
没有形成井道的室内楼梯,比如,开敞式楼梯、跃层(或复式)住宅的室内楼梯等,宜按GB/T50353要求纳入防火分区建筑面积。

(图示6)
(6)、在《建规》中,没有形成井道的室内楼梯,是否纳入住宅建筑的单元建筑面积?
在《建筑设计防火规范》的住宅建筑中,每单元建筑面积关系安全出口数量等建筑防火要求,住宅的室内楼梯,应依GB/T50353要求计入每单元建筑面积。
(7)、阳台是否需要纳入防火分区建筑面积计算?
1、主体结构以外的阳台:
主体结构以外的敞开式阳台,可不纳入防火分区建筑面积计算,但当为封闭式阳台时,火灾风险与室内房间相近,应按全面积计入防火分区建筑面积。
2、主体结构以内的阳台:
考虑人们的使用习惯,主体结构以内的阳台,不管是否封闭,均应按全面积计入防火分区面积。
注:主体结构是接受、承担和传递建设工程所有上部荷载,维持上部结构整体性、稳定性和安全性的有机联系的构造,可参GB/T50353确定。
(8)、在《建规》中,住宅阳台是否需要计入的每单元建筑面积?
在《建筑设计防火规范》的住宅建筑中,每单元建筑面积关系安全出口数量等建筑防火要求,住宅阳台应计入每单元建筑面积,具体计量方法,依GB/T50353确定。
(9)、建筑中庭(回廊)是否需要计算防火分区面积?
建筑内设置中庭时,其防火分区的建筑面积应按上、下层相连通的建筑面积叠加计算(包括回廊、走廊等)。
当中庭与周围连通空间进行防火分隔,且满足《建筑设计防火规范》5.3.2的防火分隔要求及处置措施时,中庭可视为无火灾风险区域,无需划分和计算防火分区面积,但应考虑人员疏散要求,这类中庭规模的控制,主要是人员疏散距离控制。当走廊(回廊)纳入中庭防火单元时,同样适应此规定和要求。
(10)、当建筑内的门厅、大厅连通多个楼层时,可否参照第⑼条的中庭及回廊处置?
依《民用建筑设计术语标准》(GB/T50504-2009)定义,中庭是建筑中贯通多层的室内大厅,因此,可将贯通多层的室内门厅、大厅视为中庭,并可参第(9)条要求处置。
(11)、敞开式外廊和封闭式外廊,是否需要计算防火分区面积?
1、敞开式外廊:
室外走廊和挑廊,也称为敞开式外廊,敞开式外廊的采光通风和排烟降温条件较好,火灾风险较低,但仍不能等同于室外安全区域,考虑其承担日常交通和火灾条件下的人员疏散功能,有必要纳入防火分区面积计算,可参GB/T50353规定执行:敞开式外廊的防火分区面积,按其结构底板水平投影面积的1/2计算。
2、封闭式外廊:
依据使用习惯,封闭式外廊与室内走廊无异,应按全面积纳入防火分区面积计算。
(12)、建筑内部的局部楼层,是否计算防火分区面积?
建筑内设局部楼层时,局部楼层的二层及以上楼层面积,应计入防火分区面积。
(13)、避难层是否需要考虑防火分区面积?楼层的多个防火分区在避难层共用避难区,不同防火分区是否需要划分为不同的避难区?
避难层的避难区,属于室内安全区域,无需划分并计算防火分区面积,其他楼层的不同防火分区可共用同一避难层的避难区。
但当在避难层设置有设备间时,应严格限制设备间规模,或采用不开设任何洞口的防火墙分隔。
(14)、结构层高在2.20m以下的设备层、管道层、电缆夹层等,可否按1/2面积计算防火分区面积?
计算防火分区面积的目的,不同于工程建筑面积,防火分区主要关注火灾风险和火灾负荷,对于设备层、管道层、电缆夹层等,层高不是影响火灾风险和火灾负荷的关键要素,通常应按全面积计入防火分区面积。
(15)、建筑内的消防水池和生活水池等,是否需要计算防火分区面积?
当水池高度与结构层净高相同时,不存在火灾风险且为无人空间,可不计入防火分区面积。但当水池高度低于结构层净高,上部为人员可以正常进入或可以放置物品的室内空间时,应计入防火分区面积。
(16)、室内游泳池、溜冰场、滑雪场,是否需要计算防火分区面积?
室内游泳池的水面、溜冰场的冰面和滑雪场的雪面,均不存在火灾风险,当其室内顶棚部分均为不燃材料时(包括吊顶等),可不计入防火分区面积。
(17)、桑拿浴室的洗浴部分,是否计入防火分区面积?
桑拿浴室的洗浴部分,属于人员密集场所,形式多样,并不能排除火灾风险,尤其在非营业期间,与普通公共场所无异,且可能存放毛巾织物等可燃物,应计入防火分区面积。
确有困难时,应与建筑内部的其他部分采取严格的防火分隔措施,并经论证确定。
(18)、室内射击场的靶场部分,是否需要计算防火分区面积?
室内射击场的靶场等部分,是否计入防火分区面积,需酌靶场等部分的建筑材料及规模确定。通常情况下,宜按全面积计算,确有困难时,应采取防火处置措施,并经论证确定。
(19)、保龄球馆的球道区域,是否需要计算防火分区面积?
保龄球馆的球道区域,用材相对复杂,且有保龄球后机等设备,存在一定火灾风险,需要纳入防火分区面积计算。
(20)、观众厅看台下的建筑空间,是否需要纳入防火分区面积计算?
建筑空间是以建筑界面限定的、供人们生活和活动的场所,建筑空间完全可能作为正常功能房间,尤其可能作为储存空间,观众厅看台下的建筑空间,有必要纳入防火分区面积计算,对于可能作为储存场所的建筑空间,火灾负荷并不受结构净高影响,宜按全面积计入防火分区面积。

(图示7)
(21)、观众厅的悬挑走道和看台,是否需要计算防火分区面积?怎样计算防火分区面积?


(图示9)
(22)、观众厅等的舞台灯光控制室,是否需要纳入防火分区面积计算?
灯光控制室具备一定火灾风险,有围护结构的舞台灯光控制室,应按其围护结构外围水平面积纳入防火分区面积计算。
(23)、货架仓库、高架仓库,怎样计算防火分区面积?货架板是否需要计算防火分区面积?
1、不含结构层的货架仓库、高架仓库,可按一层计算防火分区建筑面积,货架板无需纳入防火分区建筑面积计算。(图示10、图示11)


图示11 (高架仓库)
2、有结构层的货架仓库、高架仓库,应将结构层面积纳入防火分区面积计算。
(24)、商店、超市、百货等,怎样计算防火分区面积?货架板是否需要计算防火分区面积?
1、不含结构层的商店、超市、百货等,可按一层计算防火分区建筑面积,货架板无需纳入防火分区建筑面积计算。(图示12)

2、有结构层的商店、超市、百货等,应将结构层面积纳入防火分区面积计算。
注:防火分区关注火灾风险和火灾负荷,在确定防火分区面积时,不宜过多关注结构层概念,对于存放可燃物品的夹层场所,当具备上人条件时,均宜按结构层处置。
(25)、书库怎样计算防火分区面积?书架板是否需要计算防火分区面积?
1、采用积层书架的书库,其防火分区面积应按书架层的面积合并计算。
注:积层书架是指重叠组合而成,并附有梯子上下的多层固定钢书架。积层书架的书库,结构梁或管线的底面净高不应小于4.70m。
2、有结构层的书库,应将结构层面积纳入防火分区面积计算。
3、其他不含结构层的书库,可按一层计算防火分区建筑面积,书架板等无需纳入防火分区建筑面积计算。(图示13)

图示13 (书库书架)
(26)、建筑物架空层是否需要划分防火分区?当作为绿化景观或车库时,怎样处置?
通常情况下,无可燃物的架空层,以及用作绿化的架空层等,无需划分防火分区,无需计算防火分区面积。
当用于停放机动车辆时,应依《汽车库、修车库、停车场设计防火规范》处置;当用于停放非机动车辆时,应按《建筑设计防火规范》有关公共建筑功能处置,应采取防火分隔措施并计算防火分区面积。
注:非机动车辆多为电动单车,具较大火灾风险,应予重视。
(27)、特殊造型的建筑,比如围护结构不垂直于水平面的楼层等,怎样计算防火分区的建筑面积?

(图示14)
(注:建筑造型各异,本图来自网络,供参考)
(28)、建筑物内的操作平台、上料平台和罐体的平台等,是否需要纳入防火分区建筑面积计算?
1、厂房内的操作平台、检修平台,当使用人数不少于10人时,平台面积应计入所在防火分区的建筑面积内。
2、厂房内的上料平台、罐体平台,以及其他建筑内的操作平台、上料平台、罐体平台等,可参考上述要求处置:当使用人数不少于10人时,平台面积宜计入所在防火分区的建筑面积内。
(29)、建筑物间的架空走廊,怎样计算防火分区面积?可否参照《建规》的天桥和连廊处置?
架空走廊是指设置在建筑物的二层或二层以上,作为不同建筑物之间水平交通的空间,类似于《建筑设计防火规范》6.6.4所述的天桥、连廊。(图示15、图示16)
当架空走廊(天桥、连廊等)采用不燃材料,采取防止火灾在两座建筑间蔓延的措施(防火间距满足要求等)时,架空走廊可作为独立于两栋建筑的构筑物,无需计入任何一座建筑的防火分区面积。


(图示16)
(30)、汽车库上下层的坡道部位,是否需要计算防火分区面积?
1、虽然《汽车库、修车库、停车场设计防火规范》对汽车库坡道部位提出了较为严格的防火要求,但毕竟属于室内区域,实际应用中,仍存在一定火灾风险。
2、停车数量是决定汽车库防火分区最大允许建筑面积的关键要素,实际应用中的车库,停车数量已超防火分区规模。
现行规范在确定防火分区最大允许建筑面积时,以每辆小汽车停车面积约30㎡计,而实际应用中,每车辆的停车面积往往不到25㎡,也就是说,按现在的防火分区面积,实际停车数量已超防火分区规模。以一、二耐火等级的单层汽车库为例,一个防火分区的最大允许建筑面积为3000㎡,最多停车数为80辆~100辆,而实际应用中的停车数量均已较大幅度的超此范围。因此,在计算汽车库防火分区面积时,应从严处置。
综上,汽车库上下层的坡道及洞口部位,应计入防火分区建筑面积,确有困难时,可综合停车数量确定。
(31)、车库的出入口坡道等,当带有顶盖时,是否需要纳入防火分区面积计算?
通常情况下,建筑外墙以外的部位,当采用不燃材料和不燃性构件时,不存在火灾风险,无需纳入防火分区面积计算。

(图示17)
(32)、坡屋顶的建筑空间,是否需要计算防火分区面积?
建筑空间是以建筑界面限定的、供人们生活和活动的场所,形成建筑空间的坡屋顶,完全可能作为正常功能房间,尤其可能作为储存空间,有必要划分防火分区并计算防火分区面积。
(33)、建筑闷顶是否属于建筑空间?是否需要计算防火分区面积?
《建筑设计防火规范》中的闷顶,主要是指屋盖与吊顶之间的封闭空间,一般起隔热作用,不属于建筑空间,通常无需划分防火分区,无需计算防火分区面积。
另外,防火墙、防火隔墙以及住宅单元隔墙等,均应隔断至屋顶,也就事实上对闷顶部位进行了防火分隔,应依规采取防火处置措施。
(34)、檐廊是否需要计算防火分区面积?
檐廊是建筑物挑檐下的水平交通空间,从消防安全疏散角度,已可视为室外安全区域,无需纳入防火分区面积计算。
(35)、凸出建筑外墙的橱窗等,是否需要纳入防火分区面积计算?

(图示18:橱窗示意图)
(36)、建筑凸(飘)窗等,是否需要纳入防火分区面积计算?


图示20:凸窗(飘窗)
(37)、在《建规》中,凸窗(飘窗)是否纳入住宅建筑的单元建筑面积?
在《建筑设计防火规范》的住宅建筑中,每单元建筑面积关系安全出口数量等建筑防火要求,住宅的凸窗(飘窗)等,应计入每单元建筑面积,具体计量方法,依GB/T50353确定。
(38)、建筑物入口处的门斗,是否需要纳入防火分区面积计算?
门斗是建筑物入口处两道门之间的空间,通常仅供通行功能,对于不燃材料的门斗,无需纳入防火分区面积计算。
(39)、门廊、雨篷等,是否需要纳入防火分区面积计算?
门廊、雨篷等设置于建筑外墙区域,属于敞开(半敞开)空间,无需纳入防火分区面积计算。
(40)、幕墙等是否计入防火分区面积?
幕墙建筑的防火分区建筑面积,按幕墙外边线计算防火分区建筑面积。
但对于设置在建筑物墙体外起装饰作用的幕墙,可不计入防火分区建筑面积。
(41)、建筑物的外墙外保温层,是否需要计入防火分区面积?
防火分区建筑面积,通常不考虑建筑外墙以外的部分,对于可燃或难燃材料的保温层,可参GB/T50353要求纳入防火分区面积计算。
(42)、水箱间、电梯机房以及其他设备用房等,是否需要纳入防火分区面积计算?是否需要计入顶层的防火分区面积?
设置在建筑物顶部的水箱间、电梯机房以及其他设备用房等,通常作为独立的防火单元,无需纳入其他楼层的防火分区,因其面积有限,无需计算防火分区面积。
(43)、《人民防空工程设计防火规范》(GB50098-2009)第4.1.1规定:水泵房、污水泵房、水池、厕所、盥洗间等无可燃物的房间,其面积可不计入防火分区的面积之内。其他场所可否参照处置?
设置在人防部分的防火分区,可按本规定执行,本规定不适应于非人防部分的防火分区。
内容源于网络,侵删
0人已收藏
0人已打赏
免费0人已点赞
分享
建筑方案设计
返回版块21.18 万条内容 · 301 人订阅
回帖成功
经验值 +10
全部回复(0 )
只看楼主 我来说两句抢沙发