本文是基于工程实例,并结合工程创优做法,总结了消火栓与喷淋头安装中的基本要求和注意事项,大家可以对照看一下,自己的工地做对了吗?
1
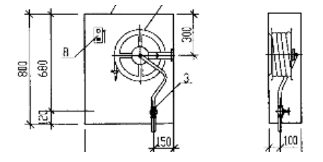
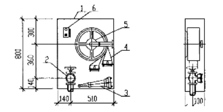
消火栓(箱)安装
? 消火栓(箱)安装基本要求:
1)消火栓栓口离地高度1.1m,栓口朝外。
2)单个消火栓不应安装在消防箱门轴侧。
3)消防箱箱体安装垂直度允许偏差3mm,安装完毕封闭多余孔洞及孔洞缝隙。
4)消火栓箱门易打开,开启角度不小于120°;采用石材等装饰材料的消防箱门应开启灵活(开启拉力≯50N);箱门外标识明显。
5)消火栓箱内水龙带、水枪、软管等安放到位。
消防箱孔洞缝隙封闭
消防箱孔洞有缝隙
? 消火栓(箱)安装注意事项:
1)消火栓支管以栓阀的坐标、标高定位甩口,核定后稳固消火栓箱,待箱体找正固定后再安装栓阀。消火栓箱安装的垂直度允许偏差为3mm。
2)消火栓箱体若采用暗装或半暗装时,需在土建砌砖墙时,预留好消火栓箱洞,待消火栓箱就位找正找平后,用水泥砂浆填塞箱四周空间;明装时采用膨胀螺栓固定。安装在轻质隔墙上应有加固措施。
3)箱体配件安装时,消防水龙带应折好放在挂架上卷实、盘紧;消防水枪竖放在箱体内侧,自救式水枪和软管放在挂卡上或放在箱底部。消防水龙带与水枪、快速接头的连接,一般采用16#铜丝绑扎两道,每道不少于两圈;使用卡箍时,在里侧加一道铜丝。

单栓消防箱安装

双栓消防箱安装

单栓带自救式消防卷盘箱安装

自救式消防卷盘箱安装
2
喷淋头安装
? 喷淋头安装基本要求:
1)喷头应居中安装(与装饰吊顶排版配合),与灯、烟感等成行成线。
2)直立型、下垂型标准喷头溅水盘与顶板的距离为75~150mm。
3)喷头装饰盖、罩应紧贴吊顶。
4)喷头臂(单、双)应统一纵向或横向安装。
5)大空间成排喷头安装成行成线。
喷头安装长度过短
喷头安装长度过长

喷头安装离墙/梁太近
? 喷淋头安装注意事项:
1)喷头安装前应与精装天花吊顶布置图对照,优化喷头安装点位,防止与烟感、灯具、喇叭等装置冲突。
2)明确精装吊顶面基准线和标高线,在龙骨调整定位后,测量喷头短管的长度并安装,防止短管过长或过短。
3)天花吊顶喷头开孔由精装施工单位负责。
· 当喷头安装在不到顶的隔断附近时,喷头与隔断的水平距离和最小垂直距离应符合下表的规定:

· 当喷头溅水盘高于附近梁底或宽度小于1.2m的风管、排管、桥架腹面时,喷头溅水盘高于梁底、风管、排管、桥架腹面的最大垂直距离应符合下表的规定:

· 当梁、风管、排管、桥架宽度大于1.2m时,增设的喷头应安装在其腹面以下部位。

0人已收藏
0人已打赏
免费0人已点赞
分享
建筑消防给水
返回版块28.41 万条内容 · 744 人订阅
阅读下一篇
风管下加下喷淋头安装规范风管宽度超过1.2米时,应当在管道下方安装喷淋,采用下喷的形式,喷头应当设置在管道的下方,而不应与管道齐平或者设置在管道上方或侧方。喷淋头间距不能小于15公分,注意放水时不能打开通风。采用早期抑制快速响应喷头和特殊应用喷头的场所,当障碍物宽度大于0.6m时,其下方应增设喷头。 消防喷淋系统喷头安装基本要求 1、直立型喷头安装距楼板顶部距离为规范要求为75mm-150mm。 2、有吊顶的下垂型喷头安装喷头根部应与吊顶平齐,为避免定位不准,可在吊顶龙骨标高确定后再安装下喷支管;下喷头与三通之间的短管长度不宜超过150mm。
回帖成功
经验值 +10
全部回复(0 )
只看楼主 我来说两句抢沙发