母线发生故障的几率较线路低,但故障的影响面很大。这是因为母线上通常连有较多的电气元件,母线故障将使这些元件停电,从而造成大面积停电事故,并可能破坏系统的稳定运行,使故障进一步扩大,可见母线故障是最严重的电气故障之一,因此利用母线保护清除和缩小故障造成的后果,是十分必要的。
母线保护总的来说可以分为两大类型:一、利用供电元件的保护来保护母线,二、装设母线保护专用装置。
一般来说母线故障可以利用供电元件的保护来切除。

B处的母线故障,可由1DL处的Ⅱ或Ⅲ段切除,2DL和3DL处的发电机、变压器的过流保护切除。
缺点:延时太长,当双母线或单母线时,无选择性。所以下列情况应装设专门的母线保护:母线保护应特别强调其可靠性,并尽量简化结构。对电力系统的单母线和双母线保护采用差动保护一般可以满足要求,所以得到广泛应用。
母线上连接元件较多,所以母差保护的基本原则为:
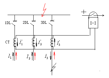
(1)幅值上看:正常运行和区外故障时
,即
,母线故障时
=0
动作
(2)相位上看:正常运行和区外故障时,流入、流出电流反相位。母线故障时,流入电流同相位
母差保护分为:
1 母线完全差动。2 固定连接的双母线差动保护。3 电流比相式差动保护。4 母联相位差动保护。
二、母线的完全差动保护

1 作用原理
将母线的连接元件都包括在差动回路中,需在母线的所有连接元件上装设具有相同变比和特性的CT。
① 正常运行或外部故障时
(
)
所以,
二次侧 
② 母线故障时
二次侧 
三、固定连接母线的差动保护
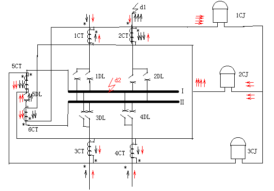
为提高供电的稳定性,常采用双母线同时运行的方式。按一定要求将引出线和有电源的支路固定联于两条母线上——固定连接母线。任一母线故障时,只切除联于该母线上的元件,另一母线可以继续运行,从而缩小了停电范围,提高了供电可靠性,此时需要母线差动保护具有选择故障母线的能力。
1、构成以及作用原理

5DL母联(开关)断路器

三部分组成:① 1CT、2CT、6CT和1CJ——用于选择母线Ⅰ的故障
② 3CT、4CT、5CT和2CJ——用于选择母线Ⅱ的故障
③完全差动保护1~6CT和3CJ——整套保护的启动元件
原理:① 正常运行或区外故障时,由上图电流分布情况可知:1CJ、2CJ、3CJ中均为不平衡电流,保护不动作。
② 区内故障时,例,母线Ⅰ故障,见上图红色电流分布情况可见:1CJ、3CJ中流入全部短路电流,所以1CJ、3CJ启动,跳开1DL、2DL和5DL;2CJ中为不平衡电流,不动,所以母线Ⅱ仍可继续运行。当母线Ⅱ故障时,分析同上。2CJ、3CJ起动,跳开3DL、4DL、和5DL,母线Ⅰ继续运行。
2、固定连接破坏时,例线路1由母线Ⅰ切换到母线Ⅱ,因二次回路不能随之切换,所以外部短路时,1CJ、2CJ中有较大的差动电流而误动,但3CJ仍流过不平衡电流,不会误动。区内短路时,1CJ、2CJ都可能动作,3CJ动作,所以两条母线都可能切除。
该保护优点:能快速而有选择性的切除母线故障;
缺点: 当固定连接破坏时,不能选择故障母线,限制了系统运行调度的灵活性。
四、电流比相式母线保护
为提高母线保护运行的灵活性而提出

正常运行或者
故障时:

母线故障时:

即:利用比相元件比较各元件的相位,便可判断区内、区外故障。

单相方框图
从每个连接元件的CT引出三相电流,经电压形成回路分别送入各相的小母线,每相的小母线分别送至本相的比较回路。延时回路的作用是从时间上躲开外部短路时出现的相位误差,脉冲展宽回路的作用是使出口继电器可靠动作。
特点: ①只与电流相位有关,而与电流的幅值大小无关
②不需考虑不平衡电流的影响,提高了灵敏度
③不要求采用同型号和同变比的CT,增加了使用的灵活性。
五、母联相位差动保护
固定连接母线的差动保护的改进。比较母联中电流与总差电流的相位作为故障母线的选择元件。

① Ⅰ母线发生故障时,母联中电流方向从Ⅱ母线流向Ⅰ母线
② Ⅱ母线发生故障时,母联中电流方向从Ⅰ母线流向Ⅱ母线,两种情况下电流相位变化180°。
基准量:总差电流,相位不变,同时为故障启动元件。可见,不管母线上元件如何连接,只要母联中有电流流过,则能选择出故障母线,无固定连接的要求。这是它的优点。
0人已收藏
0人已打赏
免费6人已点赞
分享
继电保护
返回版块7.33 万条内容 · 486 人订阅
回帖成功
经验值 +10
全部回复(1 )
只看楼主 我来说两句 抢板凳了解了母线保护基本原则,感谢楼主分享
回复 举报