平屋面的排水一般采用墙外设檐沟和屋面本身找坡两种办法来解决。
在外墙或女儿墙外作成檐沟,立面造型要受到一定约束,不能完全实现。在女儿墙内的屋面板上做边沟,与屋面的梁、板有矛盾,故意做成凹槽结构也有困难,房间内的空间也有影响,光靠不太厚的保温(隔热)层也不可能,削减了保温(隔热)层也不利,该边沟的保温(隔热)层也难保护;故意加厚找坡层和保温(隔热)层,像地下车库加厚垫层来设边沟也不合适(见图1)。因此,有把屋面板由结构找主坡,建筑做边坡来解决,但由于平面不规则,变化较多,结构找坡受到一些限制,也难以实现。另外,房间内的顶上板面不平,看起来不舒服。因此,全由建筑找坡较为简便灵活。这里讨论研究的问题也仅限于此。

图1 削减保温(隔热)层形成边沟
一.雨水口设置的一般原则
1. 排放方式
屋面雨水分外排式、内排式或两者结合的混排式。为便于检修和减少渗漏,少占室内空间,设计时应尽量采用外排式,当大跨度外排有困难或建筑立面要求不能外排时,方采用内排式或混排式。
2. 汇水面积计算
(1) 屋面:屋面汇水面积按屋面的水平投影面积计算。以雨水立管φ100为例,其排水量为19(L/S)(即19×3.6=68.4m3/h),当降雨厚度为100mm/h时,汇水面积为680平方米,深圳市的降雨强度,重现期五年的小时降雨量厚度为262mm/h,则汇水面积可达260平方米,但考虑到雨水斗的单斗、多斗,悬吊管的单斗、多斗与坡度等多种不利因素,再加上一定的安全系数,因此不能完全单一地按立管的排水量来计算汇水面积。所以深圳市要求单个雨水口最大汇水面积宜小于150平方米。
(2) 墙面:高层建筑的裙房、窗井及贴近高层建筑外墙的地下车库的出入口坡道,除计算自身的面积外,还应将高出的侧墙面积按1/2折算成屋面汇水面积来进行计算。有几面高出屋面的侧墙时,通常只计算大的一面(或墙面最大投影面积)。
3. 汇水面积小于150平方米的屋面不宜只设一个雨水口。在同一汇水区域内, 雨水立管不应小于两条,且负荷均匀(用檐沟排水,应在檐沟末端或山墙上设溢流口)。
4. 雨水口或雨水管的间距应根据其排水能力、屋面和檐沟坡度等因素考虑决定,一般不宜大于24m。
5. 雨水管径不得小于100mm。
6. 高低跨屋面的高处屋面汇水面积<100平方米时,可排到低屋面上。出水口的下面应设防护板,一般为C20的500×500×50混凝土板。汇水面积>100平方米时,应直接与低处屋面的雨水管或雨水排放系统连接。
7. 屋面变形缝应避免设计成平缝,采用高低缝时,低缝附近不应处于排水的下坡,更不应在雨水口附近。变形缝的屋面,应加设溢水口。
8. 排水坡度
规范中规定,平屋面的排水坡度宜为2%~3%,结构找坡宜为3%,材料找坡(即建筑找坡)宜为2%,天沟(檐沟)纵向坡度不应小于0.3%。在设计实践中,权衡利弊,主坡作成2%,副坡(即边坡)作成0.5%较合适。
9. 高层建筑中,由于雨水管中的空气和涡流等原因,致使低层处的阳台地漏溅水、冒水,故屋面和阳台的雨水管不宜合用。另外设有洗衣机的或拟改作厨房的阳台为达到雨水污水分流,两者的水管更不能合用。
二.找坡方式
1. 方形或长方形平屋面
方形或长方形的平屋面是常见的,问题的解决是最简单、也是最基本的。
(1) 排向某一角的单一雨水口
①单坡式——一个斜面坡向雨水口
一个方形或长方形的柱体,截取一个斜截面,即可形成一个斜面的排水坡。如果按对角线找坡,设雨水口处最低,其对角点最高,两点拉一直线,并设定其坡度,求出两点之间的高差,用比例法求出其他两点的高度,见图2。如果是正方形,其他两点同高,且是高低两点高差的一半。
如果按45°找坡,原理同上,正方形的情况一样,但长方形的,则有点区别,见图3。先按正方形平面找坡,求出正方形对角点的高差值,取其一半就为其他两点的高度值,再两长边作延线,交于长方形其他两角点的垂线上,即成总的坡面。这两种找坡方式经验算对比,后者总的坡度稍缓,体积稍小,找坡也简单。

图2 一个坡面,按对角线找坡

图 3 一个坡面,按45°找坡
②双坡式——两个斜面相交后坡向雨水口
一个方整的平面,一个方向作大坡(或称主坡),另一个方向作小坡(或
称副坡),两坡相交,便把雨水导向雨水口。见图4。

图4 双向找坡
(2)排向两个或多个雨水口
一个屋面,为了避免雨水口被堵塞而排水不畅,以及根据汇水面积的大小不同,一般都设两个或多个雨水口(过小的屋面例外)。在设置位置时,应注意其汇水面积即雨水口的负荷要均匀和便于排水。其排水原理,如前所述。但双坡式比较灵活,在复杂的情况下也好解决,而单坡式就受到一定限制,有些情况难实现,见图5。
在这种情况下,用单坡式难度较大,汇水面积很难分匀,图面也难以表达,施工单位更不易搞清楚,所以不宜轻易使用它。

图5 三个雨水口单坡式排水
2. 圆形平屋面
这里讨论的是圆形平屋面,而不是圆柱体或圆锥体斜顶面的投影平面。
其排水原理和方法与方形或长方形基本相同,只是图形不一样而已。

图6 圆形平屋面单坡式排水
圆形屋面找坡后的排水斜面,实际上就像圆柱体的斜截面,一个排水口,犹如圆柱体斜切一刀;两个排水口对称切两刀,三个三刀,四个四刀……由于截面由高到低周边成缓曲线变化,不需做副坡,就能把水排向雨水口。见图6。如果再做副坡也可以,但施工就复杂多了,用料也多了。见图7。

图7 圆形平屋面双坡式排水
3.扇形平屋面.
扇形平面是环形平面的某一个局部,内外侧找坡排水都行,坡度小时由建筑找坡,坡度大时由结构找坡。扇形找坡一般都做成曲面,因为在沿着女儿墙面处都做成一样高度,找起坡来省工省料,因此主副坡都做成曲面。见图8。

图8 扇形平屋面双坡曲面排水
这里要注意的是主副坡的交线不是直线,而是弧线,其作图原理与方形(长方形)相似。特殊情况下,可把找坡面做成平面而不是曲面,见图9。不过图形难理解一点,施工难度也大一点。

图9 扇形平屋面单坡排水
三、主副坡的关系
主坡是指大面积或主导排水的排水坡,副坡是指与主坡垂直或成一定角度的
排水坡。主坡坡度大,一般取2%~3%,副坡的坡度小,一般取0.5%~1%。如果相近或一致,则无所谓主副坡之分。
主坡大很容易把大面积的雨水迅速排掉,主坡汇集来的大量雨水到副坡处,只要畅通且有一定坡度,就能很快排走。副坡近似边沟的作用,所以其坡度可以减小,不要与主坡相近,否则费工费料。
主坡排向副坡,副坡排向雨水口,主副坡交线的定位是与两坡的坡度大小有关,根据两坡交线上的每一点不论在主坡或副坡上都等高的原理即可求出。设副坡的坡度为0.5%,主坡为2%,在副坡向长为L,主坡向长为a,则h=0.5%×L=2%×a,即a=L/4。同理可证明,两个坡度相等时,其交线成45°,即1:1;副坡是主坡的1/2时,其交线为 1:2;副坡为主坡的1/4时,其交线为 1:4,如此类推。如图10。扇形平屋面绘图原理也如此。

图10 主副坡交线的定位
四、找坡材料的用量
平常在设计和制图过程中,只图方便和省事,能把水排掉就行,但对找坡材料用量却很少推敲和分析,殊不知排水方向和方式的不同,导致材料成倍增长,对资源也是一种浪费,所以值得注意,下面举例说明。见图11。
1,单坡式

2,双坡式
(1)主坡设在长向上

(2)主坡设在短向上

图11 找坡用料简图
从上述四种情况计算结果来分析,屋面面积完全相同,主坡坡度也都相同,可是由于找坡方式和方向不同,找坡材料的数量却有很大区别。第一、二种情况相近,第二种情况制图和实际操作都较方便,用料也少。第三、四种情况找坡方式一样,但方向不同,可数量相差甚远,第三种情况比第四种情况几乎多一倍,尤其第一种比第四种多一倍还多。所以上述四种情况,从排水效果来讲都可行,但从找坡材料数量来讲第二种比第一种省,第四种最省。
五. 斜坡交线与面层装饰的关系
现在有些上人屋面,都铺上面砖,若两坡的交线与女儿墙或侧墙不成正交,而是斜交(即交线不方正),面砖就要切割很多,费工费料,也不美观。所以要尽量使其方正。若是用单坡式,一个雨水口,则做成一个斜面,坡向雨水口;两个雨水口,则做成两个斜面,分别坡向两个雨水口,则两坡的交线就比较方正。见图12。这样两坡的交线也少,既简便又美观,给铺面工程带来好处。因此,屋面铺面砖时,以这种单坡式较好,不过其找坡用料多于双坡式。

图12 单坡式交线方正
六、 两坡交线与坡度的关系
两个坡度一样,则其交线,不论脊线或谷线,必在两雨水口之间的中分线上。若不在中分线上,则两坡的坡度一定不相等,即一坡大一坡小,这是必然的结果。要想坡度一样,脊(谷)线到雨水口的距离又不一样,那是不可能的。若随意画则使人费解。
七、几种组合的平面类型
雨水管的设置位置,希望能考虑排水的方便和可能,但现在的设计平面变化越来越多,立面造型也越来越讲究,因此其位置往往不理想,给找坡带来一定的难度。
1. 正交形平面
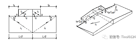
单个方形(或长方形)的排水找坡方法较为简单,但两个或多个方形(长方形)组合的平面就复杂很多。以两个大小不一的长方形正交组合的不对称平面、且雨水口位置已定为例(图13):
(1) 单坡式:

图13 组合屋面的单坡方式找坡
从图13中可以看出,首先小屋面找坡的坡向和坡度,随大屋面变化而变化,也就是说,其找坡的夹角必须一致,这样其谷线才一致,其次,小屋面的起坡点,不像大屋面在雨水口处从屋面板上起坡,而左边的是在屋面交点A、从高度h1=S1i2处起坡,右边的是在屋面交点B、从高度h2=S2i2处起坡。
(2) 双坡式:

图14 组合屋面的双坡方式找坡
双坡式主坡的起坡线都是在屋面板面上,大屋面的副坡如前所述,而小屋面的副坡则有两种方式,一种是图14a,副坡从两个雨水口出发,作主副坡的交线,但副坡在女儿墙相交处是一段水平线,即图14a中左边的AB段,右边的EF段。为排水顺畅,再分别做斜坡,把雨水导向副坡下段,流向雨水口。另一种是图14b,副坡由大小屋面相交的边角点A(距副坡脊线最远的一点)和其与副坡脊线相对称的另一点B出发,按上述方法,分别做主副坡的交线。后种方式找坡画图,虽稍有简化,但由于小屋面的起坡线不是在屋面板面,而是在副坡已提升了一个高度(即h=S1i2)处,因此小屋面的找坡用量稍多于前者,还是前者较好。
2. 斜交形平面
斜交形组合平面的排水找坡方式比正交形组合平面稍复杂一点,不对称的又比对称的复杂些。现以两个长方形斜交组合的不规则平面为例:
(1) 单坡式

图15 不规则形平面单坡式排水(一)
由图15的两个拐角点A、B作连线,把一个六边形分成两个四边形,这条连线为一个雨水口的谷线或两个雨水口的脊线。其找坡方法如前所述,但四个角点都不同高,并应注意①一个雨水口时谷线与某个边的夹角∠α、∠β一定要小于90°;②两个雨水口时只能设在同一边;③先定大屋面的坡度i1,再确定小屋面的坡度i2。另外还有一种情况,见图16。就是利用两个斜面的交线AB作为排水谷线,但要注意:

图16 不规则形平面单坡式排水(二)
① 先确定长向坡度i1,随后求出A点高、AB坡度i3以及短向坡度i2,当i3<0.3%时,另做调整。
② 只有进深相同时,即L1=L2时,则i1=i2、∠α=∠β。
③ ∠α和∠β都要大于90°,若其中某角<90°,则该面的四个角点都不应同高,其坡向线也不垂直任何一条边。
④ 雨水口只能设在外侧转折点B处。
(2) 双坡式

图17 不规则形平面双坡式排水
图17中若以转折处EF为分水线,向两边找主坡,再作副坡,此法可行,但两主坡坡度不一样,且费料,因此效果不好,但以两边AB和GH延长线夹角的平分线CD作为分水线为好,这样在CD线上的任意一点到两边AB和GH的垂直距都相等,则两边坡度相等且省料。不过要注意该延长线的夹角应小于90°。这种方式两个雨水口可同在任意一边,也可以分开,一边一个。不过,除对称平面两汇水面积相等之外,其他情况则不一定相等。
3. 弧形与方形组合的平面
在交叉路口处,建筑有时做成拐角形,由于面积较大又不规整的平面,尤其其中有弧形,单坡式不能运用。另外弧形处是平面不是锥体的曲面,最好不用弧形曲面的办法来解决。见图18。


图18 拐角平面排水
平屋面的排水,随着平面形式的复杂化,找坡排水也相应变得复杂。上面所叙述的几种图形和问题的处理仅是抛砖引玉,实际上形状千变万化,解决的办法也各式各样。希望通过分析研究,能使问题条理化,清晰化,使设计者能得心应手,使施工者能一目了然。
0人已收藏
0人已打赏
免费0人已点赞
分享
给排水资料库
返回版块22.45 万条内容 · 564 人订阅
阅读下一篇
屋面雨水排水设计方法要点总结1、内排水外排水形式的选择:一般由建筑专业选定,寒冷地区亦布置在室内(个人认为:枢纽场区内屋檐下,人员等车处,人流密集不宜设置外排水直接散水) 2、虹吸还是重力流:檐沟外排 重力流高层建筑 公共建筑大型屋面 压力流长天沟外排
回帖成功
经验值 +10
全部回复(0 )
只看楼主 我来说两句抢沙发