电气回路的开启闭合是如何按照我们的要求进行控制的,即电气的二次控制原理是如何运行的,本文进行分享。
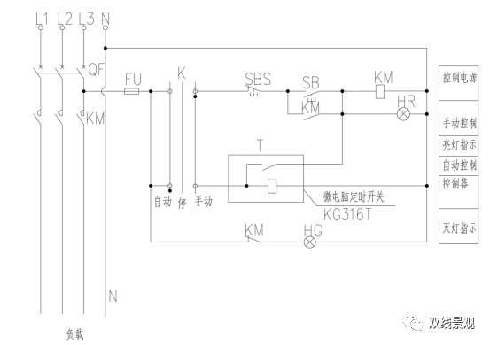
下图是一个能实现手动自动切换的控制系统。

当手动的时候,通过开启、关闭按钮对回路进行控制。
当切换至自动时,可用时间定时开关对电路进行控制,不需要人为操作,简单省时省力。
这里面用到的元器件主要有:
转换开关、交流接触器KM,
常闭开关SBS,
常开开关SB,
指示灯HG、HR。
小型接触器一般会有一个(常闭/常开)辅助触点,或一个(常开+常闭)辅助触点,当接触器线圈通电时,常开触点会自动闭合,常闭触点会自动断开,这也是能实现自动控制最重要的一个元器件。

自动控制的逻辑关系如下:
转换开关切换到自动模式 (定时开关按照控制时间进行定时),
时控开关常开触头闭合 → 接触器线圈通电 → 常开触头闭合 → 红色指示灯点亮→ 常闭触头打开 → 绿色指示灯关闭 → 接触器负荷正常工作
当切换至手动模式,
按常开开关 → 接触器线圈通电 → 接触器常开触点闭合 → 接触器线圈一直通电 → 接触器的负荷正常工作
这个控制原理图可以看作是手动自动切换的通用图,所有项目复制粘贴即可。
对想搞清楚这个图真正意思的朋友来说,本文应该有所帮助。
不求甚解的反义词是追本溯源。
0人已收藏
0人已打赏
免费0人已点赞
分享
电气资料库
返回版块70.18 万条内容 · 793 人订阅
阅读下一篇
一套弱电工程公共广播(背景音乐)系统施工方案公共广播系统在弱电系统中属于中规中矩,大部分项目都需要这样的系统,比如小区、学校、医院等等,那么公共广播系统的施工方案如何写呢? 广播系统 1.1 广播室设备安装 1. 广播室设备的位置应根据现场条件来确定,尽量做到便于操作,便于设备散热,减少其他设备的干扰。 2. 广播室设备安装之前,应将吊顶、墙壁粉刷、地板和隔音层工程做完;有关机柜设备的基础型钢预埋完毕;天线、地线应安装完毕,并引入室内接线端子上;进出线管槽预留位置正确,方可进行设备安装就位。
回帖成功
经验值 +10
全部回复(0 )
只看楼主 我来说两句抢沙发