故障处理的基本步骤:
第一步:先按报警解除按钮,将报警声音关闭;
第二步:查看界面提示;
第三步:观察高压电是否断开;
第四步:确认高压断开;
第五步:根据界面提示,检查故障点;
第六步:故障处理时,要有条理,在整个信号传输、连接链条中查找,逐一排除。
第一类故障:直流母线报过压
直流母线过压保护定值:设置为额定电压的115%。

当出现“直流母线报过压”故障时,应进行如下工作:
1、检查高压电源正向波动是否超过允许值;
2、如果是减速时过电压,可适当加大变频器的减速时间设定值;
3、检查接线螺栓是否松动、打火;
4、检查单元控制板是否损坏;
5、电网侧电压过高或瞬间电压波动过大;
6、功率单元单元控制板内过压整定值漂移;
7、同一级内其他功率单元故障无输出且未旁路运行,造成该功率单元直流母线电压偏高;
8、主控箱光纤板故障或CPU板故障。
第二类故障:直流母线欠电压
直流母线欠压保护定值:设置为额定电压的65%。

出现“直流母线欠电压”故障时,应进行如下工作:
1、电网侧电压偏低或瞬间网侧电压波动太大;
2、高压开关是否掉闸;
3、整流变压器副边是否短路;
4、接线螺栓是否紧固和断裂;接线螺栓的松动和打火;
5、检查功率模块三相进线是否松动;
6、功率模块三相进线熔断器是否完好;
7、功率单元单元控制板内过压整定值漂移;
8、单元控制板损坏。
9、主控箱光纤板故障或PLC板故障;
10、功率单元输入侧整流回路故障;
第三类故障:变频器过流
变频器过流保护的设定值为:变频器输出电流达到电机额定电流的150%,允许3秒钟,超过则立即保护停机;变频器输出电流超过电机额定电流的200%,在10微秒内保护停机。

出现“变频器过流”故障时,应进行如下工作:
1、变频器主控板硬件检测回路故障或整定值漂移;
2、检查电机绝缘是否完好;
3、模拟接口板检测回路故障;
4、检查负载时否存在机械故障;
5、变频器输出到电机的电缆故障或输出接线柜螺钉烧断造成缺相;
6、对于一些使用滑动轴承的电机,启动时机械摩擦转矩较大,可适当提高变频器“低频转矩提升”的设定值;
7、功率单元存在重故障;
8、变频器不具备飞车启动功能,启动时电机在旋转状态,或电机是否反转。
9、霍尔电流传感器故障;
10、霍尔器到模拟接口板之间的接线不良;
11、变频器软件检测参数设置不当;
第四类故障:单元过热
保护定值:80±5℃
保护器件:散热片温度继电器

当出现“单元过热”这一故障时,可进行如下工作:
1、请检查环境温度是否超过允许值;
2、单元柜风机是否正常工作;
3、进风口和出风口是否畅通,即滤网是否干净;
4、装置是否长时间过载运行;
5、最后检查功率模块控制板和温度继电器是否正常。
提示:经过上述工作之后,还没有解决这一故障,如果用户现场当时没有备用模块,可以将该功率模块上的温度继电器检测点在单元控制板上短接,使其退出保护,继续运行。尽快更换上备用模块后,可将该故障模块运回公司后检修。
第五类故障:单元缺相
“单元缺相”故障的含义是指某一功率模块的输入侧缺相。

当发生“单元缺相”故障时,应进行如下工作:
1、检查输入的高压开关是否掉闸;
2、检查整流变压器副边是否短路;
3、检查接线螺栓是否紧固或断裂;
4、检查功率模块三相进线是否松动;
5、检查功率模块三相进线熔断器是否完好;
6、有时变频器在断电时会报出缺相,属正常现象,直接复位即可。
第六类故障:光纤故障
“光纤故障”是指单元控制板与主控板之间的通讯中断。

当出现“光纤故障”时,应进行如下工作:
1、检查功率模块控制电源是否正常(正常时,L1绿色指示灯发光);
2、检查功率模块以及控制器的光纤连接头是否脱落;
3、光纤是否折断、漏光;
4、光纤是否被灰尘蒙蔽;
5、主控箱光纤板故障;
6、主控箱电源板故障;
7、有时变频器在断电时会报出单元光纤通讯故障,属正常现象,直接复位即可。
第七类故障:驱动故障
“驱动故障”的含义是指IGBT在出现故障时,电路上的电流增大(达到6~7倍以上)、引起的管压降的增加(10~15V),而报出的故障。

当出现“驱动故障”时,应进行如下工作:
1、检查内部是否有短路放电痕迹;
2、IGBT是否正常——测量续流二极管;
3、电机是否有问题;
4、输出电缆是否有破损、短路情况;
5、输出螺栓是否过热,虚接打火;
6、更换驱动板、单元控制板;
7、把输出铜排拆除,用万用表测量输出电压幅值。
第八类故障:控制器不就绪
主控箱中的主控板自检不能通过时会报“控制器不就绪”故障。

当出现“控制器不就绪”的故障时,应进行如下工作:
1、控制器自检不能通过时报告该故障,可重新设定变频器参数,再次复位系统尝试;如果仍不能排除,检查电路板之间的连接是否可靠,控制器到PLC的配线是否松动,或更换单片机控制板。
2、正常情况下,控制器主控板的“RUN”指示等应处于有规律的闪动状态,如果常明或常暗,或不规律闪动,则主控制板存在问题。
3、在上高压电的初始几秒钟或断高压电后的几分钟内,由于控制器处于被复位的状态,报告“控制器不就绪”为正常现象,过这段时间后应可以自行解除。
第九类故障:控制器无响应
主控箱故障或者出于被复位状态时,会出现“控制器无响应”的故障。

当出现“控制器无响应”的故障时,应进行如下工作:
1、检查所有控制板是否插装到位,电源板所有指示灯是否全亮,主控板POWER指示灯是否发光,RUN指示等是否处于闪烁状态,连接到主控板的RS485插头是否松动或脱落;
2、在变频器上电开始的6秒钟之内,由于屏蔽故障需要,控制器处于被复位状态,显示“控制器无响应”属于正常现象,但6秒之后,“控制器无响应”应消失;
3、同样,变频器断电后,由于屏蔽故障需要,在几分钟内,控制器处于复位状态,显示“控制器无响应”属于正常现象,但几分钟之后,“控制器无响应”应消失;
4、如果不是上电或断电的初始时刻,出现主控板RUN指示灯长时间发光或长时间熄灭,或者不规律闪烁,则主控板存在问题。
第十类故障:旁路报警运行
当某一功率模块出现“欠压、缺相、驱动、过热”故障时,该模块会进行旁路运行,在主界面上显示出“旁路运行”提示;在“故障信息子界面”上显示“欠压旁路”,或者是“缺相旁路”,或者是“驱动旁路”,或者是“过热旁路”。
功率模块出现“旁路运行”时,变频器虽然不会停机,但是在进行降额运行。因此,一旦用户有停机时机,应尽快安排停机更换上备份模块。
第十一类故障:柜门连锁报警
“柜门连锁报警”故障是指变压器柜、功率柜、旁路柜的柜门在变频器运行时开启,在主界面上会报“柜门未关严”轻故障。
当出现“柜门连锁报警”的故障时,应进行如下工作:
1、请检查柜门是否严密关闭;
2、行程开关是否完好;
3、配线是否脱落。

第十二类故障:变压器超温
当移相变压器的温度超过其轻度过热保护值130℃时,在主界面上会报出“变压器过热”的轻故障。

当出现“变压器超温”的故障时,应进行如下工作:
1、检查变压器副边接线绝缘是否完好;
2、检查变压器副边接线绝缘是否短路;
3、装置是否过载运行;
4、环境温度是否过高;
5、变压器的冷却风机是否正常;
6、风路是否通畅;
7、温度控制器功能是否完好;
8、温度控制器过热报警参数是否设定合理;
9、参数是否被非法复位或修改;
10、测温探头是否损坏,温控仪触点是否失效。
第十三类故障:变压器过热
当移相变压器的温度超过其重度过热保护值140℃时,会报出“变压器重热”的重故障。
当出现“变压器重度过热”的故障时,应进行如下工作:
1、检查变压器副边接线绝缘是否完好;
2、检查变压器副边接线绝缘是否短路;
3、装置是否过载运行;
4、环境温度是否过高;
5、变压器的冷却风机是否正常;
6、风路是否通畅;
7、温度控制器功能是否完好;
8、温度控制器过热报警参数是否设定合理;
9、参数是否被非法复位或修改;
10、测温探头是否损坏,温控仪触点是否失效。

第十四类故障:UPS输入掉电或直流电源掉电
当用户提供给变频器的控制电源出现故障时,系统在UPS的电池供电下继续运行,在主界面上会报出“UPS输入掉电”的轻故障。如采用交直流两路控制电源,控制系统输入侧直流220V电源消失,在主界面上会报出“直流电源掉电”的轻故障。

当出现“UPS输入掉电”或“直流电源掉电”的故障时,应进行如下工作:
1、检查上级电源是否失电;
2、检查低压配电室至变频器的电缆短路,导致变频器上级空开跳开;
3、UPS或控制系统存在短路现象致使变频器控制柜内空开跳开;
4、另外,这种情况下电源必须及时恢复,因为单靠UPS只能维持20-30分钟,一旦UPS电能耗尽,控制系统将停止工作,变频器就会停机。如果UPS自身出现故障没有输出,控制系统将失去电源而造成停机。
第十五类故障:有故障显示无报警
嵌入式工控机的人机界面上显示出了“轻故障”或“重故障”的信息,而没有相应的故障报警信号,被称为“有故障显示无报警”的故障。
当出现“有故障显示无报警”的故障时,应进行如下工作:
1、检查“声光报警器”是否损坏;
2、检查继电器K6是否损坏;
3、检查电源或导线是否损坏;
4、主控板死机,重启;
5、停机情况下,用户可以用“系统复位”命令将系统整体复位,恢复系统的音响报警功能。
第十六类故障:模拟给定掉线
模拟给定4-20ma信号低于设定最低掉线值(一般为2至3mA)。
当出现“模拟给定掉线”的故障时,应进行如下工作:
1、检查DCS给定信号是否有故障;
2、模拟量接线接触是否不良或断线;
3、PLC模拟输入口故障。
第十七类故障:PLC无响应
“PLC无响应”故障的含义是指PLC和人机界面之间的通讯中断。

当出现“PLC无响应”的故障时,应进行如下工作:
1、检查人机界面和PLC的通讯电缆和接头是否有故障;
2、确认PLC是否处于RUN位置;
3、检查PLC是否有故障。
第十八类故障:人机界面死机
把人机界面上出现的所有故障统称为“人机界面死机”故障。具体包括:黑屏、界面死机、硬件损坏、软件故障等。
当出现“工控机死机”的故障时,应进行如下工作:
1、如果是界面死机,可重新启动。若启动不成功,更换软件;
2、如果是黑屏,应检查电源是否损坏,或连接是否牢固;
3、检查硬件是否损坏;
4、更换人机界面。
第十九故障:变频器无法启动
“变频器无法启动”故障是指变频器开机后,不能得到“系统待机”的指令,并且“启动”按钮处于“灰色”状态,没有被激活。
变频器“启动”的过程是这样的:
第一步:操作人员合220VAC控制电源开关,变频器控制系统上电后自动开始检测。如自检没有发现故障,向主控发出“控制器就绪”信号,同时变频器自动发出“高压合闸允许”信号。
第二步:接收到变频器的“高压合闸允许”信号后,操作人员作出判断。如果具备上高压电的条件,手动或通过各种控制系统合高压开关。变频器整流逆变部分带高压电,冷却风机开始运行。变频器检测到整流逆变部分带高压电后,延时6秒(时间可设定)自动发出一个“系统待机”命令。
第三步:人机界面上出现 “系统待机”的信号,并且“启动”按钮由“灰色”状态变为“白色”状态,操作人员根据整套系统设备的状态作出判断。如果具备运行的条件,通过变频器控制面板或各种控制系统向变频器发出“启动”命令。变频器启动运行。
当出现“变频器无法启动”的故障时,应进行如下工作:
1、检查控制电源上电是否正常;
2、检查控制系统(主控箱、PLC、嵌入式工控机)的设备是否正常;
3、检查控制系统自检软件是否正常;
4、检查远程现场的“紧急停机”按钮和控制柜门上的“紧急停机”按钮是否都处于释放(在弹出状态);
5、检查变频器上是否存在未解决的重故障;
6、高压送电是否正常。
第二十类故障:不能调整运行频率
无论采用闭环控制或开环控制,都不能达到改变运行频率的目的。这种故障现象被称为“不能调整运行频率”的故障。
运行频率的调整方式有以下几种:
第一种:本机给定、开环运行
第二种:本机给定、闭环运行
第三种:模拟给定、开环运行
第四种:模拟给定、闭环运行

当出现“不能调整运行频率”的故障时,应进行如下工作:
1、变频器运行频率给定方式由人机界面设定。如果外部的模拟电位器无法改变变频器运行频率,很可能是工控机界面中将频率给定设定为计算机给定方式;如果用人机界面无法给定变频器的运行频率,则是因为工控机界面的功能设定中将频率给定设为模拟给定方式。
2、如果人机界面的功能设定中将变频器设定为闭环运行模式,则变频器运行频率由PID调节器输出,不由用户直接给定,用户通过外部的模拟电位器或人机界面设定的只是被控工业变量的期望值。
3、如果变频器无法达到设定的频率值,可能是用户的设定频率超出了最高和最低频率限制值,或者设定频率落入跳转频率范围。如果每次都是自动升到很高的频率后自动停机,则是因为用户在人机界面中将运行方式设定为软启动方式。
4、有些情况下,频率给定方式和“本控/远控”状态进行了连锁,远控时只认模拟给定。有时远控情况下可能也有几种给定方式,比如DCS给定或操作台给定,需要进行选择。
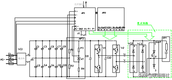
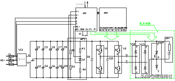
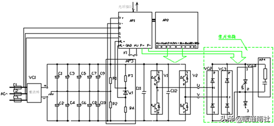
利用光纤判断故障的技巧
光纤在控制系统中用来传输CPU的频率给定信号并采集功率单元的状态信息
反馈到CPU。所以到每个功率的光纤线分为两根线:指令线与状态线。
利用光纤判断故障点方法:
1、将报警故障功率单元的光纤状态线在功率柜处与相邻单元的对换,如果报警转
移到相邻的功率单元,则说明功率单元存在故障;如果仍报此单元故障,则说 明故障在光纤回路或光纤板。
2、将报警故障功率单元的光纤状态线在光纤板处与相邻单元的对换, 如果报警转移到相邻的功率单元,则说明光纤线或光纤头存在故障;如果仍报此单元故障,则说明故障在光纤板。
注:更换光纤线的前提是相邻功率单元正常。
更换备用模块的步骤:
所有功率单元模块是完全一致的,如果某一单元由于故障而不能正常工作,可以在允许设备退出的时间用备用单元将其替换。
更换功率单元模块可遵照以下步骤进行:
第一步:使用停机或急停按钮使变频器退出运行状态;
第二步:切断输入高压电;
第三步:打开单元柜门,等所有单元的L1、L2指示灯熄灭;
第四步:拔掉故障单元的J1、J2两根光纤头;
第五步:用扳手卸下故障单元的R、S、T、U、V五根连线;
第六步:拆下故障单元与轨道的固定螺丝;
第七步:将故障单元沿轨道拔出,注意轻拿轻放;
第八步:按与上述拆卸相反的顺序将备用单元装上并接线;
第九步:系统重新上电投入运行;
第十步:与厂家联系维修故障单元。
0人已收藏
0人已打赏
免费1人已点赞
分享
电气工程原创版块
返回版块2.2 万条内容 · 596 人订阅
回帖成功
经验值 +10
全部回复(0 )
只看楼主 我来说两句抢沙发