土木在线论坛 \ 建筑结构 \ 盈建科 \ 延性比正算和反算

延性比正算和反算

发布于:2023-03-24 11:26:24 来自:建筑结构/盈建科 [复制转发]

在工程计算中,考虑了人防荷载时候,按照人防规范要求,人防构件需要考虑延性比的要求:

4.10.3 结构构件按弹塑性工作阶段设计时,受拉钢筋配筋率不宜大于1.5%。当大于1.5%时,受弯构件或大偏心受压构件的允许延性比[β]值应满足以下公式,且受拉钢筋最大配筋率不宜大于本规范表4.11.8的规定。

图片

式中

x——混凝土受压区高度(mm);

h0——截面的有效高度(mm);

图片——纵向受拉钢筋及纵向受压钢筋配筋率;

fyd——钢筋抗拉动力强度设计值(N/mm2);

fcd——混凝土轴心抗压动力强度设计值(N/mm2);

αc——系数,应按表4.10.3取值。


表4.10.3 αc

图片


这里就有两个问题:

问题1、当工程中有人防时,软件是否会按照人防规范延性比要求进行考虑?

答:

首先,当工程中有人防时,软件会按照人防规范延性比要求进行考虑。根据《人防规范》4.10.3 条的要求,当受拉钢筋配筋率大于 1.5%时,要求允许延性比图片。软件在执行此项规定时取[β] = 3,即通过调整图片来进行截面承载力配筋计算。

问题2、软件在计算带人防梁时,为什么会出现跨中顶筋计算值大问题?

答:

人防设计时,梁跨中上筋有时计算结果很大,但对应的LoadCase为0,一个重要的原因是人防设计时,规范有延性比要求,一般按3控制。当跨中底筋配筋率大于1.5%时,按 照《人防规范》4.10.3 公式正算,界限相对受压区高度约为0.167,这时软件一般通过增加受压钢筋来确保受压区高度不超限,此时跨中上筋计算结果有时很大,但由于是作为受压钢筋的计算结果,输出的顶部组合号及顶部弯矩均为0。

举例说明一下:

图片

该地库模型,Ⅱ类场地,7度设防,设置了6级(核)人防荷载,计算之后,我们选取其中一根梁来验证一下:

图片

材料信息

图片

截面信息

图片
图片

该梁截面是矩形截面,我们直接按照构件信息里面的配筋率进行验算:

图片

正好满足规范延性比要求,也说明软件是按照延性比3来考虑的。

PART 2

延性比反算

◆ ◆ ◆ ◆

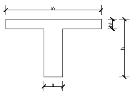
如果是通过实配钢筋直接代入人防规范4.10.3条反算延性比,需要注意这里有一个前提条件:受拉区配筋率计算时,受拉区面积是不应该发生变化的。受拉区截面面积如果发生变化,比如梁配筋验算时考虑楼板翼缘作用,按照T型截面配筋设计并且中和轴在受压翼缘之内时,用实配钢筋计算受拉区配筋率就不能按照原始矩形梁截面计算,应该按照考虑受压翼缘计算宽度的矩形截面计算。我们以上面工程的另一根梁来说明:

图片

材料信息

图片

截面信息

图片
图片

弯矩设计值:M=2399.81kN*m(+)

图片

中和轴位于受压翼缘内,应按照宽度为b’f的矩形截面进行承载力计算

对本例,受压翼缘计算宽度就是bs=b’f=2150.00mm

注意构件信息中的受拉配筋率是按照b=500算的:

图片

这时我们就不要直接用构件信息里面的受拉配筋率代入4.10.3-2中计算延性比了,而需按照截面宽度为bf’的矩形截面验算延性比。也就是说4.10.3仅适用于矩形截面验算延性比,当混凝土梁考虑楼板作为受压翼缘时,需利用内力平衡计算截面受压区高度,进行验算延性比。

对于这种情况,我们可以按照钢筋面积直接反算出受压区高度x,直接得到x/h0比值。

图片

如上图,套用力平衡公式:

fy*As-fy’*As’=α1*fc*bf’x

432*(7032-1125)=1*25.08*2150*x得到x=47.5

x<2as’,受压钢筋不屈服,可保守取x=2as’计算x/h0

x/h0=47.5/832.5=0.057<0.5/3=0.167

满足延性比要求。


知识点:延性比正算和反算

关于PKPM中人防延性比

全部回复(0 )

只看楼主 我来说两句抢沙发
这个家伙什么也没有留下。。。

盈建科

返回版块

6320 条内容 · 207 人订阅

猜你喜欢

阅读下一篇

YJK中的坐标体系

整体坐标系 与模型整体相关,或与节点相关 1. 水平荷载的方向——风荷载,地震荷载(WX,WY,EX,EY) 旋转方法: 与定义“其他风向角度”和“斜交抗侧力构件角度”不同,修改“水平力与整体坐标夹角”是旋转原有的EX,EY,WX,WY的角度,而不是在原有工况基础上增加其他角度的工况。

回帖成功

经验值 +10