无梁楼盖在实际的工程中应用越来越广泛,无梁楼盖结构如何进行合理的设计也受到越来越多人的关注。根据历来发生的工程破坏情况来看,大板结构的破坏多是因为柱帽处的冲切导致,所以在本文中特对程序中对冲切计算的过程进行详细阐述,供大家参考,以便于大家在设计时对程序结果进行合理取用。
概述
在软件中可通过设计结果模块下的柱冲切验算简图(如下图所示)来查看无梁楼盖结构柱冲切验算结果,如果模型中布置了柱帽,或者建模时按虚梁建模或梁高与板厚相同,则软件自动验算柱冲切。
冲切验算内容有三项:(1)柱根对柱帽的冲切;(2)柱帽对托板的冲切;(3)托板对楼板的冲切,如果没有柱帽或托板,则相应的验算项结果按0输出。软件的计算原则为:先按不配置抗冲切钢筋公式验算;不满足,则按配置抗冲切钢筋公式验算,同时简图中输出抗冲切箍筋面积。其中输出的抗冲切箍筋面积为单边一个艰巨的箍筋总面积,间距同梁。
详细计算过程
(续2.1)
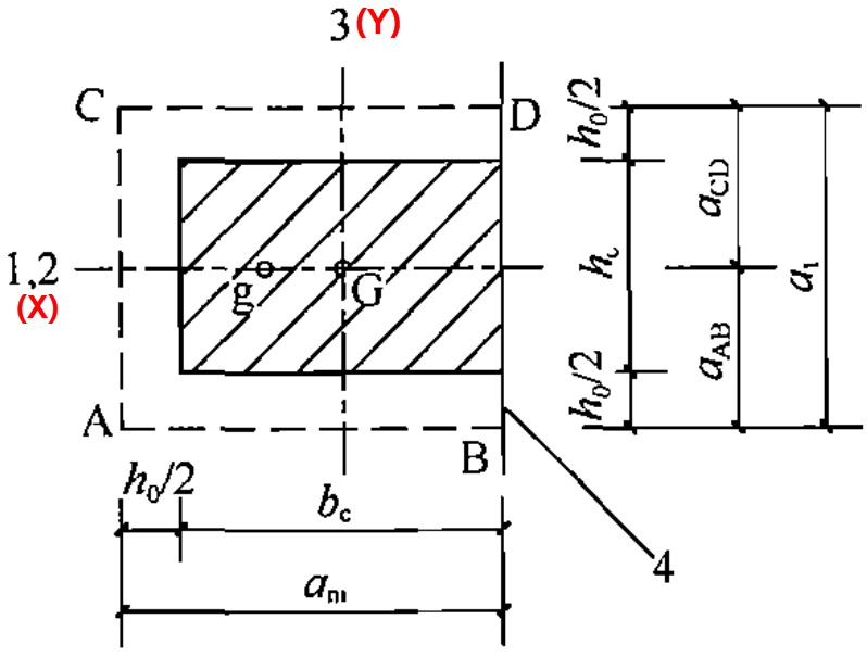
2.2 边柱(bc=hc)
以柱根冲切为例:
1)冲切力计算
截面有效高度:h0=300+200-15(保护层厚度)-10(楼板中钢筋直径假定是20)=475 mm
冲切锥底面边长:L1=600+475=1075;L2=600+475*2=1550 mm
(备注:如下图所示,不管边梁的位置如何,在计算边柱冲切时,计算冲切临界面时均取至外侧柱边。)
冲切锥底面面积:A=1.075*1.55=1.666 m2
冲切控制组合为35号人防组合对应的工况进行设计
板面恒+人防:1.3*30+1.0*60=99kN/m2
冲切锥自重:1.3*25*(1.55^2*0.775-0.6^2*0.3)/3/2=9.5kN
(备注:边柱计算冲切锥体积时取中柱计算方式下的1/2)
冲切锥范围内的荷载设计值:99*1.55^2/2(面荷载,取中柱冲切锥底面面积的一半)+9.5(自重)=128.42kN
柱所承受的轴向压力设计值:1.3*699.8+1.0*1026.5=1936.24kN
冲切力计算:N=1936.24-128.42=1807.82kN,与程序中计算输出的1807.8结果基本一致。
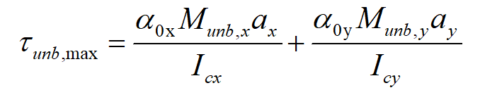
2)当有不平衡弯矩时等效冲切力的计算
不平衡弯矩:Mx=191 kN.m,My=1334 kN.m
需要按照混凝土规范附录F考虑双向不平衡弯矩计算等效集中反力设计值,计算公式如下所示:

(F.0.1-5)

(F.0.1-6)
A.弯矩作用平面垂直于自由边时(My=1334 kN.m)
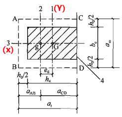
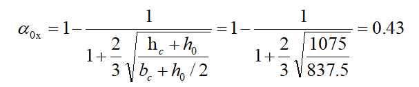
冲切临界截面边长:at=hc+h0/2=600+475/2=837.5 mm;am=bc+h0=600+475=1075 mm。


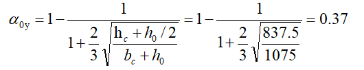
计算系数α0的计算参照混凝土规范附录F中的公式F.0.2-9来计算,如下所示:
(F.0.2-9)
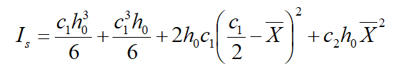
冲切临界截面对其重心的极惯性矩Is的计算参考《建筑地基基础设计规范》附录P中的公式P.0.1-7。

(P.0.1-7)
对应该范例中类似极惯性矩的计算结果为:

B.弯矩作用平面垂直于自由边时(Mx=191 kN.m)
弯矩作用平面平行于自由边时,按照混规公式F.0.2-10计算


(F.0.2-13)
冲切临界截面的周长:um=2*at+am=2*837.5+1075=2750 mm
ax=1075/2=537.5 mm
ay=aAB=537.5 mm
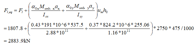
所以等效冲切反力设计值Fl,eq的计算结果为:

与构件信息中输出2883.7结果基本一致。
3)冲切箍筋的计算
楼板的混凝土强度等级为C30,ft=1.43 N/mm2,梁箍筋级别HRB400,fyv=360 N/mm2。当人防组合起控制作用时,使用抗冲切箍筋抗拉强度设计值fyd=1.2*360=432 N/mm2。
混凝土轴心抗拉动力强度设计值:ftd=1.5*ft=1.5*1.43=2.145 N/mm2
由于该范例中是由人防组合起控制作用,所以计算抗冲切箍筋时应按照人防规范附录D中公式D.2.2-2来确定,公式如下所示:

(D.2.2-2)
与冲切破坏锥体斜截面相交的全部箍筋截面面积:

3侧一共3432.28,那么一侧就是3076.895/3=1144.09
h0=475,那么一共有475/100=4.75排,一排箍筋面积=1144.09/4.75=240.86 mm2。
与构件信息中输出结果基本一致。
4)冲切截面验算
由于目前执行的人防规范版本是对应的混凝土规范2002版,版本较旧,所以在验算冲切截面时按照《混凝土结构设计规范 GB 50010-2010》中的公式6.5.3-1进行验算。
其中:βs=2,αs=30,所以计算得出η=1.0。

与构件信息中输出结果一致。
知识点:边柱
0人已收藏
0人已打赏
免费2人已点赞
分享
盈建科
返回版块6320 条内容 · 207 人订阅
阅读下一篇
YJK中“倾覆力矩”的简单总结盈建科文本结果中关于地震倾覆力矩有好几处输出,包括:wmass.out、wzq.out、wv02q.out。那么它们都是按照什么规则统计的,用来反映结构的哪方面属性呢?本篇将以一个简单的框架剪力墙结构进行说明。实例模型为4层框剪结构,其中地下室1层,层高为5m;地面3层,层高4m。轴线网格均为4mx4m。
回帖成功
经验值 +10
全部回复(0 )
只看楼主 我来说两句抢沙发