土木在线论坛 \ 建筑结构 \ 地基基础 \ 关于独立基础的最小配筋问题

关于独立基础的最小配筋问题

发布于:2023-03-24 09:46:24 来自:建筑结构/地基基础 [复制转发]

  柱下独立基础是一种常见的基础形式,传力简单、直接,也是大家最常用到的。在设计柱下独立基础的时候,很多工程师在送审时被图审质疑阶形和锥形独基配筋不满足最小配筋率0.15%的要求,如下图所示:600厚独基,乍一看最小构造配筋面积应该是9,是不是这样呢?大家知道独基的最小配筋是如何计算的吗?

图片

      下面给大家一一道来:

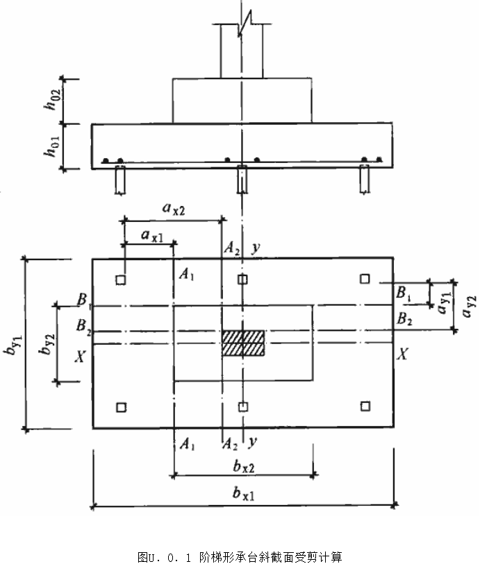
      首先,肯定是要满足计算配筋,由柱边和变阶处弯矩根据地规8.2.12条As=M/(0.9fy*ho)算得。地震组合会考虑抗震承载力调整,根据混规11.1.6 条,抗震调整系数γRE取0.75,As=M*γRE/(0.9fy*ho)算得独基每延米的配筋。另外,还要满足构造,8.2.12条规定:“对于阶形或锥形基础截面,可将其截面折算成矩形截面,截面的折算宽度和截面的有效高度,按附录U计算”。折算方法如下:

图片
图片
图片
图片

     其次,大家可能会有疑问,这个折算都是折算的水平长度,截面高度并没有折,是不是意味着整个基础底面还是要按最大的截面高度算最小配筋率呢?不是这样的。地基规范8.2.11条条文说明:“考虑到独立基础的高度一般是由冲切或剪切承载力控制,基础板相对较厚,如果用其计算最小配筋量可能导致底板用钢量不必要的增加,因此本规范提出对阶形以及锥形独立基础,可将其截面折算成矩形,其折算截面的宽度b0及截面有效高度h0按本规范附录U确定,并按最小配筋率0.15%计算基础底板的最小配筋量”。可以看出是要用折算后的截面来算出总的配筋,然后平摊到基底每延米的。

      如下图所示,按“As=M/(0.9fy*ho)”计算,x向配筋为1481.3mm2,分摊到独基底部,每延米配筋面积为:1481.3 / 2.2=673.3 mm2。按构造要求计算,等效矩形截面积为:1776×(850+50)=1598400 mm2,最小配筋面积为:1598400×0.15%=2397.6 mm2,分摊到独基底部,每延米配筋面积为:2397.6 / 2.2=1089.8 mm2。二者取大,配筋面积为1089.8 mm2/m,配筋率为0.15%。计算书中配筋面积为1090.1 mm2/m,稍有差距。原因是程序计算时b0不严格等于1776,而计算书中只显示到mm精度。

图片

结论:

1)阶形或锥形独立基础,可将其截面按地规附录U折算成矩形截面并按最小配筋率0.15%计算基础底板的最小构造配筋量;

软件设计结果给出的数值是折算后的截面算出总的配筋然后平摊到基底每延米得到的构造配筋面积和计算配筋面积取大的结果。

知识点:关于独立基础的最小配筋问题

柱下独立基础最小配筋的问题

全部回复(0 )

只看楼主 我来说两句抢沙发
这个家伙什么也没有留下。。。

地基基础

返回版块

12.11 万条内容 · 717 人订阅

猜你喜欢

阅读下一篇

土方开挖、CFG桩顶破除施工方案

本工程规划建筑由5栋11层和1栋12层的高层商业住宅楼和一层地下室组成,总用地面积8580.16平方米,设计总建筑面积28579.76平方米,其中地上部分建筑面积22317.44平方米,地下室建筑面积6262.32平方米。建筑总高度45.2米。本工程建筑类别属商住楼,其中地下室平时为车库,战时为防空单元,首层为商铺,二层以上为住宅楼。 1、工程地质条件:根据岩土地质勘察报告,本工程地貌为冲洪积阶地地貌,场地土的类型分为中软土,场地类别为Ⅱ类。经钻探揭露,场地岩土层按成因类型、性质、风化状态及工程地质特征,自上而下可分为:人工填土层,冲洪阶层,残积层,和基岩共6大层。具体各土层的主要力学参数祥见地质报告。

回帖成功

经验值 +10