1.问题描述
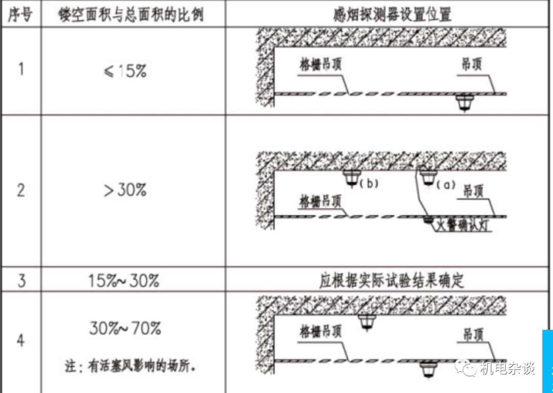
格栅吊顶处探测器没有根据格栅镂空面积与总面积的比例情况进行设置。【图示1】【图示2】
2.规范要求
《火灾自动报警系统设计规范》(GB 50116-2013)规定:
6.2.18感烟火灾探测器在格栅吊顶场所的设置,应符合下列规定:
1镂空面积与总面积的比例不大于15%时,探测器应设置在吊顶下方。
2镂空面积与总面积的比例大于30%时,探测器应设置在吊顶上方。
3镂空面积与总面积的比例为15%~30%时,探测器的设置部位应根据实际试验结果确定。
4探测器设置在吊顶上方且火警确认灯无法观察时,应在吊顶下方设置火警确认灯。
5地铁站台等有活塞风影响的场所,镂空面积与总面积的比例为30%~70%时,探测器宜同时设置在吊顶上方和下方。
应对措施:
镂空面积与总面积的比例为15%~30%时,且探测器应设置部位无确定的实际试验结果支持时,探测宜同时设置在吊顶上方和下方。正确做法【图示3】【图示4】。
3.图示说明
1)错误做法


2)正确做法

图示3

图示4
来源:南京市建设工程消防验收技术指南(试行)2021
1.问题描述
感烟火灾探测器在格栅吊顶场所的设置,《火灾自动报警系统设计规范》(GB 50116-2013)第6.2.18条已有明确规定,但感温火灾探测器在格栅吊顶场所应该如何设置?
2.规范要求
针对格栅吊顶场所感温探测器的设置要求,《火灾自动报警系统设计规范》(GB 50116-2013)未作出明确规定。
专家释疑:
《火灾自动报警系统设计规范》(GB 50116-2013)未对感温火灾探测器在格栅吊顶场安装做具体要求,主要是感温火灾探测器探测的是该场所内的温度指标,与格栅吊顶的镂空率关系不大。
感温探测器动作响应与温差或温升速率直接相关,根据火灾热烟气流动规律,室内空间顶板部位更容易积聚热量,感温探测器设置在格栅吊顶上方的顶板下,更容易在高温烟气中及时动作响应。参考同为温度响应的闭式喷头设置原则,通常要求设在靠近顶板的部位,以利于感温元器件在最短时间内动作响应,两者原理相同。
因此,存在格栅吊顶的场所,感温探测器原则上在顶板部位吸顶安装,若格栅吊顶镂空面积与总面积的比例较小时,建议在格栅吊顶上方和下方同时设置感温探测器。
来源:南京市建设工程消防验收技术指南(试行)2021
1.问题描述
在有梁的顶棚上设置点型火灾探测器时,安装探测器未考虑梁的影响;当梁突出顶棚的高度超过600mm时,被梁隔断的每个梁间区域未设置探测器。【图示】
2.规范要求
《火灾自动报警系统设计规范》(GB 50116-2013)规定:
6.2.3在有梁的顶棚上设置点型感烟火灾探测器、感温火灾探测器时,应符合下列规定:
1当梁突出顶棚的高度小于200mm时,可不计梁对探测器保护面积的影响。
2当梁突出顶棚的高度为200mm~600mm时,应按本规范附录F、附录G确定梁对探测器保护面积的影响和一只探测器能够保护的梁间区域的数量。
3当梁突出顶棚的高度超过600mm时,被梁隔断的每个梁间区域应至少设置一只探测器。
3.图示说明
1)错误做法

图示
来源:南京市建设工程消防验收技术指南(试行)2021
1.问题描述
点型探测器与照明灯间距过小【图示1】;
点型探测器至墙壁的水平距离小于0.5m【图示2】;
点型探测器距送风口边的水平距离小于1.5m【图示3】。
2.规范要求
《火灾自动报警系统设计规范》(GB 50116-2013)有关规定:
6.2.4在宽度小于3m的内走道顶棚上设置点型探测器时,宜居中布置。感温火灾探测器的安装间距不应超过10m;感烟火灾探测器的安装间距不应超过15m;探测器至端墙的距离,不应大于探测器安装间距的1/2。
6.2.5点型探测器至墙壁、梁边的水平距离,不应小于0.5m。
6.2.6点型探测器周围0.5m内,不应有遮挡物。【图示4】
6.2.7房间被书架、设备或隔断等分隔,其顶部至顶棚或梁的距离小于房间净高的5%时,每个被隔开的部分应至少安装一只点型探测器。
6.2.8点型探测器至空调送风口边的水平距离不应小于1.5m,并宜接近回风口安装。探测器至多孔送风顶棚孔口的水平距离不应小于0.5m。【图示5】
3.图示说明
1)错误做法

图示1

图示2

图示3
2)正确做法

图示4

图示5
来源:南京市建设工程消防验收技术指南(试行)2021
1.问题描述
消防应急广播馈线电压未采用安全电压如何处理?【图示】
2.规范要求
《民用建筑电气设计标准》(GB 51348-2019)有关规定:
13.3.6消防应急广播系统设计应符合下列规定:
4消防应急广播馈线电压宜采用24V安全电压。
16.2.5公共广播系统宜采用定压输出,输出电压宜采用70V或100V。
《公共广播系统工程技术标准》(GB/T 50526-2021)规定:
3.5.3当广播扬声器为无源扬声器,且传输距离大于100m时,额定传输电压宜选用70V、100V;当传输距离与传输功率的乘积大于1km·kW时,额定传输电压可选用150V、200V、250V。
《火灾自动报警系统设计规范》(GB 50116-2013)规定:
4.8.12消防应急广播与普通广播或背景音乐广播合用时,应具有强制切入消防应急广播的功能。
专家释疑:
根据国际标准,功放单元(或机柜)的定压输出分为70V、100V和120V。目前,国内生产的功放单元(或机柜)也逐渐采用国际标准。
通过“消防产品信息查询系统”查询可知:目前国内消防设备厂家生产的消防应急广播设备大多为通过CCCF强制认证产品(2019年改为自愿性产品认证),输出电压:AC100V或AC120V。项目实测其输出的是非常规正弦交流电,当平时没有音频输出时馈线电压基本为0,有音频输出时电压波动较大,120V是其上限(实测远低于120V)。
火灾自动报警系统设计规范允许消防应急广播与普通广播或背景音乐广播合用,且项目实施也要考虑线路功率损耗及目前市场上消防应急广播产品可供选择的实际情况,可采用交流120V以下音频输出的消防应急广播设备。当市场上有成熟的采用安全电压、小耗能大功率消防应急广播设备时,应优先选用。
因此,鉴于目前市场上无配套产品,且《民用建筑电气设计标准》(GB 51348-2019)规定的是“宜”,因此,目前仍可按原来的做法执行。
3.图示说明

图示
内容源于网络,旨在分享,如有侵权,请联系删除
相关资料推荐:
https://ziliao.co188.com/p59475940.html
知识点:消防报警点位设置的几个问题与答案
0人已收藏
0人已打赏
免费9人已点赞
分享
建筑消防给水
返回版块28.41 万条内容 · 744 人订阅
阅读下一篇
防排烟中的空间净高是怎么确定的?防烟排烟系统中,用到空间净高的地方有很多。但好多同学对空间净高的取值比较模糊。今天我们来讲讲空间净高是怎么确定的,以及利用空间净高的计算有哪些,怎么进行计算的。 首先,空间净高的确定分为未设吊顶和设置吊顶两种情况。 1.未设吊顶时,空间净高就是房间的层高。 2.设置吊顶的场所又分为设置封闭型吊顶和设置格栅吊顶,设置格栅吊顶又区分是否为通透性吊顶。对于设置密闭型吊顶的场所,其空间净高为吊顶下沿至该层地面的距离
回帖成功
经验值 +10
全部回复(1 )
只看楼主 我来说两句 抢板凳学习了消防报警点位设置的几个问题与答案,多谢了。
回复 举报