建筑暖通图纸
建筑暖通施工图一般包含:封面、图纸目录、设计说明、图例符号、材料表、系统原理图、平面图、剖面图、设备大样图等。识图是后期工作的基础和关键,如何快速掌握审图及读图重点,下面我们一一列举:
图纸目录中了解该项目施工图由那几类专业图纸组成、各专业图纸有多少张、每张图纸的图名及图号。
设计说明中需阅读的内容:项目所在地理位置、管道使用材质及连接方式、系统工作压力和试压要求、管道保温使用材质及厚度、管道外径壁厚规格尺寸、排气和泄水管径及安装要求、阀门使用类型要求、管道支吊架使用要求。
设备材料表一般会列出主要设备及主要材料的规格、型号、数量、具体要求,但数量只作为概算估计值,不作为设备材料的供货依据。
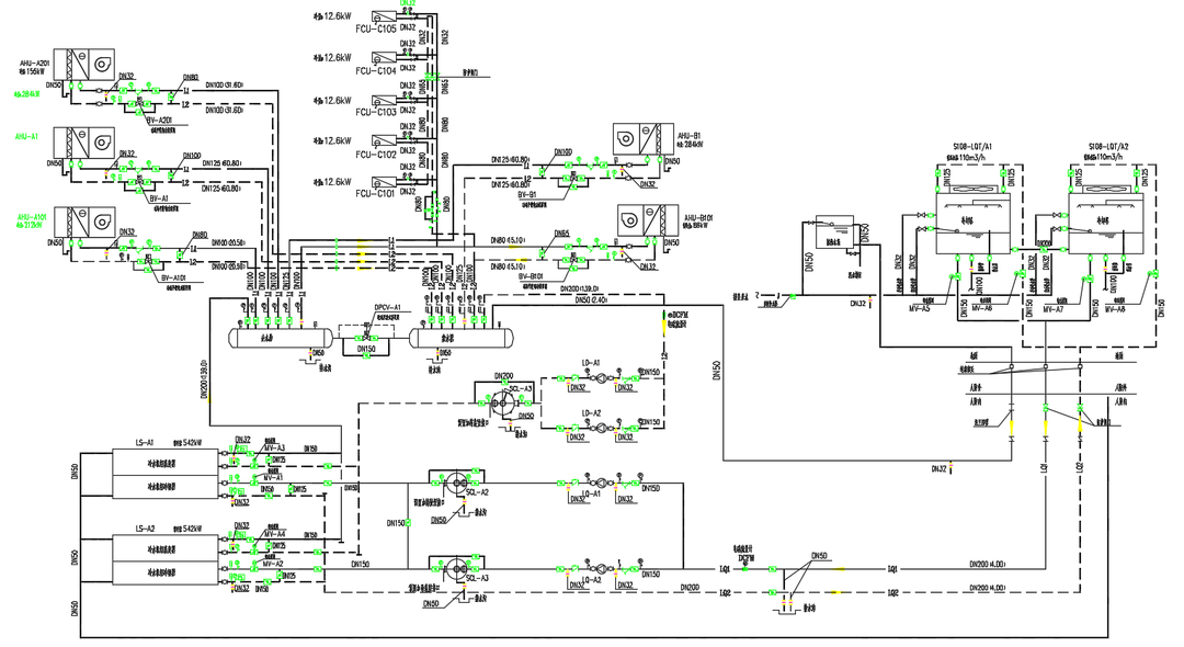
了解设备运行原理,确定设备数量,确定系统各位置管径大小、阀门数量及规格,仪器仪表位置及数量,泄水管位置及尺寸,各设备、管道间是否有旁通管,分集水器接管数量(设备阀门对应图例确定设备名称)。

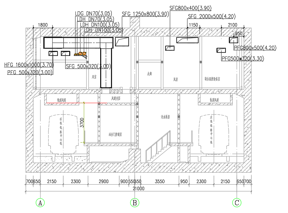
在平面图中确定暖通水管平面走向,主要暖通水设备房位置,在查看平面图时需对应系统图梳理清楚平面是否和系统图一致(包括管径大小、管线连接路由等),并对应剖面图初步确定暖通水管所在高度位置。
确定主要位置标高,完成面与结构面高差值,初步管线上下排布情况。

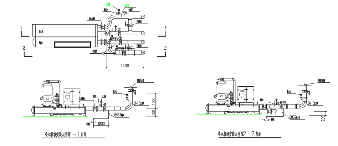
根据设备大样图可确定设备样式、设备尺寸大小、接口类型等。


来源:西安易筑机电 如有侵权 请联系删除
建筑给排水图纸
室内给水排水与小区给排水是相互联系的,室内给水系统的水源来自于小区给水干管,而室内污水废水则通过排水管道排入室外小区的排水系统。它们之间的界限是:给水系统以接入建筑物供水管的阀门为界;排水系统已排出建筑物的第一个排水检查井为界。

包括生活给水系统:供给人们饮用、洗涤、烹饪等生活用水;生产给水系统:供给生产设备冷却、原料和产品的洗涤以及各类产品制造过程中所需的生产用水。消防给水系统:供给各类消防设备灭火用水。
1、引入管:指室外给水管网与建筑物内部给水管道之间的联络管段也称进户管。
2、水表节点:指引入管上装设的水表及其前后设置的阀门,泄水装置的总称。阀门用于关闭管网,以便维修和拆换水表;泄水装置作用主要是在检修时放空管网,检测水表精度。
3、管道系统:是指建筑内部给水水平干管或垂直干管、立管、支管等组成的系统。给水管道主要采用管材:钢管和铸铁管。生活给水管管径≤150mm时,应采用热浸镀锌工艺生产的镀锌钢管;管径≥150mm时,可采用给水铸铁管;埋地管管径≥75mm时,宜采用给水铸铁管。生活消防共用给水系统应采用镀锌钢管。
4、给水管道附件:指管路上的截止阀、闸阀、止回阀及各式配水龙头等,用于调节管道系统中水量水压,控制水流方向以及关断水流便于管道仪表和设备检修的各类阀门。
1)截止阀:关闭严密,水流阻力较大,只适用于管径小于50mm的管路上。
2)闸阀:全开时水流直线通过,水流阻力小,适用于管径大于50mm的管道。
3)蝶阀:阀板在90度范围内翻转,调节,节流和关闭水流。
5、用水设备:包括:卫生器具、消防设备和生产用水设备等。
6、升压和储水设备:当室外给水管网的水压不足或建筑物内部对供水安全性和稳定性要求比较高时,需在给水系统中设置水泵,水箱、气压给水设备和储水设备等。建筑内部给水方式:建筑内部排水系统建筑内部排水系统是将建筑内部人们日常生活和工业生产中使用过的污水收集起来及时排到室外。
建筑内部排水系统类型按系统接纳的污废水类型不同,建筑内部排水系统可分为三类。
1、生活排水系统生活排水系统是排除居住建筑,公共建筑及工厂生活间的污废水。生活排水系统又可分为:排除冲洗便器的生活污水排水系统和排除洗涤废水的生活废水排水系统。生活废水经过处理可作为杂用水,用于冲洗厕所或绿化。
2、工业废水排水系统工业废水排水系统是排除工艺生产过程中产生的污废水。为便于污废水的处理和综合利用,按污染程度可分为生产污水排水系统和生产废水排水系统,污染程度较重的生产污水经过处理后达到排放标准排放,生产废水污染较轻,可作杂用水加以回用。
3、屋面雨水排除系统用于收集降落在大屋面建筑和高层建筑屋面上的雨雪水。
1、卫生器具和生产设备受水器卫生器具是建筑内部排水系统的起点。用来满足日常生活和生产过程中各种卫生要求,收集和排除污废水的设备。大便器、小便器、冲洗设备、洗脸盆、盥洗槽、浴盆、淋浴器、洗涤盆、地漏。
2、排水管道系统由连接卫生器具的排水管道,有一定坡度的横支管、立管、埋设在室内地下的总横干管和排出到室外的排出管等组成。
3、通气系统建筑内部排水管内是水气两相流,为防止因气压波动造成的水封破坏使有毒有害气体进入室内,需设置通气系统。当建筑物层数和卫生器具不多时,可将排水立管上端延伸出屋顶,进行升顶通气,不用设专用通气管。当建筑物层数和卫生器具较多时,因排水量大,空气流动过程宜受排水过程干扰,须将排水管和通气管分开,设专用通气管道。
A:单立管排水系统,只有1根排水立管,不设专门通气立管的系统;
B:双立管排水系统:也叫双管制排水系统,由1根排水立管和1根通气立管组成;
C:三立管排水系统:也叫三管制排水系统,由1根生活污水立管,1根生活废水排水立管和1根通气立管组成。
1)伸顶通气管高出屋面不小于0.3米,但应应大于该地区最大积雪厚度,屋顶有人停留时应大于2米;
2)连接4个及4个以上卫生器具,且长度大于12米的横支管和连接6个及6个以上大便器的横支管上要设环形通气管,环形通气管应在横支管起端的两个卫生器具之间接出,在排水横支管中心线以上与排水横支管呈垂直或45度连接。
3)专用通气立管每隔2层,主通气立管每隔8-10层设置结合通气管与污水立管连接;
4)专用通气立管和主通气立管的上端可在最高卫生器具上边缘或检查口以上不小于0.15米处与污水立管以斜三通连接,下端在最低污水横支管以下与污水立管以斜三通连接;
5)通气立管不得接纳污水、废水和雨水,不得与通风管或烟道连接。
4、清通设备:为疏通建筑内部排水管道保障排水畅通,需设置清通设备。在横支管上设清扫口,在立管上设置检查口,室内埋地横干管上设检查井。
5、抽升设备:民用建筑的地下室,人防建筑物,高程建筑地下技术层,某些工厂车间的地下室和地下铁道及地下建筑物的污废水不能自流排出室外,须设污废水提升设备。
6、污水局部处理构筑物:室内污水不符合排放要求时,必须进行局部处理,如沉淀池、隔油池、化粪池、中和池、消毒池等。

建筑雨水排水系统:降落在屋面的雨水和雪水,特别是暴雨,在短时间内会形成积水,需要设置屋面排水系统,有组织,系统的将屋面的雨水及时排除。屋面雨水的排除方式按雨水管道的位置分为外排水系统和内排水系统。
1、外排水:是指屋面不设雨水斗,建筑物内部没有雨水管道的雨水排除方式。按屋面有无天沟,又可以分为檐沟外排水和天沟外排水两种方式。
2、内排水:是指屋面设置雨水斗,建筑物内部有雨水管道的雨水排水系统。对于屋面设立天沟有困难的壳形屋面或设有天窗的厂房考虑设立内排水系统,对于建筑立面要求高的高层建筑,大屋面建筑及寒冷地区的建筑的外墙设置雨水排水立管有困难时,也可考虑采用内排水形式。
1)内排水系统的组成:雨水斗、连接管、悬吊管、立管、排出管、埋地干管和检查井组成。
A:内排水系统按雨水斗的连接方式可分为单斗和多斗雨水排水系统。单斗系统:一般不设悬吊管,多斗系统中悬吊管将雨水斗和排水立管连接起来。多斗系统:悬吊管上连接多个雨水斗(一般不得多于4个)的系统。其排水量大约为单斗的80%,在条件允许的情况下,应尽量采用单斗排水,以充分发挥管道系统的排水能力。
B:按排除雨水的安全程度,内排水系统分为敞开式和密闭式两种排水系统。敞开系统:为重力排水,检查井设置在室内,敞开式可以接纳生产废水,省去生产废水的排出管,但在暴雨时可能出现检查井冒水现象。密闭系统:雨水由雨水斗收集,进入雨水立管,或通过悬吊管直接排至室外的系统,室内不设检查井。密闭式排出管为压力排水。一般为安全可靠,宜采用密闭式排水系统。
3、混合排水系统大型工业厂房的屋面形式复杂,为了及时有效地排除屋面雨水,往往同一建筑物采用几种不同形式的雨水排除系统,分别设置在屋面的不同部位,由此组合成屋面雨水混合排水系统。
4、建筑内部热水供应系统建筑内部热水供应系统是为满足人们生产生活过程中对水温的特定要求,有管道及辅助设备组成的输送热水的网络。
1、按热水供水范围的大小,可分为,局部热水供应系统、集中热水供应系统和区域热水供应系统。
(1)局部热水供应系统:供水范围小,热水分散制备,靠近用水点设置小型加热设备供一个或几个配水点使用,热水管路较短,热损失较少。适用于使用要求不高,用水点少而分散的建筑和车间。
(2)集中热水供应系统:供水范围大,热水集中制备,用管道输送到各配水点。一般在建筑内设专用锅炉房或热交换器将水集中加热后通过热水管道将水输送到一幢或几幢建筑使用。这种系统加热设备集中,管理方便,设备系统复杂,建设投资较高,管路热损失较大,适用于热水用量大、用水点多且分布较集中的建筑。
(3)区域热水供应系统:水在热电厂或区域性锅炉房或区域热交换站加热,通过室外热水管网将热水输送至城市街坊、住宅小区各建筑中。该系统便于集中统一维护管理和热能综合利用,并且消除分散的小型锅炉房,减少环境污染,设备、系统复杂,需敷设室外供水和回水管道,基建投资较高,适用于要求供热水的集中区域住宅和大型工业企业。
室内热水系统的组成:热媒系统(第一循环系统)、热水供应系统(第二循环系统)和附件。
(1)热媒系统:热媒系统由热源、水加热器和热媒管网组成。工作原理:由锅炉生产的蒸汽(或过热水)通过热媒管网送到水加热器加热冷水,经过热交换后蒸汽变成冷凝水,靠余压送到冷凝水池,冷凝水和新补充的软化水经过冷凝循环泵送回锅炉加热为蒸汽,如此循环完成热交换的传递作用。
(2)热水供应系统(第二循环系统)热水供应系统由热水配水管网和回水管网组成。工作原理:被加热到一定温度的热水,从水加热器出来经配水管网送至各热水配水点,而水加热器的冷水由屋顶水箱哦给水管网补给。为了保证各用水点都有规定水温的热水,在立管和水平管设回水管,使一定量的热水经过循环水泵流回水加热器以补充管网所损失的热量。
(3)附件:包括蒸汽热水的控制附件及管道的连接附件。如温度自动调节器(控制出水水温)、疏水器(进行汽水分离,减少蒸汽损失)、减压阀、膨胀罐、自动排气阀、膨胀管和膨胀水箱(吸收工作介质因温度变化增加的那部分体积)、管道补偿器(补偿吸收管道受热或冷凝时管道轴向热变形)等 。
(2)按热水加热方式不同分为:直接加热和间接加热。
(3)按热水管网设置循环管网的方式不同:全循环、半循环、无循环。
(4)按热水配水干管位置不同,分为:下行上给供水方式和上行下给的供水方式。
(5)按热水循环动力不同,分为:机械循环和自然循环。
(1)开式热水供水方式在管网顶部设有水箱,管网与大气相通,系统内部的水压仅取决于水箱的设置高度,不受室外给水管网水压波动影响。该方式适用于室外给水管网水压波动大,用户用水水压要求稳定的情况。该方式的管道系统中,必须设置高位冷水箱和膨胀水管,或开式加热水箱。
(2)闭式热水供水方式管网不与大气相连通,冷水直接进入水加热器,需设安全阀或增设隔膜式压力膨胀罐或膨胀管以确保系统安全运转。具有管路简单,水质水量不易受外界污染的优点,但水压稳定性较差。
(3)直接加热也称为一次换热,是利用以燃气、燃油、燃煤为燃料的热水锅炉,把冷水直接加热到所需的温度,或将蒸汽直接通入冷水中混合制备热水。该热水供应方式的热效率高,节能,蒸汽直接加热时设备简单,但噪声大,对蒸汽质量要求高,运行费用高。适用于:对噪声无严格要求的公共浴室、洗澡房、工矿企业用户。
(4)间接加热:也称为二次换热,是将热媒通过水加热器把热量传递给冷水达到加热冷水的目的,在加热过程中热媒与被加热水不直接接触。适用于要求供水稳定,安全、噪声要求低的旅馆、住宅、医院等,运行费用低对水质不产生污染,供水安全稳定。
(5)全循环热水供应方式是指热水干管,热水立管及热水支管均能保持热水循环,各用水点随时打开配水龙头均能提供符合要求的热水,该方式用于特殊要求的高标准建筑中,如高级宾馆,旅店。
(6)半循环热水供应方式半循环热水供应方式又分为立管循环和干管循环热水供水方式。立管循环热水供水方式:指热水干管和热水立管管内均保持有热水的循环,打开配水龙头时只需放掉热水支管中少量的存水,就能获得规定水温的热水。适用于全日供应热水的建筑和设有定时供应热水的高层建筑中。干管循环热水供应方式:是指仅保持热水干管内的热水循环,多用于采用定时供应热水的建筑中。
(7)无循环热水供应方式是指在热水管网中不设任何循环管道。适用于:热水供应系统小,使用要求不高的定时供应系统,如公共浴室,洗衣房等。
(8)自然循环方式是利用配水管和回水管中水的温度差所形成的水的密度差,从而产生压力差,形成循环作用水头,使管网内维持一定量的循环流量,以补偿配水管道的热损失,保证用户对水温的要求。
(9)机械循环方式是在回水干管上设置循环水泵,利用水泵作为循环动力强制一定量的热水在管网系统中不停地循环流动,以补偿配水管道的热损失,保证管中热水的温度要求。
(10)热水管网的布置方式分为上行下给式和下行上给式两种形式。给水排水工程图的图件种类1)给水排水工程平面图:主要表达各层用水房间所配置的卫生器具及给排水管道、附件在平面位置情况。
2)给水排水工程系统图:主要表达从底层到顶层管道立体走向,常用斜轴侧投影的方法绘制。(表示内容:管道的空间布置,各管段管径,坡度,标高以及附件在管道上的位置。)
3)管道上构配件详图:主要表达管道与构配件局部节点的详细构造和安装要求。
(1)识图方法和步骤阅读建筑给水排水工程图纸时,一般按水的流向阅读。给水工程图识图顺序:引入管—干管—立管—横管—支管—放水龙头。排水工程图识图顺序:卫生器具—排水支管—排水横管—排水立管—排水干管—排出管看图时从粗到细,从大到小,先看基本图例和说明,再看平面图、系统图和详图。
(2)给水排水工程平面图。微信公众号:建筑水电知识平台识读时由底层开始逐层阅读各层平面图,由平面图获得以下信息:
1)给水系统进户管和污废水排出管的平面位置,走向,系统编号。
2)给水排水干管、立管、支管的平面位置尺寸,走向和管径尺寸以及立管编号。建筑内部给水排水管道的布置一般是:下行上给方式的水平配水干管,敷设在底层或地下室天花板下;上行下给方式的水平配水干管敷设在顶层天花板或吊顶之内,在高层建筑内也可设在技术夹层内;给水排水立管通常沿墙、柱敷设;在高层建筑内,给水排水管道敷设在管道井内;排水横管应埋于地下,或在楼板下吊设等。
3)卫生器具和用水设备的平面位置、型号规格和数量;
4)升压设备(水泵、水箱)的平面位置、型号规格和数量等;
5)消防给水管道、消火栓的平面位置、型号、规格;水带材质、水枪的型号与口径、消防箱的型号、明装或暗装、单门或双门等。
(3)给水排水系统图识读给水排水系统图时,先看给水排水管道进出口编号,并对照平面图逐个管道系统图进行识读。
1)给水系统图:给水方式、地下水池和屋顶水箱或气压给水装置的设置情况、管道的具体走向、干管的敷设方式、管径尺寸及变化情况、阀门和设备以及引入管和各支管的标高。
2)排水系统图:排水管道的具体走向、管径尺寸、横管坡度、管道各部位的标高、存水弯的类型、三通设备设置情况、伸缩节和防火圈的设置情况、弯头及三通的选用情况。
(4)详图:建筑给水排水工程详图常有:水表、管道节点、卫生设备、排水设备、室内消火栓等。主要识读内容为:了解具体构造尺寸、材料名称和数量。
内容源于网络,旨在分享,如有侵权,请联系删除
相关资料推荐:
https://ziliao.co188.com/d63083038.html
知识点:暖通、给排水图纸识图
全部回复(0 )
只看楼主 我来说两句抢沙发