知识点:视频切换器
普通视频切换器又称为顺序切换器或跳台器,它可以从输入的多路视频信号源中任意选择1路输出,也可以选择多路视频信号源,并使其按选定的顺序切换输出。因此,从输出端口来看,无论输入到切换器的视频信号源有多少路,任何时刻在切换器的输出端口上只能有1路视频信号输出。采用通用的多路模拟开关集成电路或专用的视频切换集成电路构成的有源切换器,有4路切换器、6路切换器、…、16路切换器等。
简单的有源切换器
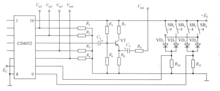
由通用模拟开关集成电路CD4052构成的4路有源视频切换器如图1所示。
图1 4路有源视频切换器原理图
在图中,SB1~SB4为4位互锁按钮开关,三极管VT将CD4052的输出经缓冲后从Vout送出。由图1可见,当SB1~SB4的不同按键分别按下时,可以使CD4052的9、10引脚(即A0A1)分别对应于00、01、10、11四种状态,从而可在CD4052的输岀端(1引3脚)分别得到Vin1、Vin2、Vin3或Vin4中的任意一路输入信号,该信号经Vout隔离后在外讴端输出。
图1电路实际上使用了半片CD4052,由于CD4052内部具有两个结构一样的4选1切换器,因此也可以用其中的一个进行视频切换,而用另一个进行音频切换,组成一个视/音频同步切换的4选1切换器,也可以将两部分并联使用,组成双4路视频切换器。
图1所示的切换器只能以手动方式进行信号切换,而不能实现自动切换。为使这种切换器具有自动切换功能,必须使CD4052的9、10脚自动地、周而复始地重复00、01、10、11四种状态,而这部分电路可以由模4计数器来完成。
场逆程有源切换器
上述的视频切换器,由于输入到切换器的各路视频信号彼此是独立的,而切换时刻是随机的,因而在切换点前后的两场图像可能都不完整,由此造成了在视频切换的瞬间出现图像的跳动(画面瞬间滚动)。其原因主要是,在切换的瞬间,进入视频交叉点并接入到输出母线的视频信号正好赶上是图像的正程,也就是一场图像的显示还没有完成,此时突然跳进来半截另外的图像,而监视器又将有一个捕捉并锁定画面的过程所致。为避免这种现象的发生,就要求发生视频切换的瞬间应选在新的图像完整显示之前,即选在场逆程时刻。一般,要完成视频信号的场逆程切换,只需电路提供一个场控脉冲信号,当此脉冲达到切换控制电位时,才使视频交叉点闭合,从而使视频信号在场逆程期间完成转换。
场逆程切换的原理如图2所示,图中场频周期的全电视信号,表示将被切换输出的那一路视频信号。
图2 场逆程切换原理
由图可见,当切换电压(高电平)到来时,因正好处于场正程期间,如果此时切换输出,画面必定不完整,因而此时由与门电路构成的控制电路并不立即工作。只有等到下一个场消隐期的场控脉冲到来时,即切换电压与场控脉冲同为高电平并同时作用于与门时,方可开启与门,而输出控制电压,以完成视频信号的切换,即视频开关闭合,因而在输出端得到一场完整的视频信号。后续视频设备在场逆程期间接到新的信号输入时,可以有充足的时间,来完成视频信号的捕捉与锁定。
由专用集成电路
构成的切换器
上述的视、音频切换器都是由两个相同的切换电路(如果音频是双语或立体声则需要三个切换电路)并联使用的,一个用于切换视频,另一个用于切换音频,且视频源与音频源要一一对应,并在同一个控制脉冲作用下进行切换。在视频监控系统的实际应用中,音频切换器的指标一般低于视频切换器。
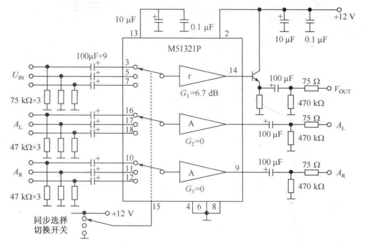
日本三菱公司生产的集成电路M51321P的原理应用如图3所示。

图3 集成电路M51321P的原理应用图
它专门用于一路视频信号和两路音频信号的同步切换。由图可见,集成电路M51321P是一种可以从三组视、音频信号源(每组含一路视频和两路音频,其中音频可以是双语或立体声)中任选一组输入的器件,当其15引脚置于12V时,输出的视、音频信号为第一组信号源;当15引脚置于空档时,输出的视、音频信号为第二组信号源;当15引脚置于GND时,输出的视、音频信号为第三组信号源。在M51321P的内部,含有三个模拟开关,在开关的后面分别设有缓冲放大器,以补偿信号在传输过程中造成的衰减。在视频输岀脚(14引脚)外接一射极跟随器,可以使外接负载(75Ω同轴电缆)与切换器有效地隔离,同时对外接负载提供良好的驱动。
类似的产品,还有视频和音频分别独立可调的集成电路M51329P等。
相关推荐:
0人已收藏
0人已打赏
免费1人已点赞
分享
电气工程原创版块
返回版块2.2 万条内容 · 598 人订阅
阅读下一篇
城市公共厕所设计标准 CJJ14-2016知识点:水冲便器 1、总则 1.0.1 为提高城市公共厕所的设计、建设和管理水平,满足城市居民和流动人口如厕需要,制定本标准。1.0.2 本标准适用于城市公共厕所的新建、改建设计。1.0.3 公共厕所的建设应满足城市总体规划和现行国家标准《城市环境卫生设施规划规范》GB 50337的要求。1.0.4 城市公共厕所的设计除应符合本标准外,尚应符合现行国家有关标准的规定。 2、术 语 2.0.1 公共厕所 public toilets,lavatory,restroom
回帖成功
经验值 +10
全部回复(0 )
只看楼主 我来说两句抢沙发